生物降解材料
- 格式:docx
- 大小:92.32 KB
- 文档页数:13
生物可降解材料的制备及其应用路线随着环境污染和可持续发展的重要性日益提高,生物可降解材料作为一种新型材料,越来越受到人们的关注。
它具有优异的可降解性和再生能力,对于改善环境问题和可持续发展有着重要的作用。
本文将探讨生物可降解材料的制备以及其应用路线。
一、生物可降解材料的制备1. 生物可降解聚合物的制备生物可降解聚合物是制备生物可降解材料的重要原料。
目前,生物可降解聚合物的制备主要有以下几种方式:1)生物合成法:通过微生物代谢合成聚合物,例如聚羟基烷酯(PHA)。
2)化学合成法:通过化学反应合成聚合物,例如聚乳酸(PLA)。
3)酶催化合成法:利用酶催化合成聚合物,在反应过程中不需要使用有机溶剂和高温高压,可以有效节约能源和减少废物。
2. 生物可降解塑料的制备生物可降解塑料是最常见的生物可降解材料,其中主要包括聚乳酸、聚羟基烷酯、聚己内酯和淀粉基塑料等。
生物可降解塑料的制备主要有以下几种方式:1)单独制备:将生物可降解聚合物单独制备成塑料制品,例如聚乳酸制备的餐具。
2)混合制备:将生物可降解聚合物与其他可降解材料混合,例如将聚乳酸与淀粉混合制备的塑料袋。
3. 生物可降解纤维的制备生物可降解纤维是生物可降解材料的另一种重要形式,广泛应用于衣服、织品和其它纺织品等领域。
生物可降解纤维的制备主要有以下几种方式:1)湿法纺丝法:将聚乳酸等生物可降解聚合物与溶剂混合后,经由旋转结晶制备纤维。
2)熔体纺丝法:直接将生物可降解聚合物熔化再经由拉伸制备成纤维。
二、生物可降解材料的应用路线生物可降解材料具有广泛的应用前景,主要包括以下几个领域:1. 医疗领域生物可降解材料在医疗领域中有着重要的应用。
例如,聚乳酸可用于制备缝合线、支架和修复骨折等医用产品。
2. 包装领域生物可降解材料在包装领域中有着广泛的应用。
例如,聚乳酸和淀粉基塑料可以用于制备生鲜食品包装袋。
3. 农业领域生物可降解材料在农业领域中也有着非常重要的作用。
2024年生物可降解材料市场分析现状引言随着环境意识的提高和对可持续发展的追求,生物可降解材料作为一种环保材料正在迅速发展。
本文将分析当前生物可降解材料市场的现状,并探讨其发展趋势。
生物可降解材料的定义生物可降解材料是指在自然环境中能够被微生物完全分解并转化成无害物质的材料。
与传统的塑料材料相比,生物可降解材料具有很高的环保性能和可持续性。
市场规模分析根据市场研究数据显示,生物可降解材料市场在近年来呈现快速增长的趋势。
据预测,到2025年,全球生物可降解材料市场规模将达到100亿美元。
市场驱动因素1.环保意识的提高:人们对环境保护的重视程度逐渐增加,对传统塑料材料的使用产生了质疑,推动了生物可降解材料市场的发展。
2.政策支持:许多国家和地区制定了鼓励使用生物可降解材料的政策和法规,为市场发展提供了良好的环境。
3.技术进步:生物可降解材料的研发和生产技术不断提升,使得其性能得到了极大的改善,进一步推动了市场的增长。
市场应用分析生物可降解材料市场应用广泛,主要领域包括:包装行业生物可降解材料在包装行业中有着广泛的应用。
例如,可降解塑料袋已经逐渐取代了传统塑料袋,在一次性餐具、食品包装等方面得到了广泛应用。
农业领域生物可降解材料也在农业领域中发挥着重要作用。
例如,生物可降解农膜在农业生产中得到了广泛应用,可以减少土地污染,并提高农作物的产量。
医疗行业生物可降解材料在医疗行业中也有着广泛的应用。
例如,可降解缝合线、生物可降解植入物等产品在医疗器械领域中得到了广泛使用。
市场风险与挑战虽然生物可降解材料市场前景广阔,但也面临一些挑战和风险:1.价格问题:生物可降解材料的生产成本相对较高,导致其价格相对较高,限制了市场的进一步发展。
2.技术瓶颈:尽管生物可降解材料的研发和生产技术不断进步,但仍存在一些技术上的瓶颈,如材料强度和稳定性等问题。
3.市场竞争:目前,生物可降解材料市场的竞争激烈,许多企业涌入市场,导致产品同质化现象比较严重。
生物降解材料的开发与应用前景在当今社会,环境保护和可持续发展已经成为全球关注的焦点话题。
随着人们对塑料污染问题的认识日益加深,寻找可替代传统塑料的新型材料变得至关重要。
生物降解材料作为一种具有巨大潜力的解决方案,正逐渐走进人们的视野,并在多个领域展现出广阔的应用前景。
生物降解材料,顾名思义,是指在特定环境条件下,能够被微生物分解为无害物质的材料。
与传统塑料相比,它们具有显著的优势。
传统塑料往往需要数百年甚至更长时间才能自然分解,而生物降解材料的降解时间则短得多,通常在几个月到几年之间,大大减少了对环境的长期影响。
目前,常见的生物降解材料主要包括聚乳酸(PLA)、聚羟基脂肪酸酯(PHA)、淀粉基塑料等。
聚乳酸是由乳酸聚合而成,具有良好的机械性能和加工性能,广泛应用于包装、纺织、医疗等领域。
聚羟基脂肪酸酯则是由微生物合成的一种天然聚酯,具有优异的生物相容性和降解性能,在生物医药领域有着广阔的应用前景。
淀粉基塑料则是以淀粉为主要原料,通过与其他聚合物共混或改性制备而成,具有成本低、来源广泛等优点,常用于一次性餐具、农用地膜等产品。
在开发生物降解材料的过程中,科研人员面临着诸多挑战。
首先是性能方面的问题。
虽然生物降解材料在降解性能上表现出色,但在某些物理性能如强度、耐热性等方面往往不如传统塑料,这限制了它们在一些高端领域的应用。
其次是成本问题。
目前,生物降解材料的生产成本相对较高,这使得其在市场竞争中处于劣势。
为了解决这些问题,科研人员不断探索新的合成方法和改性技术。
例如,通过共聚、共混等手段改善材料的性能,或者开发更加高效的生产工艺降低成本。
生物降解材料的应用领域十分广泛。
在包装行业,生物降解塑料可以用于制作塑料袋、餐盒、饮料瓶等产品,减少塑料垃圾的产生。
特别是在食品包装领域,生物降解材料不仅能够保证食品的安全和卫生,还能在使用后快速降解,降低对环境的污染。
在农业领域,生物降解农用地膜的应用可以有效解决传统地膜难以回收造成的土壤污染问题。
生物降解材料的原理与应用近年来,生物降解材料在环保和可持续发展方面越来越得到重视。
相比于传统的塑料制品,生物降解材料不仅具有良好的可降解性,而且生产过程更加环保,不会对环境造成负面影响。
本文将从生物降解材料的原理和应用两个方面进行论述。
一、生物降解材料的原理1.1 生物降解原理一般来说,生物降解是指微生物将有机物质转化为更简单的形式的过程。
而生物降解材料则是指产品本身能够被微生物所降解,从而最终被还原为水、二氧化碳、有机物等自然元素的一种材料。
它通常是由一些天然高分子材料制成,如淀粉、纤维素、蛋白质等。
当这些材料遇到水和微生物时,便可以开始自然分解的过程,从而实现自然降解回归为土壤、水和空气中的元素。
1.2 生物降解材料的种类按照降解速度和最终降解产物的不同,生物降解材料可以分为三类:快速降解、中等降解和缓慢降解。
其中,快速降解材料通常由淀粉、纤维素等天然高分子材料制成,具有较高的降解速度。
中等降解材料通常由生物降解可降解塑料制成,降解速度和降解产物的种类有一定的差异。
而缓慢降解材料通常由蛋白质等天然高分子材料制成,降解速度相对来说比较慢。
1.3 生物降解材料的优点和缺点相比于传统的塑料制品,生物降解材料的优点也是十分明显的。
首先,它具有良好的可降解性,不会对环境造成污染和负面影响。
其次,生产生物降解材料的过程相对环保,不会对环境造成二次污染。
但是,生物降解材料也存在一些缺点。
例如,生物降解材料的降解速度受到温度、湿度等多种因素的影响,这可能导致其在使用过程中表现不稳定。
此外,生物降解材料的成本相对来说也比较高,这也是其面临的另一个挑战。
二、生物降解材料的应用2.1 垃圾袋生物降解材料可以作为垃圾袋的替代品,以实现环保和可持续发展。
目前市场上已经有多种生物降解垃圾袋的产品,如淀粉垃圾袋、纤维素垃圾袋等。
这些产品在使用过程中具有较好的降解性能,可以减少对环境的影响。
2.2 包装材料生物降解材料在包装材料领域也具有广泛的应用前景。
生物可降解材料技术的优势与发展前景随着环境保护意识的不断提升,生物可降解材料技术逐渐成为了全球研究的热点。
相较于传统的塑料材料,生物可降解材料不仅可以减少环境污染,还具有易于生物降解的优点,被越来越多的产业领域所应用。
本文将从生物可降解材料的定义、优势以及发展前景三个方面对该领域进行探讨。
一、生物可降解材料的定义生物可降解材料是指可以通过微生物代谢或其他自然降解的方式,在一定时间内转化为二氧化碳、水和天然物质的材料。
这种材料通常由天然高分子材料如淀粉、纤维素、胶原蛋白、天然橡胶等以及合成高分子材料如聚乳酸、聚己内酯等构成。
生物可降解材料广泛应用于塑料制品、医疗器械、食品包装等领域。
二、生物可降解材料的优势1、环保性传统塑料材料在生产和使用过程中会产生大量的有害废弃物,并且由于难以降解,污染环境的危害性极大。
而生物可降解材料的生产和降解过程都相对环保,不会产生过多的污染物,使得其具有更广阔的应用前景。
2、易于降解生物可降解材料通常是以天然高分子材料为基础制成,具有非常好的生物降解性能。
其可以在自然环境下通过微生物代谢或其他自然降解的方式进行分解,转化为二氧化碳、水和其他天然物质。
这种材料的降解速度比传统的塑料材料要快得多,有效缓解了环境污染问题。
3、可塑性强生物可降解材料的可塑性强,可以根据需要进行定制化生产。
其在生产过程中可以根据不同工艺技术来制定不同的生产规范,使得其在应用过程中更加符合实际需要。
4、健康安全生物可降解材料大多数是由天然物质构成制成,因此具有很好的健康安全性。
理论上,生物可降解材料的任何部分都可以被人体所吸收,从而避免了传统塑料材料在医疗、食品等领域带来的安全风险。
三、生物可降解材料的发展前景生物可降解材料技术的不断改进和完善,为其未来的发展提供了强有力的支持。
生物可降解材料在塑料制品、医疗器械、食品包装等领域都已经有了初步应用,但仍有一定的技术瓶颈需要克服。
首先,需要解决生产技术和生产成本的问题。
药用生物降解材料摘要药用生物材料是新兴的一门学科,药用生物材料在药物释放系统特别是控缓释系统中有重要作用。
药用生物降解材料是能够降解的高分子材料,在人体内不会滞留,因此受到更大的重视。
本文概述了药用生物材料的定义及应用,论述了药用生物降解材料的若干概念,并列举了几种主要的药用生物降解材料对其特点及应用加以介绍。
关键词药用生物材料生物降解药物释放控缓释系统药用生物材料是近几年来随着现代药剂学的发展而提出的一个新术语,也是材料学不断发展、衍生出来的一门新学科。
药用生物材料是现代药物制剂中协助主药产生特殊功能的一类材料,如控释、缓释、靶向、黏附等,以及包装药品或与药品直接接触的一类生物材料。
绝大部分药用生物材料都是高分子材料,因此常用药用高分子材料替代药用生物材料一词。
生物降解高分子材料是指在生物或生物化学过程中能降解的高分子材料。
它在生物体内经水解、酶解等过程,逐渐降解成低分子量化合物或单体。
降解产物能被排除体外或参加体内的正常代谢而消耗掉。
由于其可生物降解且能被人体吸收代谢而不会在体内滞留,因此成为人们关注的药物控缓释材料。
1.药用生物材料1.1.药用生物材料的定义1.1.1.药用生物材料与医用生物材料按照是生物材料的适用范围,生物材料可分为医用和药用生物材料两大类。
医用生物材料是临床治疗上与人体直接或间接接触的所有生物材料。
药用生物材料(pharmaceutical biomaterials or biomaterials for pharmaceutics)是现代药物制剂中协助主药产生特殊功能的一类材料,如控释、缓释、靶向、黏附等,以及包装药品或与药品直接接触的一类生物材料[1]。
1.1.2.药用生物材料与药用高分子材料药用生物材料可分为药用无机材料与药用高分子材料两大类,前者占的比例非常小,可以说绝大部分药用生物材料都是高分子材料,因此,常常用药用高分子材料来替代药用生物材料一词。
本文所涉及的药用生物材料以及药用生物降解材料的基本理论、合成方法和在现代药剂学中的应用,不加说明,都是指的药用高分子材料。
生物降解材料的研究现状和应用前景近年来,随着环保理念的深入人心,生态环境保护已经成为了全球共同关注的话题。
生物降解材料(Biodegradable Materials)作为一种新型的环保材料,受到各界的广泛关注。
本文将对生物降解材料的研究现状和应用前景进行探讨。
一、生物降解材料的概念和特征生物降解材料(Biodegradable Materials)指的是能够被微生物、真菌和其他生物分解、抑制和吸收的材料。
生物降解材料起源于天然材料,如纤维素、淀粉质、蛋白质等,但现在也可以通过化学手段来合成。
生物降解材料的特征在于它们可以被自然界中存在的微生物分解,将其转化为二氧化碳、水、无机盐等基本成分,最终实现无害化、无毒化的降解过程。
相对于传统的塑料材料来说,它们具有减少白色污染、降低土壤和水资源污染等优势。
二、生物降解材料的研究现状生物降解材料应用于众多领域,如医药、食品、包装和纺织品等领域。
在医药领域,生物降解材料被广泛用于制药和医疗器械。
我国的聚酯生物降解材料有了较大的进展,取得了较好的研究成果,如聚乳酸(PLA)、聚羟基烷酸(PHA)等制品。
食品包装方面,生物降解材料的研究已经比较成熟。
生物降解塑料袋、生物降解纸等都落地生根,例如,某些快餐瓶、纸碗、纸盘都属于生物降解材料制品范畴。
三、生物降解材料的应用前景生物降解材料作为一种新型环保材料,应用前景非常广阔。
在日常生活中,生物降解材料可以用作一些日用品的制作,如生物降解塑料袋、生物降解笔等。
在医药领域,生物降解材料可以被用于医药器械等,降低某些材料对人体的伤害。
在包装领域,生物降解材料的应用发展也很迅猛,随着社会对“白色污染”的日益关注,生物降解材料包装的广泛应用成为人们所期待的。
四、生物降解材料面临的挑战虽然生物降解材料的应用前景很广且明显有利于环保,但它也面临一些挑战。
首先,生物降解材料与传统塑料制品相比成本较高。
其次,环境因素是生物降解材料降解的一个非常重要的影响因素,过渡重金属、各种化学物质、温度和湿度等环境因素都会影响生物降解材料的降解效果。
生物降解材料的应用与挑战在当今社会,环境保护和可持续发展成为了人们关注的焦点。
随着科技的不断进步,生物降解材料作为一种新型的环保材料,逐渐崭露头角。
生物降解材料是指在一定条件下,能够被微生物分解为无害物质的材料。
它们的出现为解决塑料污染等环境问题带来了新的希望,但同时也面临着一系列的挑战。
一、生物降解材料的应用领域(一)包装行业在包装领域,生物降解材料发挥着重要作用。
例如,食品包装是一个常见的应用场景。
传统的塑料包装材料难以降解,容易造成环境污染。
而生物降解材料制成的食品包装,如生物降解塑料袋、餐盒等,在使用后可以在较短的时间内自然分解,减少了塑料垃圾的产生。
此外,化妆品、电子产品等的包装也开始采用生物降解材料,以满足消费者对环保产品的需求。
(二)农业领域农业中,生物降解材料的应用也日益广泛。
农用地膜是其中的一个重要方面。
传统的地膜大多由聚乙烯等塑料制成,难以降解,长期使用会导致土壤污染和地力下降。
生物降解农用地膜则能够在一定时间内分解,不会对土壤造成长期的危害。
此外,生物降解材料还可以用于制作农药和化肥的缓释包装,提高农药和化肥的利用率,减少对环境的污染。
(三)医疗领域在医疗行业,生物降解材料也有其独特的应用价值。
例如,手术缝合线可以使用生物降解材料制成,在伤口愈合后自动降解,无需拆线,减少了患者的痛苦和二次创伤。
组织工程支架也是一个重要的应用方向,生物降解材料制成的支架可以为细胞生长提供支撑,随着组织的修复和再生,支架逐渐降解,避免了二次手术取出的麻烦。
(四)其他领域生物降解材料还在纺织、家居用品、汽车内饰等领域有着不同程度的应用。
比如,用生物降解材料制成的衣物具有柔软舒适、环保等特点;生物降解材料的家居用品,如垃圾桶、花盆等,既实用又环保;汽车内饰中使用生物降解材料,可以降低车内挥发性有机物的排放,提高车内空气质量。
二、生物降解材料的类型(一)聚乳酸(PLA)聚乳酸是目前应用较为广泛的一种生物降解材料。
淀粉基生物降解材料淀粉基生物降解材料是一种新型的环保材料,它具有良好的生物降解性能,对环境友好,广泛应用于塑料制品、包装材料、土壤修复等领域。
本文将从淀粉基生物降解材料的定义、特点、应用和发展前景等方面进行探讨。
首先,淀粉基生物降解材料是以淀粉为主要原料制成的生物降解材料。
淀粉是一种天然的生物高分子化合物,具有良好的生物降解性和可再生性,是制备生物降解材料的理想选择。
淀粉基生物降解材料不仅可以降解成二氧化碳和水,还可以在一定条件下被微生物降解,对环境不会造成污染。
其次,淀粉基生物降解材料具有良好的可加工性和成型性,可以通过注塑、挤出、吹塑等工艺制备成各种形状的制品,如餐具、包装袋、一次性餐盒等。
这些制品不仅可以满足人们的日常生活需求,而且在使用后可以自然降解,减少了对环境的影响。
此外,淀粉基生物降解材料还具有良好的生物相容性和生物活性,可以应用于医疗领域,制备生物降解的医用材料,如缝合线、骨修复材料等。
这些材料不仅可以降低手术对患者的创伤,而且在术后可以自然降解,减少了二次手术的风险。
最后,淀粉基生物降解材料的发展前景十分广阔。
随着人们对环境保护意识的提高,对生物降解材料的需求将越来越大。
淀粉基生物降解材料作为一种环保材料,将在塑料替代、包装材料、医用材料等领域得到广泛应用。
同时,随着生物技术和材料科学的不断发展,淀粉基生物降解材料的性能和加工工艺将得到进一步提升,为其应用提供更广阔的空间。
综上所述,淀粉基生物降解材料具有良好的生物降解性能、可加工性和生物相容性,具有广阔的应用前景。
相信随着相关技术的不断进步,淀粉基生物降解材料将会在各个领域得到更广泛的应用,为推动可持续发展做出更大的贡献。
生物降解材料的降解机理研究近年来,随着环保意识的增强和可持续发展的要求,生物降解材料作为一种环境友好型的材料备受关注。
生物降解材料具有良好的生物降解性能,可以在自然环境中被微生物分解,从而减少对环境的污染。
然而,要深入了解生物降解材料的降解机理,仍然需要开展更多的研究。
生物降解材料的降解机理主要涉及两个方面:微生物降解和酶降解。
微生物降解是指生物降解材料在自然环境中被微生物菌株分解的过程。
而酶降解是指生物降解材料在微生物体内通过酶的作用被分解为较小的分子。
这两种降解方式在实际应用中常常同时存在。
微生物降解是生物降解材料降解过程中最主要的方式之一。
微生物菌株对于不同类型的生物降解材料具有不同的分解效率和特异性。
一方面,微生物菌株产生的酶能够将生物降解材料中的聚合物链不断断裂,从而形成较小的分子。
另一方面,细菌等微生物能够利用分解后的低分子化合物作为碳源和能源,从而维持细菌的生长和代谢。
微生物降解过程中产生的二氧化碳和水等无害物质最终被释放到环境中,不会对环境造成污染。
酶降解是生物降解材料降解过程中的另一种重要方式。
酶是一种具有特定催化活性的蛋白质,能够催化生物降解材料分子链的断裂和降解。
生物降解材料通过酶的作用被分解为较小的分子,从而加速降解速度。
不同类型的生物降解材料对应着不同种类的酶,因此酶的多样性对于生物降解材料的降解过程起着决定性作用。
研究酶的催化活性和降解机理,对于进一步提高生物降解材料的降解效率具有重要意义。
除了微生物降解和酶降解,生物降解材料的降解过程还与环境因素密切相关。
例如,湿度、温度和pH值等环境条件都会对生物降解材料的降解速率产生影响。
湿度较高的环境有利于微生物的生长和活性酶的催化作用,从而加速降解材料的降解。
温度过高或过低都会影响微生物的生长和酶的活性,进而影响降解速率。
pH值的变化也会对酶的稳定性和活性产生影响,从而影响降解材料的降解速率。
因此,在实际应用中,要根据不同的环境条件合理选择生物降解材料。
生物可降解高分子材料生物可降解高分子材料,是指以天然有机物为主要原料制备的高分子材料,经过特殊处理后能够在自然环境中被微生物或其他生物降解,最终转化成二氧化碳、水和生物质等无害物质的材料。
与传统的合成塑料相比,生物可降解高分子材料具有许多优势,如低碳排放、资源可再生、对环境友好等。
生物可降解高分子材料的原料主要来自于可再生的植物和动物资源,如淀粉、纤维素、蛋白质等。
它们通过特殊的加工技术,如酯交换反应、水解反应等,转化成生物可降解高分子材料。
这些材料在使用过程中通常不会对环境造成污染,因为它们可以被微生物分解并与自然界无害物质循环。
生物可降解高分子材料具有许多优点。
首先,它们能够显著减少对环境的污染。
传统塑料制品通常需要数百年才能被降解,对环境造成严重威胁。
而生物可降解高分子材料的降解速度远远快于传统塑料,减少了对土壤和水源的污染。
其次,生物可降解高分子材料可以降低碳排放。
生产生物可降解高分子材料的过程中,相对于传统塑料,其二氧化碳排放量更低,对气候变化的影响更小。
此外,生物可降解高分子材料可以有效利用可再生资源,不会对非可再生资源造成枯竭。
与此同时,生物可降解高分子材料本身也能作为良好的土壤改良剂和植物营养源,促进土壤生态系统健康发展。
然而,生物可降解高分子材料也存在一些挑战和限制。
首先,由于生物可降解高分子材料通常比传统塑料价格更高,其成本仍然是一个制约因素。
其次,目前的生物可降解高分子材料在性能上还无法完全替代传统塑料。
例如,在机械性能、热稳定性和耐化学性等方面,生物可降解高分子材料仍然存在一定差距,不能满足一些特殊行业的需求。
此外,生物可降解高分子材料的降解速度也需要控制,否则可能会造成不必要的资源浪费。
为了推动生物可降解高分子材料的广泛应用,需要加强相关技术的研究和开发。
首先,需要提高生物可降解高分子材料的性能,使其能够满足广泛的应用需求。
这可以通过改进材料配方、加强材料加工和改良材料结构等方式来实现。
生物降解材料的研究及发展趋势生物降解材料是一种能被生物体代谢分解为无毒、无害的物质的材料,具有广阔的应用前景和环保意义。
与传统的合成材料相比,生物降解材料不会对环境产生永久性的污染,同时对人体健康也没有危害。
因此,生物降解材料成为近年来热门的研究领域之一。
一、背景介绍人类生活不断地依赖于材料,生产出的产品让我们的生活更加便利、舒适。
但是传统的合成材料不断对地球环境产生影响,使得环境污染越来越严重。
传统材料往往具有不良的耐久性,如果不能完全回收和再利用,就会在环境中存在较长时间。
例如塑料袋,在被人使用后往往会被随意丢弃,进入河流、海洋,在长时间内难以分解,对海洋的生态系统产生危害。
与之相反,生物降解材料作为一种全新类型的材料,它所使用的原材料主要来自生物大分子、生物聚合物和天然有机物等,目前已经在食品、医疗、农业、纺织、建筑、包装等领域得到广泛应用。
生物降解材料可以在短时间内被微生物降解为无毒、无害的物质,对于环境的污染减少了很多。
二、生物降解材料的种类生物降解材料大体上可以分为三类:生物可降解的聚合物材料、天然纤维素材料和生物质材料。
1. 生物可降解的聚合物材料生物可降解的聚合物材料是目前生物降解材料中研究和应用最广泛的种类,它主要是以土壤微生物降解为主。
其中,聚乳酸(PLA)、聚羟基脂肪酸酯(PHAs)、聚己内酯(PCL)、聚丙烯酸酯(PAA)等是较为常见的生物可降解材料。
这类材料的优点是可以经常热塑性加工,制备方式类似于传统的石油聚合物的制备方式。
2. 天然纤维素材料天然纤维素材料是一种天然有机物材料,它是以木质素、纤维素等天然高分子化合物作为原料,经过一定加工工艺后制成的。
这类材料做出来比较坚硬和有强度,适合制作需要耐久度较高和稳定性好的食品包装材料。
3. 生物质材料生物质材料来源于农业和林业废弃物,是一种资源和能源的复合材料。
这类材料的研究主要是为了解决环境中农业和林业发展所面临的问题,可以通过转化为汽车部件、建筑材料、生物燃料、肥料等降低对环境的污染。
全生物降解材料全生物降解材料是指能够在自然环境中被微生物完全分解而不产生任何有害物质的材料。
随着人们对环境保护意识的提高,全生物降解材料在包装、餐具、医疗器械等领域的应用越来越广泛。
本文将就全生物降解材料的定义、特点、应用以及未来发展方向做一简要介绍。
首先,全生物降解材料的定义是指由天然可再生资源制成的,能够在自然环境中被微生物完全分解成水、二氧化碳和生物质的材料。
这些材料不会对环境造成任何污染,符合可持续发展的理念。
其次,全生物降解材料具有许多特点。
首先,它们来源于可再生资源,如玉米淀粉、蔗糖、纤维素等,具有很好的可再生性和可持续性。
其次,全生物降解材料在生产过程中能够降低能耗和减少二氧化碳排放,对环境友好。
最后,这些材料在使用完毕后能够被微生物迅速降解,不会对土壤和水源造成污染。
全生物降解材料在包装、餐具、医疗器械等领域有着广泛的应用。
在包装领域,全生物降解材料可以替代传统的塑料包装,减少塑料垃圾对环境的污染。
在餐具领域,可降解的餐具可以减少一次性塑料餐具的使用,对环境有着积极的影响。
在医疗器械领域,全生物降解材料可以用于制作一次性手术器械,减少医疗废物对环境的影响。
未来,全生物降解材料的发展方向主要包括技术创新和产业化推广。
在技术创新方面,需要进一步提高全生物降解材料的性能和稳定性,以满足不同领域的需求。
在产业化推广方面,需要加大对全生物降解材料的宣传推广力度,提高消费者对这类材料的认知度,促进其在市场上的应用。
综上所述,全生物降解材料具有重要的环保意义,对于减少塑料污染,保护环境具有重要作用。
随着技术的不断进步和人们环保意识的提高,相信全生物降解材料将会在更多领域得到应用,为建设美丽的地球贡献力量。
生物降解材料的性能与应用在当今追求可持续发展的时代,生物降解材料正逐渐成为材料领域的热门话题。
这些材料以其独特的性能和广泛的应用,为解决环境问题和推动社会发展带来了新的希望。
首先,让我们来了解一下什么是生物降解材料。
简单来说,生物降解材料是指在特定环境条件下,能够被微生物分解为无害物质的材料。
与传统的不可降解材料相比,它们具有显著的优势。
生物降解材料的性能特点众多。
其中一个重要特点就是良好的生物相容性。
这意味着它们在与生物体接触时,不会引起明显的排斥反应,因此在医疗领域有着广泛的应用前景,比如可吸收的手术缝合线、药物缓释载体等。
降解性能是生物降解材料的核心特性。
它们能够在一定的时间内,通过微生物的作用分解为水、二氧化碳和生物质等。
这种降解过程的速度和程度可以通过材料的成分和结构进行调控,以满足不同应用场景的需求。
此外,生物降解材料还具有一定的机械性能。
虽然可能不如某些传统工程塑料那么强,但在一些特定的应用中已经足够,比如一次性餐具、包装材料等。
而且,它们的热性能也在不断改进和优化,使得其能够适应更广泛的加工条件。
在应用方面,生物降解材料在包装领域表现出色。
随着电商的迅速发展,包装材料的使用量大幅增加。
传统的塑料包装往往难以降解,造成严重的环境污染。
而生物降解材料制成的包装,如塑料袋、餐盒等,在使用后能够在自然环境中较快地分解,减少了塑料垃圾的堆积。
农业领域也是生物降解材料的重要应用方向。
例如,可降解的农用地膜能够在农作物生长周期结束后自然分解,避免了传统地膜残留对土壤造成的污染和危害,有助于保持土壤的肥力和结构。
在医疗领域,前面提到的可吸收手术缝合线就是一个典型的应用。
此外,还有组织工程支架、心脏支架等,这些材料在完成其医疗使命后,可以被人体逐渐吸收,避免了二次手术取出的痛苦和风险。
然而,生物降解材料的发展也并非一帆风顺。
目前,它们在成本方面相对较高,限制了其大规模的应用。
而且,在性能的稳定性和一致性方面,还需要进一步的研究和改进。
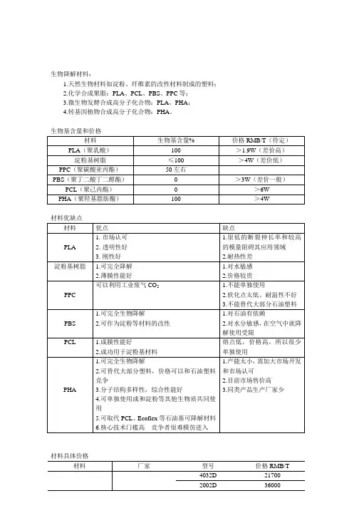
生物降解材料生物降解材料: 1. 天然生物材料如淀粉、纤维素的改性材料制成 的塑
料; 2. 化学合成聚脂:PLA、PCL、PBS、PPC等;
3. 微生物发酵合成高分子化合物:PLA、PHA ;
4. 转基因植物合成高分子化合物:PHA 。
生物基含量和价格 材料 生物基含量% 价格RMB/T
(待定) PLA (聚乳酸)
100 > 1.9W (差价
高) 淀粉基树脂 < 100 > 4W (差价低) PPC(聚碳酸亚
丙酯) 50左右
PBS(聚丁二酸 0 > 3W (差价一
丁二醇酯) 般) PCL (聚己内
酯) 0 >
6W
PHA (聚羟基
脂肪酸) 100 >
4W 材料优缺点 材料优点
2•成功用于淀粉基材料 高,所以很少单 独使用
缺点 PLA 1.市场认可 1•很低的断裂
2.透明性好 伸长率和较高
3.刚性好 的模量阻碍其
应用领域 2•耐热性差 淀粉基1 •可完全降解 I •对水敏感 树脂2 •薄膜性能好 2•价格较贵
可以利用工业废气1•不能单独使 PPC CO2
用
2. 软化点太低、 耐温性不好 3. 不能替代大
PBS 1•可完全生物降解 2.可作为淀粉等材料的 改性
1•对石油有依 赖 2.对水分敏感, 在空气中解使用受限 PCL 1 •成膜性能好 熔点低,价格 PHA 1.可完全生物降解 2•可替代大部分塑料, 价格可以和石油塑料 1•产能太小,需
加大市场开发 和市场认可 竞争 3•分子结构多样性,综
合性能好 4.可单独使用或和淀粉
等其他生物质共同使 用
5. 可取代 PCL、Ecoflex 等石油基可降解材料 6. 核心技术门槛高 竞
争者很难模仿进入
2. 目前市场售 价
高 3. 同类产品生 产
厂家少
材料具体价格 材料 厂家 型号 价格 RMB/T
2002D 36000 Naturewor 3052D 23500 ks 4060D 23500 3001D 32000 2003D 25500
4032D 21700 美国 Novon 45000
PLA 7001D 25000
海正 REVODE2 21800
01
213S 25850 深圳光华 1001 22000 伟业 汉丰生物 30000
韩国 B500 12000 日本东丽 V911X51H 45000 B
PBS TH803 35000 PCL 美国苏威
6800 90000
PHA 山东意可 EM10080 35000
曼
生物降解塑料生产厂家 种类 公司 型号 产能 (吨/ 年)国外 Wamer-Lambert 公司 塑料
意大利 Mater- 20000 Novonmont Bi塑料
德国Biotec
武汉东丽 PSM 20000
广东上九 10000
国内 天津丹海股份有 限公司 生态利
30000
南京比澳格 3000 浙江华发 10000
成都新柯力 新柯力 3000
国外 美国 natureworks Nature
works 8000-1
40000 日本三井化学 LACE
A 500
日本岛津制作所 300 浙江海正生物材 料股份有限公司 5000
国内 金发科技 5000 上海同杰良生物 材料有限公司
淀粉基 PLA 深圳光华伟业实 业有限公司 江苏九鼎集团 待建 宁波天安生物材 PHBV 2000 料公司
PBS 国外 日本昭和高分子 公司
Bio noil
e 5000
美国 Eastman chemical Eastar bio 15000
国内 杭州鑫富药业有 限公司 3000
安徽安庆和兴化 工公司 10000
广东金发科技 1000
国外 德国慕尼黑 biomers 公司 PHB 1000
英国 ICI ( zeneca) PHBV 350
公司
PHA PHBH H 美国 ADM 公司 P34HB 50000 天津北方食品公 PHB 10 司 广东江门生物技 PHB 10 术中心 国内 江苏南天集团 PHB 10 广东江门生物技 PHBH 10,停 术中心 H 产 广东汕头联亿生 PHBH ??, 物材料公司 H 停产 深圳意可曼生物 PHA 5000 科技 山东意可曼生物 PHA 5000 科技 天津国韵生物科 PHA 10000
技公司 日本大赛璐
深圳光华伟业实 业有限公司
美国UCC |美国 Un io n Carbide
Tone
日本JSP 比利时In terRock公司
英国 Lapott 公司
PCL 国夕
卜
产量未知 瑞士柏斯托公司 中石化巴陵石化环己酮事业部
2000 PLA PLA产业链
产业链分析: 1. PLA改性材料生产企业:其生产受到上下游的影响 比较严
重。
2. PLA生产企业:此类企业上游供给影响不大,来源 和供应
量很充足,关键在于企业的生产技术和产能。 美国的natureworks处于领先地位,每年14万吨的 产能,巴斯夫、
日本三井和荷兰普拉克都有超万吨的 产能。国内海正生物和金发科技分别拥有 5000吨左 右的产能,在国内PLA生产商中实力较强。
3. PLA原料(中间物)生产商:PLA生产主要有一步 法和两
步法两种工艺,两步法应用较多,即先由乳酸 聚合并解聚得到中间体丙交酯,再由丙交酯开环聚合 得到PLA,两步法中, 中间体丙交酯的生产成本和纯 度直接影响PLA产品的成本和性能 4. PLA改性材料使用企业:这些企业使用 PLA改性 材料作
为生产进一步产品的原料,成品涵盖范围包括 农业、工业、门用等等领域。PLA材料经过改性和复 合,其理化性质得到相应改进,可以采用传统吹塑、 热塑机械生产成品,传统成品生产企业的转换成本并 不高,而此类企业在国内数量巨大,并不构成对于 PLA改性材料生产企业的直接瓶颈。
5•消费者终端:消费者的最终需求,决定了 PLA改性 和复合
材料使用企业对 PLA改性材料的间接需求, 成为真正的、可能的需求瓶颈。因此,分析 PLA改 性和复合材料行业下游的关键,在于消费者终端的分 析。
PLA改性材料企业
----- 公司 ------ …规模 1 一 产 巴斯夫 —— . - F 亠
60000 吨/年 A PLA/ECOLFEX 共混 [原
耳东丽* 8000 吨 电/— K PLA [纤维
山 东必可成 6000 吨 — 无纺布 fe薄膜
宁 、 三波环球 NA PLA
深加丄制
口口 汕 一头成祥 NA PLA深加丄」 口口 制 PLA改性企业主要集中在国外为主。
PHA 基本性能:
生物相容性,良好的力学性能,非线性光学性, 气体隔离性,耐水解性能,压电性,良好的加工性能, 耐热性。
性能指标: 分子量:1000-1000000 玻璃态温度:-60 °C ~+60 °C 熔点:40C〜190C 结晶度:10%〜60% 断裂伸长率:5%~1000% 空气与水的阻隔性类似于PET 印刷性能类似于PET 非常好的抗紫外线功能 在淡水中稳定,可在海水、土壤中完全生物降解 水相浆可形成很好的薄膜 对环节没有二次污染 下游应用: 农业 农药缓释剂
环保 电子产品、包装 生化 高性能滤膜 微电 热封闭组件
四川柯因达 台湾伟盟 台湾锐旗
开发业化未产 NA 5000吨/年
PLA薄膜产品
纤维产薄膜类 产口仃 吸塑、、片材-类 广品