选矿絮凝剂
- 格式:doc
- 大小:12.50 KB
- 文档页数:2
絮凝剂的工作原理综述:絮凝剂是一种常用的水处理药剂,用于处理水中的悬浮物、胶体物质和有机物等,以达到净化水质的目的。
絮凝剂通过改变水中微粒的电荷性质和形态,使其聚集成较大的团簇,从而便于后续的沉淀、过滤或浮选等处理操作。
本文将详细介绍絮凝剂的工作原理及其应用。
一、絮凝剂的分类根据其化学性质和处理效果,絮凝剂可以分为无机絮凝剂和有机絮凝剂两大类。
1. 无机絮凝剂:无机絮凝剂主要包括铝盐、铁盐和硅酸盐等。
它们具有良好的絮凝效果和广泛的适用性。
常见的无机絮凝剂有氯化铝、硫酸铝、聚合氯化铝、硫酸亚铁等。
无机絮凝剂的絮凝机理主要是通过电荷中和和聚集作用来实现的。
2. 有机絮凝剂:有机絮凝剂是一类高分子化合物,具有较强的絮凝能力。
常见的有机絮凝剂有聚丙烯酰胺(PAM)、聚丙烯酰胺共聚物(PAC)、聚乙烯亚胺(PEI)等。
有机絮凝剂的絮凝机理主要是通过吸附、桥联和胶体稳定性改变来实现的。
二、絮凝剂的工作原理絮凝剂的工作原理可以分为物理作用和化学作用两个方面。
1. 物理作用:物理作用主要是指絮凝剂与水中微粒之间的力学相互作用。
絮凝剂在水中形成的高分子链或簇团可以通过以下方式促进微粒的聚集:(1)吸附作用:絮凝剂的高分子链或簇团能够吸附在微粒表面,形成带电的吸附层。
这些带电吸附层之间的排斥力会使微粒互相靠近。
(2)桥联作用:絮凝剂能够通过高分子链或簇团之间的桥联作用将微粒连接起来,形成较大的团簇。
(3)胶体稳定性改变:絮凝剂能够改变水中微粒的胶体稳定性,降低其稳定性,使其易于聚集。
2. 化学作用:化学作用主要是指絮凝剂与水中微粒之间的化学反应。
絮凝剂的化学作用可以通过以下方式促进微粒的聚集:(1)电荷中和:絮凝剂的带电吸附层能够中和微粒表面的电荷,使微粒失去静电排斥作用,从而促进微粒的聚集。
(2)络合作用:絮凝剂能够与水中的某些溶解物质或微粒表面的活性位点形成络合物,从而促进微粒的聚集。
三、絮凝剂的应用絮凝剂广泛应用于水处理、废水处理、矿山选矿、纸浆造纸等领域。
絮凝剂的作用工业流程同学们,今天咱们来聊聊絮凝剂在工业流程里的那些事儿。
说起絮凝剂,可能有的同学还不太清楚这是啥。
其实啊,絮凝剂在工业生产中可是有着非常重要的作用呢!那絮凝剂到底是干啥的呢?简单来说,它就像是一个神奇的小助手,能把工业生产中那些细小的颗粒或者杂质聚集在一起,形成比较大的絮团,这样就能更方便地把它们从液体中分离出来啦。
咱们先来说说在污水处理中的作用。
在很多工厂里,都会产生大量的污水,如果直接排放,那可会对环境造成巨大的危害。
这时候,絮凝剂就派上用场啦!它能让污水里那些悬浮的微小颗粒,比如说泥沙、有机物等,快速地聚集在一起,形成大的絮状物。
然后通过沉淀或者过滤等方法,就能把这些絮状物从水中分离出来,让污水变得清澈干净,达到排放标准。
比如说,在造纸厂的废水处理中,废水中有很多细小的纤维和杂质。
加入絮凝剂后,这些小纤维和杂质就会聚集在一起,变得容易被过滤掉,这样处理后的水就能再次利用或者安全排放啦。
在矿物加工的工业流程中,絮凝剂也起着关键作用。
比如说在选矿的时候,矿石经过粉碎后会变成细小的颗粒,这时候加入絮凝剂,就能让有用的矿物颗粒聚集起来,提高选矿的效率和质量。
再比如在食品工业中,生产过程中也会产生一些含有杂质的液体。
絮凝剂可以把这些杂质聚集起来,让液体变得更纯净,保证食品的质量和安全。
那絮凝剂是怎么发挥作用的呢?其实它就像是一个“小团队的组织者”。
当它被加入到液体中后,会和那些细小的颗粒发生一系列的化学反应和物理作用,让颗粒表面的电荷发生改变,从而使它们相互吸引,聚集在一起。
在实际的工业流程中,使用絮凝剂也有一些讲究。
首先得选对合适的絮凝剂种类,不同的工业废水和物料需要不同类型的絮凝剂。
然后呢,还要控制好絮凝剂的用量,加少了效果不好,加多了又可能造成浪费和新的问题。
使用絮凝剂的时候,搅拌的速度和时间也很重要。
搅拌太快或者时间太长,可能会把刚刚形成的絮团打散;搅拌太慢或者时间太短,又可能导致絮凝剂不能充分发挥作用。
选矿油田专用化学药剂引言概述:选矿油田是目前全球能源行业的重要组成部分。
在选矿油田的开发过程中,化学药剂是不可或缺的一项关键技术,它们能够改善油田开采效率、提高矿石回收率,并在环境保护方面发挥重要作用。
本文将深入探讨选矿油田专用化学药剂的种类、作用机理以及目前在选矿油田中的应用情况。
正文内容:一、界面活性剂1.乳化剂2.分散剂3.表面活性剂二、浮选剂1.硫化剂2.氧化剂3.抑制剂三、调整剂1.pH调节剂2.温度调节剂3.离子调节剂四、抗腐剂1.金属腐蚀抑制剂2.环境腐蚀抑制剂3.微生物腐蚀抑制剂五、沉淀剂1.懸浮剂2.沉降剂3.絮凝剂正文详细阐述:一、界面活性剂1.乳化剂:乳化剂能够将油水分散成微小液滴,增加乳胶稳定性,促进分离。
2.分散剂:分散剂可以将固体颗粒分散于液相中,提高悬浮稳定性。
3.表面活性剂:表面活性剂能够改变固体与液体之间的界面性质,减小泡沫形成和粘聚现象,提高浸润性。
二、浮选剂1.硫化剂:硫化剂能够与矿石中的金属元素反应,可浮性的硫化物,从而实现金属矿石的分离。
2.氧化剂:氧化剂能够氧化金属矿石表面的杂质,提高矿石的浮选性。
3.抑制剂:抑制剂能够阻止某些金属矿石的浮选,从而实现不同矿石的分离。
三、调整剂1.pH调节剂:pH调节剂能够调整浮选过程中的溶液pH值,影响矿石的浮选性。
2.温度调节剂:温度调节剂能够调整浮选过程中的溶液温度,影响矿石的浮选性。
3.离子调节剂:离子调节剂能够调整溶液中的离子浓度,影响矿石的浮选性。
四、抗腐剂1.金属腐蚀抑制剂:金属腐蚀抑制剂能够形成一层保护膜,防止金属设备的腐蚀。
2.环境腐蚀抑制剂:环境腐蚀抑制剂能够缓解油田环境中的腐蚀现象,延长设备寿命。
3.微生物腐蚀抑制剂:微生物腐蚀抑制剂能够抑制微生物的生长,减少微生物对油田设备的腐蚀。
五、沉淀剂1.悬浮剂:悬浮剂能够使悬浮物分散并悬浮于溶液中,避免沉淀产生。
2.沉降剂:沉降剂能够促使悬浮物快速沉淀到底部,加快悬浮物的分离。
絮凝剂的介绍与选择絮凝剂是一种能够将悬浮在水中或其他溶液中的细小固体颗粒迅速聚结成较大团块并沉淀下来的化学物质。
它在水处理、污水处理和工业生产等领域有着广泛的应用。
下面将详细介绍絮凝剂的种类、作用机理以及如何选择合适的絮凝剂。
一、絮凝剂的种类:1.无机絮凝剂:主要包括氯化铁、聚合氯化铝等。
无机絮凝剂通常具有较高的絮凝速度和较好的絮凝效果,适用于处理各种类型的水体。
2.有机絮凝剂:主要包括聚丙烯酰胺(PAM)和聚合氨酯等。
有机絮凝剂具有高效絮凝性能和较好的抗硬水性能,适用于处理含油、含浮游生物等特殊水体。
3.天然絮凝剂:主要包括淀粉、明胶等。
天然絮凝剂通常具有较好的生物可降解性和低毒性,适用于处理饮用水和食品加工废水等。
二、絮凝剂的作用机理:絮凝剂通过两个主要的作用机理来促进颗粒的聚结和沉淀:1.吸附机理:絮凝剂中的活性组分能够与悬浮物颗粒的表面带电荷进行吸附,形成絮团。
2.中和机理:絮凝剂中的活性组分能够与悬浮物颗粒的表面带电荷进行中和,减弱颗粒间的静电斥力,促进颗粒的聚结。
此外,絮凝剂还能够改善水体的过滤性能,减少胶体和溶解物质对过滤装置的堵塞。
三、如何选择合适的絮凝剂:1.根据水质特点选择:根据水源的特点,如浑浊度、颗粒大小和溶解物质的种类等,选择对应的絮凝剂。
2.根据处理目标选择:根据需要处理的水体类型和水质要求,选择絮凝剂的种类和剂量。
3.综合考虑经济性和环境因素:综合考虑絮凝剂的价格、效果和用量,选择经济性较好的絮凝剂,并尽量选择环境友好型的絮凝剂。
4.实验室小试:在实验室条件下进行小试,根据小试结果调整絮凝剂的选择和用量。
5.与其他处理工艺的配合:在选择絮凝剂时,还需要考虑与其他处理工艺(如混凝、过滤等)的配合情况,使之协调工作,达到最佳处理效果。
总结起来,絮凝剂是一种用于水处理和污水处理的重要化学品,它能够促进颗粒的聚结和沉淀,从而改善水质。
在选择絮凝剂时,需要根据水质特点、处理目标、经济性和环境因素等综合考虑,并通过实验室小试来确定最佳的絮凝剂和用量。
絮凝剂的原理及应用1. 絮凝剂的定义和分类絮凝剂是一种化学物质,它能够在液体中聚集悬浮的微小颗粒,形成较大的团簇,从而使悬浮物快速沉淀或聚集在一起。
絮凝剂广泛应用于水处理、污水处理、矿山选矿、化工等领域,用于去除水中的悬浮固体、胶体或有机物等。
根据其化学性质和作用机制,絮凝剂分为无机絮凝剂和有机絮凝剂两大类。
1.1 无机絮凝剂无机絮凝剂是指以无机盐为主要组成部分的絮凝剂。
常见的无机絮凝剂有氯化铁、硫酸铁、多聚硫酸铝等。
无机絮凝剂以其高效、广泛适用和较低成本的特点,在水处理领域得到了广泛应用。
1.2 有机絮凝剂有机絮凝剂是指以有机高聚合物为主要组成部分的絮凝剂。
常见的有机絮凝剂有聚丙烯酰胺、聚乙烯亚胺等。
有机絮凝剂由于其高效、低剂量和对水质影响较小等特点,在污水处理和工业领域得到了广泛应用。
2. 絮凝剂的作用机制絮凝剂通过物理和化学作用机制使悬浮物粒子聚集在一起,形成大颗粒,从而实现固液分离。
主要的作用机制包括以下几种:2.1 絮凝作用絮凝剂通过引起悬浮颗粒之间的吸引力,使之相聚而形成较大的团簇。
这种吸引力可以是静电作用、凡得瓦力或化学络合等。
2.2 粘度增加作用细小颗粒的表面处于Brownian运动状态,利用絮凝剂增加液体的粘度可以减缓颗粒的运动速度,从而增加颗粒的相遇概率。
2.3 表面活性剂作用絮凝剂中含有一定的表面活性剂,它能够改变溶液的界面性质,降低溶液的表面张力,从而促进颗粒的聚集和沉淀。
2.4 胶束效应絮凝剂分子在溶液中以胶束形式存在,这些胶束能够包裹住颗粒,形成类似于沉淀物的结构,从而促进颗粒聚集。
3. 絮凝剂的应用絮凝剂在水处理、污水处理、矿山选矿、化工等领域都有广泛的应用。
以下是絮凝剂在几个领域的典型应用:3.1 水处理絮凝剂在水处理中的应用主要是用于去除水中的悬浮固体和胶体物。
它可以使水中的悬浮物迅速沉淀,从而提高水的澄清度。
比较常用的絮凝剂有氯化铁、聚合氯化铝等。
3.2 污水处理絮凝剂在污水处理中起到了重要的作用。
絮凝工艺在选矿中的应用随着现代科技的不断发展和成熟,各种高科技工艺也在选矿中得到了广泛的应用。
其中,絮凝工艺是一种非常先进和高效的技术,它已经得到了选矿行业的广泛认可和使用。
本文将重点介绍絮凝工艺在选矿中的应用,并分析它的优点和不足之处。
1. 絮凝工艺的基本原理絮凝,指的是粉状或液态颗粒通过物理或化学作用相互吸附,形成较大颗粒的过程。
它是一种物理化学过程,主要通过物理作用,例如吸附、沉淀、造粒等来吸附局部的离子,从而使颗粒聚集成较大的团结体。
在选矿过程中,通常采用多种絮凝剂进行絮凝处理,以达到提高选矿效率、提高品位的目的。
2. 絮凝工艺在选矿中的应用选矿领域是絮凝工艺的主要应用领域之一。
絮凝工艺主要应用在以下三个方面:2.1 原料的鉴别和分选在选矿过程中,不同类型的矿物往往具有不同的化学成分和物理性质,通过絮凝分选可以更好的分辨出不同的矿物类型,从而实现高效的分选工作。
2.2 提高选矿品位在实际的生产过程中,选矿品位是非常重要的参数之一。
通过加入适当的絮凝剂,可以减少杂质的存在并提高品位,从而达到更好的选矿效果。
2.3 沉淀处理沉淀处理通常应用在选矿液体的固液分离以及去除杂质等方面。
通过加入适当的絮凝剂,可以形成沉淀团聚,从而提高沉淀效率,降低生产成本。
3. 絮凝工艺的优缺点分析如上所述,絮凝工艺在选矿中应用非常广泛,主要有以下几个优点和不足之处:3.1 优点(1)选择性好絮凝工艺可以根据处理过程中不同颗粒之间的吸附力选择性的进行处理,从而分离出不同的矿物,并在处理过程中达到更好的选择性。
(2)处理效率高絮凝处理是一种非常高效的处理方式,特别在市场需求大的高品质产品中,其效果是非常显著的。
通过适当的絮凝处理,在选矿过程中可以大大提高品位和品质,实现高效率的选矿。
(3)可根据特定需求进行调整不同的选矿过程需要的絮凝剂是不同的,细湿处理、干法处理,以及沉浮处理都需要不同的絮凝剂。
而絮凝工艺可以根据特定的需求进行调整,从而满足不同的选矿需求。
絮凝剂的概念絮凝剂是一种常用的化学制剂,广泛应用于各种水处理、制药、石油开采等工业领域。
本文将从以下几个方面介绍絮凝剂的概念及其作用原理。
一、絮凝剂的概念絮凝剂是指一种化学物质,能够在水中引起悬浮的固体或液体颗粒发生凝聚作用,形成更大的颗粒状物质,促进其沉淀或过滤分离。
一般而言,絮凝剂是一种高分子有机化合物或无机物,具有极强的吸附性和络合作用,能与水中的悬浮颗粒发生相互作用,从而使颗粒间发生结合,形成较大的凝聚体。
二、絮凝剂的作用原理絮凝剂的主要作用是通过改变水中悬浮颗粒的表面电荷状态,使其互相间发生吸附和相互作用,形成大小不等的颗粒状物质。
具体而言,絮凝剂在水中形成一层吸附层,将水中的悬浮颗粒包覆其中,并将其凝聚在一起。
同时,絮凝剂还能使水中具有相同电荷的颗粒彼此间发生强烈的斥力,进而形成更大的凝聚体。
三、絮凝剂的分类按用途分类,絮凝剂主要可分为水处理用絮凝剂、矿业用絮凝剂、石油开采用絮凝剂等几类。
按化学性质分类,絮凝剂主要可分为无机絮凝剂、有机絮凝剂和复合絮凝剂等几类。
其中,无机絮凝剂是指以铁、铝等化合物为主要成分的絮凝剂;有机絮凝剂是指以合成高分子化合物等有机物为主要成分的絮凝剂;复合絮凝剂则是指由两种或两种以上的化学物质混合而成的絮凝剂。
四、絮凝剂的应用领域絮凝剂的应用领域非常广泛。
在水处理中,絮凝剂被广泛应用于污水处理、饮用水处理等领域。
在矿业中,絮凝剂主要应用于选矿、浮选等领域。
在石油开采中,絮凝剂被广泛应用于油井压力维持、采出液固分离等领域。
综上所述,絮凝剂是一种非常重要的化学物质,主要用于水处理、矿业和石油开采等领域。
它通过形成吸附层、引起凝聚作用等机制,促进悬浮颗粒的沉淀或分离,从而达到净化液态环境、提高工业生产效率等目的。
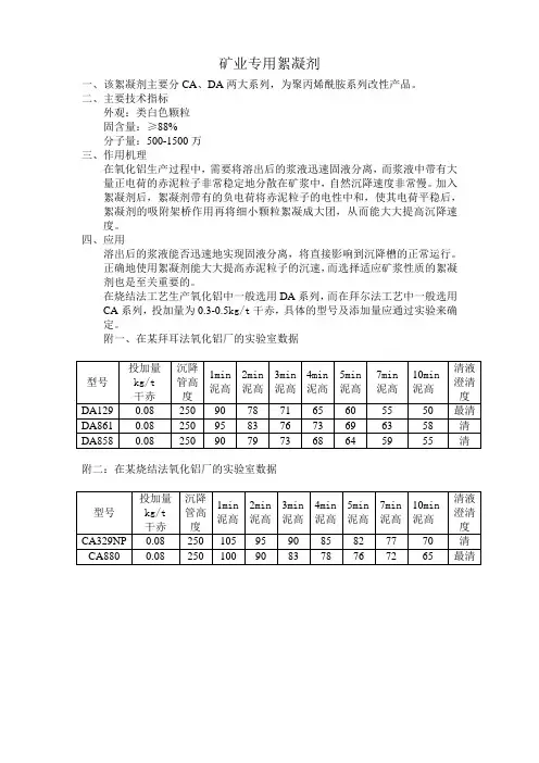
矿业专用絮凝剂一、该絮凝剂主要分CA、DA两大系列,为聚丙烯酰胺系列改性产品。
二、主要技术指标外观:类白色颗粒固含量:≥88%分子量:500-1500万三、作用机理在氧化铝生产过程中,需要将溶出后的浆液迅速固液分离,而浆液中带有大量正电荷的赤泥粒子非常稳定地分散在矿浆中,自然沉降速度非常慢。
加入絮凝剂后,絮凝剂带有的负电荷将赤泥粒子的电性中和,使其电荷平稳后,絮凝剂的吸附架桥作用再将细小颗粒絮凝成大团,从而能大大提高沉降速度。
四、应用溶出后的浆液能否迅速地实现固液分离,将直接影响到沉降槽的正常运行。
正确地使用絮凝剂能大大提高赤泥粒子的沉速,而选择适应矿浆性质的絮凝剂也是至关重要的。
在烧结法工艺生产氧化铝中一般选用DA系列,而在拜尔法工艺中一般选用CA系列,投加量为0.3-0.5kg/t干赤,具体的型号及添加量应通过实验来确定。
附一、在某拜耳法氧化铝厂的实验室数据型号投加量kg/t干赤沉降管高度1min泥高2min泥高3min泥高4min泥高5min泥高7min泥高10min泥高清液澄清度DA129 0.08 250 90 78 71 65 60 55 50 最清DA861 0.08 250 95 83 76 73 69 63 58 清DA858 0.08 250 90 79 73 68 64 59 55 清附二:在某烧结法氧化铝厂的实验室数据型号投加量kg/t干赤沉降管高度1min泥高2min泥高3min泥高4min泥高5min泥高7min泥高10min泥高清液澄清度CA329NP 0.08 250 105 95 90 85 82 77 70 清CA880 0.08 250 100 90 83 78 76 72 65 最清。
1、无机絮凝剂:
铁、铝等金属盐类,硫酸亚铁,氯化铁等。
2、有机高分子絮凝剂(阳离子)聚丙烯酰胺pam;阴离子聚丙烯酰胺apam;非离字型聚丙烯酰胺npam。
特性:具有除浊、脱色、吸附、粘合等功能。
使用范围:用于工业废水处理如印染厂废水,皮革废水,含氟废水处理及造纸施胶沉淀等工艺中作助留剂和助滤作用;还可用于饮用水澄清和给水净化用途广泛的水质净化产品。
3、复合型高效水处理絮凝剂(聚合硫酸铁),是采用先进的技术与工艺精制而成的复合型高分子混凝沉降药剂.它集多种功效于一体而优于单一性品种的特点.广泛用于生活饮用水的净化处理和高纯制药生产过程中固液分离过程以及湿法冶金选矿过程中的湿式氧化分解工序等方面.其性能优异于传统硫酸铝及其它无机混凝剂产品.对高浊度水的净化效果特别显著。
应用领域:主要用于生活饮用水的净水净化的预处理和深度处理,自来水厂的过滤和消毒用水中作凝聚剂和助沉剂的添加物及污水厂的污泥脱水用沉淀剂和污泥脱水上机的辅助材料等等。
4、改性有机聚合物-阳离子聚合硅酸盐水泥缓释促凝剂:
产品简介:本品是由天然海藻提取物经特殊加工后复配而成的新型绿色水处理药剂,具有独特的生物活性功能。
该品能快速有效地捕捉水体中的氨氮、硫化氢、亚硝酸盐、有机物等多种有毒有害的污染物并加以消除或降解,从而改善水质,提高鱼虾成活率。
同时还能有效防止水体缺氧造成的浮头现象发生;在养殖池塘中可降低池底耗氧量,促进鱼类生长和提高产量;在水产饲料中加入本品可以明显地增加鱼的食欲和减少发病几率。
选煤厂絮凝剂生产用量
通常情况下一般的洗煤厂洗一吨煤需要用到1-3公斤的絮凝剂,洗煤聚丙烯酰胺絮凝剂,比一般的聚丙烯酰胺效果要好几倍,它的反应时间也就是5秒左右就可以看到沉淀的效果,所以说好多煤矿选择了洗煤专用絮凝剂的原因,其实就是配置好的阴离子聚丙烯酰胺。
选煤絮凝剂用量小试
1、用于污水沉降中,建议配比浓度0.1%。
2、先将溶液均匀地投撒在自来水中,加以40-60分的中速搅拌使高分子充分溶解于水,方可投加使用。
3、实验时,取100ml废水,加入10%聚合氯化铝溶液,并缓慢搅拌,用容器缓慢滴加PAM溶液,每次0.5ml,根据生成的矾花大小及絮体紧密程度、上清液清澈度、沉降速度、投加量等来确定。
总结:由于洗煤行业污水含量一般都比较透明,所以经过长时间的经验积累,所以就出现了专用絮凝剂的名称,不管是不是专用的絮凝剂建议大家在使用前按照以上方法来小试一下。
由于矿产资源开采,浮选在选矿中所占的地位越来越重要。
它能通过聚丙烯酰胺等絮凝剂灵活有效的将矿物按照相关的标准加以分开,使资源得到综合利用。
这种絮凝剂在浮选中的工作原理是什么来具体了解一下。
浮选法的原理是利用矿物界面性质的差异来分离、富集、精制的一种分选工艺,是用絮凝剂的主要作用和原理是:
1、原理:使细粒的有用矿物絮凝成较大颗粒,脱出脉石细泥后再浮去粗粒脉石。
载体浮选是用粒度适于浮选的矿粒作载体,使微细矿粒粘附于载体表面并随之上浮分选。
2、作用:浮选用絮凝剂对调节矿物的可浮性,提高气泡矿化过程的选择性和浮选速度等方面都起着决定性的作用。
聚丙烯酰胺是一种高聚物,可分为阴离子、阳离子、非离子和两性离子四大类型。
那么矿业浮选具体选用哪种聚丙烯酰胺絮凝剂,需要进行小试实验来进行选型,再上机试验,确定较佳用量。
以达到效果佳、用量少、成本低的效果。
随着选择性絮凝工艺的发展和应用,絮凝剂在矿泥或者处理胶体矿物、细粒或极细嵌布的矿石等选矿过程中得到了应用,并获得了不错的效果。
在大多数选矿污水处理的过程中,固一液分离工序是一项比较大的成本。
在固一液分离工序过程中添加絮凝剂,可以大大降低沉降工艺的设备成本和沉淀时间成本。
从而降低了选矿泥浆沉淀的综合成本。
其中对于矿山选矿污水处理一般选择阴离子絮凝剂(一般使用弱阴离子和中阴离子),分子量要求在1500万以上。
强酸性水等有些情况也使用非离子型聚丙烯酰胺絮凝剂。
产品具有沉淀速度快、水清澈等特点,广泛应用于金矿、铜矿、铅锌矿以及矿山石矿水处理中。
溶解选矿聚丙烯酰胺的水是自来水,如果用矿山回用水、污水来泡药的话会有所降低药剂的使用效果。
其使用方法是:1、固体粉末产品在使用前须配成水溶液,为防止溶解过程粉末结团出现“鱼眼”现象,可在溶解槽内先加入计量一半的温水(不超过60℃);2、在搅拌下将粉末缓慢加入,再补足余量水,搅拌至完全溶解;3、水溶液浓度一般为0.1-0.3%,使用时再进行稀释,选矿污水处理用絮凝剂溶液的存放时间不要超过5天,尽可能的现配现用,在投加溶液的时候采用多点连续投加方式,以充分发挥该产品的作用;4、配置药品水溶液时应在搪瓷、镀锌、铝制品或塑料桶内进行,尽量避免在铁制容器中,溶解时注意将产品均匀地缓慢地加入带有搅拌的容器内;5、应避免结大块,配置溶液适宜在常温或不高于60℃的水中进行,搅拌叶片不能有棱角,且转速不易太快,否则会导致产品的降解而失去效果。
注意:不同厂家、相同参数产品,使用效果往往相差很大。
总之,选择性价比好厂家的聚丙烯酰胺絮凝剂,使用中严格操作,控制好成本,是关键。
台前县恒大化工有限公司位于河南省濮阳市台前县产业集聚工业园区,京九铁路濮台公路东邻,交通便利,位置优越。
公司主打的产品是:聚丙烯酰胺、磺化酚醛树脂、无荧光液体润滑剂、磺化沥青粉等钻井泥浆助剂系列产品,水处理剂阴阳聚丙烯酰胺产品。
矿山采矿过程中会使用大量的水来清洗矿就形成了洗矿废水,矿山废水中的微粒很难沉淀,且沉淀速度较慢,通常需向矿山废水中添加一种叫做阴离子聚丙烯酰胺的絮凝剂,促使其凝絮成为大颗粒,从而加快其沉降速度,缩短污水的处理时间及大限度地减少洗矿废水中的悬浮物含量,可以有效的循环利用。
由此可见,在选矿污水处理的时候用的絮凝剂就一种,那就是阴离子聚丙烯酰胺。
它外观为白色颗粒,同时它被广泛应用在以下领域,大家可以参考:
1、用于纺织、印染工业。
聚丙烯酰胺作为织物处理的上浆剂、整理剂,以及可生成柔顺、防皱、防霉菌的保护层。
利用它的吸湿性强的特点,能减少纺细纱时的断张率。
它作为处理剂可以防止织物的静电和阻燃。
用作印染助剂时,它可使产品附着牢度大、鲜艳度高,还可作为漂白的非硅高分子稳定剂。
2、用于化学工业废水、废液的处理,市政污水处理。
自来水工业、高浊度水的净化、沉清、洗煤、选矿、冶金、钢铁工业、锌、铝加工业、电子工业等水处理。
3、用于石油工业、采油、钻井泥浆、废泥浆处理、防止水窜、降低摩阻、提高采收率、三次采油得到广泛运用。
4、用于造纸工业、一是提高填料、颜料等存留率。
以降低原材料的流失和对环境的污染;二是提高纸张的强度(包括干强度和湿强度),另外,产品还可以提高纸抗撕性和多孔性,以改进视觉和印刷性能,还用于食品及茶叶包装纸中。
台前县恒大化工有限公司位于河南省濮阳市台前县产业集聚工业园区,京九铁路濮台公路东邻,交通便利,位置优越。
公司主打的产品是:聚丙烯酰胺、磺化酚醛树脂、无荧光液体润滑剂、磺化沥青粉等钻井泥浆助剂系列产品,水处理剂阴阳聚丙烯酰胺产品。
选矿中的CMC概念在选矿过程中,CMC(Carboxylmethyl Cellulose)是一种重要的助剂,它具有广泛的用途和多种功能。
本文将介绍CMC在选矿中的应用,主要包括以下几个方面:1. 矿物化学性质研究CMC可以用于研究矿物的化学性质,如矿物的溶解度、吸附性、反应速率等。
通过添加CMC,可以改变矿物的表面性质,从而影响矿物的浸出和沉淀过程。
2. 浸出和沉淀试验CMC可以作为絮凝剂和分散剂,用于浸出和沉淀试验。
在浸出试验中,CMC可以促进矿物的溶解,提高浸出速率。
在沉淀试验中,CMC可以改善沉淀效果,提高回收率。
3. 絮凝试验CMC作为一种高分子絮凝剂,可以用于处理选矿废水。
在絮凝试验中,CMC可以吸附在颗粒表面,促进颗粒的凝聚和沉淀,从而降低水中的悬浮物和污染物含量。
4. 浮选和电选试验CMC可以作为浮选和电选试验的抑制剂和活化剂。
在浮选试验中,CMC可以抑制某些矿物的浮选,提高目标矿物的回收率。
在电选试验中,CMC可以改善电导率,促进电选过程。
5. 化学预处理CMC可以用于化学预处理中,如酸浸、碱浸等。
在化学预处理中,CMC可以作为絮凝剂和分散剂,改善浸出效果和沉淀效果。
6. 微生物选矿CMC可以用于微生物选矿中,为微生物提供附着生长的基质,从而提高微生物选矿的效率。
7. 化学浸出和离子交换法CMC可以作为化学浸出和离子交换法的助剂,改善矿物的溶解度和分离效果。
8. 选矿废水处理CMC可以用于选矿废水处理中,作为絮凝剂和吸附剂,去除废水中的悬浮物、重金属离子等污染物。
9. 选矿药剂研发CMC可以作为选矿药剂的原料或辅助成分,研发新型高效、环保的选矿药剂。
通过与不同药剂的复配,可以改善药剂的性能和效果。
10. 尾矿处理CMC可以用于尾矿处理中,提高尾矿的沉降速度和稳定性。
通过添加CMC,可以改善尾矿的过滤效果和水质。
此外,CMC还可以作为尾矿再利用的添加剂,提高资源的利用率。
选矿厂絮凝剂实验选型嵩县东湾选矿厂原使用的絮凝剂,使用量大,价格贵,通过实验选型找到一种低廉高效的絮凝剂,在实际生产运用中,大大降低了使用量和生产成本,降本增效显著。
标签:絮凝剂;沉降;用量嵩县东湾选矿厂经过多次技术改造处理能力达到1100t/d,采用浮选+浮尾氰化浸出的联合工艺流程,浮选在东湾选矿厂进行,浮选尾矿浓缩后通过泵输送至另一选厂进行氰化浸出作业。
浮选尾矿泵送至φ18m高效浓密机中,为了加速沉降,添加大量的絮凝剂,用量达到39g/t,价格贵为26元/公斤。
为了降低絮凝剂的用量,降低生产,分别对1号絮凝剂、2号絮凝剂(现用的)进行沉降对比实验。
1 准备阶段取浮选尾矿样5kg,烘干、缩分后、测细度为-200目占80%。
2 试验步骤配制0.1%的絮凝剂溶液;②取试样300g,加水搅拌混匀;③倒入1000ml 量筒中,加水调浆至900ml刻度处;④加入絮凝剂,搅拌均匀;⑤停止搅拌并开始计时。
3 试验结果①试验条件:温度室温(15℃)、浓度27.8%、细度-200目占80%、pH=7。
在沉降过程中,观察到上清液一直不清澈,有悬浮物,最终的沉降刻度为320ml,沉降层中矿浆浓度为60%。
沉降时间为90分钟。
②试验条件:温度室温(15℃)、浓度27.8%、细度-200目占80%、pH=7、絮凝剂10g/t。
在沉降过程中,1号絮凝剂、2号絮凝剂上清液均有悬浮物;1号絮凝剂最终的沉降刻度350ml,沉降层中矿浆浓度为57%;2号絮凝剂最终的沉降刻度330ml,沉降层中矿浆浓度为59%。
试验结果表明:在用量都是在10g/t,情况下,1号絮凝剂沉降时间为35分钟;2号絮凝剂沉降时间为64分钟。
1号絮凝剂的沉降效果比2号的好。
③试验条件:温度室温(15℃)、浓度27.8%、细度-200目占80%、pH=7、絮凝剂25g/t。
在沉降过程中,1号絮凝剂上清液很清澈,2号絮凝剂有悬浮物;1号絮凝剂最终的沉降刻度370ml,沉降层中矿浆浓度为55%;2号絮凝剂最终的沉降刻度350ml,沉降层中矿浆浓度为57%。
概述:选矿絮凝剂与选矿助滤剂助滤剂为防止滤渣堆积过于密实,使过滤顺利进行,而使用的细碎程度不同的不溶性惰性材料。
絮凝剂是可使液体中分散的细粒固体形成絮凝物的高分子聚合物。
两者都是广义词,都包含很多
选矿絮凝剂与选矿助滤剂
助滤剂为防止滤渣堆积过于密实,使过滤顺利进行,而使用的细碎程度不同的不溶性惰性材料。
絮凝剂是可使液体中分散的细粒固体形成絮凝物的高分子聚合物。
两者都是广义词,都包含很多产品,常用的絮凝剂有聚丙烯酰胺,而聚丙烯酰胺在造纸行业也可用作助滤剂,英文名称Polyacrylamide 简称:PAM,在选矿絮凝剂和选矿助滤剂的应用方面
,聚丙烯酰胺发挥了重要的作用,我们
矿山废水主要来源于矿山生产。
选矿废水按废水pH值,可分为酸性废水、碱性废水等。
不同的ph值在矿泥沉降和分离过程采用的絮凝剂是有区别的。
矿山酸性废水主要来源于矿坑水、废石堆淋滤液等,其对环境的污染可归结为酸性废水和重金属离子两个方面。
矿山碱性废水主要产生于选矿作业,在对矿石进行浮选富集时,为获取最佳的分离效果,需要对矿浆体系进行pH值的调整。
通常有色金属矿石在碱性条件下可获得较好的可浮性,由此而产生
的废水通常呈碱性。
随着生产过程所添加的药剂的不同,碱性废水含有不同的污染物。
矿山废水的特点:废水量大、水流时间长;排水点分散、水质水量随季节和气候变化比较大;富含多种金属离子。