导管敷设检验批质量验收记录
- 格式:xls
- 大小:53.50 KB
- 文档页数:1
电线导管电缆导管和线槽敷设安装室内检验批质量验收记录电线导管、电缆导管和线槽的敷设安装是室内电气工程中非常重要的一环,对于保障电气系统的正常运行和使用安全起着至关重要的作用。
为了确保敷设安装质量,需要进行严格的现场检验和质量验收。
以下是电线导管、电缆导管和线槽敷设安装室内检验批质量验收记录的一个示例。
---项目名称:XXX建筑工程施工单位:XXX公司监理单位:XXX公司施工日期:XXXX年XX月XX日一、电线导管敷设安装检查记录1.检查主要内容:(1)导管的规格和型号是否符合设计要求;(2)导管的材质和表面处理是否符合规范要求;(3)导管支架和连接件的设置是否稳固可靠;(4)导管的固定是否符合规范要求;(5)导管电气接地是否符合规范要求。
2.检查结果:(1)导管的规格和型号符合设计要求;(2)导管的材质和表面处理符合规范要求;(3)导管支架和连接件设置稳固可靠;(4)导管的固定符合规范要求;(5)导管电气接地符合规范要求。
3.处理意见:(1)导管敷设安装符合要求,无需处理。
二、电缆导管敷设安装检查记录1.检查主要内容:(1)导管的规格和型号是否符合设计要求;(2)导管的材质和表面处理是否符合规范要求;(3)导管支架和连接件的设置是否稳固可靠;(4)导管的固定是否符合规范要求;(5)导管电气接地是否符合规范要求;(6)电缆弯曲半径是否符合规定;(7)电缆连接头的安装是否牢固可靠;2.检查结果:(1)导管的规格和型号符合设计要求;(2)导管的材质和表面处理符合规范要求;(3)导管支架和连接件设置稳固可靠;(5)导管电气接地符合规范要求;(6)电缆弯曲半径符合规定;(7)电缆连接头的安装牢固可靠。
3.处理意见:(1)导管敷设安装符合要求,无需处理。
三、线槽敷设安装检查记录1.检查主要内容:(1)线槽的规格和型号是否符合设计要求;(2)线槽的材质和表面处理是否符合规范要求;(3)线槽支架和连接件的设置是否稳固可靠;(4)线槽固定是否符合规范要求;(5)线槽电气接地是否符合规范要求;(6)线槽的翻盖板安装是否牢固可靠。
修改说明:本表格与13版比较表头部分将项目负责人改为项目经理,因为项目经理是施工企业在工程项目上的合法代表。
增加了验收记事一栏,方便记录验收当时情况。
验收内容与验收规范要求一致未作修改。
一、验收依据1、《建筑工程施工质量验收统一标准》GB50300-20132、《建筑电气工程质量验收规范》GB50303-2002二、规范摘要1、检验批划分原则暗敷设时应与建筑土建工程进度一致,明敷设时,根据工程量的大小来划分,可把某个区段的几个层划分为一个检验批。
2、验收要求抽检10%,少于5处(回路),全数检查。
3、主控项目1)金属的导管和线槽必须接地(PE)或接零(PEN)可靠,并符合下列规定:a.镀锌的钢导管、可挠性导管和金属线槽不得熔焊跨接接地线,以专用接地跨接的两卡间边线为铜芯软导线,截面积不小于4mm2;b.当非镀锌钢导管采用螺纹连接时,连接处的两端焊跨接接地线;当镀锌钢导管采用螺纹连接时,接处的两端用专用接地卡固定跨接接地线;c.金属线槽不作设备的接地导体,当设计无要求时,金属线槽全长不少于2处与接地(PE)或接零(PEN)干线连接。
d.非镀锌金属线槽间连接板的两端跨接铜芯接地线,镀锌线槽间连接板的两端不跨接接地线,但连接板两端不少于2 个有防松螺帽或防松垫圈的连接固定螺栓。
2)金属导管严禁对口熔焊连接;镀锌和壁厚小于等于 2mm 的钢导管不得套管熔焊连接。
3)防爆导管不应采用倒扣连接;当连接有困难时,应采用防爆活接头,其接合面应严密。
4)当绝缘导管在砌体上剔槽埋设时,应采用强度等级不小于M10 的水泥砂浆抹面保护,保护层厚度大于15mm。
4、一般项目1)室外埋地敷设的电缆导管,埋深不应小于0.7m。
壁厚小于等于2mm 的钢电线导管不应埋设于室外土壤内。
2)室外导管的管口应设置在盒、箱内。
在落地式配电箱内的管口,箱底无封板的,管口应高出基础面50~80mm。
所有管口在穿入电线、电缆后应做密封处理。
由箱式变电所或落地式配电箱引向建筑物的导管,建筑物一侧的导管管口应设在建筑物内。
导管敷设检验批质量验收记录日期:XXXX年XX月XX日项目名称:XXXX工程项目工程部位:导管敷设区域工程单位:XXX施工单位监理单位:XXX监理单位监理工程师:XXX监理工程师现场监理人员:XXX一、项目背景及目的在工程项目中,导管的敷设工作是一个重要的施工环节,它关系到后期工程的正常运行和安全性。
本次质量验收的目的是确保导管敷设工作按照相关规范和标准进行,并达到设计要求,为后续工作提供可靠的基础。
二、质量验收要求1.导管材料及质量:导管材料应符合设计图纸和规范要求,材料质量符合相关国家标准。
2.导管敷设及固定:导管的敷设应符合设计要求,敷设过程中应注意防止导管变形和损坏。
导管应固定牢固、稳定,防止晃动或脱落。
3.导管接头处理:导管的接头应准确、可靠,并按照规范要求进行密封处理,确保导管连接处无泄漏。
4.导管安全保护:在导管敷设的过程中,应设置必要的安全保护措施,保证施工人员的人身安全。
三、质量验收过程1.施工准备:XXX施工单位按照设计要求准备相应的工器具和材料,并对施工区域进行清理和防护措施。
2.材料验收:XXX监理单位对导管材料进行抽样检测,检测结果符合标准要求。
3.敷设过程监督:根据设计图纸和规范要求,XXX监理单位对导管敷设过程进行现场监督,监督人员注意导管敷设的垂直度、水平度等。
4.密封处理及接头验收:XXX项目负责人对导管的接头进行验收,检查接头的安装是否正确,是否符合规范要求,并进行密封性测试。
5.安全保护措施验收:监理单位对施工现场的安全保护措施进行检查和验收,确保施工人员的人身安全。
6.质量验收报告:根据以上实施情况,XXX监理单位对导管敷设工作进行质量验收,并出具验收报告。
四、质量验收结果经过详细的质量验收过程,导管敷设工作经验收合格。
1.导管材料质量合格,符合设计要求。
2.导管敷设工作符合设计图纸和规范要求,导管垂直度和水平度在允许范围内。
3.导管接头正确安装且密封性良好,无泄漏现象。
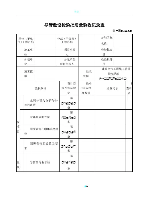
导管敷设检验批质量验收记录一、检验批划分按施工段、变形缝划分;对于工程量较少的分项工程可统一划分为一个验收批。
二、主控项目1 金属导管应与保护导体可靠连接,并应符合下列规定:(1)镀锌钢导管、可弯曲金属导管和金属柔性导管不得熔焊连接;(2)当非镀锌钢导管采用螺纹连接时,连接处的两端应熔焊焊接保护联结导体;(3)镀锌钢导管、可弯曲金属导管和金属柔性导管连接处的两端宜采用专用接地卡固定保护联结导体;(4)机械连接的金属导管,管与管、管与盒(箱)体的连接配件应选用配套部件,其连接应符合产品技术文件要求,当连接处的接触电阻值符合现行国家标准《电气安装用导管系统第1部分:通用要求》GB/T 20041.1的相关要求时,连接处可不设置保护联结导体,但导管不应作为保护导体的接续导体;(5)金属导管与金属梯架、托盘连接时,镀锌材质的连接端宜用专用接地卡固定保护联结导体,非镀锌材质的连接处应熔焊焊接保护联结导体;(6)以专用接地卡固定的保护联结导体应为铜芯软导线,截面积不应小于4m㎡;以熔焊焊接的保护联结导体宜为圆钢,直径不应小于6 mm,其搭接长度应为圆钢直径的6倍。
检查数量:按每个检验批的导管连接头总数抽查10%,且各不得少于1处,并应能覆盖不同的检查内容。
检查方法:施工时观察检查并查阅隐蔽工程检查记录。
2 钢导管不得采用对口熔焊连接;镀锌钢导管或壁厚小于或等于2mm的钢导管,不得采用套管熔焊连接。
检查数量:按每个检验批的钢导管连接头总数抽查20%,并应能覆盖不同的连接方式,且各不得少于1处。
检查方法:施工时观察检查。
3 当塑料导管在砌体上剔槽埋设时,应采用强度等级不小于M10的水泥砂浆抹面保护,保护层厚度不应小于15mm。
检查数量:按每个检验批的配管回路数量抽查20%,且不得少于1个回路。
检查方法:观察检查并用尺量检查,查阅隐蔽工程检查记录。
4 导管穿越密闭或防护密闭隔墙时,应设置预埋套管,预埋套管的制作和安装应符合设计要求,套管两瑞伸出墙面的长度宜为30mm~50mm,导管穿越密闭穿墙套管的两侧应设置过线盒,并应做好封堵。
管道敷设检验批质量验收记录一、项目概况项目名称:XXXXXXXX项目地点:XXXXXXXX合同号:XXXXXXXX管道敷设单位:XXXXXXXX监理单位:XXXXXXXX施工日期:XXXXXXXX二、施工内容1.原材料检验(1)管材检验:对管材的品牌、规格、厚度、质量等进行检查,确保满足设计和施工要求。
(2)管件检验:对管件的品牌、规格、质量等进行检查,确保满足设计和施工要求。
(3)焊材检验:对焊材的品牌、规格、质量等进行检查,确保满足设计和施工要求。
2.施工过程检验(1)管道敷设:检查管道敷设的位置、高度、坡度等是否符合设计要求,并对焊缝的质量进行检查。
(2)支吊架安装:检查支吊架的位置、高度、坡度等是否符合设计要求,并对支吊架的质量进行检查。
(3)焊接工艺:检查焊接工艺是否符合规范要求,并对焊缝的外观质量进行检查。
三、检验结果1.原材料检验(1)管材:经检查,管材均符合设计和施工要求。
(2)管件:经检查,所有管件均符合设计和施工要求。
(3)焊材:经检查,焊材均符合设计和施工要求。
2.施工过程检验(1)管道敷设:经检查,管道敷设的位置、高度、坡度等符合设计要求。
焊缝的外观质量良好。
(2)支吊架安装:经检查,支吊架的位置、高度、坡度等符合设计要求。
支吊架的质量达到要求。
(3)焊接工艺:经检查,焊接工艺符合规范要求,焊缝的外观质量良好。
四、评定意见(1)原材料检验:通过。
(2)施工过程检验:通过。
五、存在问题及整改措施(1)存在问题:无(2)整改措施:无六、验收结论经检验,管道敷设检验批质量验收合格,符合设计及相关规范要求。
七、附件1.原材料检验报告2.焊接工艺评定报告3.支吊架安装验收报告八、验收人员日期:XXXX年XX月XX日验收人:__________监理签字:__________。
导管敷设
分项工程质量验收记录
GD-C5-721
单位(子单位)工程名称肇庆市“惠兴居”保障性住房项目--地下室分部/子分部(或系统/子系统)
建筑电气/电气照明分项工程量600m 施工单位广西远达建筑安装工程有
限公司
项目负责人曾涛项目技术负
责人卢波分包单位/
项目负责人
/
项目技术负
责人
/
检验批编号检验批容量检验批所在的施工部位
施工单位检查评定结果监理(建设)单位验收结论GD-C5-71240160m 地下室分区一符合设计及规范要
求同意验收GD-C5-71240230m 地下室分区二符合设计及规范要
求同意验收GD-C5-71240
210m
地下室分区三
符合设计及规范要
求
同意验收
共计检验批数:备注:1.与本分项包括的全部检验批所对应相关的下列文件资料均为真实、准确、齐全、有效、符合要求:(1)√产品进场见证检验(复验)检测报告(2)现场试件(系统实体)检测报告
3
(3)√产品质量证明文件(4)√施工过程的自检、调试等施工记录(5)
√隐蔽工程验收记录
(6)
√
检验批质量验收记录
(7)
√
与质量控制相关的其他管理(技术)文件、资料(注明):
施工单位检查评定综合结果所含检验批无遗漏,各检验批所覆盖的区段和所含内容无遗漏,所查检验批全部合格
项目专业技术负责人签名:
2021年8月28日
监理(建设)单位验收综合结论
项目专业监理工程师(建设单位项目专业负责人)签名:年 月 日。
PVC电线导管敷设分项工程检验批质量验收记录范本一:一、项目概况1.1 项目名称1.2 项目地点1.3 项目负责人1.4 项目施工单位二、检验批信息2.1 检验批名称2.2 检验批编号2.3 检验批开始日期三、验收标准3.1 相关术语和定义3.2 验收标准文件3.3 验收标准检查内容四、检验人员4.1 检验人员姓名4.2 检验人员职务4.3 检验人员电.化五、检验内容5.1 PVC电线导管材料验收a) 规格、材质、颜色是否符合要求b) 强度、柔韧性测试结果是否合格c) 外观是否有明显缺陷5.2 敷设前的准备工作验收a) 正确埋设管沟、安装固定件b) 管沟深度、宽度是否满足要求c) 管道连接是否牢固5.3 导管敷设过程验收a) 导管安装是否平直、平行b) 导管弯曲半径是否符合规定c) 导管固定件是否稳固可靠5.4 导管敷设完成后的验收a) 敷设长度、角度是否满足设计要求b) 导管是否完整、无缺损c) 导管与其他设备连接是否牢固六、检验结果记录6.1 合格项记录a) 检验内容b) 结果c)6.2 不合格项记录a) 检验内容b) 结果c) 不合格原因d) 处理措施七、检验批总结7.1 总结本次检验批工作7.2 展望下一阶段的工作附件:检验报告、验收标准文件、验收记录照片附注:1. 本文所涉及的法律名词及注释:a) PVC:聚氯乙烯的简称,是一种常用的塑料材料,具有良好的隔热、耐腐蚀性能,被广泛应用于电线导管的制造。
b) 导管:一种用于保护电线的管道,通常由PVC材料制成,具有较好的柔韧性和耐磨性。
c) 敷设:在建筑、工程中指将材料或设备铺设、安装到指定位置的过程。
---范本二:一、项目概况1.1 项目名称1.2 项目地点1.3 项目负责人1.4 项目施工单位二、检验批信息2.1 检验批名称2.2 检验批编号2.3 检验批开始日期三、验收标准3.1 相关术语和定义3.2 验收标准文件3.3 验收标准检查内容四、检验人员4.1 检验人员姓名4.2 检验人员职务4.3 检验人员电.化五、检验内容5.1 PVC电线导管材料验收a) 规格、材质、颜色是否符合要求b) 强度、柔韧性测试结果是否合格c) 外观是否有明显缺陷5.2 敷设前的准备工作验收a) 正确埋设管沟、安装固定件b) 管沟深度、宽度是否满足要求c) 管道连接是否牢固5.3 导管敷设过程验收a) 导管安装是否平直、平行b) 导管弯曲半径是否符合规定c) 导管固定件是否稳固可靠5.4 导管敷设完成后的验收a) 敷设长度、角度是否满足设计要求b) 导管是否完整、无缺损c) 导管与其他设备连接是否牢固六、检验结果记录6.1 合格项记录a) 检验内容b) 结果c)6.2 不合格项记录a) 检验内容b) 结果c) 不合格原因d) 处理措施七、检验批总结7.1 总结本次检验批工作7.2 展望下一阶段的工作附件:检验报告、验收标准文件、验收记录照片附注:1. 本文所涉及的法律名词及注释:a) PVC:聚氯乙烯的简称,是一种常用的塑料材料,具有良好的隔热、耐腐蚀性能,被广泛应用于电线导管的制造。
电线导管电缆导管和线槽敷设安装检验批质量验收记录电线导管、电缆导管和线槽是现代建筑和电气工程中常见的电力线路敷设工具,它们在建筑物和工厂中起到重要的作用。
为了保证电气线路的安全和稳定运行,电线导管、电缆导管和线槽的安装质量必须得到严格的检验和验收。
本文将以电线导管、电缆导管和线槽的敷设安装为核心,详细介绍质量验收记录的编写内容。
一、项目基本信息2.施工单位:___________3.监理单位:___________4.验收单位:___________5.质量验收日期:___________6.质量验收人员:___________二、质量验收内容1.检测工具和设备-使用的检测设备和仪器:___________-检测设备和仪器的检定证书:___________2.材料验收-电线导管、电缆导管和线槽的材料规格和型号:___________-材料的厂家和出厂合格证明:___________-材料的外观和规格尺寸检查:___________-材料的包装和运输状况:___________3.预埋及固定验收-导管的埋设位置和深度:___________-导管固定的方式和固定点的数量:___________-导管的固定件安装情况:___________-导管的跨越或穿越问题:___________4.接头和弯头的验收-接头的安装方式和接头箱的固定情况:___________-接头的连接牢固性检查:___________-弯头的位置和角度:___________-弯头的安装牢固性:___________5.配线和铺设验收-电线导管、电缆导管和线槽的连接方式和连接件的质量:___________-电线导管、电缆导管和线槽的走向和布置:___________ -线槽的卧式和立式铺设情况:___________-线槽的终端和分支处的处理:___________-线槽起伏、转角和变径处的处理:___________6.安全和防火验收-线槽的密封和遮蔽情况:___________-线槽与其他设备或构筑物的防火隔离:___________-线槽的防水和防腐措施:___________7.线路测试和试验-完成的线路测试和试验项目:___________-测试和试验结果记录:___________8.文档和报告验收-施工图纸和设计文件的合规性检查:___________-监理单位的质量监督报告:___________三、质量验收结论1.验收合格情况:___________2.验收不合格情况:___________3.验收意见和建议:___________四、质量验收附件1.相关材料合格证明和检测报告2.图纸和设计文件3.其他重要文件和证明材料质量验收记录需要详细记录电线导管、电缆导管和线槽的各项安装情况,包括材料验收、预埋及固定验收、接头和弯头的验收、配线和铺设验收、安全和防火验收、线路测试和试验、文档和报告验收等内容。
管道敷设检验批安全质量验收记录1. 概述管道敷设是工程建设的重要环节,为确保施工质量和安全,需要进行检验批安全质量验收。
本文档记录了某次管道敷设检验批的安全质量验收情况。
2. 验收对象本次验收的管道敷设检验批包括以下几个方面:- 管道材料的质量验收- 管道安装工艺的合规性验收- 管道焊接质量的验收- 管道防腐层施工质量的验收3. 验收记录本次管道敷设检验批的验收记录如下:3.1 管道材料质量验收- 根据工程要求,对管道材料进行了质量检查,包括检查材料的型号、规格、质量证明和验收合格证书等。
- 在整个材料验收过程中未发现任何质量问题,所有材料通过了验收。
3.2 管道安装工艺合规性验收- 对管道安装过程中涉及的工艺进行了审核,包括管道布置、支架安装、焊接工艺、连接工艺等。
- 经过审核,所有的安装工艺均符合相关标准和规范要求。
3.3 管道焊接质量验收- 对管道焊接工艺进行了质量验收,包括焊缝质量、焊接接头的保护等。
- 所有焊接工艺均符合相关标准,焊缝质量良好,焊接接头得到了有效的保护措施。
3.4 管道防腐层施工质量验收- 对管道防腐层施工进行了质量验收,包括涂层厚度、附着力等指标的测量。
- 经过测量,管道防腐层厚度符合要求,附着力良好。
4. 验收结论根据以上各个方面的验收记录,本次管道敷设检验批的安全质量均符合要求,通过了验收。
5. 验收人员- 主验收人: [填写主验收人姓名]- 验收人员:[填写其他参与验收的人员姓名]6. 特别说明[填写特别说明,如发现的问题、处理措施等]7. 附件[列出所有附件,如检测报告、验收证书等]以上是管道敷设检验批安全质量验收记录的内容。
如有疑问或需要进一步了解,请随时与我联系。