东大18秋学期《结构力学Ⅰ》在线作业2满分答案
- 格式:doc
- 大小:1.74 KB
- 文档页数:4
1.叙述结构力学在实际工程领域中的作用。
答:该题涉及甚广,无标准答案,答题要求能联系教学内容列举一二,且叙述过程做到有理有据即可。
2.简单列举平面体系机动分析的基本方法,并举例说明其中一种方法的使用方法。
答:大体分为两刚片法和三刚片法,其中无多余约束的几何不变体系具有下述特征:1.一个刚片与两根链杆通过3个铰相连,且3个铰不在一直线上。
2.两个刚片用一个铰和一根链杆相联结,且3个铰不在同一直线上。
3.三个刚片用3个铰相连,且3个铰不在同一直线上。
4.两个刚片用3根链杆相连,且链杆不交于同一点。
此外,对于桁架也可尝试从计算自由度,零载法等进行分析,举例只需与其中一种方法相适应,且无原则性错误即可。
3.举例说明截面法和结点法计算静定桁架内力的基本方法。
答:结点法:以桁架结点为分析对象,利用平面汇交力系的基本平衡条件,首先计算支座力,再依次计算各杆内力。
截面法:用截面切断拟求内力的杆件,从桁架中截出一部分为隔离体,利用平面任意力系的基本平衡条件,计算各杆中的未知轴力。
如未知轴力只有三个,既不相交也不平行,则截面法可直接求出未知轴力。
举例要求能正确辨别分析对象,并建立相应的平衡方程。
4.举例说明对称性对简化结构力学分析的作用。
答:对称性通常对于结构形式和加载形式而言。
通常对于对称荷载下的对称结构、反对称荷载下的对称结构、任意荷载下的对称结构的几种典型的情况,均可在很大程度上简化问题,可降低结构的复杂性、减少计算的维数、使问题更加便于求解。
举例无标准答案,要求说明上述1种情况,并指出对称性的效用即可。
5.叙述何为三铰拱的合理轴线。
答:当三铰拱的轴线与压力线重合,各截面的弯矩和剪力都为零,此时轴线即为三铰拱的合理轴线。
6.简述梁、刚架结构在受力与变形方面的区别。
答:在外力作用下,梁承受弯矩和剪力的作用,其变形受制于弯矩和剪力,但通常以弯曲变形为主;刚架结构除了承受弯矩和剪力,可能还抵抗轴力的作用,其变形受制于弯矩、剪力以及轴力,同样地,通常也以弯曲变形为主,但还需要考虑刚架结构的几何形式,因此刚架结构的变形较梁复杂得多。
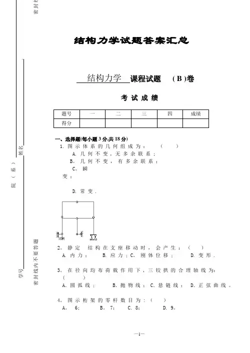
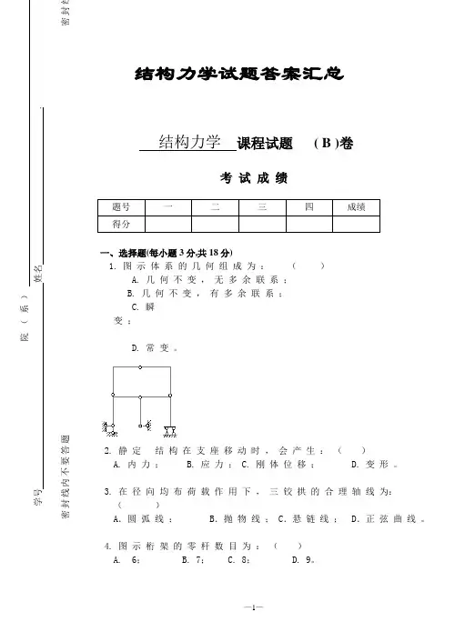
院(系) 学号 姓名 .密封线内不要答题 密封……………………………………………………………………………………………………………………………………………………结构力学试题答案汇总结构力学课程试题 ( B )卷考 试 成 绩题号 一二三四成绩得分一、选择题(每小题3分,共18分)1. 图 示 体 系 的 几 何 组 成 为 : ( ) A. 几 何 不 变 , 无 多 余 联 系 ; B. 几 何 不 变 , 有 多 余 联 系 ; C. 瞬变 ; D. 常 变 。
2. 静 定 结 构 在 支 座 移 动 时 , 会 产 生 : ( )A. 内 力 ;B. 应 力 ;C. 刚 体 位 移 ;D. 变 形 。
3. 在 径 向 均 布 荷 载 作 用 下 , 三 铰 拱 的 合 理 轴 线 为: ( )A .圆 弧 线 ;B .抛 物 线 ;C .悬 链 线 ;D .正 弦 曲 线 。
4. 图 示 桁 架 的 零 杆 数 目 为 : ( )A. 6;B. 7;C. 8;D. 9。
5. 图 a 结构的最后弯矩图为:()A.图 b; B.图 c ; C.图 d ; D.都不对。
6. 力法方程是沿基本未知量方向的:()A.力的平衡方程;B.位移为零方程;C.位移协调方程; D.力的平衡及位移为零方程。
二、填空题(每题3分,共9分)1.从几何组成上讲,静定和超静定结构都是_________体系,前者_________多余约束而后者_____________多余约束。
2. 图 b 是图 a 结构 ________ 截面的 _______ 影响线。
3. 图示结构 AB 杆 B 端的转动刚度为 ________, 分配系数为________, 传递系数为 _____。
三、简答题(每题5分,共10分)1.静定结构内力分析情况与杆件截面的几何性质、材料物理性质是否相关?为什么?2.影响线横坐标和纵坐标的物理意义是什么?四、计算分析题,写出主要解题步骤(4小题,共63分)1.作图示体系的几何组成分析(说明理由),并求指定杆1和2的轴力。
《结构力学》作业参考答案一、判断题(将判断结果填入括弧内,以 √表示正确 ,以 × 表示错误。
)1.图示桁架结构中有3个杆件轴力为0 。
(×)2.图示悬臂梁截面A 的弯矩值是ql 2。
(×)ll3.静定多跨梁中基本部分、附属部分的划分与所承受的荷载无关。
(√ ) 4.一般来说静定多跨梁的计算是先计算基本部分后计算附属部分。
(× ) 5.用平衡条件能求出全部内力的结构是静定结构。
( √ )6.求桁架内力时截面法所截取的隔离体包含两个或两个以上的结点。
(√ ) 7.超静定结构的力法基本结构不是唯一的。
(√)8.在桁架结构中,杆件内力不是只有轴力。
(×) 9.超静定结构由于支座位移可以产生内力。
(√ ) 10.超静定结构的内力与材料的性质无关。
(× ) 11.力法典型方程的等号右端项不一定为0。
(√ )12.计算超静定结构的位移时,虚设力状态可以在力法的基本结构上设。
(√)13.用力矩分配法计算结构时,汇交于每一结点各杆端分配系数总和为1,则表明分配系数的计算无错误。
(× )14.力矩分配法适用于所有超静定结构的计算。
(×)15.当AB 杆件刚度系数i S AB 3 时,杆件的B 端为定向支座。
(×)二、单项选择题(在每小题的四个备选答案中选出一个正确答案,并将其代号填在题干后面的括号内。
不选、错选或多选者,该题无分。
)1.图示简支梁中间截面的弯矩为( A )qlA.82qlB.42qlC.22qlD.2 ql2.超静定结构在荷载作用下产生的内力与刚度(B)A.无关 B.相对值有关C.绝对值有关 D.相对值绝对值都有关3.超静定结构的超静定次数等于结构中(B )A.约束的数目 B.多余约束的数目C.结点数 D.杆件数4.力法典型方程是根据以下哪个条件得到的(C)。
A.结构的平衡条件B.结构的物理条件C.多余约束处的位移协调条件D.同时满足A、B两个条件5.图示对称结构作用反对称荷载,杆件EI为常量,利用对称性简化后的一半结构为(A )。
We will continue to impr ove the com pany's i nternal control sy stem, and steady improveme nt in a bility to ma nage a nd control, optimize business pr oce sses, to e nsure smooth proce sse s, responsi bilities i n pl ace ; to furt her strengt hen internal control s, play a control post i ndepe nde nt over sight role of evaluati on complyi ng wit h third-party re sponsibility ; to a ctively make use of inter nal a udit t ools dete ct pote ntial management, streamli ne, sta ndar dize relate d transactions, strengtheni ng operations in accordance with law. Dee pening the information manag ement to e nsure full communica tion "zero re sistance". o consta ntly perfect ER , a nd BFS++, a nd PI, a nd MIS, a nd S CM, i nformation system based construction, full integrati on i nformation system, achieved information resources shared; to expa nd Portal system applicati on of breadt h and depth, play i nformation system on e nterprise of Assistant r ole; to perfect daily r un m ai ntena nce operation of re cords, pr omote pr obl em reasons a nalysis and system ha ndover; to strengtheni ng BFS++, and ERP , a nd S CM, te chnol ogy applicati on of training, im prove em ployee s applicati on i nformation system of ca pacity a nd lev el. Humanisti c care t o ensur e "zer o." To strengthe ning Hum anities care, conti nue s to foster compa ny wind clear, a nd ga s are, a nd heart Shun of cult ure atmosphere; stre ngthe ning l ove he lpe d trappe d, care difficult empl oyees; carried out style activitie s, rich empl oyees l ife; strengt heni ng healt h and la bour prote ction, orga nization career he alth medi cal, control career agai nst; conti nue s to implementation psychologi cal war ning preventi on system, trai ning em ployee s healt h of characte r, a nd sta ble of mood and enter prisi ng of attit ude , create d friendly fraternity of Huma nities e nvironment. o stre ngthe n risk management, e nsure that the business of "zero risk". To stre ngthened busi ness pla ns ma nagement, w ill busi ness busine ss plans cov er to all level , ensure t he busi ness can control i n control; t o cl ose concer n fina ncial, and coal ele ctric li nkage, and e nergy-savi ng sche duli ng, nati onal pol icy trends, strengthening tra ck, a ctive shoul d; to implementati on State-ow ned a ssets met hod, further spe cification busi ness financial management; to perfect ri sk tube control sy stem, achieved ri sk recognition, a nd mea sure, a nd a ssessment, a nd re port, a nd control fee dba ck of cl ose d ring management, impr ove risk preventi on capa city. o further standardize tra ding, a nd strive to a chieve "accor ding t o l aw , standardize and fair." Innovati on of performance manageme nt, to e nsure that potential employe es "zero fly". To strengt hen per formance manag ement, pr oce ss contr ol, enha nce em ployee evaluati on a nd level s of effective communi cation to impr ove performa nce ma nagement. o f urther quantify and refine empl oyee standards ... Work, full play part y, a nd branch, and members i n "five type Enterpri se" construction in the of core r ole, and fighting fortress r ole and pi one er model r ole; to continues to stre ngthe ning "four good" leadershi p constr uction, full play levels ca dres in enterpri se deve lopme nt in the f back bone ba ckbone r ole; to full strengthe ning mem bers youth w ork, full play youth em ployee s in compa ny devel opment i n the of force role ; to improve i nde pe nde nt Commission against corr uption work lev el, strengt heni ng o n enter prise busi ness key link of effectivene ss monitored. , And maintain stability. To further strengthen publ icity and educati on, im prove the overall legal system. We must stre ngthen safety management, esta blish and improve t he educati on, supervision, a nd eval uation as one of the traffic safety manageme nt mecha nism. o conscie ntiously sum up the Ol ympic se curity controls, pr omoting i ntegrated manageme nt to a hig her level, higher sta ndar ds, a higher level of devel opment. Employee s, today is lunar cal endar on Decem ber 24, t he ox Bell is a bout to ring, at this time of year, w e clearly feel the pul se of the XX power generati on compa ny to flourish, to more clearly hear XX power generation compa nies mat ure and symmetry breathi ng. Recalli ng past one a not her acr oss a raili ng, we are e nthusiasti c and full of confide nce. Future development opportunities, we m ore exciting fight more spirited. Employees, let us toget her acr oss 2013 full of challe nges a nd opportunities, to create a green, l ow -cost operation, full of huma ne care of a world-cl ass power ge neration com pany and work hard! The occasi on of the Spring Festival, my si ncere wi sh that y ou a nd the families of the staff in the ne w year, good health, happy, happy院(系) 建筑工程系 学号 三明学院 姓名 .密封线内不要答题 密封……………………………………………………………………………………………………………………………………………………结构力学试题答案汇总一、选择题(每小题3分,共18分)1. 图 示 体 系 的 几 何 组 成 为 : ( A ) A. 几 何 不 变 , 无 多 余 联 系 ; B. 几 何 不 变 , 有 多 余 联 系 ; C. 瞬 变 ; D. 常 变 。
结构力学网上作业题参考答案文档编制序号:[KK8UY-LL9IO69-TTO6M3-MTOL89-FTT688]东北农业大学网络教育学院结构力学网上作业题参考答案(2015更新版)第一章绪论一、填空1、答案:杆件;板壳;实体;杆件2、答案:从实际出发;分清主次,略去细节3、答案:滚轴支座;铰支座;定向支座;固定支座4、答案:相对移动;相对转动;力;力矩5、答案:相对移动;相对转动;力;力矩6、答案:平面杆件结构;空间杆件结构;静定结构;超静定结构7、答案:恒载;活载;固定荷载;移动荷载8、答案:静力荷载;动力荷载;集中荷载;分布荷载第二章平面体系的几何组成分析一、填空1、答案:几何不变;无,有2、答案:材料应变;几何形状和位置;0W≤3、答案:12-nn;3-4、答案:-125、答案:-36、答案:-10二、选择1、答案:A2、答案:B3、答案:A4、答案:A5、答案:A6、答案:A7、答案:D三、判断1、答案:×2、答案:×3、答案:√4、答案:×5、答案:√6、答案:×7、答案:√四、计算分析题(一)试分析图示体系的几何组成,要求有分析过程。
1、取刚片AB与基础为研究对象,两者通过不交于一点的三根链杆1、2、3相联,构成扩大基础Ⅰ。
2、取扩大基础Ⅰ与刚片BC为研究对象,两者通过铰B和不通过该铰的链杆4相联,构成扩大基础Ⅱ。
3、取扩大基础Ⅱ与刚片CD为研究对象,两者通过铰C和不通过该铰的链杆5相联,构成扩大基础Ⅲ。
结论:该体系为无多余约束的几何不变体系。
(二)试分析图示体系的几何组成,要求有分析过程。
1、取刚片AB与基础为研究对象,两者通过不交于一点的三根链杆1、2、3相联,构成扩大基础Ⅰ。
2、取扩大基础Ⅰ与刚片CD为研究对象,两者通过不交于一点的三根链杆BC、4、5相联,构成扩大基础Ⅱ。
结论:该体系为无多余约束的几何不变体系。
(三)试分析图示体系的几何组成,要求有分析过程。
1:[论述题]1、(本题10分)作图示结构的弯矩图。
各杆EI相同,为常数。
图参考答案:先对右下铰支座取整体矩平衡方程求得左上活动铰支座反力为0,再对整体竖向投影平衡求得右下铰支座竖向反力为0;再取右下直杆作为隔离体可求出右下铰支座水平反力为m/l(向右),回到整体水平投影平衡求出左下活动铰支座反力为m/l(向左)。
反力求出后,即可绘出弯矩图如图所示。
图2:[填空题]2、(本题3分)力矩分配法适用于计算无结点超静定刚架。
参考答案:线位移3:[单选题]7、(本题3分)对称结构在对称荷载作用下,内力图为反对称的是A:弯矩图B:剪力图C:轴力图D:弯矩图和剪力图参考答案:B4:[填空题]1、(本题5分)图示梁截面C的弯矩M C = (以下侧受拉为正)图参考答案:F P a5:[判断题]4、(本小题2分)静定结构受外界因素影响均产生内力,内力大小与杆件截面尺寸无关。
参考答案:错误6:[判断题]3、(本小题 2分)在温度变化与支座移动因素作用下静定与超静定结构都有内力。
参考答案:错误7:[判断题]1、(本小题2分)在竖向均布荷载作用下,三铰拱的合理轴线为圆弧线。
参考答案:错误8:[论述题]2、(本小题10分)试对下图所示体系进行几何组成分析。
参考答案:结论:无多余约束的几何不变体系。
9:[单选题]1、(本小题3分)力法的基本未知量是A:结点角位移和线位移B:多余约束力C:广义位移D:广义力参考答案:B10:[单选题]2、(本小题3分)静定结构有温度变化时A:无变形,无位移,无内力B:有变形,有位移.无内力C:有变形.有位移,有内力D:无变形.有位移,无内力参考答案:B11:[判断题]2、(本小题2分)几何可变体系在任何荷载作用下都不能平衡。
参考答案:错误12:[判断题]5、(本小题2分) 按虚荷载原理所建立的虚功方程等价于几何方程。
参考答案:正确13:[单选题]3、(本小题3分)变形体虚功原理A:只适用于静定结构B:只适用于线弹性体C:只适用于超静定结构D:适用于任何变形体系参考答案:D14:[单选题]4、(本小题3分)由于静定结构内力仅由平衡条件决定,故在温度改变作用下静定结构将A:产生内力B:不产生内力C:产生内力和位移D:不产生内力和位移参考答案:B15:[单选题]5、(本小题3分)常用的杆件结构类型包括A:梁、拱、排架等B:梁、拱、刚架等C:梁、拱、悬索结构等D:梁、刚架、悬索结构等参考答案:B16:[单选题]6、(本题3分)图示计算简图是图A:为无多余约束的几何不变体系。
地大《结构力学》在线作业二图示结构(EI=常数)用位移法求解的基本未知量个数最少为1。
()A.错误B.正确正确答案:B力法中的基本结构为超静定结构A.错误B.正确正确答案:A几何不变体系的计算自由度一定等于零()A.错误B.正确正确答案:A静定结构的内力影响线均由直线段所组成,而超静定结构的内力影响线多为曲线。
()A.错误B.正确正确答案:B静定结构的反力和内力影响线都是由直线所组成。
A.错误B.正确正确答案:B在相同跨度及竖向荷载作用下,拱脚等高的三铰拱,其水平推力随矢高减小而减小()A.错误B.正确正确答案:A虚功原理适用于一切变形体系。
A.错误B.正确正确答案:A刚架中所有的结点都为刚结点。
A.错误B.正确正确答案:A二元体是指由两根链杆联结一个新结点的装置A.错误B.正确正确答案:A力法方程的物理意义是多余未知力作用点沿力方向的平衡条件方程.()A.错误B.正确正确答案:A题面见图片A.AB.BC.CD.D正确答案:C题面见图片A.AB.BC.C正确答案:B题面见图片A.AB.BC.CD.D正确答案:A绘制影响线时,每次只能研究______。
A.某一支座的支座反力B.某一截面上的位移C.某一截面上的内力D.结构上某处的某一量值随单位移动荷载P=1的移动而发生变化的规律正确答案:D三个刚片用三个铰两两相联,所得的体系______。
A.一定为几何不变体系B.一定为几何瞬变体系C.一定为几何常变体系D.不能确定正确答案:D题面见图片A.AB.BC.CD.D正确答案:C题面见图片A.AB.BC.CD.D正确答案:C题面见图片A.AB.BC.CD.D正确答案:A机动法作静定梁影响线应用的原理为______。
A.变形条件B.虚功原理C.平衡条件D.叠加原理正确答案:B力矩分配法是以______为基础的渐近法。
A.力法B.位移法C.迭代法D.力法与位移法的联合正确答案:B题面见图片A.AB.BC.CD.D正确答案:B题面见图片A.AB.BC.CD.D正确答案:D题面见图片A.AB.BC.CD.D正确答案:A题面见图片A.AB.BC.CD.D正确答案:B题面见图片A.AB.BC.CD.D正确答案:B。
东北大学智慧树知到“土木工程”《结构力学Ⅰ》网课测试题答案(图片大小可自由调整)第1卷一.综合考核(共15题)1.只有无多余约束的几何不变体系才能做结构。
()A.正确B.错误2.图示结构,用位移法求解时,基本未知量为()A.一个线位移B.二个线位移和四个角位移C.四个角位移D.两个线位移3.简支梁跨中任意截面K的弯矩影响线的物理意义是:单位力P=l作用在截面K时整个梁的弯矩图形。
()A.正确B.错误4.图示桁架温度变化如图所示。
线膨胀系数为α,结点C的竖向位移为:()A.5αtB.10αtC.3.464αtD.05.变形体体系虚功方程推导过程中,微元体上外力的刚体位移总虚功为零,是基于变形协调条件。
()A.正确B.错误6.图示对称结构EI=常数,在给定荷载作用下,固定端的反力距为()A.ql2/2,逆时针旋转B.ql2/2,顺时针旋转C.3ql2/8,逆时针旋转D.3ql2/8,顺时针旋转7.图示结构中截面K的剪力值QK为()。
A.-P/2B.-3P/2C.P/2D.3P/28.在位移法典型方程的系数和自由项中,数值范围可为正、负实数的有()。
A.副系数和自由项 B.主系数和自由项 C.主系数和副系数 D.主系数9.支座反力和剪力影响线的纵标单位都是力的单位。
() A.正确 B.错误10.题目见图。
()A.P=1在K 点时,截面K 的剪力B.P=1在K 点时,截面B 的剪力C.P=1在B 点时,截面B 的剪力D.P=1在A 点时,截面K 的剪力11.等截面直杆的转角位移方程是表示单跨超静定梁()。
A.荷载、杆端位移等外因与杆端力之间的关系 B.荷载与杆端力之间的关系 C.杆端位移与杆端力之间的关系 D.R 荷载与杆端位移之间的关系12.力法只能用于线性变形体系。
()A.正确B.错误13.力矩传递系数是杆件两端弯矩的比值。
() A.正确 B.错误14.图a 所示结构,取图b 为力法基本体系,EA 、EI 为常数,则基本体系中沿X1方向的位移Δ1等于()A.0B.EA/lC.-X1l/EAD.X1l/EA15.将桁架各杆抗拉(压)刚度职都乘以1/n ,则在荷载作用下的各结点位移() A.都增加到原来的n 倍 B.图 C.图D.一部分增加,一部分减少第2卷一.综合考核(共15题)1.图示对称结构EI=常数,中点截面C 及AB 杆内力应满足()A.M ≠ 0,Q = 0,N ≠ 0,NAB≠ 0B.M = 0,Q ≠ 0,N = 0,NAB≠ 0C.M = 0,Q ≠ 0,N = 0,NAB= 0D.M ≠ 0,Q ≠ 0,N = 0,NAB= 02.在任何情况下,力矩分配法的计算结果都是近似的。
1.图示结构,AB杆件B处的轴力为()A.2PB.0C.-PD.P【参考答案】: B2.固定端约束及反力的特点不包括()A.被约束处不能有转角产生B.被约束处不能有线位移产生C.反力通常包括约束反力偶 D.只给被约束物体正交分解的约束反力【参考答案】: D3.下图所示体系的几何组成分析过程中,下面的叙述哪个是错误的()A.可以先除去与大地相连的支座链杆,剩下部分的几何组成性质与原结构相同 B.可以将DE、EB杆作为二元体去除 C.AB、EB、DE整体可以看成一个大刚片 D.体系中没有可以去除的二元体【参考答案】: B4. 下图所示结构( )是中间铰链约束A.A点B.B点C.C点D.E点【参考答案】: C5.根据支座和载荷情况,梁挠曲线的大致形状为()A.(a)B.(b)C.(c)D.(d)【参考答案】: D6.下面物体的整体受力图哪个是正确的()A.B.C.D.【参考答案】: B7.下图所示结构,AB=1m, F1=10 kN,作用于AB 的中点, F2=5 kN ,M=5 kNm,, BC=0.5m,则A处的约束反力()A.向右的约束反力F x=10kN,向上的约束反力F y=5kN,约束反力偶m=12.5kNm,顺时针B.向左的约束反力F x=10kN,向上的约束反力F y=5kN,约束反力偶m=2.5kNm,逆时针C.向左的约束反力F x=10kN,向上的约束反力F y=5kN,约束反力偶m=10kNm,逆时针D.向左的约束反力F x=10kN,向上的约束反力F y=5kN,约束反力偶m=12.5kNm,逆时针【参考答案】: B8.下图所示结构,F1=10 kN,M=5 kNm,AB=1m, BC=0.5m,则A处的约束反力()A.向右的约束反力F x=10kN,约束反力偶m=15kNm,顺时针B.向右的约束反力F x=5kN,约束反力偶m=5kNm,顺时针C.向左的约束反力F x=10kN,约束反力偶m=0D.向左的约束反力F x=10kN,约束反力偶m=5kNm,逆时针【参考答案】: D9.下图所示的复刚结点相当于几个单刚结点()A.1B.2C.3D.4【参考答案】: C10.下图所示结构,F1=10 kN,F2=5 kN,AB=1m, BC=0.5m,则A处的约束反力()A.向右的约束反力Fx=10kN,向上的约束反力Fy=5kN,约束反力偶m=12.5kNm,顺时针B.向右的约束反力Fx=5kN,向上的约束反力Fy=10kN,约束反力偶m=7.5kNm,顺时针 C.向左的约束反力Fx=10kN,向上的约束反力Fy=5kN,约束反力偶m=10kNm,逆时针 D.向左的约束反力Fx=10kN,向上的约束反力Fy=5kN,约束反力偶m=12.5kNm,逆时针【参考答案】: D11.AB=1m,载荷F对A点之矩为()A.10 kNmB.-10 kNmC.-5 kNmD.5 kNm【参考答案】: C12.图示刚架中,AB杆件B处的剪力为()A.80kNB.0C.40kND.-40kN【参考答案】: B13.图示中高宽比h/b=2的矩形截面梁,若将梁的横截面由竖放(图(a))改为平放(图(b)),其他条件不变,则梁的最大挠度和最大正应力分别为原来的()倍。
结构力学答案《结构力学》第01章在线测试第一题、单项选择题(每题1分,5道题共5分)1、结构力学的研究对象是 BA、单根杆件B、杆件结构C、板壳结构D、实体结构2、对结构进行强度计算目的是为了保证结构 AA、既经济又安全B、不致发生过大的变形C、美观实用D、不发生刚体运动3、对结构进行刚度计算,是为了保证结构 CA、不发生刚体运动B、美观实用C、不致发生过大的变形D、既经济又安全4、固定铰支座有几个约束反力分量? BA、一个B、两个C、三个D、四个5、可动铰支座有几个约束反力分量 AA、一个B、两个C、三个D、四个第二题、多项选择题(每题2分,5道题共10分)1、结构的稳定性是指 DEA、结构抵抗破坏的能力B、不发生刚体运动的能力C、结构抵抗变形的能力D、结构抵抗失稳的能力E、结构保持原有平衡形式的能力2、下列哪种情况不是平面结构 BCDEA、所有杆件的轴线都位于同一平面内,荷载也作用在该平面内B、所有杆件的轴线都位于同一平面内,荷载与该平面垂直C、所有杆件的轴线都位于同一平面内,荷载与该平面平行D、所有杆件的轴线都不位于同一平面内E、荷载不作用在结构的平面内3、下列哪种情况应按空间结构处理 ABDEA、所有杆件的轴线都位于同一平面内,荷载与该平面垂直B、所有杆件的轴线都不位于同一平面内C、所有杆件的轴线都位于同一平面内,荷载也作用在该平面内D、所有杆件的轴线都位于同一平面内,荷载与该平面平行E、荷载不作用在结构的平面内4、为了保证结构既经济又安全,要计算结构 BA、强度B、刚度C、稳定性D、内力E、位移5、刚结点的约束特点是 ABA、约束各杆端不能相对移动B、约束各杆端不能相对转动C、约束的各杆端可沿一个方向相对移动D、约束各杆端可相对转动E、约束各杆端可相对移动第三题、判断题(每题1分,5道题共5分)1、板壳结构的厚度远远小于其它两个尺度。
正确2、实体结构的厚度与其它两个尺度是同一量级。
正确3、为了保证结构既经济又安全,要对结构进行刚度计算。