SG-A024室内采暖金属辐射板及低温热水地板辐射系统安装检验批验收记录
- 格式:doc
- 大小:104.50 KB
- 文档页数:1
室内采暖金属辐射板及低温热水地板辐射采暖系统安装
检验批质量验收记录
检验批质量验收记录应包括以下内容:
1.项目概况:记录安装地点、面积、安装时间等基本信息。
2.安装单位:记录安装单位名称和资质信息。
3.监理单位:记录监理单位名称和资质信息。
4.检验人员:记录检验人员姓名、职务和资质信息。
5.检验仪器:记录使用的检验仪器名称、型号和准确度等信息。
6.检验依据:记录本次检验的依据文件和标准。
7.验收项目:根据安装规范和标准,列举出需要验收的项目,包括金
属辐射板和低温热水地板辐射采暖系统的安装质量要求。
8.检验方法:根据检验依据和项目要求,列举出本次检验采用的方法
和步骤。
9.检验结果:按照项目要求,对每个验收项目进行检查,并记录检验
结果。
如:合格、不合格等。
10.不合格项处理:对于不合格的项目,应列出具体不合格原因,并
提出整改要求和意见。
11.检验结论:根据检验结果,给出本次检验的结论,判断是否达到
验收要求。
12.签字意见:该记录由监理单位、安装单位、业主或代表共同签字,表示对检验结果的认可。
通过以上步骤的记录和整理,可以对室内采暖金属辐射板及低温热水地板辐射采暖系统的安装质量进行有效的评估和监控,确保系统按照要求安装并达到预期效果。
低温热水地板辐射采暖系统安装分项工程质量验收记录
编号:05-05-C118-1
分项工程质量验收记录
该表系《分项工程报验申请表》附件报送项目监理机构
一、填表说明:
1、表名填写所检收分项工程名称
2、表头及检验批部位、区段、施工单位检查中评定结果由施工单位项目专业质检员填写,施工单位项目专业技术负责人检查后给出评价并签字,交项目监理机构。
二、验收:
由监理工程师按验收记录中的各项,逐项审查,同意项目填写"合格或符合要求"字样,不同意项目暂不填写,待处理完,复检合格后填写。
三、验收结论:
验收项目全部合格,在验收结论栏签"同意验收"由监理工程师加盖执业印章确认。
低温热水地板辐射采暖安装工程检验批质量验收记录表
GB50242-2002
编号:05-05-C117-1
低温热水地板辐射采暖系统安装工程检验批质量验收记录表
一、说明:
该表系《低温热水地板辐射采暖安装工程报验申请表》附件。
此表由施工单位专业质检员填写。
自检合格后报监理工程师验收合格后签字、盖印章。
二、规范要点:
8.5.1:地面下敷设的盘管埋地部分不应有接头。
检验方法:隐蔽前现场查看。
8.5.2:盘管隐蔽前必须进行水压试验,试验压力为工作的 1.5 倍,但不小于0.6MPa 。
检验方法:稳压1小时内压力降不大于0.05MPa,且不渗不漏。
8.5.3:加热盘管弯曲部分不得出现硬折弯现象,曲率半径应符合下列规定:
1、塑料管:不应小于管外径的8 倍;
2、复合管:不应小于管外径的 5 倍;
检验方法:尺量检查。
8.5.5:加热盘管管径、间距和长度应符合设计要求,间距偏差不大于±10 毫米。
检验方法:拉线和尺量检查。
8.5.4:分、集水器型号、规格、公称压力及安装位置、高度等应符合设计要求。
检验方法:对照图纸及产品说明书,尺量
检查。
三、监督检查:现场巡视、跟踪检查。
检查要点:地热盘管的间距、转弯处、管的固定,分、集热水器标高,发现问题通知施工单位整改。
合格后报监理机构验收合格后签字、盖印章。
四、验收标准:
质量控制资料齐全,手续完善,主控项目全部合格,一般项目满足验收规范规定。
SG-A024
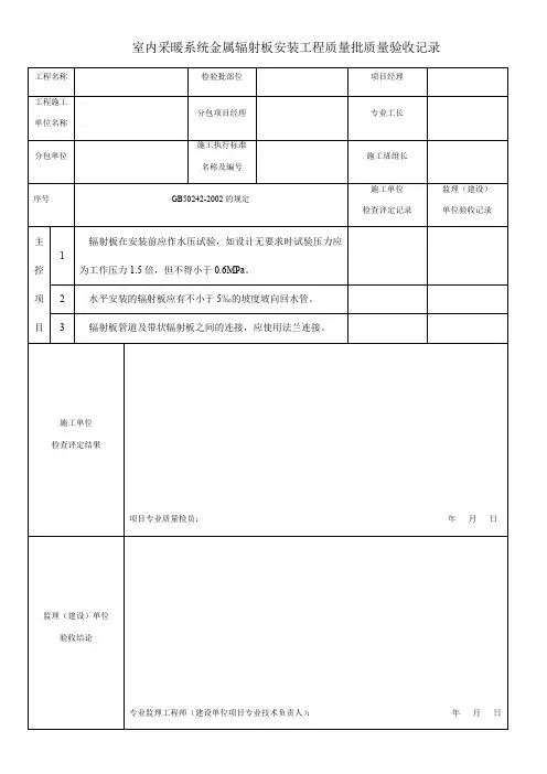
室内采暧金属辐射板及低温热水地板辐射系统安装检验批验收记录工程名称分项工程名称室内热水辅助设置工程验收部位施工单位
项目负责人专业工长施工班组长施工执行标准及编号
质量验收规范的规定施工单位检查评定记录监理(建设)单位验收记录
主控项目1.辐射板水压试压 1.5
倍工作压力
8.4.1条2.辐射板坡度≮5‰
8.4.2条
8.4.3条
3.地下盘管不应有接头8.5.1条
4.地下盘管水压试验8.
5.2条
5.地下盘管弯曲半径8.5.3条
一般项目
1.集水器安装尺寸8.5.4条
2. 盘管间距偏差≯±
10mm
8.5.5条
3. 防潮、防水、隔热层
和伸缩缝检查
8.5.6条
4. 填充层标号强度应
符合设计要求
8.5.7条
共实测点,其中合格点、不合格点,合格率 %
施工单位检查
评定结果
项目专业质量检查员:项目专业质量(技术)负责人:年月日
监理(建设)单位
验收结论
监理工程师(建设单位项目技术负责人):年月日
四川省建设厅制。
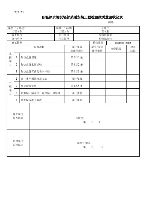
低温热水地板辐射采暖安装工程检验批质量验收记录表
GB50242-2002
050504 单位(子单位)工程名称
分部(子分部)工程名称验收部位
施工单位项目经理
分包单位分包项目经理
施工执行标准名称及编号
施工质量验收规范规定施工单位检查评定记录监理(建设)单位验收
记录
主控项目1 加热盘管埋地第8.5.1条
2 加热盘管水压试验第8.5.2条
3 加热盘管弯曲的曲率半径第8.5.3条
一般项目1 分、集水器规格及安装设计要求
2 加热盘管安装第8.5.5条
3 防潮层、防水层、隔热层、伸缩缝设计要求
4 填充层混凝土强度设计要求
施工单位检查评定结果
专业工长(施工员)施工班组长
项目专业质量检查员:年月日
监理(建设)单位验收结论
监理工程师:
(建设单位项目专业技术负责人)年月日。