施工环境因素安全管理控制方案正式版
- 格式:docx
- 大小:36.09 KB
- 文档页数:9
施工环境因素安全管理控制方案一、引言随着城市建设的快速发展,施工工程的规模和复杂度不断增加,施工环境因素对施工安全产生了重要影响。
施工环境因素包括但不限于气候环境、地质环境、交通环境等,它们的不稳定性和变化性给施工安全带来了较大的风险。
为了保障施工人员和设备的安全,减少事故风险和损失,本方案旨在提出施工环境因素安全管理的控制措施。
二、气候环境安全管理控制1. 气象预报及时性施工单位应与气象部门建立合作关系,及时获取气象信息,并对预警信息进行核实和分析。
在预测到极端天气条件下,及时调整施工计划,暂停高风险作业和在室外的人员疏散。
2. 防护设施完善根据气候环境特点设置相应的防护设施,如设置防风网、防暴雨棚等。
同时,加强对施工人员的培训,提高他们的安全意识和应对极端天气能力。
3. 监测设备使用使用气象监测设备对施工现场气候变化进行实时监测,如温度、湿度、风速等。
当气象环境发生异常变化时,立即采取相应的应对措施,如暂停高风险作业、暂时关闭危险区域等。
三、地质环境安全管理控制1. 地质勘察和评估在施工前应进行全面的地质勘察和评估,了解地质条件及危险性,制定相应的施工方案和应对措施。
2. 监测与预警系统安装地质监测和预警系统,对施工现场的地质环境进行实时监测和预警。
一旦发现地质环境异常,立即采取措施,如撤离人员、强化支护等。
3. 强化地基处理根据地质勘察和评估结果,采取相应的地基处理措施,如加固土质、排水处理等,提高地基的稳定性和安全性。
四、交通环境安全管理控制1. 交通管控在施工现场周边设置交通标识和交通警示牌,并派人员进行交通管控,确保施工现场交通秩序正常进行。
2. 安全通道设置设置安全通道供施工人员及时撤离和救援。
同时,设置应急通道和指示标识,确保在紧急情况下能迅速疏散人员。
3. 安全培训对施工人员进行交通安全的相关培训,提高其交通安全意识和应对能力。
同时,制定施工交通安全管理制度,明确责任和要求。
五、设备环境安全管理控制1. 设备检查和维护定期对施工设备进行检查和维护,确保设备的正常运行和安全使用。
工程施工各种因素环境的控制措施1.1.1.1、应急准备1、建立畅通的沟通渠道,方便及时准确接受应急突发任务。
2、理清突发任务的处理流程,提高反应和处理速度。
3、施工进度计划尽量往前安排,提前完成,确保更多的冗余时间应对突发任务。
4、平时注意文明施工,树立良好施工形象,搞好各种社会关系,为突发任务的报建和协调打好基础。
5、加强材料管理,随时掌握材料的库存情况,保证材料满足施工需要。
6、加强施工工具、机械车辆的检修维护,确保可用。
7、如遇紧急站点委托,立即投入预备施工队伍和施工人员以及施工工具机械车辆,保证突发任务的按时按质按量完成。
8、明确管理责任制,正确划分各级人员的管理权限和职责。
9、根据应急突发事件的情况,我公司现场负责人会即时通报项目经理做安排,马上调遣专用协调车辆及协调人员到现场进行事件处理。
10、机动队伍、车辆、工具仪表的随时补充,保证突发任务的及时完成。
11、本项目部无法完成突发应急任务,应立即上报总项目经理,由总项目经理统一在全省各项目部协调,保证施工人任务的完成。
12、7*24小时应急响应电话:1.1.1.2、应急处理流程1、事故发生后,事故现场应急专业组人员应立即开展工作,及时发出报警信号,互相帮助,积极组织自救;在事故现场及存在危险物资的重大危险源内外,采取紧急救援措施,特别是突发事件发生初期能采取的各种紧急措施,如紧急断电、组织撤离、救助伤员、现场保护等;及时向项目部安全领导小组报告,必要时向相邻可依托力量求教,事故现场内外人员应积极参加援救。
如果涉及人员伤亡情况,现场最高指挥员按照以下步骤处理:(1)如果最近医院距离一公里以上,马上手机/电话通知120或110,清楚说明现场情况和地点;(2)如果最近医院距离一公里以内,马上组织未受伤人员护送受伤人员到医院,同时电话通知医院做好抢救准备(可使用114查询医院电话);(3)现场留1-2人看守,并设置警戒圈;(4)电话汇报给直接上级;(5)到达医院观察。
施工环境管理计划
施工环境管理是指在施工过程中,对施工现场及周边环境进行
合理、科学的管理,以保护环境、减少污染,确保施工过程安全、
高效进行的一项重要工作。
施工环境管理计划是施工单位为了达到
环境保护的目标,而制定的一项管理计划。
下面将从环境影响评价、环境管理措施、监测与评估等方面,对施工环境管理计划进行详细
阐述。
首先,施工环境管理计划的编制应当包括环境影响评价。
施工
单位应当对施工活动可能产生的环境影响进行评价,并制定相应的
管理措施。
在评价过程中,需要考虑施工对土壤、水体、大气、噪
声等环境要素的影响,并提出相应的预防和控制措施。
其次,施工单位应当制定相应的环境管理措施。
在施工过程中,应当采取措施减少扬尘、噪音、废水、废气等污染物的排放,合理
利用资源,减少对环境的影响。
同时,应当加强对施工现场的环境
监测,及时发现环境问题并采取措施加以解决。
另外,施工环境管理计划还需包括监测与评估。
施工单位应当
建立环境监测体系,对施工过程中的环境影响进行监测,并定期进
行评估。
通过监测与评估,可以及时发现环境问题,及时采取措施加以解决,确保施工过程中环境保护的效果。
总之,施工环境管理计划是施工单位为了环境保护而制定的一项管理计划,其编制应当包括环境影响评价、环境管理措施、监测与评估等内容。
只有合理制定施工环境管理计划,并严格执行,才能确保施工过程中对环境的保护,减少环境污染,实现可持续发展的目标。
注:“方法或技术措施”栏内:A、“目标和指标”控制;B、“程序”控制;C、管理方案;D、应急预案;E、相关人员培训;F、监督检查;G、相应的防护措施批准人:审核人:编制人:
注:“方法或技术措施”栏内:A、“目标和指标”控制;B、“程序”控制;C、管理方案;D、应急预案;E、相关人员培训;F、监督检查;G、相应的防护措施批准人:审核人:编制人:
注:“方法或技术措施”栏内:A、“目标和指标”控制;B、“程序”控制;C、管理方案;D、应急预案;E、相关人员培训;F、监督检查;G、相应的防护措施批准人:审核人:编制人:
注:“方法或技术措施”栏内:A、“目标和指标”控制;B、“程序”控制;C、管理方案;D、应急预案;E、相关人员培训;F、监督检查;G、相应的防护措施批准人:审核人:编制人:
注:“方法或技术措施”栏内:A、“目标和指标”控制;B、“程序”控制;C、管理方案;D、应急预案;E、相关人员培训;F、监督检查;G、相应的防护措施批准人:审核人:编制人:
注:“方法或技术措施”栏内:A、“目标和指标”控制;B、“程序”控制;C、管理方案;D、应急预案;E、相关人员培训;F、监督检查;G、相应的防护措施批准人:审核人:编制人:
注:“方法或技术措施”栏内:A、“目标和指标”控制;B、“程序”控制;C、管理方案;D、应急预案;E、相关人员培训;F、监督检查;G、相应的防护措施批准人:审核人:编制人:
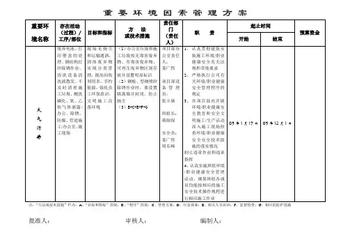
重要环境因素管理方案
批准人:
审核人:
编制人:
2005年01月17日
重大危险源管理方案
批准人:
审核人:
编制人:
2005年1月17日。
施工环境因素安全管理控制方案施工环境因素安全管理控制方案一、前言随着城市化进程的不断加快,各类建筑工程的建设也呈现出快速增长的趋势。
然而,建筑工程的特殊性质和复杂程度,使得其中的安全风险也随之增大。
施工现场是一个复杂而危险的环境,其环境因素对工程施工安全非常重要。
本文基于一项建筑工程为例,着重从环境因素出发,探讨如何对施工环境因素进行安全管理控制,以保证工程质量和人员安全。
二、建筑工程环境因素安全管理控制措施2.1 外部环境因素建筑工程的外部环境因素主要包括地形、气候、周围建筑物及其他自然因素等。
为了管控这些因素对施工环境的影响,采取以下措施:2.1.1地形地形是一个重要的外部因素,对建筑工程的安全有着重要的影响。
在选择工地时,应该优先选择坡度适中、稳定的地区,以找到一个平稳的基础施工环境。
同时,应加强地质勘探,了解施工区域的地质情况,以避免地质灾害的风险。
2.1.2气候天气条件对建筑施工的影响也是一个不容忽视的因素。
夏季高温、冬季严寒、强风暴雨等气候变化,都可能给建筑工程施工造成不同程度的影响。
因此,在施工计划中应考虑到不同季节和气候对施工的影响,合理规划施工进度和施工周期。
2.1.3周围建筑物如果施工工地周围有其他建筑物存在,就需要结合周围环境,考虑如何避免施工对周边环境造成的影响。
例如,在施工期间需要控制噪音、灰尘等污染源的扩散范围,以确保周围居民的生活不受干扰。
2.2 内部环境因素建筑工程的内部环境因素主要指施工现场的土地、建筑、设备及机械等因素。
针对这些因素的控制措施如下:2.2.1建筑物结构建筑物结构的安全是施工环境安全管理的重点。
在施工开始前,应先评估建筑物的结构安全性,并对其中存在的潜在风险进行分析。
在施工过程中,应定期检查并维护建筑物的承重结构,确保建筑物的安全性。
2.2.2设备和机械设备和机械的安全性对施工环境安全也有着重要的影响。
安全操作规程应该规定明确的设备安全规范,及对设备操作人员的安全培训,以确保设备的稳定性和安全性。
工程期间环保管理方案范本一、前言随着中国经济的高速发展,各种工程建设项目日益增多,给环境带来了不小的影响。
为了保护环境、实现可持续发展,国家对工程建设项目在环保方面提出了更高的要求。
因此,合理有效地开展工程期间环保管理,已成为一个重要的任务。
本方案以某XX工程建设项目为例,对工程期间环保管理进行详细的规划,旨在有效地减少工程对环境的影响,达到“绿色施工,可持续发展”的目标。
二、项目概况2.1 项目名称:某XX工程建设项目2.2 项目地点:XX省XX市;2.3 工程概况:本项目为XX行业的XXXX工程,占地面积XXX平方米,总建筑面积XXXX 平方米,总投资XXX万元。
2.4 项目环境:周边为居民区和农田,有山地、水体等自然环境。
三、环境影响评价及管理措施3.1 环境影响评价根据《环境影响评价法》,项目需进行环境影响评价,并提交评估报告,评估报告中需包含环境影响预测、环境影响评价、环境保护措施等内容。
3.2 环境管理措施在施工前,需制定环境管理手册,具体包括:施工现场环保要求、施工环境风险评估、环保设施设置、环境风险防控措施等内容。
四、施工阶段环保管理4.1 地勘、设计阶段根据工程地质及地形条件,合理规划施工设计方案,减少对地质环境的破坏。
4.2 施工准备阶段制定施工环保计划书,包括环境风险评估、施工设备及用水用电的规划、施工现场管理、环境保护措施等内容。
4.3 施工阶段进行现场环保巡视,检查施工设施的环保设备是否完好,监督现场垃圾的分类清理和处理,合理利用水、电等资源,减少能源消耗。
4.4 爆破(如有)及土石方开挖在进行爆破作业前,需进行规范的爆破方案编制、安全防范措施设计及爆破安全风险评估,减少对周边环境的影响。
土石方开挖中,进行合理的资源利用,尽量减少大规模挖掘对土地的影响。
4.5 混凝土浇筑制定混凝土浇筑方案,减少浇筑过程对周边环境的干扰,保护周边的植被和土地。
4.6 设备操作及运输合理使用施工设备,减少废气、废水和噪声对环境的污染。
第一部份:施工现场重要环境因素识别及预防措施 (1)一、环境因素识别及重要环境因素的确定 (1)二、对施工现场主要环境因素分类识别及控制方案 (3)三、施工过程对环境监督管理方法及措施 (11)第二分部:施工现场主要危(wei)险源辨识及风险控制措施.. 13一、施工现场主要危(wei)险源辨识 (13)二、危(wei)险源分类 (13)三、危(wei)险源的辨识方法 (14)四、风险控制策划 (19)(一)对环境因素的识别1、在环境管理体系中要求识别的环境因素是指组织在其活动范围内,在产品生产和服务过程中它能够控制或者能够施加影响的环境因素。
“能够控制的环境因素"是指在组织的管理权限内能够实施管理的环境因素;“能够施加影响的环境因素”是指当法规或者合同无要求时,对生活、产品或者服务中的环境因素不能直接进行管理,但能够对其施加影响。
监理单位对施工单位的环境因素可以通过监理服务施加影响,但监理单位不能对其实施控制.2、识别环境因素主要从其对环境造成影响的原因加以识别。
对环境造成的影响主要有:大气污染、水污染、土壤污染、噪声、振动、固体废物、能源和资源消耗、有毒有害化学品的使用、臭氧层的破坏、电磁辐射、光热辐射、恶臭及其它因素.3、重要环境因素确定:施工现场生产活动中对具有重大环境影响的或者能够产生重大环境影响的环境因素,是必须加以控制和消除的重要环境因素。
4、重要环境因素普通判断(1)已违法或者接近违反法律及强制检测结果的环境因素。
(2)并不违法但当地政府高度关注或者强制性监测的环境因素,如噪声、排水污染、垃圾抛洒、扬尘等。
(3)政府或者法规有明文但无定量指标的环境因素:废弃物的管理(工业废弃物、生活废弃物、危(wei)险废弃物) ,能源和资源消耗,危(wei)险化学品管理等。
(4)政府或者法律命令禁止使用、限制使用或者限期代替使用的物资:如氟利昂气体等应用等。
(5)异常或者紧急状态下将产生严重环境影响的环境因素:如火灾、爆炸、危(wei)险品泄露、蓦地断水断电、大风扬尘等。
目录第一部分:施工现场重要环境因素识别及预防措施 (1)一、环境因素识别及重要环境因素的确定 (1)二、对施工现场主要环境因素分类识别及控制方案 (3)三、施工过程对环境监督管理方法及措施 (11)第二分部:施工现场主要危险源辨识及风险控制措施 (13)一、施工现场主要危险源辨识 (13)二、危险源分类 (13)三、危险源的辨识方法 (14)四、风险控制策划 (19)第一分部:施工现场重要环境因素识别及预防措施一、环境因素识别及重要环境因素的确定(一)对环境因素的识别1、在环境管理体系中要求识别的环境因素是指组织在其活动范围内,在产品生产和服务过程中它能够控制或能够施加影响的环境因素。
“能够控制的环境因素”是指在组织的管理权限内能够实施管理的环境因素;“能够施加影响的环境因素”是指当法规或合同无要求时,对生活、产品或服务中的环境因素不能直接进行管理,但能够对其施加影响。
监理单位对施工单位的环境因素可以通过监理服务施加影响,但监理单位不能对其实施控制。
2、识别环境因素主要从其对环境造成影响的原因加以识别。
对环境造成的影响主要有:大气污染、水污染、土壤污染、噪声、振动、固体废物、能源和资源消耗、有毒有害化学品的使用、臭氧层的破坏、电磁辐射、光热辐射、恶臭及其它因素。
3、重要环境因素确定:施工现场生产活动中对具有重大环境影响的或能够产生重大环境影响的环境因素,是必须加以控制和消除的重要环境因素。
4、重要环境因素一般判断(1)已违法或接近违反法律及强制检测结果的环境因素。
(2)并不违法但当地政府高度关注或强制性监测的环境因素,如噪声、排水污染、垃圾抛洒、扬尘等。
(3)政府或法规有明文但无定量指标的环境因素:废弃物的管理(工业废弃物、生活废弃物、危险废弃物),能源和资源消耗,危险化学品管理等。
(4)政府或法律命令禁止使用、限制使用或限期代替使用的物资:如氟利昂气体等应用等。
(5)异常或紧急状态下将产生严重环境影响的环境因素:如火灾、爆炸、危险品泄露、突然断水断电、大风扬尘等。
环境因素控制措施案重大环境因素控制措施根据项目的特点,以及对施工现场环境因素识别,本项目主要有以下六项环境因素需要实施控制:1、扬尘;2、噪声;3、废水;4、废弃物,为了保证本项目的职业健康安全管理“安全第一,预防为主、以人为本,文明施工、科学环保”的顺利实现,特对重大环境因素制定如下控制措施:一、扬尘1、一般扬尘源有土作业、细颗粒材料堆放、裸露的地表、车辆进出现场、现场搅拌站、易飞扬材料的运输、现场垃圾站、施工作业面及外脚手架等。
2、扬尘控制标准现场目测无尘,主要运输道路硬化率达到100%。
格执行《绿色施工管理规程》(DB11/513-2008)。
3、扬尘控制措施(1)工地大门出入口设置机动车辆冲洗设施,可设宽度不小于出口处的车辆冲洗排水沟,对进出车辆的车轮进行冲刷,防止车辆带泥沙出场;(2)施工现场主要道路应根据用途进行硬化处理,料具场地要平整夯实,裸露的场地和集中堆放的土应采取覆盖、固化或绿化等措施;施工现场的办公区和生活区进行绿化和美化;(3)现场料具存放整齐,易飞扬的细颗粒材料(白灰、粉煤灰、袋装水泥等)要入库或密封闭存放。
(4)施工现场建立封闭式垃圾站,按照规定及时清运消纳,禁随意抛撒。
建筑物施工垃圾的清运,必须采用相应容器或管道运输,禁凌空抛掷。
(5)本市中心城区(包括规划市区、回龙观和北苑北地区)、北京经济技术开发区、新城城关镇地区和其他区域所有政府投资建设工程,禁止现场搅拌砂浆(以下简称“禁现”)。
(6)现场土应集中堆放采取覆盖、固化或绿化洒水等措施,遇有四级以上大风天气停止土施工及其他可能产生扬尘污染的施工;(7)车辆运输砂、土、渣土和垃圾不得超量装载,装运土、砂的最高点不得超过槽帮上缘50公分,两侧边缘应低于槽帮上缘10至20公分;装运建筑渣土、垃圾不得超过槽帮上缘;运输车辆应密覆盖,并防止卸运和运输中的遗撒;(8)施工现场贯彻“工完场清”制度,施工完成后及时对施工作业面及外脚手架上的垃圾及杂物进行清理;高空施工的垃圾及废弃物采用密闭容器或其他措施清理搬运,禁止高空抛物;(9)施工现场使用预拌混凝土应按照北京市《关于本市建设工程中进一步禁止现场搅拌砂浆的通知》××文件的有关规定执行,对工程浇筑剩余的预拌混凝土要进行妥善再利用,禁随意丢弃。
安全文明施工和环境治理方案范文为实现公司制定的环境目标和指标减少环境污染,实现环保施工,降低能源消耗,增加企业经济效益和社会效益。
特制定本方案:1.环保方案1.1 目标:1.1.1 施工过程中的噪声排放量不超标,不发生噪声扰民及对操作者造成危害。
1.1.2 确保生产、生活污废水排放符合国家及地方的排放要求。
1.1.3 生产、生活垃圾排放不污染环境。
1.1.4 确保施工过程中不发生扬尘污染。
1.1.5 做好火灾的预防工作,有效控制火灾事故的发生。
1.2 指标:1.2.1 噪声:白天噪音<70dB、夜间噪音<55dB1.2.2 生产废水:PH值6-9,水中无悬浮水泥浆;1.2.3 生活废水:无固体残渣、油污及悬浮物。
1.2.4 固体废料:施工场区,场区门口处,场区内道路无生产垃圾,生活区无垃圾。
1.2.5 粉尘:目测无扬尘现象。
1.3 为使各种影响环境的不利因素能够及时地辩识出来,对其中重大环境因素进行有效控制,减少环境影响,公司成立环境因素辩识组织机构,对环境因素进行辩识。
1.4 职责:1.4.1 噪声控制:1.4.1.1设备科负责对搅拌机、振捣器、电锯、电钻等设备进行养护,维修、更新和改进工作。
1.4.1.2 项目部负责设备使用,模板安装、材料搬运等操作控制。
1.4.2 污水控制:项目经理部负责施工用搅拌机清理污水及生活污水的控制。
1.4.3固体废物控制:项目部负责工程管理,废料回收、对生产、生活垃圾进行控制。
1.4.4扬尘控制:项目部负责现场扬尘控制工作。
2.措施:2.1 噪声控制:2.1.1.1 机械设备产生的噪音,项目部对产生噪音的设备搭设吸音防护棚或采用低噪音的设备。
2.1.1.2 由设备科对机械设备进行检查、检修、维护工作,对机械操作人员进行交底,对机械故障及时采取措施,防止噪音超标,同时在可能的情况下,进行设备改造,以降低噪音。
2.2 污水控制:2.2.1 生产污水:搅拌机清理污水要集中收集,经沉淀池沉淀后排放,当污水量较大时,要考虑废水回收利用,回收时,设备的贮水池要做成防水型,防止渗漏,污染土。
环境管理方案范文重要环境因素管理方案范文及其保证措施环境管理方案、重要环境因素管理方案及其保证措施 1 环境管理目标我单位按 GB/T24001-2004 标准对本工程项目施工的环保目标承诺如下:严格控制重要环境因素、施工和生活污水排放、有害烟尘排放、固体废弃物、施工噪声、振动等符合标准要求,其它环境因素控制目标和指标,不违反国家及行业标准。
2 全面运行 ISO14000 环境保护体系(1)在本工程施工的全过程中,我单位将全面运行 ISO14000 环境保护体系标准,系统地采用和实施一系列环境保护管理手段,建立环境保护管理体系,制定目标和指标,确定各职能、各层次的职责,并把目标分解到各职能、各层次。
(2)在施工中认真听取监理工程师、业主的环保人员及地方政府人员的相关建议和意见,并接受其检查和监督。
环境保护具有一票否决权,对施工过程中会造成环境破坏的因素加以研究,并进行预防。
(3)我公司在承接项目后,根据该项目的招标文件提出的环境保护措施,结合周围实际环境状况,编制详细的《施工组织设计》报告,明确环境保护责任和义务,对项目可能对周围环境造成的影响提出可行的控制措施。
3 识别法律、法规和环境因素(1)识别与本项目有关的国家、某某省、某某市及行业法律法规,形成文件并贯彻执行。
(2)开工前识别所有环境因素和重要环境因素,形成文件,制订控制措施,对重要环境因素制订管理方案。
(3)施工期主要污染源和影响源如下:①植被破坏、水土流失:暂时施工用地平整、弃碴等可导致工程区植被破坏,使表层土壤颗粒细化,结构疏松,若未采取有效措施将导致严重的水土流失,并引起泥沙入海。
②施工噪声:主要为通风设备、施工机械和施工车辆、爆破等产生的噪声。
③施工废气与扬尘扬尘:包括混凝土喷浆料搅拌等施工行为产生的施工场地粉尘,以及建材、弃碴运输时产生的道路扬尘,主要特征污染物为PM10。
施工机械废气:包括施工运输车辆、燃油压路机(路面平整)、燃油推土机(路基处理)等施工机械产生的废气,主要特征污染物为CO。
环境工程施工安全管理制度一、总则为加强环境工程施工的安全管理,保障施工人员的安全和健康,避免事故的发生,特制定本安全管理制度。
二、施工单位的安全管理组织机构1. 安全管理机构由总经理作为主要负责人,设立专职安全负责人,并配备必要的安全管理人员。
2. 安全管理机构要建立健全的安全管理制度,实施安全管理措施,严格遵守有关法律法规和标准。
三、安全管理制度1. 施工单位必须按照国家相关法律法规和标准要求,建立健全的安全管理制度,确保施工安全。
2. 施工单位要对施工现场的安全进行定期检查,及时发现并排除安全隐患。
3. 施工单位要对从业人员进行安全教育和培训,提高从业人员的安全意识和防范能力。
四、从业人员的安全管理1. 从业人员必须遵守施工单位的安全管理制度,服从安全管理人员的指挥,严禁违章操作。
2. 从业人员必须严格按照相关规定佩戴安全防护用具,确保自身安全。
3. 从业人员要定期接受安全教育和培训,提高自身的安全意识和防范能力。
五、施工现场安全管理1. 施工单位要设立专门的安全监测人员,对施工现场进行安全监测,及时发现并解决安全隐患。
2. 施工单位要建立健全的安全制度,包括安全标识、安全警示和安全通道等,确保施工现场的安全。
3. 施工单位要定期组织安全演练,提高从业人员应急处理能力,保障施工现场的安全。
六、事故处理和隐患整改1. 发生事故后,施工单位要立即组织救援和处置,同时对事故进行调查和分析,找出事故原因。
2. 发现安全隐患后,施工单位要及时整改,并建立整改追踪机制,确保安全隐患得到彻底解决。
3. 施工单位要建立事故报警机制,确保事故发生后能够及时报警,做到及时处置。
七、安全管理责任安全管理责任由施工单位的主要负责人和安全管理人员共同承担,必须履行好安全管理职责,确保施工单位的安全工作得到有效落实。
八、附则1. 本安全管理制度适用于环境工程施工中的安全管理工作,如有其他相关法规和标准,应当遵守。
2. 施工单位要根据实际情况,不断完善安全管理制度,确保施工单位的安全工作得到有效实施。
施工现场环境保护方案
首先,我们要合理规划施工现场布局。
在施工现场布局设计中,要充分考虑周
围环境的保护,合理安排施工设施和临时设施的位置,尽量减少对周围环境的影响。
同时,要设立固定的施工通道和施工区域,确保施工过程中不会侵占周围的生态环境。
其次,我们要加强对施工现场的环境监测。
在施工过程中,要定期对空气、水质、土壤等环境因素进行监测,及时发现和解决环境污染问题。
同时,要建立健全的环境监测体系,确保监测数据的准确性和可靠性。
另外,我们要严格控制施工现场的扬尘和噪音污染。
在施工现场周围要设置固
定的喷淋设施,对施工现场进行定期的扬尘降尘,有效减少扬尘对周围环境的影响。
同时,要合理安排施工作业时间,尽量减少噪音对周围居民的影响,确保施工现场的环境质量符合相关标准。
此外,我们还要加强对施工废弃物的处理和处置。
在施工现场产生的废弃物要
进行分类收集和处理,合理利用和处置。
同时,要建立健全的废弃物处理和处置制度,确保废弃物不对周围环境造成污染。
最后,我们要加强对施工人员的环境保护意识培训。
通过定期的环境保护知识
培训,提高施工人员对环境保护工作的认识和重视程度,增强他们的环境保护意识和责任感,确保施工现场环境保护工作的顺利进行。
综上所述,施工现场环境保护方案的制定和执行是一项复杂而又重要的工作。
只有加强对施工现场环境保护工作的重视,采取一系列有效的措施,才能确保施工过程中不对环境造成破坏,保护好周围的生态环境。
希望全体施工人员都能共同努力,为环境保护事业做出自己的贡献。
建筑施工安全管理措施方案建筑施工是一项复杂且危险的工作,涉及到众多的人员、设备和环境因素。
为了确保施工过程的安全,保障施工人员的生命健康和财产安全,制定一套科学、合理、有效的安全管理措施方案至关重要。
一、建立完善的安全管理制度1、安全生产责任制明确各级管理人员和施工人员在安全生产方面的职责和义务,将安全责任落实到个人,形成全员参与、齐抓共管的良好局面。
2、安全培训制度对新入场的工人进行三级安全教育,包括公司级、项目级和班组级。
定期组织在职员工进行安全知识和技能培训,提高员工的安全意识和自我保护能力。
3、安全检查制度制定定期和不定期的安全检查计划,对施工现场的设备、设施、作业环境和人员行为进行全面检查。
对检查中发现的安全隐患,及时下达整改通知书,跟踪整改情况,确保隐患得到彻底消除。
4、安全奖惩制度对遵守安全规定、表现优秀的员工进行奖励,对违反安全规定的员工进行处罚,以激励员工积极参与安全管理工作。
二、加强人员安全管理1、人员资质审查对施工人员的资质进行严格审查,确保其具备相应的从业资格和技能水平。
特殊工种如电工、架子工、塔吊司机等必须持证上岗。
2、健康状况检查施工前对员工进行健康检查,确保其身体状况能够适应施工工作的要求。
对于患有不适宜从事建筑施工疾病的人员,应及时调整工作岗位。
3、安全意识教育通过安全培训、安全交底、安全宣传等方式,加强施工人员的安全意识教育,使其充分认识到安全工作的重要性,自觉遵守安全规定。
4、劳动保护用品配备为施工人员配备符合国家标准的劳动保护用品,如安全帽、安全带、安全鞋、防护手套等,并监督其正确佩戴和使用。
三、强化施工现场安全管理1、施工设备与机械管理对施工设备和机械进行定期维护和保养,确保其性能良好、运行安全。
在设备使用前,进行全面的检查和调试,操作人员必须经过培训并持证上岗。
2、临时用电管理制定临时用电方案,按照规范要求设置配电箱、开关箱和电线电缆。
加强对用电设备的接地和接零保护,严禁私拉乱接电线。
In the schedule of the activity, the time and the progress of the completion of the project content are described in detail to make the progress consistent with the plan.施工环境因素安全管理控制方案正式版
施工环境因素安全管理控制方案正式
版
下载提示:此解决方案资料适用于工作或活动的进度安排中,详细说明各阶段的时间和项目内容完成的进度,而完成上述需要实施方案的人员对整体有全方位的认识和评估能力,尽力让实施的时间进度与方案所计划的时间吻合。
文档可以直接使用,也可根据实际需要修订后使用。
一、管理组织方案
1、成立施工环境安全管理控制小组
高速公路A01合同段施工环境安全控制小组
组长:杨
副组长:
成员:成员职责
组长:全权负责整个组织的工作,监督、指导所有成员履行各自职责。
并定期组织人员对环境情况进行全面检查。
副组长:协同组长,管理组织成员的分工,协调各部门,安排日常事务。
成员:根据自己的职责不同,把自己分内的环境安全控制方面的事情做好,并做好组长临时安排的一切事务,参加定期的环境安全大检查。
划分施工环境安全管理的活动范围,并收集相关信息。
项目坚持谁主管谁负责的原则,由常务副经理统一部署、安排,对影响环境安全的因素要在工作中按照相关文件,规程条例执行。
二、编制依据
1、《管理手册》
2.2、《项目施工管理手册》
2.3、《中华人民共和国环境保护法》
2.4、《中华人民共和国水污染防治法》
2.5、《中华人民共和国固体废弃物污
染环境防治法》
2.6、《中华人民共和国大气污染防治法》
2.7、《中华人民共和国环境噪声污染防治法》
三、施工环境安全控制达到的目标
1、重大工程环境污染责任事故:0案次;
2、顾客满意率:98%;
3、噪声排放达标,社区居民无投诉;
4、控制施工扬尘、废物排放,确保排法符合规定;
5、浪费水电事件:0案次。
四、措施:
1、项目部在组建的同时组建环境安全领导机构、环境安全生产责任制,目的是加大对安全生产的领导的重视,不留任何死角,完成预期目标。
2、用电安全管理,在施工用电和生活用电、办公用电当中,严格按照项目用电管理制度,有持市、地劳动安全检察部门核发的电工证的电工,负责该项目日常安全用电管理和安装工作。
选用有生产许可证的厂家供应电器材料。
做到用电安全、节约用电。
3、生活用水,施工用水,设人看管水龙头,严禁常流水和滴漏现象,如发现水龙头未关或未关紧,看管人将受到处罚,处罚标准参考《节约用水制度》,施工中严禁浪费水,如发现违规者,按照规定
处罚。
4、办公区设专人打扫卫生,废弃物统一堆放,拌和场、前场定期进行卫生打扫,清除场地上的废弃物,统一处理。
5、前场施工尽量安排在白天,尽量避免晚间施工,以免影响周围居民的休息。
6、每天洒水车司机根据需要定时向施工区道路洒水,避免出现扬尘。
7、对职工进行培训教育,提高职工环保意识。
五、针对重大环境因素管理措施
由〈〈环境因素识别与评价报告〉〉结果得知,本项目重大环境因素是生活污水、垃圾的排放和施工便道、路面清扫粉
尘排放。
针对此重大环境因素,特制定以下措施、方案。
1、办公区设专人打扫卫生,并设统一生活垃圾收集点,统一处理生活垃圾;
2、办公区开挖污水管道,统一处理污水,并时常检查水沟的通畅性;
3、办公区实行卫生检查制度,每月进行卫生大检查一次,由经理部领导带头检查,每周进行一次小检查,由办公室组织检查,每日由卫生值班员进行当日检查,检查内容包括职工宿舍、食堂、办公区卫生,发现问题及时整改,不留后患。
4、拌和场设垃圾收集点,统一收集、处理生活垃圾,并设专人每日清理场内废弃物,保证场内干净卫生;
5、拌和站机械除尘符合国家标准;
6、前场设专人定期清理废弃物,保持施工段干净;
7、前场、拌和场开挖排水沟,保证污水不乱流;
8、前场、拌和场实行卫生检查制度;
9、在施工便道及时洒水,消除粉尘,保护周围环境,并设专人管理;
10、定期对员工进行教育,提高员工环保意识。
六、评审与正常运行
任何方案的验证是否完善都要有一个运行过程,并由相关部门参加的每月一次评审会议,对施工环境安全管理的不足及
时提出来,进行完善和修订,使施工环境安全控制在企业长期的正常运行。
20xx年9月10日
——此位置可填写公司或团队名字——。