医用注射泵产品技术要求silugao
- 格式:docx
- 大小:29.90 KB
- 文档页数:3
医用注射泵适用范围:与配套使用注射器配合使用,用于控制注入患者体内液体流量。
1.3结构组成:该产品由注射泵外壳、电机驱动系统、输入系统、存储系统、控制系统、显示系统、传感监测系统和报警系统组成。
2.1输注速度范围输注速度在0.1 ml/h至999.9ml/h之间时,最小步进为0.1ml /h;输注速度在1000 ml/h至1200ml/h之间时,最小步进为1ml /h。
10ml注射器 0.1-200ml/h20ml注射器 0.1-400ml/h30ml注射器 0.1-600ml/h50ml注射器 0.1-1200ml/h2.2预设输注总量范围1ml-10ml(10ml注射器);1ml-20ml(20ml注射器);1ml-30ml(30ml注射器);1ml-60 ml(50ml注射器);最小步进:1ml2.3快速输注范围10ml注射器:200ml20ml注射器:400ml30ml注射器:400ml50ml注射器:600ml2.4注射泵的精度输注速度的平均误差在±2.0%之间。
2.5功能2.5.1恒速输注功能2.5.1.1速度单位: ml/h;2.5.1.2可设定速度范围:输注过程中可显示输注累积量和输注速度。
2.5.1.3可预设输注总量:当输注完成预设输注总量后,注射泵以KVO功能运行。
2.5.2可快速输注功能在低速输注时可用此功能快速输注,可做预充排气泡。
2.5.3可自动识别注射器功能可自动识别10ml、20ml、30ml、50ml规格注射器。
2.5.4报警功能注射泵每个通道的报警功能独立显示,声音报警可关断,灯光、报警状态明确。
2.5.4.1外接电源掉电报警: 外接电源掉电后,提示灯报警,同时机内蜂鸣器报警;2.5.4.2备用电池欠压报警: 电池电压欠压时, 提示灯报警,同时机内蜂鸣器报警;2.5.4.3注射器推空/管道阻塞报警: 当出现阻塞或推空后, 提示灯报警,同时机内蜂鸣器声音报警,报警后注射泵停止工作;2.5.4.4注射器脱落报警:注射器没安装好或者脱落时,提示灯报警,同时机内蜂鸣器声音报警;2.5.4.5注射预设量完毕报警:注射预设量完毕后,提示灯报警,同时机内蜂鸣器声音报警;2.5.4.6药物将尽报警:注射过程中剩余药量少于等于6ml时,提示灯报警,同时机内蜂鸣器声音报警;2.5.4.7运行提示报警:各项功能设定完成后,3分钟未运行工作,提示灯报警,机内蜂鸣器声音报警。
医用注射泵适用范围:与配套使用注射器配合使用,用于控制注入患者体内液体流量。
1.1 型号命名1.2 组成泵外壳、电机驱动系统、输入系统、存储系统、控制系统、显示系统、传感监测系统和报警系统组成。
2.1 正常工作条件1)环境温度范围: +5℃~+40℃;2)相对湿度范围:20%~90%;3)大气压力范围:860hPa~1060hPa;4) 电源条件:a.c.220V ,50Hz;d.c.6V2.2 注射速率范围及精度:2.2.1速率设定范围(调整步距最小均为0.1 ml/h):a) 20ml注射器:0.1 ml/h~800ml/h;c) 50ml注射器:0.1 ml/h~1200ml/h。
2.2.2速率精度均为:±3%。
2.3 bolus注射速率范围及精度:2.3.1速率设定范围(调整步距最小均为50 ml/h):a) 20ml注射器:50 ml/h~800ml/h;b) 50ml注射器:50 ml/h~1200ml/h。
2.3.2速率精度:±3%。
2.3.3 单个bolus量:1~5ml,步距1ml。
2.3.4 bolus量精度:±3%。
2.4预充速率及精度:2.4.1 速率(调整步距最小为50ml/h):a) 20ml注射器:200ml/h~800ml/h;b) 50ml注射器:200ml/h~1200ml/h。
2.4.2 速率精度:±3%。
2.5 KVO速率范围及精度:2.5.1 速率范围:1ml/h、2ml/h。
2.5.2速率精度:±3%;2.6 注射药量设定范围及精度:2.6.1 注射量设定范围:0.1ml~999.9 ml,调整步距:0.1ml;2.6.2 精度:±3%。
(以上测试均应在“注射量>2ml,流速>1.0ml/h,管道预充后”条件下进行。
)2.7 DPS(动态压力系统)感知范围及精度:2.7.1 范围:40kPa~107kPa。
注射泵适用范围:与配套的注射器配合使用,用于控制注入患者体内液体流量。
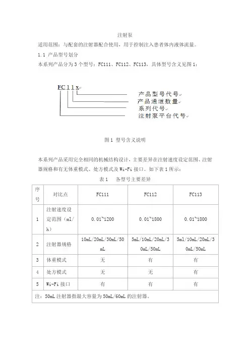
1.1 产品型号划分本系列产品分为3个型号:FC111、FC112、FC113,具体型号含义见图1:图1 型号含义说明本系列产品采用完全相同的机械结构设计,主要差异在注射速度设定范围、注射器规格和有无体重模式、处方模式及Wi-Fi接口。
如下表1所示:表1 各型号主要差异1.2 产品结构组成本系列设备由泵外壳、电机驱动系统、输入系统、存储系统、控制系统、显示系统、传感监测系统、报警系统、可充电电池和软件组件(主控固件:2.0.4,监控固件:1.2.1)组成。
1.3环境条件1.3.1使用条件环境温度:+5℃~+40℃相对湿度:20%~90%大气压力:700hPa~1060hPa应在无冲击振动,无强磁场,周围无腐蚀性气体或易燃气体的环境中工作1.3.2 电源条件交流电:~100-240V 50/60Hz 30VA内部可充电锂电池10.8V1.4软件版本号软件版本号的数字号码由小数点间隔的3位数字组成:X.Y.Z,软件版本号分为主控版本号和监控版本号。
其中X表示重大增强类软件更新,Y表示轻微增强类软件更新,Z表示纠正类软件更新,从0~9顺序依次升版。
主控固件:2.0.4监控固件:1.2.11.5设备地址采用4byte记录的唯一设备地址,该设备地址为生产过程一次写入,且在产品生命周期内不再变化,编码规则如下:产品生产年份——用A、B、C、D……X、Y、Z表示,A表示生产年份为2001年生产,以此类推;Z结束后重新以A、B……Z开始。
2.1 性能指标2.1.1注射速度设定范围:配合5mL注射器,设定范围0.01mL/h~150mL/h,以0.01mL/h步进(FC112/FC113适用);配合10mL注射器,设定范围0.01mL/h ~400mL/h,以0.01mL/h步进;配合20mL注射器,设定范围0.01mL/h ~600mL/h,以0.01mL/h步进;配合30mL注射器,设定范围0.01mL/h ~900mL/h,以0.01mL/h步进;配合50mL注射器,设定范围0.01mL/h ~1200mL/h (FC111适用), 设定范围0.01mL/h ~1800mL/h(FC112/FC113适用),以0.01mL/h步进;2.1.2注射速度精度:0.01mL/h≤注射速度<1mL/h时,精度不做要求;注射速度≥1mL/h时,精度为±2%或者±0.2mL/h(二者取其大)2.1.3注射量预置范围:0~9999.99mL,以0.01mL步进2.1.4注射量精度:±2%或±0.2mL(二者取其大)2.1.5快速推注速度及精度:配合5mL注射器,速度为150mL/h(FC112/FC113适用);配合10mL注射器,速度为400mL/h;配合20mL注射器,速度为600mL/h;配合30mL注射器,速度为900mL/h;配合50mL注射器,速度为1200mL/h(FC111适用);速度为1800mL/h(FC112/FC113适用);快速推注精度:±5%。
注射泵监控系统适用范围:与配套的注射泵配合使用,用于控制注入患者体内的液体流量。
1.1 型号规格:SGS-3000TCI1.2型号的划分说明:1.3结构组成:该产品由控制系统和触摸屏显示系统组成。
2.1工作条件:a)环境温度:+5℃~+40℃;b)相对湿度:20%~90%;c)大气压力范围: 86kPa~106kPa ;d)电源条件:DC5V。
e)输入功率:25VA。
2.2输注管理范围:SGS-3000TCI注射泵监控系统可监控1台CP-800TCI型或CP-3100型三通道注射泵。
2.3功能2.3.1显示功能SGS-3000TCI注射泵监控系统显示功能:a)可以全屏显示三个通道的信息,包括药物名称、输注模式、药物浓度、设定靶浓度、血浆/效应室现浓度、输注速度、注射泵报警信息等。
其中第一、二通道图形显示设定靶浓度、血浆/效应室现浓度、输注速度,第三通道文字显示输注速度、总量。
b)单通道管理界面可显示药物名称、药物模型、输注模式、设定靶浓度、血浆/效应室现浓度、速度、总量、衰减浓度、衰减时间、丸剂量、OTCI、注射泵报警信息;c)可图形显示血浆浓度和效应部位浓度趋势、浓度数值和浓度曲线;d)可图形显示血浆靶控和效应室靶控输注速度曲线;e)可图形显示EC50、EC95区域图形f)可图形预测未来15分钟要输注的剂量;2.3.2 报警功能SGS-3000TCI注射泵监控系统报警类型有:注射器脱落、药物将尽、推空阻塞、输注阻塞、通讯故障、交流掉电、电量不足、注射器不符、等待操作;以图形文字语音方式报警。
2.3.3 SGS-3000TCI注射泵监控系统的设置、查询及扩展功能a)可设置注射泵每个通道的预设量:1ml~60ml,b)可设置注射泵每个通道的输注速度,20ml注射器:0.1-600ml/h;50ml注射器:0.1-1200ml/h。
c)可设置注射泵每个通道的输注模式:血浆靶控、效应室靶控、TCI观察、OTCI 模式、恒速模式,恒速模式下可选择七种注射模式,分别为ml/h、mg/h、ug/h、mg/kg/h、ug/kg/h、mg/kg/min、ug/kg/min。
医用注射泵适用范围:与配套使用注射器配合使用,用于控制注入患者体内液体流量。
1.3 结构组成:该产品由泵外壳、电机驱动系统、输入系统、存储系统、控制系统、显示系统、传感监测系统和报警系统组成。
2.1输注速度范围:输注速度在0.1ml/h至10ml/h之间时,最小步进为0.1ml /h;输注速度在10 ml/h至100ml/h之间时,最小步进为1ml/h;输注速度在100 ml/h 至1200ml/h之间时,最小步进为10ml/h20ml注射器0.1- 600ml/h50ml注射器0.1- 1200ml/h2.2预设输注总量范围:最小步进:1ml1ml-20ml(20ml注射器);1ml-60ml(50ml注射器);2.3快速输注范围: 步进:100ml/h20ml注射器100-400ml/h50ml注射器100-600ml/h2.4输注速度的最大误差:不大于±3%;2.5功能2.5.1 恒速输注功能2.5.1.1可选择速度单位: ml/h;ug/kg/min;ug/kg/h; mg/kg/min;mg/kg/h;mg/h; ug/h2.5.1.2 可设定速度范围:20ml注射器0.1- 600ml/h50ml注射器0.1- 1200ml/h输注过程中可显示输注累积量和输注速度;2.5.1.3可预设输注总量:当输注完成预设输注总量后,注射泵以KVO功能运行;2.5.1.4 丸剂量输注功能体积:1ml、2ml、3ml、4ml、5ml可选;速度:为所使用注射器在快速输注的最大速度(20ml注射器:400ml/h;50ml注射器:600ml/h)2.5.1.5可快速输注功能在低速输注时可用此功能快速输注,可做预充排气泡,预排速度为:20ml注射器100ml/h-400ml/h,50ml注射器100ml/h-600ml/h;2.5.2可自动识别注射器功能:可自动识别20ml、50ml规格注射器;2.5.3药库功能:可以显示已存药物名称,所支持的药物有多巴胺、氨甲环酸、鱼精蛋白、爱司洛尔、去甲肾上腺素、甲氧胺、重酒石酸间羟氨、异丙肾上腺素、肾上腺素、尼卡地平、硝酸甘油。
注射泵适用范围:与配套使用注射器配合使用,用于控制注入患者体内液体流量。
1. 产品型号/规格及其划分说明1.1 产品型号划分本系列产品分为2个型号:FA521、FA523。
具体型号含义见下图:本系列产品共有两个型号,分别为FA521和FA523。
二者采用完全相同的硬件电路原理和机械结构设计,差异仅在流速与注射器规格。
见下表1所示。
表1 型号差异1.2 产品结构组成本系列设备由泵外壳、电机驱动系统、输入系统、存储系统、控制系统、显示系统、传感监测系统和报警系统组成。
2. 性能指标2.1 各型号性能指标FA5系列注射泵各型号性能参数见表2。
表2主要性能主要性能系列型号FA521 FA523a) 注射速度设定范围(ml/h)0.1-100,以0.1步进;使用50ml注射器0.1-400,以0.1步进;使用50ml注射器- 0.1-200;以0.1步进;使用30ml注射器0.1-100,以0.1步进;使用20ml注射器0.1-200;以0.1步进;使用20ml注射器0.1-100,以0.1步进;使用10ml注射器b) 注射速度精度±2%;或±0.02mL/h(取较大值)要求进行消除机械间隙,标定精度且稳定运行后c) 注射量预置范围(ml)0-9999.9,以0.1步进d) 注射量误差±2%或±0.05mL(取较大值);要求进行消除机械间隙,标定精度且稳定运行后e) 快速推注速度(ml/h)及误差200;使用50ml注射器,误差±10%400;使用50ml注射器,误差±10% - 200;使用30ml注射器,误差±10% 200;使用20ml注射器,误差±10%200;使用20ml注射器,误差±10% 100;使用10ml注射器,误差±10%f) 阻高(H):20ml、30ml、50ml规格时:90Kpa±30Kpa;10ml规格时:100Kpa塞报警±30Kpa值20ml、30ml、50ml规格时:50Kpa±30Kpa;10ml规格时:70Kpa±低(L):30Kpag) KVO流速0.1ml/h ±0.02 ml/hh) 可恢复的1min50s—2min报警音消除后自动恢复时间i) 暂停超时1min50s—2min报警时间j)中间流速下5.5电池工作时间(h)2.2噪声水平在木质桌面上以最大流速运行,在前后左右及上方距离1米处其噪声水平低于50dB(A)。
医用注射泵适用范围:与配套使用注射器配合使用,用于控制注入患者体内液体流量。
2.1输注速度范围:输注速度在0.1 ml/h至10ml/h之间时,最小步进为0.1ml /h;输注速度在10 ml/h以上时,步进间距为1ml/h。
10ml注射器0.1- 200ml/h20ml注射器0.1- 400ml/h30ml注射器0.1- 600ml/h50ml注射器0.1- 1200ml/h2.2预设输注总量范围:步进范围:1ml1ml-60ml2.3容量时间设定范围:容量1ml-60ml,时间1-999分钟;容量步进范围:1ml;时间步进范围:1分钟。
2.4快速输注范围:步进范围:100ml/h10ml注射器100-200ml/h20ml注射器100-400ml/h30ml注射器100-400ml/h50ml注射器100-600ml/h2.5医用注射泵的速度误差:输注速度的误差在±2%之间。
2.6功能2.6.1 恒速输注功能2.6.1.1可选择速度单位: ml/h;ug/kg/min;ug/kg/h; mg/kg/min; mg/kg/h;mg/h; ug/h。
2.6.1.2 可设定速度范围:10ml注射器0.1- 200ml/h20ml注射器0.1- 400ml/h30ml注射器0.1- 600ml/h50ml注射器0.1- 1200ml/h输注过程中可显示输注累积量和输注速度。
2.6.1.3可预设输注总量:当输注完成预设输注总量后,医用注射泵以KVO功能运行;2.6.1.4 可容量时间设定:当剂量、时间设定后,输注速度可自动生成。
2.6.1.5丸剂量输注功能体积:1ml、2ml、3ml、4ml、5ml可选; 速度:为所使用注射器在快速输注的设定速度。
2.6.1.6可快速输注功能:在低速输注时可用此功能快速输注,可做预充排气泡。
预排速度:10ml注射器100-200ml/h20ml注射器100-400ml/h30ml注射器100-400ml/h50ml注射器100-600ml/h2.6.2可自动识别注射器功能:可自动识别10ml、20ml、30ml、50ml规格注射器。
(一)注射泵技术参数1、★水平卧式结构,可根据科室需求任意组合成双泵2、电源:交流电源:交流100-240V 50/60Hz功率消耗小于20VA3、外部直流电源:直流12V4、内置电池:锂电池11.1V 1500mAh,可供注射泵运行工作不小于8小时(全新电池完全充电情况下以5mL/h速度注射时)(承诺装机后验机合格)5、适用的注射器:规格为10mL、20mL、30mL和50(60)mL的所有符合标准的注射器6、★注射速度设定范围:0.2-300.0mL/h(10mL注射器)0.2-600.0mL/h(20mL注射器)0.2-900.0mL/h(30mL注射器)0.2-2000.0mL/h(50(60)mL注射器)最小增量为0.1mL/h8、★注射总量显示范围:0.1-99999.9mL注射精度:机械精度:±1%包括注射器的精度:±2%快进操作:300.0mL/h(10mL注射器)600.0mL/h(20mL注射器)900.0mL/h(30mL注射器)1500.0mL/h(50(60)mL注射器)9、KVO速度:0.1mL/h10、阻塞级别:可以进行3级选择I: 300±100mmHg(40.0±13.3kPa)II: 500±100mmHg(66.7±13.3kPa)III: 800±200mmHg(106.7±26.7kPa)11、报警:注射将完成、注射器推空、注射完成、注射阻塞、无电池、电池电量低、电池电量严重短缺、无交流电源、无外部直流电源、注射器松脱、遗忘操作、注射泵自检和运行过程故障自动诊断报警、速度无效、限制量小于等于总量。
12、特殊功能:再报警功能:静音报警声音后,若仍然存在报警,约2分钟后,将继续报警。
事件记录功能:能够存储、回放大于300个事件。
声音音量等级:可调3级报警音量。
电源切换功能:当交流/直流电源停止供电时,注射泵自动切换为内置电池供电。
医用灌注吸引泵技术要求嘿,咱今儿就来唠唠医用灌注吸引泵技术要求这档子事儿。
你想啊,这医用灌注吸引泵就好比是医生的得力小助手。
它得劲儿的时候,那手术能顺顺利利的;可要是它不给力,那麻烦可就大了去啦!先说说这灌注功能吧。
它得能精准地控制灌注的速度和流量呀,不能一会儿快得像火箭,一会儿慢得像蜗牛,那可不行!就好比咱开车,速度得稳,不然一会儿急刹一会儿猛踩油门,车还不得散架呀!这灌注的量也得恰到好处,多了少了都不行,得像老裁缝做衣服一样,尺寸拿捏得死死的。
吸引功能也同样重要哇!得像个大力士一样,能迅速又干净地把那些不要的东西都给吸走。
它得劲儿大,不能碰到点难吸的就“拉胯”了。
而且呀,还得吸得稳,不能东一下西一下的,那不是瞎捣乱嘛!再一个,这医用灌注吸引泵得好操作呀!不能搞得像个高科技密码锁似的,让医生护士们都摸不着头脑。
按钮得清晰明了,界面得简洁易懂,不然在那关键时刻,谁还有心思去研究那些复杂的玩意儿呀!就好像咱平时用个手机,要是操作太复杂,咱不也得吐槽嘛!还有啊,它得可靠!不能关键时刻掉链子呀!手术台上那可是争分夺秒的,它要是突然“撂挑子”,那后果简直不堪设想。
这就好比是上战场,你手里的枪可不能关键时刻卡壳呀!稳定性也不能忽视。
总不能今天好用,明天就抽风了吧!得像咱家里的老电扇,虽然用了好些年,但就是稳稳当当不出毛病。
噪音也得小点呀!要是在手术的时候嗡嗡响个不停,那多烦人呐!医生护士还怎么集中精力做手术呀!总之,这医用灌注吸引泵技术要求可多了去了。
它得像个全能战士一样,各个方面都得过硬。
咱可不能小瞧了它,它可是在拯救生命的战场上发挥着重要作用呢!咱得要求它高一点,再高一点,这样才能让患者们更安全,手术更顺利呀!你们说是不是这个理儿?。
医疗器械产品技术要求编号:输液泵1. 产品型号/规格及其划分说明1.1 型号规格Wc-100 。
1.2 组成成分主要由微机系统、泵体装置、检测装置、报警系统、人机接口组成1.3 适用范围供医院内对患者进行恒速静脉输注药液时使用。
2.性能指标2.1外观与结构2.1.1输液泵面板上所有控制器件均应安装正确、牢固,其作用应符合面板上标示的功能。
控制装置操作应灵活可靠。
2.1.2输液泵的外表面涂覆层、电镀层和注塑件应无划痕、裂纹,显示屏幕应无亮度不匀缺陷。
2.1.3输液泵上的文字和标记应清晰、准确、牢固,紧固件应无松动现象。
2.2输液泵使用功能与性能2.2.1输液速度单位输液泵速度应具有 ml/h 和d/min 两种单位可调。
流速模式用 ml/h,滴速模式使用 d/min。
2.2.2输液速度调节范围a)输液流速范围应在(0.10~2001)ml/h 内调节,步长为 0.01ml/h。
b)输液滴速应在(1-100)d/min 内调节,步长为 1d/min。
2.2.3输液速度精度a)输液流速精度应为±5%。
b)输液滴速精度应为±5%。
2.2.4预置输液量范围输液量应可在(0.01~9999.99)ml 范围内预置设定,步长应为 0.01ml;“0”表示设定为无输液限制量。
2.2.5输液状态显示输液泵在输液过程中应显示累计总注入量、预置量和输液速度。
2.3报警2.3.1报警音量输液泵报警声音应不小于 65dB(A)。
2.3.2阻塞报警a)当输液管路内部压力达到设定的阻塞档位对应的报警阈值时,输液泵应能发出报警声音,并在屏幕上显示阻塞报警信息,同时应停止输液。
b)阻塞档位分 13 档可调。
压力范围为 10Kpa~130Kpa。
阻塞档位与压力的关系如表 1 所示:表 1 阻塞档位与压力的关系2.3.3开门报警输液过程中,当打开输液泵的门时,输液泵应能发出报警声并在屏幕上显示相关报警信息,同时应停止输液。
注射泵技术考核标准注射泵技术考核标准注射泵是医疗设备中的重要器械,用于精确控制和输送液体药物给患者。
为了保证患者的安全和准确性,对注射泵的技术要求较高。
以下是注射泵技术考核标准的要点。
1. 准确性:注射泵应具有高度的输液准确性,误差要控制在允许范围内。
在不同速度和容量下的输液误差应符合相关标准。
2. 控制性能:注射泵应能够根据预设参数精确控制输液速度和容量,并根据实际情况做出自动调整。
控制精度应高,能够实时监测输液状态并及时报警。
3. 安全性:注射泵应具备多种安全功能,例如防误操作、输液速度限制、输液容量限制、堵塞检测等。
同时,注射泵应具备低噪音、低磁场和低辐射等安全特性。
4. 显示界面:注射泵应具有直观清晰的显示界面,显示当前输液参数和实时监测数据,方便医护人员实时掌握治疗情况。
5. 电池续航:注射泵应具备长时间的电池续航能力,能够满足长时间使用的需求。
同时,注射泵也应具备低电量报警功能,提醒医护人员及时更换电池。
6. 耐用性:注射泵应具有良好的耐用性和稳定性,能够在恶劣环境下长时间工作,并经受多次使用和清洁的考验。
7. 维护性:注射泵应易于维护和保养,且易于清洁和消毒。
同时,注射泵的零配件易于更换和维修,能够保障设备的长期稳定运行。
8. 用户界面友好性:注射泵的操作界面应简洁明了,按钮和功能设置应符合人体工程学原理,方便医护人员的操作和调节。
9. 兼容性:注射泵应具备与其他医疗设备的兼容性,能够与其他设备无缝连接和协同工作,以提高整体治疗效果。
以上是注射泵技术考核标准的一些要点,注射泵作为医疗器械的一种,对其准确性、控制性能、安全性等方面的要求较高,应严格按照相关标准进行检测和考核,以保障患者的安全和治疗效果。
同时,在注射泵的设计和制造过程中,还应兼顾用户界面友好性和维护性等方面的考量,提高注射泵的易用性和可持续性。
注射泵使用管理规范一、引言注射泵是医疗机构常用的一种医疗设备,用于精确输送药物或液体给药。
为了确保注射泵的安全和有效使用,制定本管理规范,以指导医疗机构的医护人员正确操作和管理注射泵。
二、适用范围本管理规范适用于医疗机构内所有使用注射泵的科室和医护人员。
三、设备要求1. 注射泵应具备合法注册证和产品合格证明,确保设备质量可靠。
2. 注射泵应定期进行校准和维修,确保其准确性和稳定性。
3. 注射泵应配备完善的报警系统,能够及时发出声音和显示报警信息,以便及时处理异常情况。
4. 注射泵应配备备用电源,以防停电时影响药物输送。
四、人员要求1. 所有使用注射泵的医护人员应接受专业培训,了解注射泵的操作原理和使用方法,并能熟练操作。
2. 医护人员应定期参加相关培训和考核,以提高注射泵的使用技能和安全意识。
3. 医护人员应具备良好的沟通能力和团队合作精神,以确保药物输送的安全和顺利进行。
五、操作流程1. 准备工作a. 检查注射泵的外观是否完好,有无损坏或松动的部件。
b. 检查注射泵的电源是否正常,是否连接到稳定的电源插座。
c. 检查注射泵的输液管路是否完整,无堵塞和漏液情况。
d. 检查注射泵的药物输送参数是否正确设置,包括输液速度、输液量等。
2. 操作步骤a. 将药物连接到输液管路,并确保药物输送的安全性和正确性。
b. 将输液管路连接到注射泵,并确保连接牢固,无松动和漏液。
c. 打开注射泵的电源,按照设备说明书设置输液参数。
d. 启动注射泵,观察药物输送情况和注射泵的工作状态。
e. 定期检查注射泵的工作情况,包括输液速度、输液量、报警信息等。
3. 结束工作a. 输液结束后,关闭注射泵的电源,并断开输液管路。
b. 清洁注射泵的外观和输液管路,保持设备的清洁和卫生。
c. 将注射泵归还到指定的存放位置,确保设备的安全和完好。
六、安全措施1. 注射泵使用过程中,医护人员应密切观察患者的输液反应,及时处理异常情况。
2. 注射泵使用过程中,医护人员应遵守消毒规范,保持操作环境的清洁和卫生。
医用注射泵适用范围:与配套使用注射器配合使用,用于控制注入患者体内液体流量1.1型号规格:CP-1100型1.2型号划分说明:1.3结构组成:该产品由泵外壳、电机驱动系统、输入系统、存储系统、控制系统、显示系统、传感监测系统和报警系统组成。
2.1输注速度范围:最小步进:0.1ml/h20ml注射器0.1-400ml/h50ml注射器0.1-600ml/h2.2预设输注总量范围:最小步进:1ml20ml注射器1ml-20ml50ml注射器1ml-60ml2.3快速输注范围:20ml注射器400ml/h50ml注射器600ml/h2.4输注速度的最大误差:不大于±3%2.5功能2.5.1恒速输注功能2.5.1.1可选择速度单位:ml/h2.5.1.2可设定速度范围:20ml注射器0.1-400ml/h50ml注射器0.1-600ml/h输注过程中可显示输注累积量和输注速度;2.5.1.3可预设输注总量:当输注完成预设输注总量后,注射泵以KVO功能运行;2.5.1.4可快速输注功能在低速输注时可用此功能快速输注,可做预充排气泡,预排速度为:20ml注射器:400ml/h,50ml注射器:600ml/h;2.5.2可自动识别注射器功能:可自动识别20ml、50ml规格注射器2.5.3报警功能注射泵每个通道的报警功能独立显示,声音报警可关断,灯光、字幕报警状态明确。
2.5.3.1外接电源掉电报警:外接电源掉电后,提示灯或文字报警,同时机内蜂鸣器报警;2.5.3.2备用电池欠压报警:电池电压欠压时,提示灯或文字报警,同时机内蜂鸣器报警;2.5.3.3注射器推空/管道阻塞报警:当出现阻塞或推空后,提示灯或文字报警,同时机内蜂鸣器声音报警,报警后注射泵停止工作;2.5.3.4注射器脱落报警:注射器没安装好或者脱落时,提示灯或文字报警,同时机内蜂鸣器声音报警;2.5.3.5注射预设量完毕报警:注射预设量完毕后,提示灯或文字报警,同时机内蜂鸣器声音报警;2.5.3.6药物将尽报警:注射过程中剩余药量少于等于6ml时,提示灯或文字报警,同时机内蜂鸣器声音报警;2.5.3.7运行提示报警:各项功能设定完成后,3分钟未运行工作,提示灯或文字报警,机内蜂鸣器声音报警。
附件2:微量注射泵技术参数要求
电源:交流电源
内置电池:使用交流电源操作中,自动充电,安全充电(24小时)后可连续使用两小时。
规格:内部电源Ⅰ类CF型
流量选择:0.1-199.9ml/小时,最小增减量为0.1 ml /小时
流速精确度:泵内机械精确度:1%以内。
输液总量设置:0.1-999.9ml/小时,以0.1 ml为增加单位。
阻塞压力:大于60KPa(0.6kg/cm2)
最大流速:200ml/小时(10ml注射器)
300ml/小时(20、30、或50ml注射器)
可使用的注射器型号:一次性10、20、2、30、50毫升注射器。
警报:自检、阻塞、注射器脱落、快速注射完毕、注射
完毕、低电压、无操作时,接近完毕。
功能:自动检测注射器型号,最佳输液控制,快速输液
控制,总输液指示,无声报警,电源指示,流量
选择记忆,防止流量的意外选择,在报警静寂时
自动报警。
中山市东凤医院
2010-5-12。
附件2:微量注射泵技术参数要求
电源:交流电源
内置电池:使用交流电源操作中,自动充电,安全充电(24小时)后可连续使用两小时。
规格:内部电源Ⅰ类CF型
流量选择:0.1-199.9ml/小时,最小增减量为0.1 ml /小时
流速精确度:泵内机械精确度:1%以内。
输液总量设置:0.1-999.9ml/小时,以0.1 ml为增加单位。
阻塞压力:大于60KPa(0.6kg/cm2)
最大流速:200ml/小时(10ml注射器)
300ml/小时(20、30、或50ml注射器)
可使用的注射器型号:一次性10、20、2、30、50毫升注射器。
警报:自检、阻塞、注射器脱落、快速注射完毕、注射
完毕、低电压、无操作时,接近完毕。
功能:自动检测注射器型号,最佳输液控制,快速输液
控制,总输液指示,无声报警,电源指示,流量
选择记忆,防止流量的意外选择,在报警静寂时
自动报警。
中山市东凤医院
2010-5-12。
注射泵适用范围:与配套使用注射器配合使用,用于控制注入患者体内液体流量。
1.1 产品型号SP300,SP4001.2 产品型号差异表一产品型号差异2.1 产品正常工作条件a) 环境温度:5℃~40℃;b) 相对湿度:20%~90%;c) 大气压力:86.0 kPa~106.0kPa;d) 使用电源:交流220V,50Hz。
2.2 外观质量要求a) 显示及键盘界面的文字和标志应显示清晰,准确无误;b) 外表面应平整光洁、色泽均匀,不得有明显的锋棱、伤斑、划痕、裂纹、流痕等;c) 紧固件应牢固可靠,金属件不得有锈蚀和其它机械损伤。
2.3 注射速率设定范围及误差a) SP300(单通道注射泵):10ml注射器:0ml/h~300ml/h; 20ml注射器:0ml/h~400ml/h;30ml注射器:0ml/h~600ml/h; 50ml注射器:0ml/h~1200ml/h。
最小设置量步进为0.1ml/h。
注射速率误差:±2%。
b) SP400(双通道注射泵):10ml注射器:0ml/h~300ml/h; 20ml注射器:0ml/h~400ml/h;30ml注射器:0ml/h~600ml/h; 50ml注射器:0ml/h~1200ml/h。
最小设置量步进为0.1ml/h。
注射速率误差:±2%。
2.4 注射预置量设定范围及误差0ml~999.0mL。
最小设置量步进为0.1ml/h。
注射量预置量误差:±2%。
2.5 快速推注速率10ml注射器:300ml/h; 20ml注射器:400ml/h;30ml注射器:600ml/h; 50ml注射器:1200ml/h。
快速推注速率误差:±5%。
2.6 KVO速率当注射完成后,注射泵将进入KVO状态。
设定速率≥ 100 ml/h,KVO速率为5 ml/h。
设定速率> 1 ml/h且<100ml/h,KVO速率为1 ml/h。
设定速率≤1 ml/h,KVO速率设置为off(关闭状态)。
医用注射泵
适用范围:与配套注射器配合使用,用于控制注入患者体内液体流量。
1.1 型号规格:CP-800TCI型
1.2型号划分说明:
1.3 结构组成:该产品由泵外壳、电机驱动系统、输入系统、存储系统、控制系统、显示系统、传感监测系统和报警系统组成。
2.1输注速度范围:输注速度在0.1 ml/h至10ml/h之间时,最小步进为0.1ml /h;输注速度在10 ml/h至100ml/h之间时,最小步进为1ml/h;输注速度在100 ml/h 至1200ml/h之间时,最小步进为10ml/h
20ml注射器 0.1- 600ml/h
50ml注射器 0.1- 1200ml/h
2.2预设输注总量范围:最小步进:1ml
20ml注射器 1ml-20ml
50ml注射器 1ml-60ml
2.3快速输注范围: 步进:100ml/h
20ml注射器 100-400ml/h
50ml注射器 100-600ml/h
2.4输注速度的最大误差:不大于±3%
2.5功能
2.5.1 恒速输注功能
2.5.1.1可选择速度单位: ml/h;ug/kg/min;ug/kg/h; mg/kg/min; mg/kg/h;mg/h; ug/h
2.5.1.2可设定速度范围:
20ml注射器 0.1- 600ml/h
50ml注射器 0.1- 1200ml/h
输注过程中可显示输注累积量和输注速度;
2.5.1.3可预设输注总量:当输注完成预设输注总量后,注射泵以KVO功能运行;
2.5.1.4丸剂量输注功能
体积:1ml、2ml、3ml、4ml、5ml可选;速度:为所使用注射器在快速输注的最大速度(20ml注射器:400ml/h;50ml注射器:600ml/h)
2.5.1.5可快速输注功能
在低速输注时可用此功能快速输注,可做预充排气泡,预排速度为:
20ml注射器100ml/h-400ml/h,50ml注射器100ml/h-600ml/h;
2.5.2可自动识别注射器功能:可自动识别20ml、50ml规格注射器
2.5.3药库功能:可以显示已存药物名称,所支持的药物有多巴胺、氨甲环酸、鱼精蛋白、爱司洛尔、去甲肾上腺素、甲氧胺、重酒石酸间羟氨、异丙肾上腺素、肾上腺素、尼卡地平、硝酸甘油。
2.5.4血浆浓度或效应部位浓度靶控输注功能:可以使用的药物为异丙酚、咪唑安定、瑞芬太尼、舒芬太尼、阿芬太尼、芬太尼、罗库溴胺、阿曲库胺、维库溴胺。
输入病人性别、年龄、身高、体重;选择药物、模型;输入配药浓度、血药或效应部位靶浓度、恢复浓度;
显示药物名、输注时间、血药或效应部位靶浓度值、计算出的当前血药浓度值、效应部位浓度值、当前输注速度、累积输注量、恢复浓度、预计恢复时间。
2.5.5报警功能
注射泵每个通道的报警功能独立显示,声音报警可关断,灯光、字幕报警状态明确。
2.5.5.1 外接电源掉电报警:外接电源掉电后,提示灯或文字报警,同时机内蜂鸣器报警;
2.5.5.2 备用电池欠压报警:电池电压欠压时,提示灯或文字报警,同时机内蜂鸣器报警;
2.5.5.3 注射器推空/管道阻塞报警:当出现阻塞或推空后,提示灯或文字报警,同时机内蜂鸣器声音报警,报警后注射泵停止工作;
2.5.5.4 注射器脱落报警:注射器没安装好或者脱落时,提示灯或文字报警,同时机内蜂鸣器声音报警;
2.5.5.5 注射预设量完毕报警:注射预设量完毕后,提示灯或文字报警,同时机内蜂鸣器声音报警;
2.5.5.6药物将尽报警:注射过程中剩余药量少于等于6ml时,提示灯或文字报警,同时机内蜂鸣器声音报警;
2.5.5.7运行提示报警:各项功能设定完成后,3分钟未运行工作,提示灯或文字报警,机内蜂鸣器声音报警。
2.5.6 KVO功能
预设量注射完毕之后,以1ml/h的速度注射,以保持静脉血管的畅通。
2.5.7实时显示功能
注射速度,累积总量及各种报警状态可以实时显示。
2.5.8备用电池:12v锂电池,充电10h后, 中速输注连续工作时间大于2h。
2.5.9产品电气安全要求:医用注射泵产品电气安全应符合标准《GB 9706.1-2007医用电气设备第一部分:安全通用要求》、《GB 9706.27-2005医用电气设备第2-24部分:输液泵和输液控制器安全专用要求》,《YY0709-2009医用电气设备第1-8 部分:安全通用要求并列标准:通用要求,医用电气设备和医用电气系统中报警系统的测试和指南的要求》特征安全附录A。
电磁兼容要求:《YY0505-2012医用电气设备第1-2部分:安全通用要求》和《GB 9706.27-2005医用电气设备第2-24部分:输液泵和输液控制器安全专用要求》中第36章的标准要求。
2.5.10环境试验要求:环境试验应按GB/T14710-2009及附录B的规定进行。
2.5.11 外观
a)涂覆、注塑件应无划痕等缺陷,紧固件应无松动。
b)各操作按钮、机构应灵敏准确,各指示或显示装置应准确清晰。