物质的量浓度溶液的配制误差分析 教案
- 格式:ppt
- 大小:869.50 KB
- 文档页数:18
物质的量的浓度教案物质的量的浓度教案1教学目标知识目标:初步学会配制一定物质的量浓度溶液的方法和技能能力目标:在实验中培养学生的观察能力和动手操作能力德育目标:培养学生实事求是的严谨科学态度教学重点与难点重点:初步学会配制一定物质的量浓度溶液的方法和技能难点:正确配制一定物质的量浓度的溶液及误差分析教学过程一、投影: 溶质的质量分数物质的量浓度异:1. 溶质: 以质量表示以物质的量表示溶液: 以质量表示以体积表示2. 单位: 1 摩/升同: 都表示溶质和溶液的相对比值提问:如何配制一定物质的量浓度的溶液?讲解:以配制0.05mol/L的溶液250mL为例,讲解有关仪器和步骤以及注意事项。
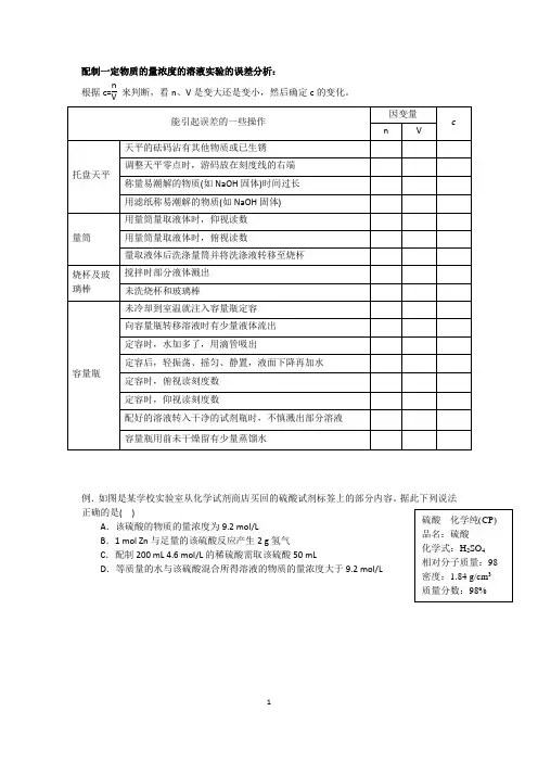
二.配制一定物质的量浓度的溶液1. 仪器:容量瓶、天平、烧杯、玻璃棒、胶头滴管2. 过程:(1) 准备工作:检漏(2)操作步骤: 计算-称量-溶解-转移-洗涤-定容-摇匀(3)结束工作:存放,整理清洗三、误差分析依据公式 C=n/V 造成浓度误差的原因可由n或V引起。
造成n的误差可由⑴称量⑵转移洗涤造成V的误差可由⑴俯视或仰视造成,⑵未冷却等例如:称量时,砝码有油污或生锈称量时,药品与砝码颠倒量取液体时,量筒内壁上有水称 NaOH固体时,把 NaOH放在纸上量取浓盐酸、动作太慢溶解或稀释溶质的小烧杯未用蒸馏水洗涤容量瓶未干燥搅拌或移液时,有溶液飞溅出来定容时,俯视刻度线摇匀后,液面低于刻度线四、讨论国外教材配制一定物质的量浓度溶液的方法,请评价。
例题:1、溶液配制:欲配制 1000 mL 浓度为 0.12 mol·L-1 的 NaOH 溶液,需要的仪器是 ( )请选择配制过程所必须的操作,按操作先后顺序编号,为( )1)用适量蒸馏水洗涤烧杯2~3次,洗涤液也注入容量瓶,使混合均匀。
2)用胶头滴管滴加蒸馏水使溶液凹液面与刻度相切。
3)在托盘天平上先称取洁净干燥烧杯的质量后称取( )g NaOH4)将容量瓶瓶塞盖紧,反复摇匀。
“物质的量浓度溶液配制”实验中的误差分析【学习目标】学会“物质的量浓度溶液配制”实验的误差分析方法。
【复习】1、物质的量浓度的表达式:2、用固体药品配制一定物质的量浓度的溶液的实验步骤:计算→()→()→移液→()→轻摇→()→摇匀→装瓶3、用固体药品配制一定物质的量浓度的溶液的实验仪器:( )、药匙、( ) 、量筒、( )、( )、( ) 【新课】一、溶液配制中的误差分析误差分析的基本方法是什么? c= n / V = m / MV【课堂练习】(相对原子质量:Na-23, O-16, H-1, C-12, Cl-35.5)1、实验室用氢氧化钠固体配制1.0 mol·L-1的NaOH溶液500 mL,回答下列问题:(1)所需固体NaOH的质量为:。
(2)该实验的实验步骤:计算→()→()→移液→()→轻摇→()→摇匀→装瓶(3)所需仪器为:________________________________ 。
(4)下列操作对所配溶液的浓度有何影响?(填写字母)偏大的有:________ ;偏小的有:__________ _;无影响的有:________ _;A.称量时使用了生锈的砝码B.将NaOH放在纸张上称量C.NaOH在烧杯中溶解后,未冷却就立即转移到容量瓶中D.往容量瓶中移液时,有少量液体溅出E.未洗涤溶解NaOH的烧杯F.定容时仰视刻度线G.容量瓶未干燥即用来配制溶液H.定容后盖上瓶塞反复摇匀,静置后,发现液面不到刻度线,再加水至刻度线2、用Na2CO3·10H2O晶体,配制0.2 mol/L的Na2CO3溶液480 mL。
(1)实验中用到的玻璃仪器有量筒、玻璃棒、烧杯,还缺少_____________,____________;(2)应用托盘天平称取Na2CO3·10H2O的晶体的质量为__________g;(3)配制溶液时有以下几个操作:①溶解②摇匀③洗涤④冷却⑤称量⑥转移溶液⑦定容正确的操作顺序是_________________________ (填序号)。
一定物质的量浓度的配置常见的误差分析一、配制的主要步骤计算→称量(或取液)→溶解(或稀释)→转移→定容→摇匀→装入试剂瓶→贴标签等。
二、应注意的问题1.配制一定物质的量浓度的溶液是将一定质量或体积的溶质按所配溶液的体积在选定的容量瓶中定容,因而不需要计算水的用量。
2.不能配制任意体积的一定物质的量浓度的溶液。
这是因为在配制的过程中是用容量瓶来定容的,而容量瓶的规格又是有限的,常用的有50mL、100mL、250mL、500mL和1000mL等。
所以只能配制体积与容量瓶容积相同的一定物质的量浓度的溶液。
3.在配制一定物质的量浓度的溶液时,不能直接将溶质放入容量瓶中进行溶解,而要在烧杯中溶解,待烧杯中溶液的温度恢复到室温时,才能将溶液转移到容量瓶中。
这是因为容量瓶的容积是在20℃时标定的,而绝大多数物质溶解时都会伴随着吸热或放热过程的发生,引起温度的升降,从而影响到溶液的体积,使所配的溶液的物质的量浓度不准确。
4.定容后的容量瓶在反复颠倒、振荡后,会出现容量瓶中的液面低于容量瓶刻度线的情况,这时不能再向容量瓶中加入蒸馏水。
这是因为容量瓶是属于“容纳量”式的玻璃仪器(指注入量器的液体的体积等于容器刻度所示的体积)。
用滴管定容到溶液的凹面与容量瓶的刻度线相切时,液体的体积恰好为容量瓶的标定容积。
将容量瓶反复颠倒、振荡后,出现容量瓶中的液面低于容量瓶刻度线的情况,主要是部分溶液在润湿容量瓶磨口时有所损失。
三、误差分析1.使所配溶液的物质的量浓度偏高的主要原因:⑴天平的砝码沾有其他物质或已锈蚀;⑵试剂砝码的左右位置颠倒;⑶调整天平零点时,游码放在了刻度线的右端;⑷用量筒量取液体时,仰视读数,使所读液体的体积偏大;⑸容量瓶内溶液的温度高于20℃,造成所量取的溶液的体积小于容量瓶上所标注的液体的体积,致使溶液浓度偏高;⑹给容量瓶定容时,俯视标线会使溶液的体积减小,致使溶液浓度偏高。
2.使所配溶液的物质的量浓度偏低的主要原因:⑴直接称热的物质;⑵砝码有残缺;⑶在敞口容器中称量易吸收空气中其他成分或易于挥发的物质时的动作过慢;⑷用量筒量取液体时,俯视读数,使所读液体的体积偏小;⑸用于溶解稀释溶液的烧杯,未用蒸馏水洗涤,使溶质的物质的量减少,致使溶液浓度偏低;⑹转移或搅拌溶液时,有部分液体溅出,致使溶液浓度偏低;⑺给容量瓶定容时,仰视标线,会使溶液的体积增大,致使溶液浓度偏低。
配制一定物质的量浓度的溶液及误差分析教学目标1、掌握配制一定物质的量浓度的溶液的基本方法及操作2、学会分析因实验操作不当而引起的误差分析。
教学过程一、配制100mL,1.00 mol/L NaCl溶液【操作步骤】(预习教材P16的内容并完成以下填空)1.算:需NaCl固体质量为克。
2.称量(用托盘天平称取固体溶质的质量或用量筒量取液体溶质的体积):用托盘天平称取克NaCl固体(应放在滤纸上称量)注意:①托盘天平(量筒)的最小刻度为0.1,读数时必须精确到;② NaOH等具腐蚀性药品应放在中称量。
3.溶解:将称好的NaCl固体放到中,加适量水,用搅拌溶解。
4.移:待烧杯中的溶液后,用玻璃棒引流将溶液注入mL容量瓶中。
强调容量瓶的结构及使用(1)结构:①构造:②容量瓶上标有刻线(无刻度).温度.容积(2)常见规格:、、。
(3)容量瓶的使用方法和注意事项①查漏:容量瓶使用前的第一步操作是查漏。
②洗涤:先用自来水洗涤,再用蒸馏水洗涤。
但不能用待配液洗涤。
③不能将固体或浓溶液直接在容量瓶中溶解或稀释,容量瓶也不能作为反应容器或长期贮存溶液。
④容量瓶的瓶身标有..。
不能将热的溶液转移到容量瓶。
⑤只能配制容量瓶上规定容积的溶液,即不能配制任意体积的一定物质的量浓度的溶液。
5.洗:用少量蒸馏水洗涤洗涤烧杯次,并将洗涤液,轻轻摇动容量瓶,使溶液均匀。
6.定容:将蒸馏水注入容量瓶,当液面距瓶颈刻度线处,改用滴加蒸馏水,至。
7.摇匀:盖好瓶塞,反复上下颠倒,摇匀。
注意:容量瓶不能保存溶液,所以摇匀后,将容量瓶中的溶液转移到试剂瓶中。
【所需仪器】请根据【操作步骤】把所需仪器写在下面【实验过程】学生动手实验,教师巡视指导,强调实验中出现的问题二、溶液配制过程中的误差分析判断依据:c = n/V 用固体配溶液:c=m/MV (M是恒量)用液体配溶液:c=c浓V浓/V (c浓是恒量)思路:进行误差分析时,根据实验操作弄清是引起误差的原因,再具体进行分析。
配制一定物质的量浓度溶液实验的误差分析配制一定物质的量浓度溶液试验是中学化学中的一个重要的定量实验,引起所配制溶液浓度不准确的因素很多,现就实验过程中的不规范操作引起的各种误差进行详细讨论。
配制一定物质的量浓度溶液的实验步骤为:计算、称量(或量取、溶解稀释、冷却、转移、洗涤、定容、摇匀。
物质的量浓度的计算公式为:物质的量浓度(c)=溶质的物质的量(moL/溶液的体积(L,每个操作步骤中存在的误差都由溶质的物质的量n和溶液的体积V 引起。
误差分析时,关键要看不规范的操作引起了n和V 的怎样变化。
具体分析如下:1.配制480mL0.1moL /L的氢氧化钠溶液,经计算需用托盘天平称取氢氧化钠固体19. g。
分析:偏小。
容量瓶的规格是固定的(50mL、100mL、250mL、500mL、1000mL),不能用容量瓶配制任意体积的一定物质的量浓度的溶液。
所以,氢氧化钠固体的质量应以500mL溶液计算,为20.0g。
2.配制500mL 0.1moL /L的硫酸铜溶液,需称取胆矾8.0g。
分析:偏小。
胆矾为CuSO 4·5H 2O ,而硫酸铜溶液的溶质是CuSO 4,把硫酸铜的质量误认为就是硫酸铜晶体的质量(CuSO 4·5H 2O 应为12.5g ),导致计算值偏小,所称量溶质偏小。
3.配制硫酸铜溶液时,所用胆矾部分风化。
分析:偏大。
胆矾中结晶水含量减少,但所称胆矾的质量不变,溶质硫酸铜质量偏大。
4.配制氢氧化钠溶液时,称量时间过长。
分析:偏小。
氢氧化钠等物质具有吸湿性,使所称量的溶质氢氧化钠偏小。
所以称量速度要快或放在称量瓶中称量。
5.配制氢氧化钠溶液时,天平的托盘上放两个大小相等的纸片。
分析:偏小。
氢氧化钠具有吸湿性和腐蚀性,要放在玻璃器皿中称量,如表面皿或小烧杯中称量。
若用纸片,吸湿后的氢氧化钠会粘在纸片上,使溶质损失,浓度偏小。
此外,氢氧化钠易腐蚀天平的托盘,不能直接放在托盘上称量.6.称量溶质时,所用小烧杯不干燥。
第八课时溶液的配制及分析(2)配制操作及误差分析陆越一、学习目标(1)知识与技能通过观摩教师演示实验掌握一定物质的量浓度的配制方法。
通过观看实验仪器认识配制溶液的主要仪器—容量瓶。
通过C B=n B/V溶液公式分析由于不当操作对实验结果的影响。
(2)过程与方法通过分析解决方案的合理性,认识实验步骤在化学以及科学研究中的重要性。
(3)情感态度价值观通过演练严密的实验步骤体会严谨、求实的工作作风。
二、教学重点一定物质的量浓度的溶液的配制容量瓶的使用及整个实验的操作步骤三、教学难点溶液配制中的误差分析四、教学过程【导引】同学们,上节课我们一起学习了物质的量浓度的计算方法,C B=n B/V溶液,将“三岔口”变成了……(学生回答:“十字路口”)。
那么从实际操作上来讲,如何来配制一定物质的量浓度的溶液?又需要哪些实验仪器呢?带着这些问题,我们一起来学习《“溶液的配制及分析”第二课时—配制操作及误差分析》【过渡】那么某个学习小组(东东、土豆、图图和小莫)听了陆老师的课后,也想尝试用固体NaCl去准确配制NaCl溶液。
他们期望如下:体积:100mL ;物质的量浓度:1.0mol/L【总结任务】“达到目标”:配制100mL 、1.0mol/L的NaCl溶液那么到底怎么做呢,或者你的方案思路是什么?给大家30秒时间思考。
“方案思路”:C物质的量浓度V体积n(NaCl) m (NaCl)“核心问题”:(1)如何准确测定测定溶质质量(2)寻找一种能精确测定确定溶液体积的仪器(3)将溶质全部转移到相应的仪器“核心仪器”:容量瓶准确配制一定体积一定浓度的溶液(1)构造:玻璃磨口塞、细颈、梨形平底玻璃瓶(2)特点:温度(20℃)规格:50mL,100mL,250mL,500mL刻度线(3) 读数:溶液的凹液面正好与刻度线相切时即为容量瓶上所标记的体积。
(4) 注意事项:①是否漏水②溶解、稀释、反应、长期存放均不能在容量瓶中进行③选用和所配溶液体积相等或稍大的容量瓶【配制步骤】1、计算n=C*V=0.1L*1mol/L =0.1molm=n*m=0.1mol*58.5g/mol=5.85g【问】计算出结果后,我们的学习小组成员各显神通,想了很多方案,大家来判断下是否合理呢?“参考方案”东东说:托盘天平称取5.85g的NaCl于烧杯中,加入100mL的水溶解。
配制一定物质的量浓度的溶液(1)仪器:容量瓶(应注明体积),烧杯,量筒,天平,玻璃棒,滴管(2)原理:c(浓溶液)V(浓溶液)=c(稀溶液)V(稀溶液)(3)步骤:第一步:计算。
第二步:称量:在天平上称量溶质,并将它倒入小烧杯中。
第三步:溶解:在盛有溶质的小烧杯中加入适量蒸馏水,用玻璃棒搅拌,使其溶解。
第四步:移液:将溶液沿玻璃棒注入容量瓶中。
第五步:洗涤:用蒸馏水洗烧杯2~3次,并倒入容量瓶中。
第六步:定容:倒水至刻度线1~2cm处改用胶头滴管滴到与凹液面平直。
第七步:摇匀:盖好瓶塞,上下颠倒、摇匀。
第八步:装瓶、贴签。
(4)误差分析:①计算是否准确若计算的溶质质量(或体积)偏大,则所配制的溶液浓度也偏大;反之浓度偏小。
如配制一定浓度的CuSO4溶液,把硫酸铜的质量误认为硫酸铜晶体的质量,导致计算值偏小,造成所配溶液浓度偏小。
②称、量是否无误如称量NaOH固体在纸上或称量时间过长,会导致NaOH部分潮解甚至变质,有少量NaOH黏附在纸上,造成所配溶液浓度偏低。
量取液体溶质时,俯视或仰视量筒读数,会导致所取溶质的量偏少或偏多,造成所配溶液浓度偏小或偏大。
使用量筒量取液体溶质后再用蒸馏水冲洗量筒,把洗涤液也转入烧杯稀释,或用移液管将液体溶质移入烧杯中后把尖嘴处的残留液也吹入烧杯中。
在制造量筒、移液管及滴定管时,已经把仪器内壁或尖嘴处的残留量扣除,所以上述操作均使溶质偏多,造成所配溶液浓度偏大。
③称量时天平未调零结果不能确定。
若此时天平重心偏左,则出称量值偏小,所配溶液的浓度也偏小;若重心偏小,则结果恰好相反。
④称量时托盘天平的砝码生锈砝码由于生锈而使质量变大,导致称量值偏大,所配溶液的浓度偏高。
⑤操作中溶质有无损失在溶液配制过程中,若溶质有损失,会使所配溶液浓度偏低。
如:⑴溶解(或稀释)溶质,搅拌时有少量液体溅出;⑵未洗涤烧杯或玻璃棒;⑶洗涤液未转入容量瓶;⑷转移洗涤液时有少量液体溅出容量瓶。
影响溶液体积V的操作有:①定容时不慎加水超过容量瓶的刻度线,再用胶头滴管吸出,使液面重新达到刻度线。
配制物质的量浓度溶液的误差分析发表时间:2012-04-20T15:46:45.123Z 来源:《学习方法报·理化教研周刊》2012年第37期供稿作者:王向阳[导读] 定容后,振荡摇匀,发现溶液凹液面低于容量瓶刻度线,再加蒸馏水至凹液面和刻度线相切。
河南省安阳市汤阴县汤阴一中王向阳一定物质的量浓度溶液的配制,是考试的常见题型。
本文是笔者按照实验操作步骤,并对常见误差进行分析。
1. 计算计算配制溶液所需要的溶质的质量或者是液体溶质的体积,可能的误差是计算错误,那么由公式可知:n偏大则c偏大,n偏小则c偏小。
2. 称量(或者量取)(1)物码倒置,且称量时使用游码,根据“左物=砝码+游码”可知:溶质的质量m偏小,导致n偏小,c偏小。
若没有使用游码,则对实验结果没有影响。
(2)用量筒量取浓溶液或者纯液体时,眼睛俯视或者仰视刻度线,可以让学生具体做下图分析,分析体积V 的误差,再分析体积V对浓度c的影响。
3. 溶解(或者稀释)(1)用玻璃棒搅拌时有液体溅出,导致n偏小,c偏小。
(2)浓溶液或者纯液体转移至烧杯后,对量筒进行洗涤,导致n偏大,c偏大。
因为量筒在制作时已经考虑量筒中的液体转移后,其内壁所粘附的物质,量取的液体倾倒出即可,不必洗涤。
4. 转移(1)烧杯和玻璃棒未洗涤,则转移至容量瓶内的溶质的质量变小,导致c偏小。
(2)溶解或者稀释后的溶液未冷却至室温,致使所配溶液为热的溶液,待其冷却到室温时,溶液体积V变小,由可知,c偏大。
5. 定容(1)定容时,眼睛没有和容量瓶刻度线相平,俯视或者仰视刻度线,则分析如上图。
(2)定容时,溶液凹液面高出容量瓶刻度线,或者用胶头滴管将高出部分吸出,由于溶液体积V变大,由可知,c偏小。
(3)定容后,振荡摇匀,发现溶液凹液面低于容量瓶刻度线,再加蒸馏水至凹液面和刻度线相切。
由于振荡摇匀后刻度线以上容量瓶内壁和塞子粘有溶液,液面下降是正常现象,若再加入蒸馏水,相当于将原溶液稀释,c偏小。
高一化学物质的量浓度教学设计优秀教案一、教学目标1.理解物质的量浓度的概念、单位及其含义。
2.掌握物质的量浓度与质量分数、摩尔浓度之间的换算关系。
3.学会配制一定物质的量浓度的溶液,并能进行误差分析。
二、教学重点与难点1.重点:物质的量浓度的概念、单位及其换算;物质的量浓度溶液的配制。
2.难点:物质的量浓度与质量分数、摩尔浓度之间的换算关系;误差分析。
三、教学过程1.导入新课(1)回顾初中学习的溶液浓度知识,提问:溶液的浓度有哪几种表示方法?(2)引导学生思考:物质的量浓度是什么?它与质量分数、摩尔浓度有何关系?2.理解物质的量浓度的概念(1)讲解物质的量浓度的定义:单位体积溶液中溶质的物质的量。
(2)讲解物质的量浓度的单位:mol/L。
(3)举例说明物质的量浓度的应用。
3.物质的量浓度与质量分数、摩尔浓度的换算(1)引导学生回顾质量分数、摩尔浓度的概念及单位。
(2)讲解物质的量浓度与质量分数、摩尔浓度之间的换算关系。
(3)举例说明换算过程。
4.物质的量浓度溶液的配制(1)讲解配制物质的量浓度溶液的原理。
(2)演示配制物质的量浓度溶液的步骤。
(3)学生分组实验,配制一定物质的量浓度的溶液。
5.误差分析(1)讲解误差的概念及分类。
(2)分析配制过程中可能产生的误差。
6.巩固练习(1)课堂练习:计算一定体积、一定质量分数的溶液的物质的量浓度。
(2)课后作业:配制一定物质的量浓度的溶液,并分析误差。
四、教学反思本节课通过讲解物质的量浓度的概念、单位及其换算关系,引导学生理解物质的量浓度在化学实验中的应用。
通过实验操作,让学生掌握配制一定物质的量浓度溶液的方法,并能够进行误差分析。
在教学过程中,注意引导学生主动参与,培养其动手能力、观察能力及分析问题的能力。
1.导入新课(1)回顾初中学习的溶液浓度知识,提问:溶液的浓度有哪几种表示方法?(2)引导学生思考:物质的量浓度是什么?它与质量分数、摩尔浓度有何关系?2.理解物质的量浓度的概念(1)讲解物质的量浓度的定义:单位体积溶液中溶质的物质的量。
一定物质的量浓度溶液的配制及误差分析一、配制100 mL 1.00 mol/L的NaCl溶液1、主要仪器:、、、、、。
2、容量瓶的使用1、容量瓶颈部有,瓶上标有和,只能准确配制一定温度下的一定体积的物质的量浓度的溶液。
2、容量瓶是用来配制准确物质的量浓度溶液的仪器。
3、容量瓶有不同规格,常用的有、、和等几种。
4、容量瓶使用前必须检查是否漏水。
方法是:往瓶内加水,塞好瓶塞,用食指顶住瓶塞,另一只手托住瓶底,把瓶倒立。
观察瓶塞周围是否漏水,若不漏水,把容量瓶正立将瓶塞旋转180°,再次把瓶倒立过来,再检查是否漏水。
3、操作步骤:①计算:所需NaCl固体的质量为;②称量:准确称量NaCl固体;③溶解:将称量好的NaCl固体放入中,然后用适量蒸馏水溶解,用搅拌;④冷却:将烧杯中的溶液冷却至室温;⑤转移:将烧杯中的溶液沿缓缓注入中,并用少量的蒸馏水洗涤烧杯内壁和玻璃棒2~3次,将洗涤液注入容量瓶;⑥振荡:用手轻轻摇动容量瓶,使溶液混合均匀;⑦定容:把蒸馏水沿玻璃棒缓缓注入容量瓶中,当页面距离容量瓶颈刻度线下时,改用胶头滴管加蒸馏水至。
⑧摇匀:盖好瓶塞,反复上下颠倒,摇匀。
课后习题1.实验室需用480 mL0.1 mol/L 的硫酸铜溶液,现选取500 mL容量瓶进行配制,以下操作正确的是()A.称取7.68 g硫酸铜,加入500 mL水B.称取12.0 g胆矾配成500 mL溶液C.称取8.0 g硫酸铜,加入500 mL水D.称取12.5 g胆矾配成500 mL溶液2.在4℃时向100mL水中溶解了22.4 L HCl气体(标准状况下测得)后形成的溶液。
下列说法中正确的是()A.该溶液物质的量浓度为10mol·L-1B.该溶液物质的量浓度因溶液的密度未知而无法求得C.该溶液中溶质的质量分数因溶液的密度未知而无法求得D.所得溶液的体积为22.5L3.某位同学配制一定物质的量浓度的NaOH溶液时,造成所配溶液浓度偏高的原因是()A.所用NaOH已经潮解B.向容量瓶中加水未到刻度线C.有少量NaOH溶液残留在烧杯里D.用带游码的托盘天平称2.4gNaOH时误用了“左码右物”方法3.300mL某浓度的NaOH溶液中含有60 g溶质。
第四课时物质的量浓度配制(实验及误差分析)【实验(阅读教材P16[实验1-5]内容,完成下列填空】一、重要仪器1、容量瓶的使用(1)容量瓶上标注有:。
(2)常见规格有:(3)容量瓶是配制物质的量浓度溶液的专用仪器,选择容量瓶应遵循“大而近”的原则:(4)使用容量瓶注意“五不”:①;②;③;④;⑤。
(5)使用前要检验容量瓶是否漏水。
检验程序:二、配制一定物质的量浓度的溶液的实验步骤:(阅读教材P16[实验1-5]内容,完成下列填空)1、计算:2、称量:若用托盘天平称取NaCl固体_______g3、溶解:将称好的NaCl固体放入_______中,加入适量的蒸馏水溶解,用______搅拌,并冷却至室温。
4、移液:将烧杯中的溶液用_________小心地引流到指定容量瓶中,5、洗涤:用蒸馏水洗涤烧杯内壁________次,并将洗涤液都要注入__________,轻轻摇动,使溶液混合均匀。
6、定容:缓缓地将蒸馏水注入到容量瓶中,直到容量瓶中的液面接近容量瓶颈刻度线下_______处,改用________滴加蒸馏水至__________。
7、摇匀:盖好瓶活塞,反复上下颠倒,摇匀。
三、配制100 mL 1 mol·L-1的氯化钠溶液,下列实验操作对实验结果有无影响?有何影响?请分强化训练:1、用容量瓶配制一定物质的量浓度的溶液,该容量瓶必须是( )A.干燥的 B.瓶塞不漏水C.用与所配溶液同浓度的溶液润洗过的 D.以上三项都符合的2、在0.5L某浓度的NaCl溶液中含有0.5mol NaCl,下列对该溶液的说法中,不正确的是( ) A.该溶液溶质的物质的量浓度为1mol/LB.该溶液中含有58.5g NaClC.配制100mL该溶液需用5.85g NaClD.量取100mL该溶液倒入烧杯中,烧杯中NaCl物质的量为0.1mol3、下列配制的溶液浓度偏高的是( )A.配制盐酸用量筒量取盐酸时俯视刻度线B.配制盐酸定容时,仰视容量瓶刻度线C.称量4.0 g NaOH配制0.1 mol·L-1 NaOH溶液 1 000 mL 时,砝码错放在左盘D.NaOH溶解后未经冷却即注入容量瓶至刻度线4、实验室里需用480mL 0.1mol/L的硫酸铜溶液,现配制该溶液,以下操作正确的是()A.称取7.68g硫酸铜,加入500mL水 B.称取12.0g胆矾配成500mL溶液C.称取8.0g硫酸铜,加入500mL水 D.称取12.5g胆矾,配成500mL溶液5、实验室用氢氧化钠固体配制1.00 mol·L-1的NaOH溶液500 mL,回答下列问题。
溶液的配制及分析的误差分析【教学目的】:1. 使学生学会对配制一定物质的量浓度的溶液的过程进行误差分析。
2.学会物质的量浓度的综合计算,了解生产和研究中经常使用的中和滴定等定量分析方法。
3.掌握物质的量浓度计算的基本思维方式,从物质的量浓度基本定义出发,寻找各物理量之间的联系。
【教学重点、难点】: 配制一定物质的量浓度的溶液的误差分析和物质的量浓度的综合计算。
【教学过程与内容】:【引入】(回忆配制一定物质的量浓度的溶液的基本步骤)在任何一步操作中,若有操作不当,都会引起配制误差。
一、误差分析:分析要点:应从物质的量浓度的定义式出发,分析错误的操作引起的结果会导致式中哪个物理量的变化。
【例1】:(1) 未洗涤烧杯、玻璃棒或洗涤液未转移到容量瓶中造成所配制的溶液浓度__________。
(2) 在烧杯中溶解固体或稀释浓溶液时,未冷却到室温,而转移到容量瓶进行定容,则所得溶液的浓度__________。
(3)定容后倒转摇匀,静置,发现液面低于刻度线,再加水至刻度线,则所配溶液浓度_____。
(4) 定容时加水超出刻度线,又用滴管把多余的溶液吸去,此时所得溶液浓度___________。
(5) 定容时俯视,所配溶液浓度_________;定容时仰视,配制溶液浓度__________。
(6) 在溶解、转移和洗涤过程中,把溶液溅到容器外,则所配制的溶液浓度_________。
(7) 容量瓶用蒸馏水洗涤后,又用含所配溶液中溶质的溶液润洗,则所配溶液浓度________。
(8)配制氢氧化钠溶液时,称量速度过慢,称量结束时,已潮解,则所配溶液浓度_______。
【练习1】:配制1.00L1.00mol/LNaOH 溶液,需进行下列操作:①在干燥洁净的滤纸上准确称量40.0g 固体氢氧化钠,并转入洗净的烧杯中;②往烧杯中加入300mL 蒸馏水,用玻璃棒搅拌使之完全溶解;③立即将烧杯中的溶液沿玻璃棒注入1000mL 容量瓶中;④倒完烧杯中溶液后,接着将容量瓶振荡混匀,小心加蒸馏水至液面接近刻度1cm~2cm 处;⑤用胶头滴管加蒸馏水,使溶液凹液面恰好与刻线相切;⑥塞紧瓶塞,振荡摇匀,静置,此时凹液面低于刻线,再滴加蒸馏水至刻度线。