模具结构设计
- 格式:pptx
- 大小:3.64 MB
- 文档页数:40
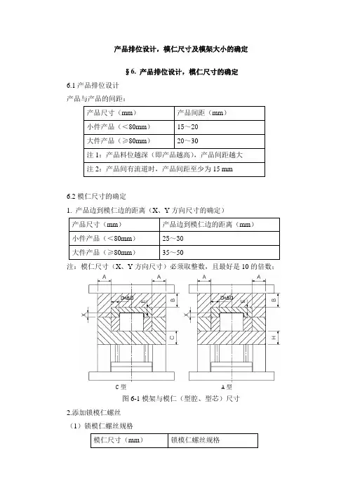
产品排位设计,模仁尺寸及模架大小的确定§6. 产品排位设计,模仁尺寸的确定6.1产品排位设计产品与产品的间距:产品尺寸(mm)产品间距(mm)小件产品(<80mm)15~20大件产品(≥80mm)20~30注1:产品料位越深(即产品越高),产品间距越大注2:产品间有流道时,产品间距至少为15 mm6.2模仁尺寸的确定1. 产品边到模仁边的距离(X、Y方向尺寸的确定)产品尺寸(mm)产品边到模仁边的距离(mm)小件产品(<80mm)25~30大件产品(≥80mm)35~50注:模仁尺寸(X、Y方向尺寸)必须取整数,且最好是10的倍数;C型 A型图6-1模架与模仁(型腔、型芯)尺寸2.添加锁模仁螺丝(1)锁模仁螺丝规格模仁尺寸(mm)锁模仁螺丝规格<120 M6或M8120~200M10≥200 M12注:锁模仁螺丝至少用M6(2)锁模仁螺丝布置锁模仁螺丝规格螺丝中心到模仁边距离(min)M6 8M8 10M10 12注:螺丝中心到模仁边距离取整数,以方便加工。
3.初步绘制冷却水道,以确定模仁尺寸(1)冷却水道的直径一般为Φ6、Φ8、Φ10,优先采用大直径冷却水道,其冷却效果较好;(2)冷却水道边到螺丝孔边、顶针孔边的距离最少为4mm;(3)冷却水道中心到模仁边的距离不少于12mm;(4)冷却水道边到产品边的距离不能太近,一般在15mm左右。
4. 模仁高度(厚度)尺寸的确定(Z方向尺寸的确定)产品尺寸(mm)产品最高位置到前模仁(型腔)顶面的距离h1(mm)产品最低位置到后模仁(型芯)底面的距离h2(mm)小件产品(<80mm)25~30h2= h1+(5~10)且h2≥20大件产品(≥80mm)35~50注:模仁高度(厚度)尺寸(Z方向尺寸),最好取整数+0.5,以保证A板和B板的开框深度为整数。
§7. 产品排位设计,模架大小的确定7.1模架大小的确定(1)模架的宽×长模架的宽与长由模仁的宽与长和模仁边到A板边或B板边的距离确定模仁边到A板边或B板边的距离一般取50~70mm,于是:模架宽=模仁宽+2×(50~70)mm模架长=模仁长+2×(50~70)mm模仁大小与模架的关系见图7-1。
整体结构01.上托板上下模码模槽宽按客户冲床标准取值,常用32mm/38mm/49mm码模范围100*100或以上,边到圆心50或以上所有正锁的氮气,等高,冲头等螺丝头,等高套筒,上托板要有贯通孔。
模具要有吊模块侧面要有起吊牙,模具1米以内用M20,1米~2米用M24,2米以上用M30起吊块托板要锣仿形缺口02.上垫脚垫脚正面要有吊牙,可共用锁模的牙垫脚太高时,需考虑从模座倒锁码模垫垫脚用M20螺丝其他可用M16所有氮气块,导柱让位,冲头螺丝过孔,尽量避开加工垫脚码模垫脚要有销钉固定。
成形和整形位置必需要有垫脚支撑所有垫脚要防呆对于成型处的氮气固定板,必须要与垫脚一样高,要打死03.上模座垫脚的销针,需止付螺丝防掉所有外限位柱,要有上垫脚顶死,直径50~100尽量大安全区域垫脚要顶死用于机台上修模放支撑柱。
上模座锁到垫脚的螺丝不能够有零件挡住侧面要有起吊牙,模具1米以内用M20,1米~2米用M24,2米以上用M30,板厚100以上用M36模具起吊牙位置要尽量分中,并且不干涉到上垫脚大模座所有打死块,限位柱,要铣准深底平04.上垫板/上夹板上夹板的螺丝边钉要用%10或以上,尽可能用M12,螺丝也要防呆。
螺丝深度+3mm放弹簧垫。
每块上夹板边钉错开5MM以上防呆。
边钉要有防掉止付螺丝。
上垫板做到12-15mm左右成型公座子用键定位,所有键开明键无侧向力的座子可以用销钉定位切边冲与圆冲夹板夹持厚度为冲公长度1/3,通常为30MM厚。
对于圆冲头可以考虑夹持超过一半夹板切边的地方不打死,可以磨掉1.0mm,成型处要打死05.切边冲头有侧向力的必须要有靠刀顶针的止付螺丝尽量不要冲头磨减力角斜度,段差1~2倍料厚。
冲头切入下模刀口6~8mm切入太少会造成废料堵在刀口超3片画冲头补强优先考虑方便线割和研磨,没办法才可选用CNC或电火花所有切边冲头要做顶废料针。
切边冲头孔边到外形边8~10mm或以上,如果做不到就要做补强上锁螺丝或冲头上攻牙锁.跟固定螺丝共用。
常见的压铸模具结构及设计压铸模具是利用压力将熔融金属注入模具腔中,通过冷却固化后得到所需形状的金属制品。
它由模具座、模具芯、模具板等组成,其结构设计直接影响到压铸产品的质量和生产效率,因此压铸模具的结构设计是相当关键的。
1.单向模具结构:即模具腔和模具芯的投入方向相同,熔融金属由一边流入模具腔,另一边流出。
这种结构适用于形状简单的压铸产品,生产效率较高。
但由于金属在流动过程中存在进气孔和气泡的产生,容易影响产品质量。
2.双向模具结构:即模具腔和模具芯的投入方向相反,熔融金属同时从两个方向流入模具腔,避免了进气孔和气泡的产生,使产品质量更加稳定。
但此种结构制造难度较大,因此适用于形状复杂的产品。
3.多向模具结构:即模具腔和模具芯的投入方向可以有多个选择,根据具体产品的形状和要求来设计。
这种结构适用于有多个几何孔形和复杂造型的产品。
4.滑动式模具结构:适用于有突出部分或凹陷部分的产品,模具芯和模具腔可以相对滑动,来实现产品形状的复杂性。
滑动式模具结构使得产品成型更加容易,同时也增加了模具制造的难度。
5.注射式模具结构:适用于较大规模的压铸产品生产,通过在模具腔中注入压力来驱动熔融金属充满整个模具腔,从而制造大型、复杂的产品。
在压铸模具的设计中,需要考虑以下几个方面:1.模具材料的选择:通常采用高速钢、合金钢或特殊合金作为模具材料,以保证模具的耐磨性和耐蚀性。
2.模具结构的合理性:要满足产品的形状和要求,保证产品质量和生产效率。
通过模具芯、模具腔和模具座的设计,确定模具的结构。
3.模具冷却系统的设计:合理的冷却系统设计可以缩短模具的冷却时间,提高生产效率。
同时可以有效控制模具温度,避免模具受热膨胀。
4.维修和更换模具的方便性:设计模具时要考虑到日常维修和更换部件的便利性,提高模具的使用寿命。
总结起来,压铸模具的结构设计需要根据产品形状和要求来确定,考虑到产品质量和生产效率。
同时还要合理选择模具材料,设计冷却系统,并考虑维修和更换模具的方便性。
23模具主要零部件的结构设计模具是工业制造中常用的一种工具,在各个行业都有广泛的应用。
它的主要作用是用于批量生产各种产品,如塑料制品、金属制品等。
一个完整的模具通常由多个零部件组成,这些零部件共同协作,实现产品的加工和成型。
模具的主要零部件结构设计主要包括以下几个方面:1.模具基座:模具基座是模具的主体支撑部分。
它通常由铸铁或钢材制成,具有足够的强度和刚度。
模具基座的设计要考虑到模具整体的稳定性和刚性,以确保模具在加工过程中不会发生变形或振动。
2.压紧装置:压紧装置用于固定模具的上下模板,使其在加工过程中保持稳定。
通常采用螺杆、螺母、压板等组件,通过转动螺杆来实现模具的压紧或松开,以适应不同产品的加工需求。
3.模板:模具的上下模板用于实现产品的成型。
模板通常以钢材制成,具有高强度和耐磨性。
上下模板上还需要进行精密的开孔和零件加工,以保证成品的尺寸精度。
4.制品出料系统:制品出料系统用于从模具中取出已成型的产品。
它通常包括导向柱、导向套、顶针等部件,通过与上下模板的配合运动,使产品从模具中顺利脱出。
5.整体定位系统:整体定位系统用于确保模具的定位准确。
它通常由导向柱、导向套、定位销等组件组成,通过固定和相对定位,确保上下模板的位置准确,以保证产品的尺寸和形状的一致性。
6.冷却系统:冷却系统用于控制模具的温度,以提高产品的成型效率和质量。
通常采用冷却水管道和冷却水箱等组件,通过循环流动的冷却水来降低模具的温度。
7.拆装系统:拆装系统用于方便模具的拆卸和安装,以便进行清洁和维护。
通常包括螺丝、螺母、卡夹等组件,通过拧紧或松开这些部件,可以将模具的各个零部件拆卸或安装起来。
以上是模具主要零部件结构设计的一些基本要素,不同类型的模具在具体设计时还会有一些特殊的要求和结构。
通过科学合理的结构设计,可以提高模具的使用寿命和加工效率,降低产品的成本和加工损失。
塑胶模具结构设计要点1.极坐标原则:塑胶模具结构设计先确定要制作的塑件形状和尺寸,根据塑件的形状和尺寸确定模具的轮廓线形。
轮廓线形可用赫曼H曲线进行设计。
模具的开模方向应尽量与塑件的最大轮廓线形相垂直,以便于塑料注入时的填充和排气。
2.模具的完整性:塑胶模具设计要保证模具结构的完整性,所有零部件安装框架结构要紧凑,布局合理,尽量减少模具的整体尺寸。
模具的底板和基础要够厚实,以便于承受注塑过程中的压力和热应力。
3.模腔的设计:塑胶模具的模腔设计要满足塑件的形状和尺寸要求,注意避免模腔中出现深浅不一的地方,以免造成填充不均匀和塑件变形。
模腔的表面质量要求高,尽量避免切削、铣削等加工,以减少模腔的表面粗糙度。
4.模具的冷却系统设计:塑胶模具在注塑过程中会产生大量的热量,冷却系统的设计对模具的使用寿命和生产效率有重要影响。
冷却系统应尽量覆盖整个模具,确保模腔中的塑料在注塑过程中均匀冷却,防止产生内应力和变形。
冷却水的供给要充分,流速要适宜,冷却水口要布置合理,以确保整个模具的冷却效果。
5.浇口和排气系统设计:浇口的设计应考虑塑料的流动性和塑件的外观要求,浇口位置要选择在模具的最厚点或处于最大壁厚改变处,以保证注塑过程中的充填和射出平稳。
排气系统的设计要保证塑料在充填过程中的排气畅通,避免产生气泡或虚线。
6.抽芯装置设计:塑胶模具中的一些塑件需要采用抽芯装置进行成型,抽芯装置的设计要满足塑件的形状和尺寸要求,确保塑件在脱模过程中不变形或损坏。
抽芯装置的操作要方便,可靠,要考虑到抽芯力和脱模力的大小,以确保抽芯的顺畅和模具的寿命。
7.快速更换系统设计:塑胶模具在生产过程中需要频繁更换不同的模腔,快速更换系统的设计能够极大地提高模具的使用效率和生产效率。
快速更换系统要求模腔结构尽量简单,易于拆卸和装配,以及固定方式的可靠性。
8.模具的加工工艺:塑胶模具的制作工艺要选择合适的材料和加工工艺,以确保模具的成型精度和表面质量。
压铸模具结构设计
1.铸件的形状和尺寸:根据铸件的形状和尺寸确定模具的结构,包括模具的上下模座、模具腔和底座等。
2.注塑系统设计:注塑系统是指将熔融金属注入模具腔中的系统。
注塑系统设计包括溢流口、进流口和排气口等。
3.冷却系统设计:冷却系统是指为了将熔融金属冷却成固态铸件而设计的系统。
冷却系统设计需要考虑冷却水的进出口位置和冷却通道的布置等。
4.驱动系统设计:驱动系统是指用于打开和关闭模具的系统。
驱动系统设计需要考虑模具的开合速度和力度等。
5.寿命和维护性设计:模具在使用过程中需要经受高温和高压力等作用,容易磨损和疲劳。
寿命和维护性设计需要考虑材料的选择和表面处理等。
6.系统集成设计:压铸模具结构设计需要和其他相关系统进行集成,包括压铸机械、控制系统和自动化系统等。
除了以上几个方面,压铸模具结构设计还需要考虑产品的特殊要求,如产品壁厚、孔洞和表面质量等。
在压铸模具结构设计的过程中,需要进行一系列的分析和计算,如强度分析、流动模拟和热处理分析等。
同时,还需要考虑生产工艺和经济效益等因素。
总之,压铸模具结构设计是一个综合性的工程问题,需要考虑多方面的因素,以满足产品的要求和工艺的需要。
模具设计限位结构1.引言1.1 概述模具设计是一门关键的制造技术,在工业生产中扮演着重要的角色。
模具广泛应用于各种制造行业,如汽车制造、电子设备制造、家电制造等。
模具设计的质量和性能直接影响着产品的制造效率和品质。
在模具设计中,限位结构起着至关重要的作用。
限位结构是指模具中用于控制模具零件相对位置的构件和装置。
它能够保证模具在使用过程中的定位准确性和稳定性,确保模具的正常运行。
限位结构的设计能够有效避免模具在使用过程中出现错位、变形和损坏等问题,提高模具的使用寿命和生产效率。
在模具设计中,限位结构能够对模具的装配和拆卸提供必要的辅助,使得模具的拆装过程更加简便和快捷。
同时,限位结构还能够对模具的定位精度进行有效控制,确保零件的加工精度和产品的装配质量。
随着工业技术的不断发展和进步,模具设计的要求也越来越高。
现代模具设计注重提高生产效率、优化工艺流程和保证产品质量。
限位结构作为模具设计中的重要组成部分,需要不断进行创新和改进。
未来,随着新材料、新工艺和新技术的引入,限位结构将会更加灵活、精准,为模具的设计与制造带来更多的可能性。
综上所述,模具设计的限位结构在保证模具装配和定位准确性方面起着重要作用。
通过合理设计和创新,限位结构可以提高模具的使用寿命和生产效率。
随着工业技术的不断进步,限位结构的发展也将得到推动,并在未来带来更多的创新和进步。
1.2文章结构文章结构部分的内容如下:1.2 文章结构本篇文章将围绕模具设计限位结构展开深入探讨。
文章的结构安排如下:第一部分:引言引言部分将概述模具设计限位结构的重要性,说明本文的目的,并介绍文章的整体结构。
第二部分:正文正文部分将主要涉及模具设计的重要性和限位结构的作用。
首先,我们将探讨模具设计的重要性,包括其在制造业中的关键作用。
然后,我们将深入研究限位结构的作用,介绍其对模具设计的影响和优势。
第三部分:结论结论部分将对模具设计限位结构的优势进行总结,概括本文的主要观点和研究成果。
模具设计结构标准讲解兴旺模具模具设计结构标准一.产品排位1.1 产品的排位二.型芯尺寸结构2.1 型芯的设计三.冷却水道结构3.1 冷却水道的设计原则四.流道结构4.1 喷嘴与定位环4.2 流道的设计4.3 浇口的设计4.4 其它设计五.定位结构5.1 模板的定位5.2 镶针的定位六.开闭模控制结构6.1 小拉杆6.2 拉板6.3 尼龙扣七.滑块结构7.1 滑块的设计7.2 滑块设计时应注意的问题7.3 滑块的结构八.滑块镶拼结构8.1 滑块镶拼的使用场合8.2 滑块镶拼的几种结构8.3 滑块的导向8.4 滑块压板设计8.5 耐磨块的设计8.6 楔紧块的设计九.斜顶结构9.1 斜顶的设计原则9.2 斜顶的结构与参数9.3 斜顶设计时应注意的问题9.4 斜顶导向9.5 斜顶座十.顶出结构10.1 顶针顶出结构10.2 司筒顶出结构10.3 直顶顶出结构10.4 顶块顶出结构10.5 推板顶出结构10.6 气顶顶出结构十一.模具加工及外观标准一.产品排位1.1产品的排位○1一定要以节约为原则○2应尽量避免滑块和斜顶产生多重角度,减少模具的加工难度。
○3一模多腔时,应当优先考虑平衡排列,尽量减少流道的总长度保证塑料的流动性。
○4一模多腔时,当产品之间不通过流道时X、Y向之间的距离要保证在6~25mm,当产品之间过流道时X、Y之间的距离要保证在20~40mm。
二.型芯尺寸结构2.1型芯的设计○1在保证强度的前提下,尽可能节约成本。
○2型芯强度设计标准,如表:产品尺寸(X、Y)产品与型芯边缘的距离(X、Y)产品与型芯边缘的距离(高度Z向)50以下15 25100以下20 25150以下25 30250以下30 35400以下35 40650以下40 45800以下45 50○3当设计深腔模具时,高度大于150mm以上的桶形产品。
应考虑原身留的形式,模板之间互锁来加强模具的强度(比如电池槽模具结构)。
○4型芯订购公差标准:当型芯用硬料(需要热处理的钢材),未热处理之前加工时必须必须把长、宽、高方向各加大0.5~1mm,以补偿热处理时产生的变形。
模具基础知识设计基本结构和使用注意事项模具是用于制造各种工业制品的重要工具。
它可以根据产品的形状和尺寸来设计并制造,以提供准确的模板,并确保产品的质量和一致性。
在本文中,我将介绍模具的基本结构和使用注意事项。
一、模具的基本结构1.导向系统:导向系统是模具的基础部分,它用于确保模具在使用过程中的稳定性和准确性。
导向系统包括导向销、导柱、导套等,其作用是维持模具的定位和平衡。
2.工作部位:工作部位是模具的主要部分,用于制造产品的形状和尺寸。
工作部位通常由模腔和模芯构成。
模腔是成型产品的外形,而模芯则是成型产品的内形。
模腔和模芯之间的空间被称为模腔芯间隙,它决定了产品的尺寸和表面光洁度。
3.射出系统:射出系统用于将熔融材料注入模具的工作部位中。
射出系统通常包括喷嘴、喷嘴孔、射嘴道、料缸等。
通过合理设计射出系统,可以确保熔融材料均匀地注入模具,并尽量减少气泡和缺陷的产生。
4.射出机构:射出机构是将射出系统与模腔连接起来的部分。
射出机构包括推杆、滑块、动模板等,它们通过运动实现熔融材料的注入和冷却。
5.顶出系统:顶出系统用于将成型产品从模具中顶出。
顶出系统包括顶出杆、顶出板、顶出销等。
通过合理设计顶出系统,可以确保产品的脱模顺利进行,从而避免产品变形或损坏。
二、模具使用的注意事项1.合理使用模具:在使用模具时,应根据产品的特点和要求,选择合适的模具。
同时,还应遵循模具的使用规范和操作流程,确保安全使用。
2.定期维护模具:模具在使用过程中,会受到磨损和变形的影响。
因此,定期维护模具是非常重要的。
维护包括清洁模具、修复模具、更换模具零件等,以确保模具的正常工作。
3.善于保养模具:除了定期维护模具外,还应善于保养模具。
保养包括防锈、润滑、正确存储等,以延长模具的使用寿命。
4.注意模具的温度:模具在使用过程中,会发生高温和低温的变化。
因此,在使用模具时,应注意模具的温度,避免过热或过冷,以免影响产品的质量。
5.善于解决故障:在使用模具时,可能会遇到一些故障,如堵塞、变形、磨损等。
冲压模具结构设计200例是一本关于冲压模具设计的实战性书籍,其中涉及了多种不同的冲压模具结构设计案例。
下面将针对一些典型的结构进行简要介绍:1. 落料冲孔模具该类型的模具主要用于冲压板材或管材上的形状简单的形状,如圆形、方形、矩形等。
模具主要由上模板、下模板、凸模、凹模、冲针、弹簧等组成。
其中,凸模和凹模是模具的核心部分,需要精确的配合,以保证冲压精度和冲压效率。
2. 拉伸模具拉伸模具主要用于生产具有拉伸效果的零件,如拉深筒、汽车座椅等。
该类型的模具结构较为复杂,通常包括上模板、下模板、凹模、凸模、拉深筋、定位销等部分。
其中,拉深筋是拉伸模具的关键部分,用于增加材料的变形抗力,实现零件的拉伸成型。
3. 复合模复合模是一种具有多种功能的模具,适用于生产多种形状和尺寸的零件。
该类型的模具结构较为复杂,通常包括多个工作零件,如上模板、下模板、凸模、凹模、冲针等,以及导向、卸料、复位等辅助装置。
4. 级进模级进模是一种更为复杂的模具,适用于生产具有多道工序的零件,如汽车零部件、电器零件等。
该类型的模具结构中,多个工位同时进行不同的加工工序,如冲孔、切边、整形、冲压螺纹等。
每个工位都有独立的零件和结构,通过移动或旋转实现不同工位的转换。
以上只是简单介绍了四种常见的冲压模具结构,实际上书中还包括了其他多种结构的模具设计,如热处理模具、成型模具、修边模具等。
这些设计案例都具有一定的代表性,可以帮助读者了解不同类型模具的设计要点和注意事项。
在进行冲压模具结构设计时,需要考虑材料的性能、设备的精度、零件的精度要求等多个因素。
此外,结构设计还需考虑到模具的制造、调整和维修的方便性。
在设计中要尽可能地采用标准化、系列化的零件,以提高模具的生产效率和可靠性。
以上信息仅供参考,如果您还想了解更多相关内容,建议您阅读《冲压模具结构设计200例》原著。
模具设计结构行位知识点模具设计是工业制造中非常重要的环节,它直接关系到产品的质量和效率。
而在模具设计中,行位是一个不可或缺的知识点。
本文将针对模具设计结构中的行位进行详细介绍,包括行位的定义、分类和常用应用等。
一、行位的定义行位,顾名思义,即模具中起定位作用的构件。
它可以用来确保模具的装配位置、保证模具的工作精度以及提高模具的生产效率。
行位通常由凸台和凹台组成,其中凸台用于定位,凹台用于承受定位力。
二、行位的分类行位可以根据其功能和工作方式进行分类。
根据功能可分为定位行位和导向行位;根据工作方式可分为平行行位、垂直行位和斜行位。
1. 定位行位:定位行位主要负责确定模具的装配位置,确保零件在模具中的位置准确无误。
定位行位通常采用凸台定位,通过凸台和凹台的契合来实现零件的定位。
2. 导向行位:导向行位主要用于指导模具的运动方向,保证模具在使用过程中的稳定性和精度。
导向行位通常采用垂直行位或斜行位,通过其间的导向配合来实现模具的准确定位。
三、行位的常用应用行位在模具设计中应用广泛,下面将介绍其中几种常见的行位应用场景。
1. 螺母模具中的定位行位:螺母模具中,用于定位螺母在模具内部的位置,确保螺母的装配准确无误。
2. 冲压模具中的导向行位:冲压模具中,导向行位主要用于指导冲头的运动方向,确保冲击力传递的稳定和精准。
3. 注塑模具中的平行行位:注塑模具中,平行行位通常用于控制注塑料进入模具的流动方向,保证注塑件的成型效果。
4. 压铸模具中的垂直行位:压铸模具中,垂直行位主要用于确定两个模具的相对位置,保证压力传递和产品的成型准确性。
总结:行位作为模具设计中的重要概念,对于模具的准确定位和工作精度起到了关键的作用。
行位根据其功能和工作方式的不同,可以分为定位行位和导向行位,以及平行行位、垂直行位和斜行位。
在实际应用中,行位的设计需要根据具体的模具类型和产品需求进行合理的选择。
只有在正确应用行位的前提下,才能提高模具的生产效率和产品质量。
塑胶模具结构设计要点塑胶模具是用于制造塑料制品的工具,其结构设计关系到产品的质量、生产效率和成本。
下面是塑胶模具结构设计的要点。
1.模具基座设计:模具基座是模具的基础,承载着整个模具的重量,并提供模具的稳定性。
在设计模具基座时,需要考虑模具的尺寸、重量和运输方式,选择适当的材料和结构,保证模具在使用过程中能够稳定运行。
2.模具导向设计:模具导向是指对模具零件进行定位和导向的设计。
在塑胶模具中,通常采用导柱和导套的方式进行导向。
导向设计的关键是准确的位置和良好的刚性。
导向结构的设计需要考虑模具的复杂程度、精度要求和生产效率,确保模具在成型过程中能够准确地进行导向。
3.模具分型设计:模具分型是指模具零件的分离方式。
在塑胶模具中,常用的分型方式包括平移分型、拉伸分型和旋转分型等。
分型设计的目的是实现模具零件的准确分离和快速排料,避免产品变形和损坏。
在进行分型设计时,需要考虑产品的形状、尺寸和壁厚等因素,并合理选择分型面和顶针的位置和数量。
4.模具冷却设计:塑胶制品的成型过程中需要消耗大量的热量,模具的冷却系统是为了控制模具温度,提高生产效率和产品质量。
在进行冷却设计时,需要合理确定冷却通道和冷却介质的位置和数量,以及冷却器的尺寸和布置方式。
冷却通道的设计应该保证冷却效果良好且均匀,同时尽量减少冷却介质的消耗和时间。
5.模具出产口设计:模具出产口是指产品从模具中取出的通道,也是模具的关键部分之一、在进行出产口设计时,需要考虑产品的形状、结构和尺寸,确定合理的出产口位置和尺寸。
出产口的设计应该保证产品的完整和光滑,避免产品形状的畸变和损伤。
6.模具加工工艺设计:模具加工工艺是指模具零件的加工方式和工艺步骤。
在进行加工工艺设计时,需要考虑模具材料的性质和加工难度,选择适当的机械加工方法和工艺流程。
加工工艺的设计应该保证模具零件的精度和质量,以及加工周期和成本的控制。
7.模具耐磨性设计:塑胶模具在使用过程中会受到摩擦和冲击力的作用,需要具备良好的耐磨性。
冲压模具结构设计及实例冲压模具是现代工业中常用的一种模具,广泛应用于汽车、家电、电子、航空航天等行业。
冲压模具的结构设计对于产品的质量和生产效率起着至关重要的作用。
本文将以冲压模具结构设计及实例为主题,详细介绍冲压模具的结构设计原则和实例。
一、冲压模具结构设计原则1. 合理的结构设计:冲压模具的结构设计应该考虑到产品的形状和尺寸要求,合理安排模具的各个零部件,并确保结构的稳定性和刚度。
2. 材料的选择:冲压模具的零部件应选用高强度、耐磨损的材料,以提高模具的使用寿命和抗疲劳性能。
3. 零部件的加工精度:冲压模具的零部件加工精度要求较高,特别是模具的工作表面,应具备高度的平整度和光洁度,以确保产品的质量。
4. 模具的便于维修:冲压模具在使用过程中会出现磨损和损坏的情况,因此模具的设计应考虑到维修方便性,以减少停机时间和成本。
二、冲压模具结构设计实例以汽车车门的冲压模具为例,介绍冲压模具的结构设计。
1. 上模:上模是冲压模具的主要构件,上模上安装有冲头和定位销。
冲头通过上模的动作,在下模上对工件进行冲压加工。
2. 下模:下模是冲压模具的另一个重要构件,下模上安装有模座和导柱。
模座用于支撑工件,在冲压过程中起到定位和支撑作用。
3. 前导柱和后导柱:前导柱和后导柱用于保持上模和下模的水平位置,以确保冲压过程中的精度和稳定性。
4. 导向套和导向销:导向套和导向销用于引导上模和下模的运动方向,避免模具在工作中出现偏差和误差。
5. 冲头和冲座:冲头和冲座是冲压模具的核心部分,冲头通过上模和冲座的动作,对工件进行冲压加工。
6. 顶出装置:顶出装置用于将冲压后的工件从模具中顶出,以便后续的加工和装配。
7. 模具底座:模具底座是冲压模具的支撑部分,用于固定模具和连接冲床。
以上是汽车车门的冲压模具结构设计的简要介绍,实际的冲压模具设计过程还需要考虑到更多细节和工艺要求。
总结:冲压模具的结构设计对于产品的质量和生产效率有着重要的影响。