1.科技活动机构情况表
- 格式:xls
- 大小:21.50 KB
- 文档页数:1
15全国普通高等学校科技(理、工、农、医类)统计报表制度中华人民共和国教育部制定中华人民共和国国家统计局批准7年9月本报表制度根据《中华人民共和国统计法》的有关规定制定《中华人民共和国统计法》第七条规定:国家机关、企业事业单位和其他组织以及个体工商户和个人等统计调查对象,必须依照本法和国家有关规定,真实、准确、完整、及时地提供统计调查所需的资料,不得提供不真实或者不完整的统计资料,不得迟报、拒报统计资料。
《中华人民共和国统计法》第九条规定:统计机构和统计人员对在统计工作中知悉的国家秘密、商业秘密和个人信息,应当予以保密。
目录一、总说明 (1)二、报表目录 (2)三、调查表式 (3)(一)科技人力资源情况表 (3)(二)科技经费情况表 (4)(三)科技活动机构情况表 (6)(四)科技项目情况表 (8)(五)科技交流情况表 (10)(六)技术转让与知识产权情况表 (11)(七)技术成果情况表 (13)(八)出版科技著作情况表 (14)(九)科技成果奖励情况表 (15)(十)科技期刊情况表 (16)(十一)创新相关情况表........................................................................... 错误!未定义书签。
四、统计指标解释 (17)五、附录 (22)一、总说明(一)调查目的为了全面系统地掌握我国高等学校科技工作的发展状况,为各级科技、教育行政部门提供决策依据,依照《中华人民共和国统计法》的规定,特制定本报表制度。
(二)调查范围调查范围是按国家规定的审批程序批准的全日制普通高等学校(包括、独立和高等专科学校)。
(三)调查内容包括高等学校科技工作基本情况,科技人力、科技经费、科技机构、科技成果、国际科技交流、科技期刊、创新相关等11张表。
(四)调查方法调查方法为全面调查。
(五)报告期及报送时间1.报告期1月1日至12月31日。
地区科普工作情况汇报表尊敬的领导:您好!感谢您抽出宝贵的时间审阅我所在地区科普工作情况汇报表。
本文将详细介绍我所在地区的科普工作开展情况、成果展示、存在的问题及对策,希望能够得到您的认可和指导。
一、科普工作开展情况我所在地区一直高度重视科普工作,各级政府部门和相关机构都积极参与和支持科普活动。
在2019年,我所在地区共举办各类科普活动100余场次,吸引了数万人参与。
涵盖了科技展览、科普讲座、科普实验等多种形式,为地区居民提供了丰富多彩的科普知识学习和体验活动。
此外,我所在地区积极推动科普资源的整合和共享。
组织开展了“科技下乡”、“科普惠民”等活动,使科技成果和知识更好地惠及广大农村和基层居民。
同时,还积极利用新媒体平台,加强科普信息的传播,提高科普宣传的知晓度和覆盖范围。
二、成果展示1. 科技展览在2019年,我所在地区成功举办了多次大型科技展览,涉及了农业科技、环保科技、信息科技等多个领域。
其中,最受欢迎的是以“科技助农”为主题的展览,展示了最新的农业科技成果和应用,吸引了大批农民和农村代表前来参观学习。
2. 科普讲座我们还组织了许多科普讲座,邀请省内外的专家学者和科研人员给予科普知识的传授。
通过专业人士解说和互动交流,使观众更加直观地了解科学知识,受益匪浅。
3. 科普实验为了提高科普活动的吸引力和趣味性,我们不仅设置了多个科普实验的项目,还组织了科普实验大赛,激发了大家对科学探索的兴趣和热情。
成果展示设计了一个智能互动区域,吸引众多游客前来体验。
三、存在的问题及对策尽管科普工作在我所在地区取得了一定的成绩,但也存在着一些问题需要我们重视和解决。
1. 科普资源整合不够我所在地区虽然有很多科普资源和机构,但整体上并没有形成一个完整的科普资源网络。
因而需要通过政府引导和支持,加强各种科普资讯的整合和共享,形成合力,更好地服务广大民众。
2. 科普宣传渠道单一目前,科普宣传主要靠传统媒体和一些宣传册、海报等方式,覆盖面有限。
科技馆基本情况调查表(一)
填报单位:(公章)填报日期:
备注:1本表适用于市、县(区)级科技馆填写;
2.基地覆盖率为科技馆建筑物首层面积与占地面积比值;
3.常设展览面积是指为举办常设科普展览活动而设计建造的设施;
4.近三年平均经费开支指近三年日常运转维护费;
5.馆所在地常住人口包括农业人口和非农业人口;
6.展品投资包括展教设备、研究装备投资;
7.经营收入、门票收入、上级拨款项目应填写2003年~2005年三年平均数,
1
其它项目均填写2005年度数据。
科技馆基本情况调查表(二)
2
注:简述理由可用附页
3
4。
科技成果鉴定机构名单
1. 中国科学技术协会(中国科协),作为国家级的科技组织,
中国科协下设多个鉴定中心,包括科技成果鉴定中心、科技成果评
价中心等。
2. 中国科学院(CAS),中国科学院下设的研究所、院所、实
验室等都具备科技成果鉴定的能力。
3. 中国工程院(CAE),中国工程院也设有相关鉴定机构,能
够对工程技术成果进行评估和认定。
4. 国家知识产权局(CNIPA),国家知识产权局是负责知识产
权保护和管理的机构,也承担着科技成果的鉴定和认定工作。
5. 各省级科技厅、科技局,各省级科技行政部门通常设有科技
成果鉴定机构,负责本地区科技成果的评估和认定工作。
6. 高校科技成果鉴定机构,各大高校都设有科技成果鉴定机构,主要负责对本校科研成果进行评估和认定。
7. 科技咨询机构,一些专业的科技咨询机构也具备科技成果鉴定的能力,可以为企业和科研机构提供评估和认定服务。
请注意,以上仅列举了一些常见的科技成果鉴定机构,实际上还有很多其他机构也从事着科技成果鉴定工作。
具体选择哪个机构进行鉴定,应根据科技成果的具体领域和需要进行综合考虑。
企业科技项目情况表(B107-1填报参照表)
表号: B107-1表
制表机关: 国家统计局
文号: 国统字(2010)87号
2010年
有效期至: 2011年 12 月
单位负责人:统计负责人:填表人:联系电话:报出日期:20 年月日
注:本表由企业填报立项在10万元及以上的科技项目情况。
企业科技活动及相关情况表(B107-2填报参照表)
表号:B107-2表
1.是否为高新技术产业开发区内企业或区外认定的高新技
制表机关:国家统计局
术企业:1.是, 2.否□
2010年文号:国统字(2010)87号
有效期至:2011年12月
补充资料:企业在国外设立的研究开发机构合计(51) 个
单位负责人:统计负责人:填表人:联系电话:报出日期:20 年月日说明:标注“△”符号的指标工业企业及建筑业企业免填;标注“*”符号的指标非工业企业免填。
研究机构填表说明1、统计范围:截止到2013年12月31日,本单位经国家、省部级部门及主管部门批准建立的理、工、农、医类研究机构,学校自建科研机构不统计。
当年未开展科技活动的机构不作统计。
2、基础数据表填写说明:(1)“机构名称”必须填写完整、正规的机构名称,以机构章为准。
一个科研机构有多块牌子,就高不就低,不能重复统计。
(2)“机构类型”:0 R&D机构(研究与发展机构);1 其他机构。
研究与发展机构一般具有明确、稳定的科研方向,一定数量与质量的科技力量、基本的实验条件,从事研究与发展活动,以系统创造性劳动为主的专门组织机构。
科技服务机构是运用已有的科技知识,为经济建设和社会需要服务,促进现代科学技术知识传播、普及和应用的专门组织机构。
(3)“机构类别”:10 国家实验室;20 国家重点实验室;30 国家专业实验室;41 省部共建实验室;42 省部级实验室;50 国家工程(技术)中心;60 省部级工程技术研究中心;70 其他主管部门机构。
省教育厅的重点实验室归入“省部级实验室”统计。
(4)“学科分类”:如果一个科研机构的研究方向不止一个,以最主要的学科填写,填写二级学科(5位码)。
学科分类代码(见附件)(5)“组成形式”:1 本校独办; 2 校际联合;3与国内企业合办;4与国外企业①本校独办机构:指独立或相对独立于院系,财务独立,在银行开有户头,建有帐号的科技机构;②校际联合机构:学校与学校之间联合建立的科技机构;③与企业合办机构:指与企业、研究院等联合建立的合办的科技机构;④与国外企业、机构联合建立、合办的科技机构。
(6)“培养研究生人数”:统计年度内培养的研究生,按年末在机构在学人数统计。
(7)“当年经费内部支出”:统计年度内科技机构用于内部开展科技活动实际支出的费用。
R&D经费指机构内部开展R&D活动实际支出的费用。
(8)“承担课题”:指机构在统计年度内承担的各级各类科技课题数。
科技创新研究开发活动及相关情况调查表统一社会信用代码:单位详细名称:单位行业分类代码:单位所属地区:单位性质:2020年季报表逻辑关系:1.K2≥K3,K4≥K5,K7≥K8+K9+K10,K11≥K12,K13≥K14,K15≥K13;X7≥X6,∑X9≤K5 ,∑X10≤K5*12,∑X11≤K7;若非跨年项目,则X8不填(以下全是下拉选择)指标解释工业总产值(当年价格)指工业企业在报告期内生产的以货币形式表现的工业最终产品和提供工业劳务活动的总价值量。
指标由工业企业填报,部分行业代码为非工业的企业,若企业本身存在混业经营且涉足工业领域,产生工业总产值的企业也需填报。
营业收入指企业经营主要业务和其他业务所确认的收入总额。
营业收入合计包括“主营业务收入”和“其他业务收入”。
根据会计“利润表”中“营业收入”项目的本年累计数填报。
主营业务收入指企业确认的销售商品、提供劳务等主营业务的收入。
根据会计“主营业务收入”科目本年各月贷方余额(结转前)之和填报。
如未设置该科目,以“营业收入”代替填报。
从业人员期末人数指报告期末最后一日24时在本单位工作,并取得工资或其他形式劳动报酬的人员数。
该指标为时点指标,不包括最后一日当天及以前已经与单位解除劳动合同关系的人员,是在岗职工、劳务派遣人员及其他从业人员之和。
从业人员不包括:1.离开本单位仍保留劳动关系,并定期领取生活费的人员;2.在本单位实习的各类在校学生;3.本单位因劳务外包而使用的人员,如:建筑业整建制使用的人员。
研发人员指报告期内企业参加科技项目活动的人员合计。
该指标应与企业有关研究开发会计科目或辅助账中人员人工费子科目里涉及的全部人员对应。
研究开发费用合计(或课题经费合计)指报告期内用于开展科技活动的费用合计,包括人员人工费用、直接投入费用、折旧费用与长期待摊费用、无形资产摊销费用、设计费用、装备调试费用与试验费用、委托外部研究开发费用及其他费用。
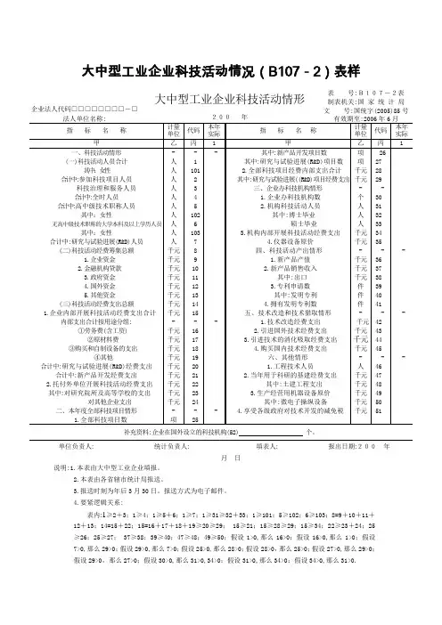
大中型工业企业科技活动情况(B107-2)表样企业法人代码□□□□□□□□-□大中型工业企业科技活动情形200 年 表 号:B107-2表 制表机关:国 家 统 计 局 文 号:国统字(2005)85号 补充资料:企业在国外设立的科技机构(52) 个。
单位负责人: 统计负责人: 填表人: 报出日期:200 年月 日说明:1.本表由大中型工业企业填报。
2.本表由各省辖市统计局报送。
3.报送时刻为年后3月30日。
报送方式为电子邮件。
4.要紧逻辑关系:表内:1≥2+3;1≥4;1≥5+6;1≥7;1≥31≥32+33;1≥101;5≥102;6≥103;8=9+10+11+12+13;14=15+22;15=16+17+18+19≥20≥29; 15≥21;15≥28≥29;15≥34;22≥23+24;25≥26;25≥27; 37≥38;39≥40;47≥48;49≥50;假设1>0,那么16>0;假设16>0,那么1>0;假设7>0,那么29>0;假设29>0,那么7>0;假设25>0,那么28>0;假设28>0,那么25>0;假设27>0,那么29>0;假设29>0,那么27>0;假设30>0,那么31>0,34>0;假设31>0,那么34>0;假设34>0,那么31>0.表间:2≥B107-1表∑(7);5≥B107-1表∑(8);6≥B107-1表∑(9); (4/1)≤B107-1表∑(10)/12个月/ B107-1表∑(7);7≥B107-1表R&D∑(7);21≥B107-1表新产品开发项目∑(11);25≥B107-1表项目数合计;26≥B107-1表新产品开发项目数合计;27≥B107-1表R&D项目数;28≥B107-1表∑(11);29≥B107-1表R&D∑(11);(1-7)≥B107-1表成果应用项目∑(7);(15-20)≥B107-1表成果应用项目∑(11)。
全国普通高等学校科技(人文、社科类)统计报表制度中华人民共和国教育部制定中华人民共和国国家统计局批准2012年10月本报表制度根据《中华人民共和国统计法》的有关规定制定《中华人民共和国统计法》第三条规定:国家机关、社会团体、企业事业组织和个体工商户等统计调查对象,必须依照本法和国家规定,如实提供统计资料,不得虚报、瞒报、拒报、迟报,不得伪造、篡改。
基层群众性自治组织和公民有义务如实提供国家统计调查所需要的情况。
《中华人民共和国统计法》第十五条规定:统计机构、统计人员对在统计调查中知悉的统计调查对象的商业秘密,负有保密义务。
目录一、总说明 (3)二、报表目录 (5)三、统计表式、主要指标解释和填表说明(一)人文、社会科学活动人员情况表(教社科年报1表) (9)(二)人文、社会科学R&D人员情况表(教社科年报2表) (11)(三)人文、社会科学R&D经费情况表(教社科年报3表) (15)(四)人文、社会科学研究机构一览表(教社科年报4表) (18)(五)人文、社会科学R&D课题情况表(教社科年报5-1表) (20)(六)人文、社会科学R&D课题情况表(教社科年报5-2表) (22)(七)人文、社会科学研究成果情况表(教社科年报6-1表) (24)(八)人文、社会科学研究成果情况表(教社科年报6-2表) (26)(九)人文、社会科学研究成果获奖情况一览表(教社科年报7-1表) (28)(十)人文、社会科学专利情况表(教社科年报7-2表) (30)(十一)人文、社会科学学术交流情况表(教社科年报8表) (31)一、总说明(一)全国普通高等学校社科研究统计工作是促进高校人文社会科学事业发展的一项重要基础性工作,是为了调查了解高校人文社会科学研究的规模和布局,了解科研人员、组织、结构、现状以及各要素的构成,对于全面、准确、客观、真实地掌握高校科研现状和动态具有重要意义。
全国普通高等学校社科研究统计是各级教育行政部门和高校的一项重要任务,统计数据直接为政府管理和制定发展规划提供科学依据。
1、全国农业科研机构情况表1-1-1 全国农业科研机构按隶属关系和管理系统分组单位:个122、全国农业科研机构科学事业费分类管理情况表1-2-1 全国农业科研机构科学事业费分类管理类型按隶属关系分组单位:个表1-2-2 全国农业科研机构科学事业费分类管理按管理系统分组单位:个33、全国农业科研机构经济实体情况4二、人员1、全国农业科研机构人员构成情况表2-1-1 全国农业科研机构人员构成情况(按隶属关系分) 单位:人5表2-1-2 全国农业科研机构人员构成情况(按管理系统分) 单位:人表2-1-3 农业部属科研机构人员构成情况单位:人678表2-1-5 各省(区、市)农科院科研人员结构概况单位:人910112、全国农业科研机构从事科技活动人员职称情况表2-2-1 全国农业科研机构从事科技活动人员职称情况(按管理系统分)单位:人表2-2-2 全国农业科研机构从事科技活动人员职称情况(按隶属关系分) 单位:人单位:人表2-2-3 农业部属科研机构从事科技活动人员职称情况123、全国农业科研机构从事科技活动人员学位学历状况13表2-3-3 农业部属科研机构从事科技活动人员学位学历状况单位:人表2-3-4 各省(区、市)农业科研机构从事科技活动人员职称和学历状况单位:人1415表2-3-5 各省(区、市)农科院从事科技活动人员职称和学历状况单位:人1617184、全国农业科研机构人员流动情况表2-4-1 全国农业科研机构人员流动情况(按隶属关系分)单位:人19表2-4-2 全国农业科研机构人员流动情况(按管理系统分)单位:人表2-4-3 农业部属科研机构人员流动情况单位:人20三、经费1、全国农业科研机构经费收入情况表3-1-1 全国农业科研机构经常费收入一览表(按隶属关系分) 单位:千元表3-1-2 全国农业科研机构经常费收入一览表(按管理系统分) 单位:千元21表3-1-3 农业部属科研机构经常费收入一览表单位:千元22232425262、全国农业科研机构经费支出情况表3-2-1 全国农业科研机构经常费支出一览表(按隶属关系分) 单位:千元表3-2-2 全国农业科研机构经常费支出一览表(按管理系统分) 单位:千元27表3-2-3 农业部属科研机构经常费支出一览表单位:千元2829表3-2-5 各省(区、市)农科院经费支出一览表单位:千元3031323、全国农业科研机构基本建设及完成情况表3-3-1 全国农业科研机构基本建设完成情况(按隶属关系分) 单位:千元表3-3-2 全国农业科研机构基本建设完成情况(按管理系统分) 单位:千元33表3-3-3 农业部属科研机构基本建设完成情况单位:千元34四、资产负债情况1、全国农业科研机构资产负债情况表4-1-1 全国农业科研机构资产负债情况(按隶属关系分)单位:千元35表4-1-2 全国农业科研机构资产负债情况(按管理系统分)单位:千元表4-1-3 农业部属科研机构资产负债情况单位:千元362、全国农业科研机构科研仪器设备情况表4-2-1 全国农业科研机构科研仪器设备情况37表4-2-2 农业部属科研机构科研仪器设备情况38表4-2-4 地区属农业科研机构科研仪器设备情况39五、课题40表5-1-2 全国农业科研机构课题投入人员、经费情况(按隶属关系分)表5-1-3 全国农业科研机构课题投入人员、经费情况(按管理系统分)表5-1-4 农业部属科研机构课题投入人员、经费情况表5-1-5 各省(区、市)农业科研机构课题投入情况424344六、技术转让46表6-1-2 全国农业科研机构技术转让情况(按管理系统分) 单位:千元47七、科技著述、专利申请、授权1、全国农业科研机构科技著述和专利申请授权情况表7-1-1 全国农业科研机构科技著述和专利申请授权情况(按隶属关系分)48表7-1-2 全国农业科研机构科技著述和专利申请授权情况(按管理系统分)表7-1-3 农业部属科研机构科技著述和专利申请授权情况表7-1-4 各省(区、市)农业科研机构科技著述和专利申请授权情况50。
单位简介及机构情况一、单位简介本单位是一家致力于科技创新、服务社会的综合性研究机构。
自创立以来,始终坚持以人为本、追求卓越,积极投身于各个领域的研究与开发工作,为我国科技进步和社会发展做出了重要贡献。
本单位汇聚了一批高素质的科研人才,形成了多个具有特色的研究方向,拥有一流的研究设施和实验条件。
在长期的科研实践中,我们形成了严谨求实、团结协作的工作作风,为我国科技创新事业不断注入活力。
二、机构情况1.组织架构本单位设有多个研究部门,涵盖了自然科学、工程技术、人文社会科学等多个领域。
各部门之间相互支持、协同创新,为我国科研事业提供了全面、高效的服务。
此外,我们还与国内外多家知名高校和研究机构建立了紧密的合作关系,共同推动学术研究和技术创新。
2.人员配置本单位拥有一支高水平、专业化的科研团队,其中包括享受国务院特殊津贴的专家、国家高层次人才、省市级优秀人才等。
团队成员具有较强的研究能力和丰富的实践经验,为我国科技事业做出了突出贡献。
同时,我们注重人才培养,为青年科研人员提供良好的成长环境,帮助他们成为未来的科技领军人才。
3.研究方向本单位研究方向涵盖了多个领域,如新能源、新材料、信息技术、生物科技等。
在这些领域,我们积极开展原始创新、集成创新和引进消化再创新,取得了一系列具有国际影响力的科研成果。
同时,我们紧密结合国家发展战略,努力为经济社会发展提供有力的科技支撑。
4.科研成果本单位在各个研究领域取得了丰硕的科研成果,其中包括多项国家级、省部级科技进步奖。
我们的研究成果不仅在国内外学术界产生了广泛影响,还为产业发展和企业创新提供了有力支持。
此外,我们还积极参与国家重大科技项目,为我国科技创新事业贡献自己的力量。
5.国际合作与交流本单位高度重视国际合作与交流,与世界各地的知名高校和研究机构保持着密切的联系。
我们积极参与国际学术交流,举办或承办多项国际会议,引进国际先进科研理念和技术,推动国内外科研团队的深度合作。
15全国普通高等学校科技(理、工、农、医类)统计报表制度中华人民共和国教育部制定中华人民共和国国家统计局批准7年9月本报表制度根据《中华人民共和国统计法》的有关规定制定《中华人民共和国统计法》第七条规定:国家机关、企业事业单位和其他组织以及个体工商户和个人等统计调查对象,必须依照本法和国家有关规定,真实、准确、完整、及时地提供统计调查所需的资料,不得提供不真实或者不完整的统计资料,不得迟报、拒报统计资料。
《中华人民共和国统计法》第九条规定:统计机构和统计人员对在统计工作中知悉的国家秘密、商业秘密和个人信息,应当予以保密。
目录一、总说明 (1)二、报表目录 (2)三、调查表式 (3)(一)科技人力资源情况表 (3)(二)科技经费情况表 (4)(三)科技活动机构情况表 (6)(四)科技项目情况表 (8)(五)科技交流情况表 (10)(六)技术转让与知识产权情况表 (11)(七)技术成果情况表 (13)(八)出版科技著作情况表 (14)(九)科技成果奖励情况表 (15)(十)科技期刊情况表 (16)(十一)创新相关情况表........................................................................... 错误!未定义书签。
四、统计指标解释 (17)五、附录 (22)一、总说明(一)调查目的为了全面系统地掌握我国高等学校科技工作的发展状况,为各级科技、教育行政部门提供决策依据,依照《中华人民共和国统计法》的规定,特制定本报表制度。
(二)调查范围调查范围是按国家规定的审批程序批准的全日制普通高等学校(包括、独立和高等专科学校)。
(三)调查内容包括高等学校科技工作基本情况,科技人力、科技经费、科技机构、科技成果、国际科技交流、科技期刊、创新相关等11张表。
(四)调查方法调查方法为全面调查。
(五)报告期及报送时间1.报告期1月1日至12月31日。
2023全国科普日活动登记表活动名称:2023全国科普日活动活动时间:2023年5月20日活动地点:全国各地一、活动主题本次科普日活动的主题是“探索科学,创造未来”。
通过丰富多彩的科普活动,引导公众深入了解科学知识,增强科学素养,推动科学创新,助力实现科技强国的目标。
二、活动内容1. 科普展览:在各地举办丰富多样的科普展览,展示科技成果和科学知识,让公众亲身感受科学的魅力。
2. 科普讲座:邀请专家学者进行科普讲座,介绍前沿科技和热门科学话题,提高公众对科学的认知水平。
3. 科普实验:组织科普实验活动,让公众亲自参与科学实验,培养科学思维和动手能力。
4. 科普竞赛:举办科普知识竞赛,激发公众对科学的兴趣,提高科学素养。
5. 科普互动:通过互动游戏、科普问答等形式,增加科普活动的趣味性和参与度,吸引更多人参与科普日活动。
三、活动对象1. 学生群体:通过学校和社区的组织,引导学生参与科普日活动,培养学生对科学的兴趣和好奇心。
2. 公众群体:面向广大公众开展科普日活动,提供科学知识和科技体验,让更多人了解科学,关注科技发展。
3. 科研人员:提供科学交流平台,促进科研人员之间的学术交流和合作,推动科学研究的进步。
四、活动目标1. 提高公众对科学的认知水平,增强科学素养,培养科学精神。
2. 推动科学创新,激发科学研究的热情和动力。
3. 增强科学教育的实效性,提高科学教育的质量和影响力。
4. 加强科普工作的组织和管理,建立科普日活动的长效机制。
五、活动组织本次科普日活动由国家科技部主办,各地科技局、学校、科研机构等协办,由专业团队负责具体的活动策划、组织和执行工作。
六、活动预算根据各地实际情况,活动预算将根据活动规模、内容和需求进行科学合理的安排和使用。
七、报名方式公众可以通过各地科技局、学校、社区等渠道了解报名方式,并按照要求进行报名登记。
八、活动宣传科普日活动将通过电视、广播、网络媒体、社交平台等多种渠道进行宣传,吸引更多的人参与科普日活动。
填表说明(1)本表填报学校经国家、省部级及其它主管部门批准建立的理、工、农、医类研究机构。
当年未开展科技活动的机构及学校自建的研究机构不作统计。
(2)机构类型填写代码。
代码为:0 R&D机构;1 其他机构。
(3)机构类别填写代码。
代码为:10 国家实验室;20 国家重点实验室;30 国家专业实验室;41 省部共建实验室;42 省部级实验室;
50 国家工程(技术)研究中心;60 省部级工程技术研究中心;70 其它主管部门机构。
(4)组成形式填写代码。
代码为:1 校内机构;2 校际联合机构;3 国内合办机构;4 国外合办机构。
(5)学科分类见学科分类与代码,服务的国民经济行业见国民经济行业分类与代码。
提要事项:L5≥L6;L6=L7+L8+L9+L10;L12≥L13;L15≥L16。