混凝土防撞护栏浇筑质量检验报告单(公路桥梁工程质量管理表单)
- 格式:doc
- 大小:34.00 KB
- 文档页数:1
合同分部工程名称:总体、桥面系和附属工程工程部位(桩号、墩台号、孔号):第1-2孔 西侧分项工程名称:防撞护栏(编号: ) C-6.38-2建设项目:内黄县X004南西线渡村卫河大桥监理单位:濮阳市通达路桥工程监理有限公司施工单位:河南恒通公路桥梁建设有限公司合同分项工程名称:防撞护栏工程部位(桩号、墩台号、孔号):第3-4孔 西侧分部工程名称:总体、桥面系和附属工程建设项目:内黄县X004南西线渡村卫河大桥施工单位:河南恒通公路桥梁建设有限公司(编号: ) C-6.38-2监理单位:濮阳市通达路桥工程监理有限公司合同施工单位:河南恒通公路桥梁建设有限公司监理单位:濮阳市通达路桥工程监理有限公司(编号: ) C-6.38-2分项工程名称:防撞护栏工程部位(桩号、墩台号、孔号):第5-6孔 西侧分部工程名称:总体、桥面系和附属工程建设项目:内黄县X004南西线渡村卫河大桥合同(编号: ) C-6.38-2分项工程名称:防撞护栏工程部位(桩号、墩台号、孔号):第7-8孔 西侧分部工程名称:总体、桥面系和附属工程建设项目:内黄县X004南西线渡村卫河大桥施工单位:河南恒通公路桥梁建设有限公司监理单位:濮阳市通达路桥工程监理有限公司合同监理单位:濮阳市通达路桥工程监理有限公司(编号: ) C-6.38-2分项工程名称:防撞护栏工程部位(桩号、墩台号、孔号):第9-10孔 西侧分部工程名称:总体、桥面系和附属工程建设项目:内黄县X004南西线渡村卫河大桥施工单位:河南恒通公路桥梁建设有限公司合同监理单位:濮阳市通达路桥工程监理有限公司(编号: ) C-6.38-2分项工程名称:防撞护栏工程部位(桩号、墩台号、孔号):第11孔 东、西侧分部工程名称:总体、桥面系和附属工程建设项目:内黄县X004南西线渡村卫河大桥施工单位:河南恒通公路桥梁建设有限公司合同监理单位:濮阳市通达路桥工程监理有限公司(编号: ) C-6.38-2分项工程名称:防撞护栏工程部位(桩号、墩台号、孔号):第12-13孔 西侧分部工程名称:总体、桥面系和附属工程建设项目:内黄县X004南西线渡村卫河大桥施工单位:河南恒通公路桥梁建设有限公司合同监理单位:濮阳市通达路桥工程监理有限公司(编号: ) C-6.38-2分项工程名称:防撞护栏工程部位(桩号、墩台号、孔号):第14-15孔 西侧分部工程名称:总体、桥面系和附属工程建设项目:内黄县X004南西线渡村卫河大桥施工单位:河南恒通公路桥梁建设有限公司合同监理单位:濮阳市通达路桥工程监理有限公司(编号: ) C-6.38-2分项工程名称:防撞护栏工程部位(桩号、墩台号、孔号):第16孔 东、西侧分部工程名称:总体、桥面系和附属工程建设项目:内黄县X004南西线渡村卫河大桥施工单位:河南恒通公路桥梁建设有限公司合同监理单位:濮阳市通达路桥工程监理有限公司(编号: ) C-6.38-2分项工程名称:防撞护栏工程部位(桩号、墩台号、孔号):第17-18孔 西侧分部工程名称:总体、桥面系和附属工程建设项目:内黄县X004南西线渡村卫河大桥施工单位:河南恒通公路桥梁建设有限公司合同监理单位:濮阳市通达路桥工程监理有限公司(编号: ) C-6.38-2分项工程名称:防撞护栏工程部位(桩号、墩台号、孔号):第19-20孔 西侧分部工程名称:总体、桥面系和附属工程建设项目:内黄县X004南西线渡村卫河大桥施工单位:河南恒通公路桥梁建设有限公司合同监理单位:濮阳市通达路桥工程监理有限公司(编号: ) C-6.38-2分项工程名称:防撞护栏工程部位(桩号、墩台号、孔号):第21-22孔 西侧分部工程名称:总体、桥面系和附属工程建设项目:内黄县X004南西线渡村卫河大桥施工单位:河南恒通公路桥梁建设有限公司合同监理单位:濮阳市通达路桥工程监理有限公司(编号: ) C-6.38-2分项工程名称:防撞护栏工程部位(桩号、墩台号、孔号):第1-2孔 东侧分部工程名称:总体、桥面系和附属工程建设项目:内黄县X004南西线渡村卫河大桥施工单位:河南恒通公路桥梁建设有限公司合同监理单位:濮阳市通达路桥工程监理有限公司(编号: ) C-6.38-2分项工程名称:防撞护栏工程部位(桩号、墩台号、孔号):第3-4孔 东侧分部工程名称:总体、桥面系和附属工程建设项目:内黄县X004南西线渡村卫河大桥施工单位:河南恒通公路桥梁建设有限公司合同监理单位:濮阳市通达路桥工程监理有限公司(编号: ) C-6.38-2分项工程名称:防撞护栏工程部位(桩号、墩台号、孔号):第5-6孔 东侧分部工程名称:总体、桥面系和附属工程建设项目:内黄县X004南西线渡村卫河大桥施工单位:河南恒通公路桥梁建设有限公司合同监理单位:濮阳市通达路桥工程监理有限公司(编号: ) C-6.38-2分项工程名称:防撞护栏工程部位(桩号、墩台号、孔号):第7-8孔 东侧分部工程名称:总体、桥面系和附属工程建设项目:内黄县X004南西线渡村卫河大桥施工单位:河南恒通公路桥梁建设有限公司合同监理单位:濮阳市通达路桥工程监理有限公司(编号: ) C-6.38-2分项工程名称:防撞护栏工程部位(桩号、墩台号、孔号):第9-10孔 东侧分部工程名称:总体、桥面系和附属工程建设项目:内黄县X004南西线渡村卫河大桥施工单位:河南恒通公路桥梁建设有限公司合同监理单位:濮阳市通达路桥工程监理有限公司(编号: ) C-6.38-2分项工程名称:防撞护栏工程部位(桩号、墩台号、孔号):第12-13孔 东侧分部工程名称:总体、桥面系和附属工程建设项目:内黄县X004南西线渡村卫河大桥施工单位:河南恒通公路桥梁建设有限公司合同监理单位:濮阳市通达路桥工程监理有限公司(编号: ) C-6.38-2分项工程名称:防撞护栏工程部位(桩号、墩台号、孔号):第14-15孔 东侧分部工程名称:总体、桥面系和附属工程建设项目:内黄县X004南西线渡村卫河大桥施工单位:河南恒通公路桥梁建设有限公司合同监理单位:濮阳市通达路桥工程监理有限公司(编号: ) C-6.38-2分项工程名称:防撞护栏工程部位(桩号、墩台号、孔号):第17-18孔 东侧分部工程名称:总体、桥面系和附属工程建设项目:内黄县X004南西线渡村卫河大桥施工单位:河南恒通公路桥梁建设有限公司合同监理单位:濮阳市通达路桥工程监理有限公司(编号: ) C-6.38-2分项工程名称:防撞护栏工程部位(桩号、墩台号、孔号):第19-20孔 东侧分部工程名称:总体、桥面系和附属工程建设项目:内黄县X004南西线渡村卫河大桥施工单位:河南恒通公路桥梁建设有限公司合同监理单位:濮阳市通达路桥工程监理有限公司(编号: ) C-6.38-2分项工程名称:防撞护栏工程部位(桩号、墩台号、孔号):第21-22孔 东侧分部工程名称:总体、桥面系和附属工程建设项目:内黄县X004南西线渡村卫河大桥施工单位:河南恒通公路桥梁建设有限公司。
浙江省交通运输厅工程质量监督局监制
公路工程项目
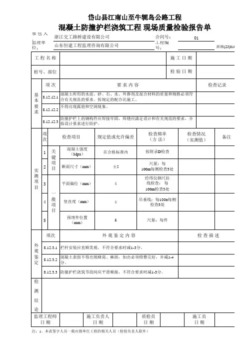
混凝土防撞护栏浇筑现场质量检测评定(106)表
施工单位:合同号:
监理单位:工程编号:浙监(ZP)8105 工程名称施工日期
桩号、部位检验日期
基本要求
项次要求内容检查记录8.12.12.1.1 所用的水泥、砂、石、水和外掺剂的质量和规格必须符合有关规范的要求,按规定的配合比施工。
8.12.12.1.2 不得出现露筋和空洞现象。
8.12.12.1.3 防撞护栏上的钢构件应焊接牢固,焊缝应满足设计和有关规范的要求,并按设计要求进行防护。
实测项目项次检查项目规定或设计值允许偏差
检查情况(实测值)
权值
合格率
(%)
加权
得分
1 2 3 4 5 6 7 8 9 10 11 12 13 14 15
1△混凝土强度(MPa)在合格标准内 3
2 平面偏位(mm)4 2
3△断面尺寸(mm)±5 2
4 竖直度(mm) 4 1
5 预埋件位置(mm) 5 1
外观鉴定
项次外观鉴定内容检查描述扣分8.12.12.3.1 □防撞护栏线形直顺美观。
不符合要求时减1~3分。
8.12.12.3.2 □混凝土表面应平整;□不应出现蜂窝、麻面。
如出现必须修整完好,并减1~4分。
8.12.12.3.3 □防撞护栏浇筑节段间应平滑顺接,不符合要求时减1~3分。
质保资料
评定结论实测项目得分:分外观扣分:分质保资料扣分:分本分项(工序)工程得分分,质量等级:工程。
监理员:年月日专业监理工程师:年月日。
公路工程管理用表范本-复合桥面水泥混凝土铺装质量检验报
告单
检验报告单编号: XXX
检验日期: XXX
施工单位: XXX
工程名称: XXX
检验人员: XXX
检验内容和要求
1.混凝土铺装材料:
–混凝土强度等级:XXX
–骨料种类及级配:XXX
–砂率:XXX%
2.施工要求:
–铺装厚度:XXXmm
–铺装坡度:X%
–铺装宽度:XXXm
3.铺装检验项目:
–铺装密实度:XXX
–铺装平整度:XXX
–铺装抗压强度:XXX
检验结果
1.混凝土铺装质量:
–强度合格:✔️
–厚度均匀:✔️
–平整度符合要求:✔️
2.检验结论:
–经检验,混凝土铺装质量符合规范要求,可正常投入使用。
检验人员意见
XXX
批准单位
XXX
感谢阅读以上复合桥面水泥混凝土铺装质量检验报告单,请相关单位妥善保存。
合福铁路铜陵长江大桥
承包单位*************有限公司合同号监理单位*****************联合体编号
中间检验申请单
合福铁路铜陵长江大桥
承包单位*************有限公司合同号监理单位*****************联合体编号
钢筋加工及安装现场质量检验报告单
合福铁路铜陵长江大桥
承包单位*************有限公司合同号监理单位*****************联合体编号
中间检验申请单
合福铁路铜陵长江大桥
承包单位*************有限公司合同号监理单位*****************联合体编号
模板安装质量检验报告单
合福铁路铜陵长江大桥
承包单位*************有限公司合同号监理单位*****************联合体编号
中间检验申请单
合福铁路铜陵长江大桥
承包单位*************有限公司合同号监理单位*****************联合体编号
混凝土(原材料、施工)检验记录
合福铁路铜陵长江大桥
承包单位*************有限公司合同号监理单位*****************联合体编号
工程报验单
合福铁路铜陵长江大桥
承包单位*************有限公司合同号监理单位*****************联合体编号
混凝土防撞护栏浇筑质量检验报告单。
混凝土防撞护栏浇筑现场质量检验报告单混凝土防撞护栏是一种常见的交通设施,在路边、桥梁和隧道出入口等地方广泛应用。
为了确保防撞护栏的安全性和稳定性,需要进行现场质量检验。
下面是一份混凝土防撞护栏浇筑现场质量检验报告单,详细记录了浇筑过程中的各项质量检验内容和结果。
一、工程概况项目名称:混凝土防撞护栏浇筑工程工程地点:XX路XX段工程施工单位:XX施工公司质量检验单位:XX质量检验中心报告编制日期:XXXX年XX月XX日二、施工前质量准备1.混凝土配合比确认:根据设计要求,确认混凝土的配合比为XX级。
经过检验,混凝土配合比符合要求。
2.施工材料检验:(1)水泥:按照规定采集水泥样品进行质量检验,检验结果显示水泥合格。
(2)骨料:采集骨料样品进行筛分分析和含水率测定,结果符合要求。
三、施工过程质量检验1.模板安装:(1)模板规格和尺寸符合设计要求。
(2)模板的安装固定牢固,不会出现松动和变形现象。
(3)模板表面涂抹防粘剂,以便于脱模。
2.钢筋安装:(1)钢筋符合设计要求,规格和数量与设计一致。
(2)钢筋的间距、长度和弯曲度符合施工图纸要求。
(3)钢筋与模板之间设置合理的间隙,以便于混凝土的浇筑和压实。
3.混凝土浇筑:(1)混凝土浇筑前进行了现场试块的制作。
试块标号为XX,按照标准养护并送检。
试块试验结果符合设计要求。
(2)混凝土浇筑过程中注意均匀振捣,确保混凝土的密实性。
(3)混凝土浇筑完成后,立即进行养护,保湿时间不少于XX小时。
四、质量检验结果根据以上质量检验工作,得出以下结果:1.水泥:合格2.骨料:合格3.模板安装:合格4.钢筋安装:合格5.混凝土配合比:合格6.混凝土浇筑:合格五、质量问题处理及改进意见在施工过程中,未发现任何质量问题。
为了进一步提高工程质量和施工效率,我们提出以下改进意见:1.加强对模板的定期检查,确保模板的使用寿命和安全性。
2.提前准备好混凝土和施工材料,以确保施工进度的顺利进行。
公路工程管理用表范本-栏杆安装质量检验报告单
一、工程概况
•项目名称:
•施工单位:
•检验单位:
•检验时间:
二、栏杆安装质量检验情况
1. 栏杆安装情况
•栏杆材质:
•栏杆类型:
•栏杆数量:
2. 安装质量情况
•栏杆安装位置:
•固定方式:
•栏杆高度:
•栏杆垂直度:
•栏杆横平度:
•栏杆连接处:
•栏杆表面处理:
3. 检验结果
•栏杆安装符合要求:
•存在的问题及建议:
三、检验人员
•检验人员1:
•检验人员2:
四、验收意见
•质量检验单位意见:
•施工单位意见:
•监理单位意见:
五、重要事项
•检验过程中发现的问题:
•下一步整改计划:
六、附录
•相关图片:
•其他补充说明:
以上内容经过本次栏杆安装质量检验,并整理成报告单,希望对工程管理有所帮助,有任何疑问或建议,请随时联系。
护栏安装现场质量检验报告单一、项目概述为保证护栏在安装后的质量达到规范要求,进行了现场质量检验。
本次检验的目的是评估护栏的安装质量以及相应的工程施工质量。
二、检验范围本次检验范围包括护栏的材料、安装工艺以及现场施工情况。
三、检验内容及结果1.材料检验1.1护栏材料的规格、型号是否符合设计要求。
1.2护栏材料的外观质量是否符合相关标准。
1.3护栏材料的抗腐蚀性能是否达到要求。
结果:经检验,护栏材料的规格、型号、外观质量以及抗腐蚀性能均符合要求。
2.安装工艺检验2.1护栏的基础处理情况是否符合规范要求。
2.2护栏的固定方式是否符合设计要求。
2.3护栏各部位的连接是否紧固可靠。
2.4护栏的垂直度和水平度是否符合标准。
结果:经检验,护栏的基础处理、固定方式、连接方式以及垂直度和水平度均符合相关规范要求。
3.现场施工检验3.1施工过程中是否按照设计方案进行施工。
3.2施工现场是否保持整洁,无安全隐患。
3.3施工人员是否佩戴符合要求的安全防护用具。
3.4施工过程中是否存在违反相关规范要求的情况。
结果:经检验,施工过程中按照设计方案进行施工,施工现场整洁,施工人员佩戴了符合要求的安全防护用具,无违反规范要求的情况。
四、不符合项处理本次检验未发现不符合相关规范要求的情况。
五、结论与建议通过本次质量检验,护栏安装现场的质量得到保证,符合相关规范要求。
为确保后续使用中的安全和稳定性,建议定期进行维护和检修,以延长护栏的使用寿命。
六、总结本次护栏安装现场质量检验依据相关规范要求进行,通过对材料、安装工艺和施工情况的检验,确认了护栏的质量符合标准。
这不仅保障了工程的顺利进行,也为后续的使用提供了可靠的保证。
对于未来类似工程的进行,可以参考本次检验报告,以确保施工质量的稳定性和一致性。
护栏安装现场质量检验报告单项目名称:护栏安装工程项目编号:XXXXX检验日期:XXXX年XX月XX日一、检验目的:本次检验实施是为了对护栏安装工程进行全面检查,以确保护栏的安装质量符合相关规范和标准要求。
二、检验范围:本次检验的范围包括以下内容:1.护栏材料的质量和规格是否符合要求;2.护栏的安装是否符合相关规范和标准;3.护栏固定件和连接件的安装是否牢固可靠;4.护栏与地面的连接是否紧密;5.护栏的外观质量是否满足要求。
三、检验结果:1.护栏材料检验结果:经检验,护栏材料的质量和规格符合要求,无明显瑕疵和损伤。
2.护栏安装质量检验结果:(1)护栏的安装是否符合相关规范和标准:根据《护栏安装规范》进行检查,护栏的安装高度、间距和固定件的使用均符合要求,符合相关规范和标准。
(2)护栏固定件和连接件的安装是否牢固可靠:经现场检查,固定件和连接件的安装牢固可靠,无松动或缺失现象,满足使用要求。
(3)护栏与地面的连接是否紧密:护栏与地面连接部分的焊接工艺和质量良好,连接紧密,无明显缺陷或裂纹。
(4)护栏的外观质量:护栏的表面经过喷涂处理,无明显划痕、斑点或漏涂现象,符合外观质量要求。
四、存在的问题及处理意见:在本次检验中,未发现明显的安装质量问题和材料缺陷。
建议在后续维护中注意护栏的周边环境,防止碰撞和损坏。
五、检验结论:经过对护栏安装工程的全面检查和评估,确认护栏的安装质量符合相关规范和标准要求,可以进行正常使用。
六、参与检验单位:1.检验单位:(填写检验单位的名称)2.检验人员:(填写检验人员的姓名)注:本报告采用标准格式,以确保检验结果的准确和统一性。
如有其他特殊要求,请另行说明。
以上给出的是一个护栏安装现场质量检验报告单的示例,具体的报告单内容和字数可以根据实际情况进行调整和补充。
桥梁工程施工防护设施检验批质量验收记录表接下表防护设施检验批质量验收记录填写说明主控项目1、混凝土栏杆、防撞护栏、防撞墩、隔离墩的强度必须符合设计要求,安装必须牢固、稳定。
检查数量:全数检查。
检验方法:观察、检查混凝土试件强度试验报告。
2、金属栏杆、防护网的品种、规格应符合设计要求,安装必须牢固。
检查数量:全数检查。
检验方法:观察、用钢尺量、检查产品合格证、检查进场检验记录、用焊缝量规检查。
一般项目1、预制混凝土栏杆允许偏差应符合表20.8.6-1的规定;安装允许偏差应符合表20.8.6-2的规定。
表20.8.6-1 预制混凝土栏杆允许偏差注:L为构件长度。
表20.8.6-2 栏杆安装允许偏差注:现场浇注的栏杆、扶手和钢结构栏杆、扶手的允许偏差可按本款执行。
2、金属栏杆、防护网必须按设计要求做防护处理,不得漏涂、剥落。
检查数量:抽查5%。
检验方法:观察、用涂层测厚仪检查。
3、防撞护栏、防撞墩、隔离墩允许偏差应符合表20.8.6-3的规定。
表20.8.6-3 防撞护栏、防撞墩、隔离墩允许偏差4、防护网安装允许偏差应符合表20.8.6-4的规定。
表20.8.6-3 防护网安装允许偏差5、防护网安装后,网面应平整,无明显翘曲、凹凸现象。
检查数量:全数检查。
检验方法:观察。
6、混凝土结构表面不得有孔洞、露筋、蜂窝、麻面、缺棱掉角等缺陷,线形应流畅平整。
检查数量:全数检查。
检验方法:观察。
7、防护设施伸缩缝必须全部贯通,并与主梁伸缩缝相对应。
检查数量:全数检查。
检验方法:观察。
防撞护栏、防撞墩、隔离墩检验批质量验收记录表
防撞护栏、防撞墩、隔离墩质量检验标准
20.8.6 防护设施质量检验应符合下列规定:
主控项目
1 .混凝土栏杆、防撞护栏、防撞墩、隔离墩的强度应符合设计要求,安装必须牢固、稳定。
检查数量:全数检查。
检查方法:观察、检查混凝土试件强度试验报告。
2 .金属栏杆、防护网的品种、规格应符合设计要求,安装必须牢固。
检查数量:全数检查。
检查方法:观察、用钢尺量、检查产品合格证、检查进场检验记录、用焊缝量规检查。
一般项目
1. 金属栏杆、防护网必须按设计要求作防护处理,不得漏涂、剥落。
检查数量:抽查5%。
检验方法:观察、用涂层测厚检查。
2. 防撞护栏、防撞墩、隔离墩允许偏差应符合表20.8.6-3 的规定。
表20.8.6-3 防撞护栏、防撞墩、隔离墩允许偏差
3.混凝土结构表面不得有孔洞、露筋、蜂窝、麻面、缺棱、掉角等缺陷,线形应流畅平顺。
检查数量:全数检查。
检验方法:观察。
4. 防护设施伸缩缝必须全部贯通,并与主梁伸缩缝相对应。
防撞护栏、防撞墩、隔离墩质量检验标准
20.8.6 防护设施质量检验应符合下列规定:
主控项目
1 .混凝土栏杆、防撞护栏、防撞墩、隔离墩的强度应符合设计要求,安装必须牢固、稳定。
检查数量:全数检查。
检查方法:观察、检查混凝土试件强度试验报告。
2 .金属栏杆、防护网的品种、规格应符合设计要求,安装必须牢固。
检查数量:全数检查。
检查方法:观察、用钢尺量、检查产品合格证、检查进场检验记录、用焊缝量规检查。
一般项目
1. 金属栏杆、防护网必须按设计要求作防护处理,不得漏涂、剥落。
检查数量:抽查5%。
检验方法:观察、用涂层测厚检查。
2. 防撞护栏、防撞墩、隔离墩允许偏差应符合表20.8.6-3 的规定。
表20.8.6-3 防撞护栏、防撞墩、隔离墩允许偏差
3.混凝土结构表面不得有孔洞、露筋、蜂窝、麻面、缺棱、掉角等缺陷,线形应流畅平顺。
检查数量:全数检查。
检验方法:观察。
4. 防护设施伸缩缝必须全部贯通,并与主梁伸缩缝相对应。
CFH-01承包单位:合同号加固路肩砌筑现场质量检验报告单:CFH-02承包单位:合同号衬砌拱式、网格护坡现场质量检验报告单:CFH-03承包单位:合同号锥、护坡现及平台现场质量检验报告单:CFH-04承包单位:合同号河床铺砌现场质量检验报告单:CFH-05承包单位:合同号砌体坡面防护现场质量检验报告单:CFH-06承包单位:合同号导流工程现场质量检验报告单:CFH-07承包单位:合同号石笼防护现场质量检验报告单:CFH-08承包单位:合同号砌体挡土墙现场质量检验报告单:CFH-09承包单位:合同号:TRJYYT 干砌挡土墙现场质量检验报告单1CFH-10承包单位:合同号边坡锚固防护现场质量检验报告单:CFH-11承包单位: 合同号土钉现场质量检验报告单:CFH-12承包单位:合同号抗滑桩现场质量检验报告单:CFH-13承包单位: 合同号片石混凝土挡土墙现场质量检验报告单:CFH-14承包单位: 合同号悬臂式和扶臂式挡土墙现场质量检验报告单:CFH-15承包单位: 合同号筋带质量检验报告单:CFH-16承包单位: 合同号拉杆现场质量检验报告单:CFH-17承包单位: 合同号面板预制现场质量检验报告单:CFH-18承包单位: 合同号锚杆、锚定板、加筋土挡土墙总体现场质量检验报告单:CFH-19承包单位: 合同号锚杆、锚索现场质量检验报告单:CFH-20承包单位: 合同号现浇混凝土框架梁或地梁现场质量检验报告单:。