公差与配合及其标注法
- 格式:doc
- 大小:196.50 KB
- 文档页数:10
一、公差与配合的概念(一)零件的互换性在成批生产进行机器装配时,要求一批相配合的零件只要按零件图要求加工出来,不经任何选择或修配,任取一对装配起来,就能达到设计的工作性能要求,零件间的这种性质称为互换性。
零件具有互换性,可给机器装配、修理带来方便,也为机器的现代化大生产提供了可性。
(二)公差的有关术语零件在加工过程中,足球机床精度、刀具磨损、测量误差等的影响,不可能把零件的尺寸加工得绝对准确。
为了保证互换性,必须将零件尺寸的加工误差限制在一定范围内,为例,说明公差的有关术语(轴,类同)。
1、基本尺寸根据零件的强度和结构要求,设计时确定的尺寸。
其数值应优先用标准直径或标准长度。
2、实际尺寸通过测量所得到的尺寸。
3、极限尺寸允许尺寸变动的两个界限值。
它是以基本尺寸为基数来确定的。
两个界限值中较大的一个称为最大极限尺寸;较小的一个称为最小极限尺寸。
4、尺寸偏差(简称偏差)某一尺寸减去其基本尺寸所得的代数差。
尺寸偏差有:上偏差=最大极限尺寸—基本尺寸下偏差=最小极限尺寸—基本尺寸上、下偏差统称为极限偏差,上、下偏差可以是正值、负值或零。
国家标准规定:孔的上偏差代号为ES,孔的下偏差代号为EI;轴的上偏差代号为es,轴的下偏差代号为ei.5、尺寸公差(简称公差)允许尺寸的变动量。
尺寸公差=最大极限尺寸—最小极限尺寸=上偏差—下偏差因为最大极限尺寸总是大于最小极限尺寸,亦即上偏差总是大于下偏差,所以尺寸公差一定为正值。
如图1a所示的孔径:基本尺寸=Ø30最大极限尺寸=Ø30.010最小极限尺寸= Ø29.990上偏差ES=最大极限尺寸—基本尺寸=30.010-30=+0。
010下偏差EI=最小极限尺寸—基本尺寸=29.990-30=-0.010公差=最大极限尺寸—最小极限尺寸=3。
010-29.990=0.020=ES-EI=+0.010-(-0.010)=0。
020如果实际尺寸在Ø30.010与Ø29.990这间,即为合格。
轴承公差与配合的基本概念及标注
轴承公差和配合是机械加工中常用的概念。
轴承公差是指轴承尺寸和形状的偏差范围,配合是指轴承与轴的连接方式。
以下是轴承公差和配合的基本概念及标注:
1. 轴承公差的基本概念
公差是指零件尺寸上下限之间的偏差,通常使用加减符号来表示,如H7/h6。
其中,H7是轴承座孔的上限尺寸,h6是轴的下限尺寸。
相应地,在轴承外径和轴承宽度方面也有类似的标记方法。
2. 配合的基本概念
轴承和轴之间的连接称为配合。
配合分为干涉配合和间隙配合两种。
干涉配合是指轴和轴承之间存在一定的力合,密封性好,但装配和拆卸比较困难。
间隙配合是指轴和轴承之间存在一定的间隙,装配和拆卸方便,但密封性较差。
3. 标注方法
轴承公差和配合在图纸上都采用符号和字母进行标注。
轴承公差采用字母H、K、N、P、S等来表示,配合则采用字母F、G、H、J、K、M等来表示。
标注时一般先标轴承公差,再标配合。
例如,轴承座与轴的连接标注为H7/f6,表示轴承
座的上限尺寸为H7,轴的下限尺寸为f6。
精心整理一、公差与配合的概念(一)零件的互换性在成批生产进行机器装配时,要求一批相配合的零件只要按零件图要求加工出来,不经任何选择或修配,任取一对装配起来,就能达到设计的工作性能要求,零件间的这种性质称为互换性。
零件具有互换性,可给机器装配、修理带来方便,也为机器的现代化大生产提供了可性。
(二)公差的有关术语1234下偏差=最小极限尺寸—基本尺寸上、下偏差统称为极限偏差,上、下偏差可以是正值、负值或零。
国家标准规定:孔的上偏差代号为ES,孔的下偏差代号为EI;轴的上偏差代号为es,轴的下偏差代号为ei.5、尺寸公差(简称公差)允许尺寸的变动量。
尺寸公差=最大极限尺寸—最小极限尺寸=上偏差—下偏差因为最大极限尺寸总是大于最小极限尺寸,亦即上偏差总是大于下偏差,所以尺寸公差一定为正值。
?如图1a所示的孔径:6如图1b所示,零线是在公差带图中用以确定偏差的一条基准线,即零偏差线。
通常零线表示基本尺寸。
在零线左端标上“0”“+”、“—”号,零线上方偏差为正;零线下方偏差为负。
公差带是由代表上、下偏差的两条直线所限定的一个区域,公差带的区域宽度和位置是构成公差带的两个要素。
为了简便地说明上述术语及其相互关系,在实用中一般以公差带图表示。
公差带图是以放大图形式画出方框的,注出零线,方框宽度表示公差公差值大小,方框的左右长度可根据需要任意确定。
为区别轴和孔的公差带,一般用斜线表示孔的公差带;用加点表示轴的公差。
7、标准公差与标准公差等级标准公差是国家标准所列的以确定公差带大小的任一公差。
标准公差等级是确定尺寸精确程度的等级。
标准公差分20个等级,即IT01、IT0、IT1、IT—18,表示标准公差,阿拉伯数字表示标准公差等级,其中IT01级最高,等级依次降低,IT18级最低。
对于一定的基本尺寸,标准公差等级愈高,标准公差值愈小,尺寸的精确程度愈高。
国家标准将500mm以内的基本尺寸范围分成13段,按不同的标准公差等级列出了各段基本尺寸的标准公差值,见表82孔、轴(1(2。
标注公差、基本偏差、配合、基准制和形位公差1.标准公差和基本偏差为便于生产,实现零件的互换性及满足不同的使用要求,国家标准《极限与配合》规定了公差带由标准公差和基本偏差两个要素组成。
标准公差确定公差带的大小,而基本偏差确定公差带的位置。
1)标准公差(IT)标准公差的数值由基本尺寸和公差等级来决定。
其中公差等级是确定尺寸精确程度的标记。
标准公差分为20级,即IT01,IT0,IT1,…,IT18。
其尺寸精确程度从IT01到IT18依次降低。
标准公差的具体数值见有关标准。
2)基本偏差基本偏差是指在标准的极限与配合中,确定公差带相对零线位置的上偏差或下偏差,一般指靠近零线的那个偏差。
当公差带在零线的上方时,基本偏差为下偏差;反之,则为上偏差。
基本偏差共有28个,代号用拉丁字母表示,大写为孔,小写为轴。
从基本偏差系列图中可以看出:孔的基本偏差A~H和轴的基本偏差k~zc为下偏差;,孔的基本偏差K~ZC和轴的基本偏差a~h为上偏差,JS和js的公差带对称分布于零线两边、孔和轴的上、下偏差分别都是+IT/2、-IT/2。
基本偏差系列图只表示公差带的位置,不表示公差的大小,因此,公差带一端是开口,开口的另一端由标准公差限定。
基本偏差和标准公差,根据尺寸公差的定义有以下的计算式:ES=EI+IT 或EI=ES-IT ei=es-IT或es=ei+IT孔和轴的公差带代号用基本偏差代号与公差带等级代号组成。
2.配合基本尺寸相同的、相互结合的孔和轴公差带之间的关系,称为配合。
根据使用要求的不同,孔和轴之间的配合有松有紧,因而国标规定配合种类:1)间隙配合孔与轴装配时,有间隙(包括最小间隙等于零)的配合。
孔的公差带在轴的公差带之上。
2)过渡配合孔与轴装配时,可能有间隙或过盈的配合。
孔的公差带与轴的公差带互相交叠。
3)过盈配合孔与轴装配时有过盈(包括最小过盈等于零)的配合。
孔的公差带在轴的公差带之下。
3.基准制在制造配合的零件时,使其中一种零件作为基准件,它的基本偏差一定,通过改变另一种非基准件的基本偏差来获得各种不同性质配合的制度称为基准制。
公差与配合及其标注法一、公差与配合的概念(一)零件的互换性在成批生产进行机器装配时,要求一批相配合的零件只要按零件图要求加工出来,不经任何选择或修配,任取一对装配起来,就能达到设计的工作性能要求,零件间的这种性质称为互换性。
零件具有互换性,可给机器装配、修理带来方便,也为机器的现代化大生产提供了可性。
(二)差的有关术语零件在加工过程中,足球机床精度、刀具磨损、测量误差等的影响,不可能把零件的尺寸加工得绝对准确。
为了保证互换性,必须将零件尺寸的加工误差限制在一定范围内,为例,说明公差的有关术语(轴,类同)。
1、基本尺寸根据零件的强度和结构要求,设计时确定的尺寸。
其数值应优先用标准直径或标准长度。
2、实际尺寸通过测量所得到的尺寸。
3、极限尺寸允许尺寸变动的两个界限值。
它是以基本尺寸为基数来确定的。
两个界限值中较大的一个称为最大极限尺寸;较小的一个称为最小极限尺寸。
4、尺寸偏差(简称偏差)某一尺寸减去其基本尺寸所得的代数差。
尺寸偏差有:上偏差=最大极限尺寸—基本尺寸下偏差=最小极限尺寸—基本尺寸上、下偏差统称为极限偏差,上、下偏差可以是正值、负值或零。
国家标准规定:孔的上偏差代号为ES,孔的下偏差代号为EI;轴的上偏差代号为es,轴的下偏差代号为ei.5、尺寸公差(简称公差)允许尺寸的变动量。
尺寸公关=最大极限尺寸—最小极限尺寸=上偏差—下偏差因为最大极限尺寸总是大于最小极限尺寸,亦即上偏差总是大于下偏差,所以尺寸公差一定为正值。
如图10—4—9—a所示的孔径:基本尺寸=Ø30最大极限尺寸=Ø30.010最小极限尺寸= Ø29。
990上偏差ES=最大极限尺寸—基本尺寸=30。
010-30=+0。
010下偏差EI=最小极限尺寸—基本尺寸=29。
990-30=-0。
010公差=最大极限尺寸—最小极限尺寸=3。
010-29。
990=0。
020=ES-EI=+0。
010-(-0。
公差与配合的标注
零件图上的标注方法
零件图上的尺寸公差可按下面三种形式之一标:
1)在基本尺寸右边注出公差带代号,见下图a。
2)在基本尺寸右边注出极限偏差,见上图b。
3)在基本尺寸右边注出公差带代号和相应的极限偏差。
但极限偏
差应加上括号,见上图c。
当标注极限偏差时,上、下偏差的小数点必须对齐,小数点后的位数也必须相同;当上偏差或下偏差为"零"时用数字"0"标出(不加正、负号),并与上偏差或下偏差的小数点前的个位数对齐;当公差带相对于
基本尺寸对称配置,即两个偏差绝对值相同时,偏差只需注写一次,并
应在偏差与基本尺寸之间注出符号"士",且两者数字高度相同。
装配图上的标注方法
装配图上两结合零件有配合要求时,应在基本尺寸右边注出相应的配合代号,其注写形式为下图中的三种形式之一。
标注公差、基本偏差、配合、基准制和形位公差1.标准公差和基本偏差为便于生产,实现零件的互换性及满足不同的使用要求,国家标准《极限与配合》规定了公差带由标准公差和基本偏差两个要素组成。
标准公差确定公差带的大小,而基本偏差确定公差带的位置。
1)标准公差(IT)标准公差的数值由基本尺寸和公差等级来决定。
其中公差等级是确定尺寸精确程度的标记。
标准公差分为20级,即IT01,IT0,IT1,…,IT18。
其尺寸精确程度从IT01到IT18依次降低。
标准公差的具体数值见有关标准。
2)基本偏差基本偏差是指在标准的极限与配合中,确定公差带相对零线位置的上偏差或下偏差,一般指靠近零线的那个偏差。
当公差带在零线的上方时,基本偏差为下偏差;反之,则为上偏差。
基本偏差共有28个,代号用拉丁字母表示,大写为孔,小写为轴。
从基本偏差系列图中可以看出:孔的基本偏差A~H和轴的基本偏差k~zc为下偏差;,孔的基本偏差K~ZC和轴的基本偏差a~h为上偏差,JS和js的公差带对称分布于零线两边、孔和轴的上、下偏差分别都是+IT/2、-IT/2。
基本偏差系列图只表示公差带的位置,不表示公差的大小,因此,公差带一端是开口,开口的另一端由标准公差限定。
基本偏差和标准公差,根据尺寸公差的定义有以下的计算式:ES=EI+IT 或EI=ES-IT ei=es-IT或es=ei+IT孔和轴的公差带代号用基本偏差代号与公差带等级代号组成。
2.配合基本尺寸相同的、相互结合的孔和轴公差带之间的关系,称为配合。
根据使用要求的不同,孔和轴之间的配合有松有紧,因而国标规定配合种类:1)间隙配合孔与轴装配时,有间隙(包括最小间隙等于零)的配合。
孔的公差带在轴的公差带之上。
2)过渡配合孔与轴装配时,可能有间隙或过盈的配合。
孔的公差带与轴的公差带互相交叠。
3)过盈配合孔与轴装配时有过盈(包括最小过盈等于零)的配合。
孔的公差带在轴的公差带之下。
3.基准制在制造配合的零件时,使其中一种零件作为基准件,它的基本偏差一定,通过改变另一种非基准件的基本偏差来获得各种不同性质配合的制度称为基准制。
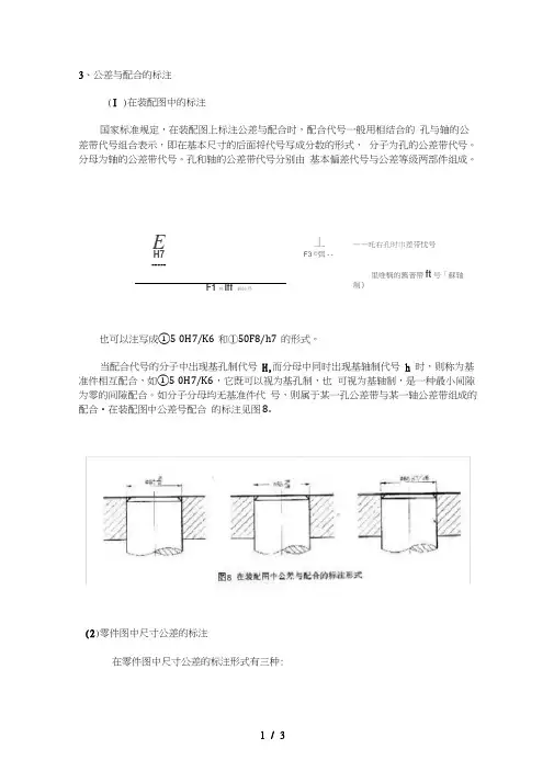
3、公差与配合的标注(I )在装配图中的标注国家标准规定,在装配图上标注公差与配合时,配合代号一般用相结合的孔与轴的公差带代号组合表示,即在基本尺寸的后面将代号写成分数的形式,分子为孔的公差带代号。
分母为轴的公差带代号。
孔和轴的公差带代号分别由基本偏差代号与公差等级两部件组成。
E丄——吒右孔时巾差带忧号H7F3 ©弭-------里唯稱的舊普帶ft号「蘇轴制》F1刊Iff」砂比号也可以注写成①5 0H7/K6和①50F8/h7的形式。
当配合代号的分子中出现基孔制代号H,而分母中同时出现基轴制代号h 时,则称为基准件相互配合,如①5 0H7/K6,它既可以视为基孔制,也可视为基轴制,是一种最小间隙为零的间隙配合。
如分子分母均无基准件代号,则属于某一孔公差带与某一轴公差带组成的配合•在装配图中公差号配合的标注见图8.(2)零件图中尺寸公差的标注在零件图中尺寸公差的标注形式有三种:1)在基本尺寸后面只标注公差带代号。
公差带代号应注写在基本尺寸的右边,如图9 所示,这种标注形式适合于大批量生产的零件。
2)在基本尺寸后面标注极限偏差、表示极限偏差的数字要比基本尺寸的数字小一号,如图9. b所示,偏差值一般要注写三位有效数字,上偏差注写在基本尺寸的右上力;下偏差应与基本尺寸注写在同一底线上。
若其中有一个偏差值为零时,要以占位,并与上偏差或下偏差小数点前的个位数字对齐。
如果上下偏差数值相同。
符号相反,则应首先在基本尺寸的右边注上“士”号,再填写偏差数字,其高度与基本尺寸数字相同,如图10所示.这种标注形式适合于单件或小批量生产的零件。
3)在基本尺寸的后面同时标注公差带代号和极限偏差数值,此时极限偏差数值应加括号,如图9c所示。
圈9在零甘圉即公番对1E舍的标注於式图10 .1. 值棺同的柿注(注:范文素材和资料部分来自网络,供参考。
只是收取少量整理收集费用, 请预览后才下载,期待你的好评与关注。
公差配合标注的方法主要有以下三种:
1. 标注孔、轴的配合代号,例如,孔的公差带代号为H,轴的公差带代号为h,这种标注表明孔和轴之间有基孔制配合。
如果孔的公差带代号为H,轴的公差带代号为H,那么就表明孔和轴之间有基轴制配合。
2. 零件与标准件或外购件配合时,装配图中可仅标注该零件的公差带代号。
例如,轴颈与滚动轴承圈的配合可以仅标注轴颈的公差带代号,机座孔与滚动轴承座圈的配合可以仅标注机座孔的公差带代号。
3. 标注孔、轴的极限偏差,这种方法主要用于非标准配合。
在实际应用中,可以根据具体的情况选择合适的标注方法。
公差配合标注公差配合标注是在工程图纸上标注零件之间的尺寸和公差范围,以确保零件之间的配合满足设计要求并能够实现预期的功能。
以下是一些公差配合标注的相关参考内容。
1. 基本公差标注:在工程图纸上,通常会使用符号“±”来标注公差范围。
例如,“Ø25±0.1”表示零件的直径为25mm,公差为±0.1mm。
这种标注通常用于较大尺寸的零件,对于较小的尺寸通常会使用其他的标注方法。
2. 线性公差标注:对于线性尺寸,可以使用符号“±”或“-”来标注公差范围。
例如,“50±0.5”或“50-0.5”表示长度为50mm的线性尺寸的公差范围为±0.5mm。
3. 角度公差标注:角度公差通常使用符号“±”或“∠”来标注。
例如,“∠30°±1°”表示角度为30°的公差范围为±1°。
4. 圆度公差标注:圆度是指圆形零件表面的偏差程度。
常见的圆度公差符号是“⌀”。
例如,“⌀20±0.02”表示圆直径为20mm的圆度公差范围为±0.02mm。
5. 平面度公差标注:平面度是指零件表面与参考平面之间的最大偏差。
常见的平面度公差符号是“⌀”。
例如,“⌀0.03”表示零件表面的平面度最大偏差为0.03mm。
6. 公差堆积:当多个零件需要配合时,它们的公差堆积会导致配合效果的变化。
因此,在工程图纸上需要标注公差堆积要求,以确保配合效果满足设计需求。
7. 公差等级标注:根据不同的要求和复杂度,零件的公差等级可以分为不同的等级,例如IT级和JT级。
在工程图纸上需要标注公差等级,以确保零件的制造和装配满足要求。
8. 公差带宽标注:公差带宽是指公差范围的上限减去下限。
在工程图纸上需要标注公差带宽,以便制造人员明确公差的范围。
正确定义和标注公差配合要求对于零件的制造和装配至关重要。
工程师需要根据设计要求、制造工艺和装配要求等方面因素来选择并标注合适的公差配合内容,以确保零件之间的配合满足设计要求并能够实现预期的功能。
3、公差与配合的标注
(l)在装配图中的标注
国家标准规定,在装配图上标注公差与配合时,配合代号一般用相结合的孔与轴的公差带代号组合表示,即在基本尺寸的后面将代号写成分数的形式,分子为孔的公差带代号。
分母为轴的公差带代号。
孔和轴的公差带代号分别由基本偏差代号与公差等级两部件组成。
也可以注写成Φ50H7/K6和Φ50F8/h7的形式。
当配合代号的分子中出现基孔制代号H,而分母中同时出现基轴制代号h 时,则称为基准件相互配合,如Φ50H7/K6,它既可以视为基孔制,也可视为基轴制,是一种最小间隙为零的间隙配合。
如分子分母均无基准件代号,则属于某一孔公差带与某一轴公差带组成的配合.在装配图中公差号配合的标注见图8.
(2)零件图中尺寸公差的标注
在零件图中尺寸公差的标注形式有三种:
l)在基本尺寸后面只标注公差带代号。
公差带代号应注写在基本尺寸的右边,如图9 所示,这种标注形式适合于大批量生产的零件。
2)在基本尺寸后面标注极限偏差、表示极限偏差的数字要比基本尺寸的数字小一号,如图9.b所示,偏差值一般要注写三位有效数字,上偏差注写在基本尺寸的右上力;下偏差应与基本尺寸注写在同一底线上。
若其中有一个偏差值为零时,要以占位,并与上偏差或下偏差小数点前的个位数字对齐。
如果上下偏差数值相同。
符号相反,则应首先在基本尺寸的右边注上“士”号,再填写偏差数字,其高度与基本尺寸数字相同,如图10所示.这种标注形式适合于单件或小批量生产的零件。
3)在基本尺寸的后面同时标注公差带代号和极限偏差数值,此时极限偏差数值应加括号,如图9c所示。
Welcome !!! 欢迎您的下载,资料仅供参考!。
公差与配合及其标注法一、公差与配合的概念(一)零件的互换性在成批生产进行机器装配时,要求一批相配合的零件只要按零件图要求加工出来,不经任何选择或修配,任取一对装配起来,就能达到设计的工作性能要求,零件间的这种性质称为互换性。
零件具有互换性,可给机器装配、修理带来方便,也为机器的现代化大生产提供了可性。
(二)差的有关术语零件在加工过程中,足球机床精度、刀具磨损、测量误差等的影响,不可能把零件的尺寸加工得绝对准确。
为了保证互换性,必须将零件尺寸的加工误差限制在一定范围内,为例,说明公差的有关术语(轴,类同)。
1、基本尺寸根据零件的强度和结构要求,设计时确定的尺寸。
其数值应优先用标准直径或标准长度。
2、实际尺寸通过测量所得到的尺寸。
3、极限尺寸允许尺寸变动的两个界限值。
它是以基本尺寸为基数来确定的。
两个界限值中较大的一个称为最大极限尺寸;较小的一个称为最小极限尺寸。
4、尺寸偏差(简称偏差)某一尺寸减去其基本尺寸所得的代数差。
尺寸偏差有:上偏差=最大极限尺寸—基本尺寸下偏差=最小极限尺寸—基本尺寸上、下偏差统称为极限偏差,上、下偏差可以是正值、负值或零。
国家标准规定:孔的上偏差代号为ES,孔的下偏差代号为EI;轴的上偏差代号为es,轴的下偏差代号为ei.5、尺寸公差(简称公差)允许尺寸的变动量。
尺寸公关=最大极限尺寸—最小极限尺寸=上偏差—下偏差因为最大极限尺寸总是大于最小极限尺寸,亦即上偏差总是大于下偏差,所以尺寸公差一定为正值。
如图10—4—9—a所示的孔径:基本尺寸=Ø30最大极限尺寸=Ø30.010最小极限尺寸= Ø29。
990上偏差ES=最大极限尺寸—基本尺寸=30。
010-30=+0。
010下偏差EI=最小极限尺寸—基本尺寸=29。
990-30=-0。
010公差=最大极限尺寸—最小极限尺寸=3。
010-29。
990=0。
020=ES-EI=+0。
010-(-0。
010)=0。
020如果实际尺寸在Ø30.010与Ø29.990这间,即为合格。
6、零线、公关带和公差带图如图10—49b所示,零线是在公差带图中用以确定偏差的一条基准线,即零偏差线。
通常零线表示基本尺寸。
在零线左端标上“0”“+”、“—”号,零线上方偏差为正;零线下方偏差为负。
公差带是由代表上、下偏差的两条直线所限定的一个区域,公差带的区域宽度和位置是构成公差带的两个要素。
为了简便地说明上述术语及其相互关系,在实用中一般以公差带图表示。
公差带图是以放大图形式画出方框的,注出零线,方框宽度表示公差公差值大小,方框的左右长度可根据需要任意确定。
为区别轴和孔的公差带,一般用斜线表示孔的公差带;用加点表示轴的公差。
7、准公差与标准公差等级标准公差是国家标准所列的以确定公差带大小的任一公差。
标准公差等级是确定尺寸精确程度的等级。
标准公差分20个等级,即IT01、IT0、IT1、IT—18,表示标准公差,阿拉伯数字表示标准公差等级,其中IT01级最高,等级依次降低,IT18级最低。
对于一定的基本尺寸,标准公差等级愈高,标准公差值愈小,尺寸的精确程度愈高。
国家标准将500mm以内的基本尺寸范围分成13段,按不同的标准公差等级列出了各段基本尺寸的标准公差值,见表8、基本偏差用以确定公差带相对于零线位置的上偏差或下偏差。
一般是指靠近零线的那个偏差,如图10—50所示,当公差带位于零线上方时,其基本偏差为下偏差,当公差带位于零线下方时,其基本偏差为上偏差。
根据实际需要,国家标准分别对孔和轴各规定了28个不同的基本偏差,如图10—51所示。
孔、轴的基本偏差数值可从有关表中查出。
从图10——51中可知:(1)基本偏差代号用拉丁字母表示,大写字母表示的基本偏差代号,小写字母表示轴的基本偏差代号。
由于图中用基本偏差只表示公差带大小,故公差带一端画成开口。
(2)本偏差从A—H为下偏差,J—ZC为上偏差,JS的上下偏差分别为+IT/2和--—IT/2。
(3)轴的基本偏差从a—h为上偏差,j—zc为下偏差,js的上下偏差分别为+IT/2T和—IT/2。
孔和轴的另一偏差可由基本偏差和标准公差算出。
9、轴的公差代号与标准公差等级代号组成,并且要用同一号字书写。
例如:Ø60H8,表示基本尺寸为Ø60,基本偏差为H,标准公差等级为8级的孔的公差带。
又如:Ø60f7,表示基本尺寸为Ø60,基本偏差为f,标准公差等级为7级的轴扔公差带。
(三)配合的有关术语在机器装配中,基本尺寸相同的、相互结合的孔和轴的公差带之间的关系,称为配合。
由于孔和轴的实际尺寸不同,装配后可以产生“间隙”或“过盈”。
在孔与轴的配合中,孔的尺寸减去轴的尺寸所得的代数差为正值时是间隙,为负值时是过盈。
1. 配合的种类配合按其出现间隙或过盈的不同,分为三类:(1)间隙配合孔的公差带在轴的公关带之上,任取其中一对孔和轴相配都成为具有间隙(包括最小间隙为零)的配合,如图10—52a 所示。
(2)过盈配合孔的公差带在轴的公差带之下,任取其中一对孔和轴相配都为为具有过盈(包括最小间隙为零)的配合,如图10—52b 所示。
(3)过度配合孔的公差带在轴的公差带相互交叠,任取其中一对孔和轴相配,可能是具有间隙,也可能具有过盈的配合,如图10—52c所示。
2、配合的基准制国家标准规定了两种基准制,如图10—52所示。
(1)基孔制基本偏差为一定的孔的公差带与基本偏差的轴的公差带构成种配合的一种制度,如图10—53a所示。
也就是在基本尺寸相同的配合中将孔的公差带位置固定,通过变换轴的公差带位置得到不同的配合。
基孔制的孔称为基准孔,国家标准中规定基准孔的下偏差为零,“H”为基准孔的基本偏差代号。
(2)基轴制基本偏差为一定的轴的公差带与不同基本偏差的孔的公差带构成各种配合的一种制度,如图10—53b所示。
也就是在基本尺寸相同的配合中将轴的公差带位置固定,通过变换的孔的公差带位置得到不同的配合。
基轴心制的孔称为基准轴套,国家标准中规定基准轴的上偏差为零,“h”为基准轴的基本偏差代号。
从基本偏差系列(图10——51)中可以看出:在基孔制中,基准孔H与轴配合,a~h(共11种)用于间隙配合;j~n(共5种)主要用于过度配合;(n、p、r可能为过度配合或过盈配合);p~zc(共12种)主要用于过盈配合。
在基轴制中,基准轴h与孔配合,A~H(共11种)用于间隙配合;J~N(共5种)主要用于过度配合;(N、P、R可能为过度配合或过盈配合);P~ZC(共12种)主要用于过盈配合。
二、公差与配合的选用公差配合的选用包括基准制、配合类别和公差等级三项内容。
(一)基准制的国家标准中规定优先选用基孔制,因为一般地说加工孔比加工轴难,采用基孔帛可以限制和减少加工也所需用的定值刀具、量具的规格数量,从而获得较好的经济效益。
基轴制通常仅用于结构设计要求不适宜采用基孔制,或采用基轴制具有明显经济效果的场合。
例如,同一轴与几个具有不同公差带的孔配合(如图10—54),或冷拉制成不再进行切削加工的轴在与孔配合时,采用基轴制。
在零件与标准配合时,应按标准件所选用的基准制来确定,如滚动轴承的轴圈与轴的配合则为基孔制;而座圈与机体孔的配合则有为基轴的制。
(二)配合的选择国家标准规定了优先选用、常用和一般用途的孔、轴公差带。
应根据配合特性和使用功能,尽量选用优先和常用配合。
当零件之间具有相对转动或移动时,必须选择间隙配合;当零件之间无键、销等紧固件,只依靠结合面之间的过盈来实现传动时,必须选择过盈配合当零件之间不要求有相对运动,同轴度要求较高,且不是依靠该配合传递动力时,通常选择过度配合。
表10—12列举了优先配合的特性及应用说明,可供选择时参考。
(二)准公关等级的选择在保证零件使用要求的条件下,应尽量选择比较低的标准公差等级,即标准公差等级数较大,公差值较大,以减少零件的制造成本。
由于加工孔比较难,故当标准公差等级高于IT8时,在基本尺寸至500mm的配合中,应选择孔的标准公差等级比轴低一级(如孔为8级,轴为7级)来加工孔。
因为公差等级愈高,加工愈困难。
标准公差等级低时,轴、孔的配合可选相同的标准公关等级。
通常IT01~IT14用于块规和量规;IT5~IT12用于配合尺寸;IT12~IT18用于非配合尺寸。
表10—13列举了IT5~IT12公差等级的应用说明,可借助选择时参考。
三、公差与配合的注法及查表(一)配合在装配图中的注法配合代号由相配的孔和轴的公差带代号组成,用分数形式表示,分子为孔的公差带代号;分母为轴的公差带代号(用斜分数线时,用斜分数线应与分子、分母中的代号高度平齐)。
由上述分析中可知,在配合代号中,如果分子含有H的,则为基孔制配合;如果分配含有h的,则为基轴制配合。
如果分配含有H,同时分配也含有h时,则是基孔与基准轴相配合即最小间隙为零的间隙配合,一般视为基孔制配合,也可以视为基轴制配合。
配合在装配图中的注法,有以下三种形式:(1) 标注孔、轴的配合代号,如图10—55a所示。
这种注法应用最多。
(2) 零件与标准件或外购件配合时,装配图中可仅标注该零件的公差带代号。
如图10—55b中轴颈与滚动轴承圈的配合,只注出轴颈φ30K6;机座孔与滚动轴承座圈的配合,只注出机座孔φ62J7。
(3)标注孔、轴的极限偏差,如图10-56所示。
这种注法主要用于非标准配合。
(二)公差在零件图中的注法公差在零件图中的注法,有以下三种形式:1、标注公差带代号如10—57a所示,这种注法常用下地大批量生产中,由于与采用专用量具检验零件统一起来,因此不需要注出偏差值。
2、标注偏差数值如图10—57b所示,这种注法常用于小批量或单件生产中,以便加工检验时对照。
村注偏差数值时应注意;(1)上、下偏差数值不相同时,上偏差注在基本尺寸的右上方,下偏差注在右下方并与基本尺寸注在同一底线上。
偏差数字应比基本尺寸数字小一号,小数点前的整数位对齐,后边的小数位应相同,如图中φ30 。
(2)如果上偏差或下偏差为零时,应简写为“0”,前面不注“+”、“—”号,后边不注小数点;另一偏差按原来的位置注写,其个位“0”对齐,如图φ30 。
(3)如果上、下偏差煤数值绝对值相同,则在基本尺寸后加注“±”号,只填写一个偏差数值,其数字大小与基本尺寸数字大小相同,如φ80±0.017。
3、同时村注公差带代号和偏差数值如图10—57c所示,偏差数值应该用圆括号括起来。
这种标注形式集中了前两种标注形式的优点,常用于产品转产较频繁的生产中。
国家标准规定,同一张零件图上其公差只能选用一种标注形式。
(三)极限偏差数值的查表当孔或轴的基本尺寸、基本偏差代号和标准公差等级确定后,可由极限偏差表中直接查得孔或轴的上、下偏差(附表6—1,6—2;对于基准件(基准孔和基准轴)直接从标准公差表(表10—11)中查得。