混凝土试块抗压强度汇总及评定表
- 格式:doc
- 大小:358.50 KB
- 文档页数:11
水利水电工程
表176-13 喷射混凝土试块抗压强度汇总计算评定表
表176-13 普通混凝土试块抗压强度汇总计算评定表
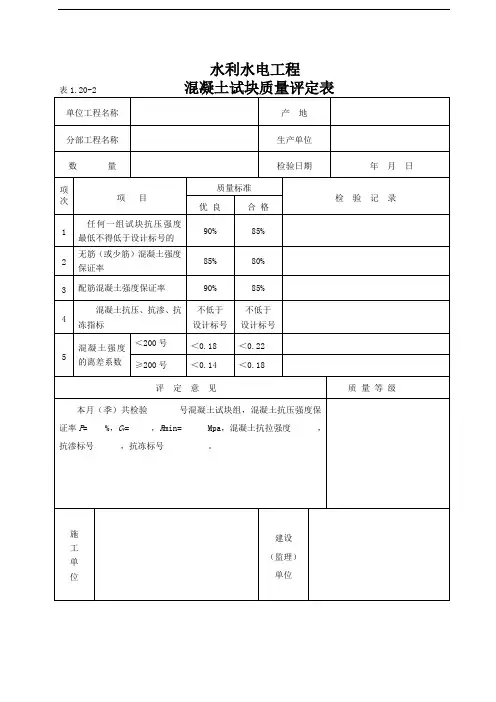
填表说明
本表是依据《水利水电工程施工质量检验与评定规程》(SL176-2007)附录D 喷射混凝土试块抗压强度检验评定标准制定的。
填表时必须遵守“填表基本规则”,并符合以下要求:
1.用本表进行喷射混凝土试块统计计算、评定混凝土质量,必须是分部工程里的同部位、同标号(设计抗压强度)的混凝土试块。
2.表头:分部工程名称:填写使用本批喷射混凝土的分部工程名称;分部工程量:填写本批试块所代表的喷射混凝土量;填写喷射混凝土设计等级(或标号)及试块组数;检验日期:填写本批喷射混凝土检验开始及终止日期;评定日期:填写监理单位监理工程师签字日期。
3.表身:
(1)每组试块强度值Ri (MPa),依据施工单位在过程的检验记录及机口及仓面取样成型的28d龄期混凝土试件试验成果及统计资料,若试块组数大于80组,可续表填入余下的试块强度值。
(2)质量标准: 见评定表,试块质量必须合格。
计算出的数值代入栏内的不等式能成立者为合格,喷射混凝土质量合格,否则喷射混凝土质量不合格。
4.表尾:
(1)评定结论:评定结论由监理单位填写“合格”或“优良”。
(2)施工单位由汇总计算人、技术负责人签名;实行了施工检测的工程,施工检测单位要对本表进行复核计算,试块强度值复核人签名;监理单位:监理工程师审核并签名,建设单位的现场代表确认并签名。
水利水电工程
表176-13 喷射混凝土试块抗压强度汇总计算评定表
表176-13 普通混凝土试块抗压强度汇总计算评定表
填表说明
本表是依据《水利水电工程施工质量检验与评定规程》(SL176-2007)附录D 喷射混凝土试块抗压强度检验评定标准制定的。
填表时必须遵守“填表基本规则”,并符合以下要求:
1.用本表进行喷射混凝土试块统计计算、评定混凝土质量,必须是分部工程里的同部位、同标号(设计抗压强度)的混凝土试块。
2.表头:分部工程名称:填写使用本批喷射混凝土的分部工程名称;分部工程量:填写本批试块所代表的喷射混凝土量;填写喷射混凝土设计等级(或标号)及试块组数;检验日期:填写本批喷射混凝土检验开始及终止日期;评定日期:填写监理单位监理工程师签字日期。
3.表身:
(1)每组试块强度值Ri (MPa),依据施工单位在过程的检验记录及机口及仓面取样成型的28d龄期混凝土试件试验成果及统计资料,若试块组数大于80组,可续表填入余下的试块强度值。
(2)质量标准: 见评定表,试块质量必须合格。
计算出的数值代入栏内的不等式能成立者为合格,喷射混凝土质量合格,否则喷射混凝土质量不合格。
4.表尾:
(1)评定结论:评定结论由监理单位填写“合格”或“优良”。
(2)施工单位由汇总计算人、技术负责人签名;实行了施工检测的工程,施工检测单位要对本表进行复核计算,试块强度值复核人签名;监理单位:监理工程师审核并签名,建设单位的现场代表确认并签名。
混凝土试块抗压强度汇总及评定表
编号:001 工程名称:桃园330kV变电站工程—屋外电缆沟日期:2009年5月17日SGJLⅤ-7-2
项目专业技术负责人:审核:计算:
混凝土试块抗压强度汇总及评定表
编号:002 工程名称:桃园330kV变电站工程—屋外电缆沟日期:2009年6月12日SGJLⅤ-7-2
项目专业技术负责人:审核:计算:
混凝土试块抗压强度汇总及评定表
编号:002(续)工程名称:桃园330kV变电站工程—屋外电缆沟日期:2009年6月12日SGJLⅤ-7-2
项目专业技术负责人:审核:计算:
混凝土试块抗压强度汇总及评定表
编号:003 工程名称:桃园330kV变电站工程—屋外电缆沟日期:2009年6月27日SGJLⅤ-7-2
项目专业技术负责人:审核:计算:。
目录号:4.1.4.1.2
表1.2.17 混凝土试块抗压强度汇总及评定表GB50300-2001 工程名称:日期:
施工项目技术负责人:审核:计算:河南省建设厅监制
目录号:4.1.4.1.2
表1.2.17 混凝土试块抗压强度汇总及评定表GB50300-2001 工程名称:洛阳十九中学生公寓楼日期:
施工项目技术负责人:审核:计算:河南省建设厅监制
目录号:4.1.4.1.2
表1.2.17 混凝土试块抗压强度汇总及评定表GB50300-2001 工程名称:日期:
施工项目技术负责人:审核:计算:河南省建设厅监制
目录号:4.1.4.1.2 表1.2.17 混凝土试块抗压强度汇总及评定表GB50300-2001 工程名称:洛阳十九中学生公寓楼日期:
施工项目技术负责人:审核:计算:河南省建设厅监制
目录号:4.1.4.1.2 表1.2.17 混凝土试块抗压强度汇总及评定表GB50300-2001 工程名称:洛阳市十九中学生公寓楼日期:
河南省建设厅监制
表1.2.17 混凝土试块抗压强度汇总及评定表GB50300-2001 工程名称:洛阳市十九中学生公寓楼日期:
施工项目技术负责人:审核:计算:河南省建设厅监制。
工程名称:##### 11# 住宅楼日期:2013年11月18日施工项目技术负责人:## 审核:## 计算:##工程名称:##### 11# 住宅楼日期:2013年11月18日施工项目技术负责人:## 审核:## 计算:##工程名称:11#住宅楼日期:2013年10月18日施工项目技术负责人:## 审核:## 计算:##工程名称:11#住宅楼日期:2013年10月19日施工项目技术负责人:## 审核:## 计算:##工程名称:11#住宅楼日期:2013年10月31日施工项目技术负责人:## 审核:## 计算:##工程名称:11#住宅楼日期:2013年10月32日施工项目技术负责人:## 审核:## 计算:##混凝土试块抗压强度汇总及评定表工程名称:11#住宅楼日期:2013年10月31日施工项目技术负责人:## 审核:## 计算:##工程名称:11#住宅楼日期:2013年10月31日施工项目技术负责人:## 审核:## 计算:##工程名称:11#住宅楼日期:2013年10月31日施工项目技术负责人:## 审核:## 计算:##工程名称:11#住宅楼日期:2013年10月31日施工项目技术负责人:## 审核:## 计算:##工程名称:11#住宅楼日期:2013年10月18日施工项目技术负责人:## 审核:## 计算:##工程名称:11#住宅楼日期:2013年10月18日施工项目技术负责人:## 审核:## 计算:##工程名称:11#住宅楼日期:2013年10月18日施工项目技术负责人:## 审核:## 计算:##工程名称:11#住宅楼日期:2013年10月18日施工项目技术负责人:## 审核:## 计算:##工程名称:11#住宅楼日期:2013年10月18日施工项目技术负责人:## 审核:## 计算:##工程名称:11#住宅楼日期:2012年10月31日施工项目技术负责人:## 审核:## 计算:##工程名称:小区11#住宅楼日期:2012年10月31日施工项目技术负责人:## 审核:## 计算:##工程名称:11#住宅楼日期:2012年10月31日施工项目技术负责人:## 审核:## 计算:##工程名称:小区11#住宅楼日期:2012年10月31日施工项目技术负责人:## 审核:## 计算:##。
现浇混凝土抗压强度统计评定表DB15/427-2005 单位工程名称:单位工程名称:单位工程技术负责人:资料员:质检员:现浇混凝土抗压强度统计评定表DB15/427-2005单位工程名称:单位工程技术负责人:质检员:资料员:现浇混凝土抗压强度统计评定表DB15/427-2005单位工程名称:C02-3-07-004单位工程技术负责人:质检员:资料员:现浇混凝土抗压强度统计评定表DB15/427-2005单位工程名称:单位工程技术负责人: 质检员: 资料员:现浇混凝土抗压强度统计评定表DB15/427-2005单位工程名称:现浇混凝土抗压强度统计评定表DB15/427-2005单位工程名称:C02-3-07-007单位工程技术负责人:质检员:资料员:现浇混凝土抗压强度统计评定表DB15/427-2005单位工程技术负责人: 质检员: 资料员:现浇混凝土抗压强度统计评定表DB15/427-2005单位工程名称:单位工程技术负责人: 质检员: 资料员:单位工程名称:C02-3-07-009现浇混凝土抗压强度统计评定表DB15/427-2005单位工程名称:单位工程技术负责人:质检员:资料员:现浇混凝土抗压强度统计评定表DB15/427-2005DB15/427-2005现浇混凝土抗压强度统计评定表单位工程名称:C02-3-07-011600℃.d同条件养护试件混凝土抗压强度统计评定表单位工程名称:C02-3-09-001层数部位设计强度等级砼数量(M3)浇筑砼起止日期试验单编号每组试块强度代表值(MPa)占设计强度百分比(%)单位工程强度验收判断计算结论与处理A区一层1—15轴框架柱剪力墙件暗柱及剪力墙C50 300 2012-6-28 HY201203110 62.6 125 强度系数=1试件组数:n=19合格判定系数:入1=1.05入2=0.85mfcu-69.111]Z f 2 cui一n. m 2fcu Sfcu=iln n —1该批砼强度判定为合格。
混凝土试块抗压强度汇总及评定表工程名称:九龙坡花卉园110kV输变电工程编号:SZLX18-SG-001项目专业技术负责人:审核:混凝土试块抗压强度汇总及评定表工程名称:九龙坡花卉园110kV输变电工程编号:SZLX18-SG-002项目专业技术负责人:审核:混凝土试块抗压强度汇总及评定表工程名称:九龙坡花卉园110kV输变电工程编号:SZLX18-SG-003项目专业技术负责人:审核:混凝土试块抗压强度汇总及评定表工程名称:九龙坡花卉园110kV输变电工程编号:SZLX18-SG-004项目专业技术负责人:审核:混凝土试块抗压强度汇总及评定表工程名称:九龙坡花卉园110kV输变电工程编号:SZLX18-SG-005项目专业技术负责人:审核:混凝土试块抗压强度汇总及评定表工程名称:九龙坡花卉园110kV输变电工程编号:SZLX18-SG-006项目专业技术负责人:审核:混凝土试块抗压强度汇总及评定表工程名称:九龙坡花卉园110kV输变电工程编号:SZLX18-SG-007项目专业技术负责人:审核:混凝土试块抗压强度汇总及评定表工程名称:九龙坡花卉园110kV输变电工程编号:SZLX18-SG-008项目专业技术负责人:审核:混凝土试块抗压强度汇总及评定表工程名称:九龙坡花卉园110kV输变电工程编号:SZLX18-SG-009项目专业技术负责人:审核:混凝土试块抗压强度汇总及评定表工程名称:九龙坡花卉园110kV输变电工程编号:SZLX18-SG-010项目专业技术负责人:审核:混凝土试块抗压强度汇总及评定表工程名称:九龙坡花卉园110kV输变电工程编号:SZLX18-SG-011项目专业技术负责人:审核:混凝土试块抗压强度汇总及评定表工程名称:九龙坡花卉园110kV输变电工程编号:SZLX18-SG-012项目专业技术负责人:审核:混凝土试块抗压强度汇总及评定表工程名称:九龙坡花卉园110kV输变电工程编号:SZLX18-SG-013项目专业技术负责人:审核:混凝土试块抗压强度汇总及评定表工程名称:九龙坡花卉园110kV输变电工程编号:SZLX18-SG-014项目专业技术负责人:审核:混凝土试块抗压强度汇总及评定表工程名称:九龙坡花卉园110kV输变电工程编号:SZLX18-SG-015项目专业技术负责人:审核:混凝土试块抗压强度汇总及评定表工程名称:九龙坡花卉园110kV输变电工程编号:SZLX18-SG-016项目专业技术负责人:审核:。
混凝土试块抗压强度汇总及评定表
施工项目技术负责人:## 审核:## 计算:## .. wd ..
混凝土试块抗压强度汇总及评定表
工程名称:11#住宅楼日期:2013年10月18日
.. wd ..
混凝土试块抗压强度汇总及评定表
工程名称:11#住宅楼日期:2013年10月31日
.. wd ..
施工项目技术负责人:## 审核:## 计算:##
混凝土试块抗压强度汇总及评定表
.. wd ..
施工项目技术负责人:## 审核:## 计算:##
混凝土试块抗压强度汇总及评定表
.. wd ..
施工项目技术负责人:## 审核:## 计算:##
混凝土试块抗压强度汇总及评定表
.. wd ..
混凝土试块抗压强度汇总及评定表
.. wd ..
.. wd ..
施工项目技术负责人:## 审核:## 计算:##
混凝土试块抗压强度汇总及评定表
工程名称: 11#住宅楼
日 期:2013年10月18日
施工项目技术负责人:## 审核:## 计算:##
混凝土试块抗压强度汇总及评定表工程名称:11#住宅楼日期:2012年10月31日
.. wd ..
施工项目技术负责人:## 审核:## 计算:##
混凝土试块抗压强度汇总及评定表
.. wd ..
施工项目技术负责人:## 审核:## 计算:## .. wd ..。