绝缘手套绝缘鞋检查表
- 格式:docx
- 大小:99.11 KB
- 文档页数:2
个人防护用品检查表个人防护用品是保障个人安全和创造健康工作环境的重要工具。
在工作场所中,不同的行业和职业对于个人防护用品的要求略有不同,但一般包括头部防护、呼吸道防护、眼部防护、面部防护、听力保护、手部防护、足部防护等。
为了确保个人防护用品的有效性和使用效果,定期对其进行检查和保养非常重要。
下面是一个示例个人防护用品检查表,供参考使用:1.头部防护-检查安全帽的外观是否损坏,如裂纹、破损等。
-检查安全帽内部的螺丝和其他固定装置是否牢固。
-检查安全帽的帽带是否完好无损。
-检查安全帽的可调节性能,确保适合个人头部尺寸。
2.呼吸道防护-检查呼吸器的面罩和滤毒盒是否完好无损。
-检查呼吸器的连接器和密封件是否正常。
-检查呼吸器的各个部件是否正常运作,如阀门、调节器等。
3.眼部防护-检查安全眼镜或护目镜的镜片是否有划痕。
-检查安全眼镜或护目镜的镜框和连接件是否牢固。
-检查护目镜的可调节性能,确保适合个人脸部尺寸。
4.面部防护-检查面罩或面具的面板是否完好无损。
-检查面罩或面具的密封性能,确保有效防护个人面部。
-检查面罩或面具的带子和连接件是否牢固。
5.听力保护-检查耳塞或耳罩的外观是否有裂纹、破损等。
-检查耳塞或耳罩的密封性能,确保有效降低噪音。
-检查耳塞或耳罩的带子和连接件是否牢固。
6.手部防护-检查手套的外观是否有破损、洞眼等。
-检查手套的尺寸是否合适,确保能够灵活操作。
-检查手套的防护性能,如防滑、耐切割等。
7.足部防护-检查安全鞋或防护靴的外观是否损坏,如皮革是否破损、鞋底是否磨损等。
-检查安全鞋或防护靴的鞋帮和防护板是否坚固。
-检查安全鞋或防护靴的鞋带和连接件是否牢固。
以上是一个个人防护用品检查表的基本内容,可以根据具体工作场所的需求进行适当的调整和补充。
此外,还应注意定期更新个人防护用品,并确保员工接受必要的培训,正确佩戴和使用这些防护用品。
供电公司安全工器具的检查标准与报废范文一、安全工器具的检查标准1.安全绝缘手套(1)外观检查:检查手套是否有明显的划痕、破损和褶皱等,若存在以上情况应立即更换。
(2)尺寸检查:检查手套的尺寸是否与工作人员的手型匹配,若过大或过小都会影响使用效果和安全性能,应及时更换。
(3)漏电检查:将手套涂抹一层淋湿的薄薄酸碱性电解质,观察手套表面是否有明显的电流流动,若有应立即更换。
(4)存放检查:手套应放置在干燥、通风的地方,不与其他尖锐或锐利物品接触,以免损坏手套。
2.安全头盔(1)外观检查:检查头盔表面是否有明显的裂纹、破损和凹陷等,若存在以上情况应立即更换。
(2)帽腰检查:检查帽腰部分是否压陷或变形,若有应立即更换。
(3)顶部电击测试:用特殊的测试电击设备进行电击测试,检查头盔顶部能否抵抗一定电击,若不能应立即更换。
(4)胶带检查:检查头盔上胶带是否松脱或破损,若有应及时更换。
3.绝缘靴(1)外观检查:检查靴子表面是否有明显的裂纹、破损和褶皱等,若存在以上情况应立即更换。
(2)尺寸检查:检查靴子的尺寸是否与工作人员的脚型匹配,若过大或过小都会影响使用效果和安全性能,应及时更换。
(3)电压测试:用特殊的电压测试仪检测靴子的绝缘电阻是否合格,一般要求阻抗在1兆欧以下,若超过规定值应及时更换。
(4)存放检查:绝缘靴应放置在干燥、通风的地方,并避免与酸碱性物品接触,以免损坏绝缘靴。
二、安全工器具报废范文尊敬的公司领导:根据公司规定和安全生产要求,我将对我所负责的安全工器具进行检查和报废处理。
具体情况如下:1.安全绝缘手套:经过仔细检查,发现由于长时间使用和摩擦,手套表面出现多处明显划痕和褶皱,存在安全隐患,建议立即予以报废处理。
2.安全头盔:经过仔细检查,发现头盔表面出现多处裂纹和凹陷,帽腰部分也出现了明显的压陷,不能起到有效的保护作用,建议立即予以报废处理。
3.绝缘靴:经过仔细检查,发现靴子表面有多处明显的裂纹和破损,且绝缘电阻超出规定阻值,不能达到绝缘效果,不能继续使用,建议立即予以报废处理。
未穿戴绝缘鞋绝缘手套操作电气设备检讨书
尊敬的单位领导:
由于我未穿戴绝缘鞋绝缘手套,操作不当给予公司变压线路造成短路,以至于线路烧坏,给公司造成了经济损失。
回顾错误,我真的感到万分心痛。
此次错误充分暴露出我工作方面存在马虎、粗心大意、不谨慎等问题。
为了弥补我的过错,我决定向领导做出保证与悔改:
首先,我愿意承担此次由于我操作不当造成的损失,以最大程度低弥补我的过错。
其次,我就此次事情做出正式道歉,接受单位监督。
最后,我要充分吸取经验教训,并且在今后工作当中谨慎小心,为公司发展贡献自己的一份力。
我恳请领导不要开除我,给我一次改过自新的机会。
此致!。
绝缘安全用具的检查与使用绝缘安全用具是指在电气工作中,用来保护工作人员免受电击伤害的设备和工具,如绝缘手套、绝缘靴、绝缘拉杆、绝缘手杖等。
这些安全用具的有效使用和定期检查是保证电气工作安全的重要环节。
本文将详细介绍绝缘安全用具的检查与使用。
一、绝缘手套绝缘手套是防止工作人员受电击的重要工具,使用前必须进行检查。
首先,查看手套的外观是否有破损、裂纹或其他明显损伤。
接着,用手指轻轻挤压手套,检查手套内部是否有气泡,如果有气泡,说明手套存在漏电风险,需要更换。
最后,用水浸泡手套,观察是否有气泡冒出。
如果有气泡冒出,说明手套有破损,需要更换。
使用绝缘手套时,应注意以下几点。
首先,使用前应将手套内部涂抹绝缘油,以增加绝缘效果。
其次,戴手套时,应将手套套在干燥的手上,确保手套外部干燥。
然后,手套应从手指部分开始套上,确保每个手指都能充分伸展。
最后,使用手套时应注意避免与尖锐物品接触,以免破坏手套的绝缘性能。
二、绝缘靴绝缘靴用来防止工作人员在电气工作中受到电击伤害,使用前需进行检查。
首先,查看靴子的外观是否有破损、裂纹或其他明显损伤,特别是靴子的边缘和鞋底部分。
接着,用手轻轻挤压靴子,检查靴子的内部是否有气泡。
最后,用水浸泡靴子,观察是否有气泡冒出,如果有气泡冒出,说明靴子有破损,需要更换。
使用绝缘靴时,应注意以下几点。
首先,使用前应将靴子内部涂抹绝缘油,以增加绝缘效果。
其次,穿靴子时应注意调整好鞋带的松紧,确保鞋子贴紧脚部,以免走动时磕到物品。
然后,穿靴子时应将裤腿塞入靴子中,防止进入外来物质,影响绝缘效果。
最后,使用靴子时应避免在潮湿的环境中工作,以免降低绝缘性能。
三、绝缘拉杆绝缘拉杆是用来操作带电设备时的工具,使用前需进行检查。
首先,查看拉杆的外观是否有破损、变形或其他明显损伤。
接着,检查拉杆的连接部分是否牢固,无松动现象。
最后,用手轻轻摇晃拉杆,检查是否有松动声音,如果有松动声音,说明拉杆存在问题,需要更换修理。
A B ID I NSPECTION P OINT V ISUAL C RITERIA O BSERVATIONN OTES01 Is there a PPE hazard assessment record to determine if hazards thatrequire the use of personal protective equipment (for example, head,eye, face, hand, or foot protection) are present or are likely to be presentfor each work area, task, or group of tasks?存在危险或可能存在危险因素的工区与或作业项目或作业班组是否有个人防护用品的危险防护评估记录,用以确定所需防护装备(例如:头,眼,脸,手或足部的保护)。
Criteria: A hazard assessment to determine personal protectiveequipment requirements for a specific job, task, or area is required to bedocumented and certified. This assessment should be available forreview, and should be used by the inspection team to assist inanswering the following section questions.一个特殊工种、区域的防护用品需求一次危险因素防护用品评估决定。
这个评估可能需要进行适当访问来验证,并由检查组成员来提出以下问题进行访谈。
02 Are employees in work areas notified and reminded by signs or postingswhat PPE is necessary for a job task, and when they need it?是否有提醒和警示标示提醒员工在工作时需要佩戴何种个人防护用品,何时需要佩戴?Criteria: Signs or postings indicating required PPE must be displayed tonotify and reinforce knowledge of required PPE for specific tasks andequipment use. In addition, signs serve to notify other personnel of PPErequirements if entering an area for any reason.警示标示和告示展示特殊作业和设备操作时需要注意的个人防护配备和强化知识,另外,提醒其他进入该区域的人员要注意个人防护用品的使用。
个人劳动防护用具检查表个人劳动防护用具检查表1. 头部防护用具:- 安全帽:检查帽壳是否破损,帽带是否松动,是否有完好的内衬垫。
- 防护眼镜/面罩:检查镜片是否有刮痕或破损,是否清洁透明。
2. 呼吸道防护用具:- 防毒面具/口罩:检查面罩是否完整,面罩内部是否有异味或污损,滤芯是否过期。
3. 手部防护用具:- 手套:检查手套是否有破损或裂口,手套内部是否清洁干燥,是否符合要求的防护等级。
4. 身体防护用具:- 防护服/工作服:检查服装是否完整,有无破损、褪色、衣扣是否拉紧,是否合适自己的尺寸。
5. 脚部防护用具:- 安全鞋/工作鞋:检查鞋面、鞋底是否完好,是否有破损、断裂或磨损,是否合适脚型,鞋带是否系好。
6. 耳部防护用具:- 耳塞/耳罩:检查耳塞是否完整,是否已过期,耳机是否清洁。
7. 身体防护用具:- 安全带/安全绳:检查安全带/安全绳是否完好,有无划痕、裂口或磨损,是否操作灵活。
8. 其他个人防护用具:- 防护面罩:检查面罩是否完整,是否能够防护到面部全部,有无损坏或松动的部分。
- 防护手环:检查手环是否完好,是否有磨损或损坏,是否能正确识别风险。
以上是个人劳动防护用具的检查表。
在使用个人劳动防护用具之前,需要进行仔细的检查,确保其完好、合适。
同时,使用过程中要注意保养和定期更换,以保证其有效性和防护效果。
劳动防护用具的选择应根据工作环境的特点来确定,不同工作环境需要使用不同的防护用具。
个人劳动防护用具的合理使用,可以有效地减少事故和职业病的发生,保护劳动者的安全与健康。
变电站安全工器具检查作业指导书1. 引言变电站作为电力系统的关键设施之一,是电能传输的重要场所。
因此,变电站的施工和运行都需要高度重视其安全性。
在这个过程中,工器具的使用和检查显得尤为重要。
为了保障变电站的安全和稳定运行,制定安全工器具检查作业指导书非常必要。
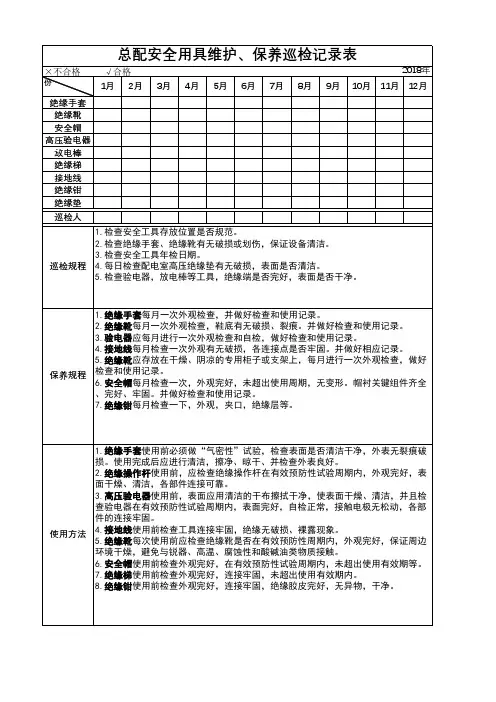
2. 检查对象变电站内部安全工器具的检查是保障安全的重要手段,需要对以下工器具进行检查:•绝缘手套•绝缘鞋•绝缘靴•绝缘胶棒•绝缘顶针•绝缘垫•绝缘手杖•绝缘安全带•地网安全带•专用工具3. 检查标准和方法3.1 绝缘手套检查标准如下:手套不能有过度磨损、撕裂、裂纹、针眼、污渍和灰尘等。
绝缘手套的标准规格为深青色,不同规格有对应的编号。
检查方法如下:将手套展平,进行全面检查,如果发现问题,就退役淘汰。
3.2 绝缘鞋检查标准如下:不同规格的鞋子耐压标准不同,需要根据标准和规格进行检查。
鞋子不能有过度磨损、裂纹、针眼、污渍和灰尘等。
检查方法如下:用手按压鞋底,如果出现明显裂纹或者变形,就退役淘汰。
3.3 绝缘靴检查标准如下:不同规格的靴子耐压标准不同,需要根据标准和规格进行检查。
靴子不能有过度磨损、裂纹、针眼、污渍和灰尘等。
检查方法如下:将靴子展平,仔细检查鞋底和鞋身,如果发现问题,就退役淘汰。
3.4 绝缘胶棒检查标准如下:胶棒必须完整,不能有破损、损伤、脱胶等。
检查方法如下:用手握住胶棒,轻轻折弯,如果胶棒出现裂纹或者脱胶现象,就退役淘汰。
3.5 绝缘顶针检查标准如下:顶针必须完整,不能有破损、损伤、脱落等。
检查方法如下:用手轻轻拧扭顶针,如果顶针出现裂纹或者松动,就退役淘汰。
3.6 绝缘垫检查标准如下:垫子必须完整,不能有破损、损伤、脱胶等。
检查方法如下:将垫子展开,用手摸一下表面,看是否有凹凸不平或者表面有裂纹。
如果发现问题,就退役淘汰。
3.7 绝缘手杖检查标准如下:手杖必须完整,不能有破损、损伤、脱落等。
检查方法如下:用手轻轻把手杖捏一下,看是否有裂纹或者松动。