主要生产设备一览表
- 格式:doc
- 大小:22.00 KB
- 文档页数:1
第三章建设工程概况及工程分析3.1 企业目前生产情况及排污状况3.1.1 企业名称、地点、经营工程名称:XXXX印染法人代表:XXX 注册资本:3060万元经营范围:印染布,服装、床上用品,印染机械及配件加工,染料销售等3.1.2 企业目前生产经营状况XXXX。
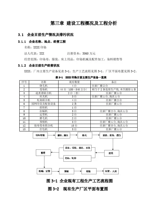
厂内主要生产设备见表3-1。
生产工艺流程见图3-1。
厂区平面布置见图3-2。
表3-1 XXXX印染目前主要生产设备一览表序号名称现有数量备注1 烧毛机4台往新厂搬2台2 卷染机44台〔180~340公分〕相当于2条连续生产线,本次撤除1条3 退煮漂联合机2台〔套〕往新厂搬1台4 丝光机3台往新厂搬1台,淘汰1台5 轧染联合机4台往新厂搬2台6 园网印花及配套设备2条往新厂搬1台7 焙烘机1台8 拉幅机5台往新厂搬2台,淘汰1台9 定型机2台往新厂搬1台10 磨毛机2台往新厂搬1台11 预缩机3台往新厂搬1台,淘汰1台12 验布卷布联合机10台往新厂搬5台,淘汰1台13 打包机3台往新厂搬1台图3-1 企业现有工程生产工艺流程图图3-2 现有生产厂区平面布置图3.1.1 企业目前污染物产生及排放情况〔1〕废水目前企业年用新水106.25万吨,排放废水85万吨。
由于印染废水水质复杂、COD和氨氮等污染物质含量高,因此,厂内设污水处理站集中处理生产废水〔采用“物化+生化〞处理方法〕,工艺流程为:废水排放到达OO市污水处理厂设计进水水质要求后排入OO市污水处理厂。
废水污染物产生及排放情况见表3-2。
表3-2 企业目前废水产生及主要污染物排放情况废水量〔万t/a〕pH色度〔倍〕COD BOD5NH3-N SS 浓度mg/L数量t/a浓度mg/L数量t/a浓度mg/L数量t/a浓度mg/L数量t/a生产车间排放废水85 10 460 1200 1020 350 298 80 300 255 经污水处理站处理后的废水85 8 80 180 153 40 34 40 34 100 85OO市污水处理厂设计进水水质要求处理能力1460万t/a6~9/ 380 220 40 220注:OO市污水处理厂建设规模4万t/d,t/dt/d的处理余量。
主要原辅材料供应商变更或增加评审程序1范围本程序适用于主要原辅料供应商变更或增加的评审。
2定义2.1主要原辅料:指直接用于产品生产的化学试剂、助滤剂、过滤耗材、包装材料、药用辅料、消毒剂、采浆耗材和检测试剂。
2.2供应商:指主要原辅料的制造商和供应商。
对于进口原辅材料还应由供应商提供生产厂家的相关法律文件、进口注册证和其它证明性资料。
3参考3.1《药品生产质量管理规范(1998年修订)》国家食品药品监督管理局令第9号3.2《血液制品GMP认证检查条款》3.3《药品生产质量管理规范实施指南》2001版3.4《中国药典》2005年版二部3.5《药用辅料生产质量管理规范》国食药监安〔2006〕120号3.6《原辅料及包装材料采购管理制度SOP MS-25-001-03》4职责4.1物料采购部负责对主要原辅材料供应商的选择和相关法律文件和资料的收集。
4.2质量保证部会同物料采购部、生产部对供应商进行资料评审、现场考察评估。
4.3质量保证部负责主要原辅料供应商质量档案的管理。
5附件5.1附件Ⅰ供应商变更或增加评审流程图QA-23-035-F015.2附件Ⅱ供应商变更或增加申请、审核、审批表QA-23-035-F025.3附件Ⅲ供应商现场考察计划QA-23-035-F035.4附件Ⅳ供应商现场考察表QA-23-035-F045.5附件Ⅴ供应商现场评估报告QA-23-035-F056程序6.1评审内容6.1.1资质审核内容6.1.1.1供应商合法的资格审核,包括《生产许可证》、《经营许可证》、GMP认证证书、GSP认证证书、《营业执照》等。
审核内容包括:《生产许可证》或《经营许可证》的有效期、生产地址和生产范围;GMP或GSP认证证书的认证范围、有效期;《营业执照》的经营范围和有效期等。
6.1.1.2直接接触药物的药用包装材料生产单位,还必须持有《药品包装材料和容器注册证》。
审核内容包括:品种、有效期等。
6.1.1.3印刷包装材料厂家需领有特种印刷许可证或包装装潢印刷许可证。
附件3农药生产企业厂房、设备、检测仪器一览表主要建(构)筑物一览表企业名称:(加盖企业公章)注:主要建构筑物包括生产厂房、原材料库、成品库、包材库、备品备件库、罐区、辅助设施(供水、供电、供热、冷冻)厂房、环境保护设施等。
企业负责人:填报人:填表日期:主要生产设备/设施一览表企业名称:(加盖企业公章)注:1.原药生产企业按产品填写,主要生产设备/设施包括工艺设备(反应釜、蒸馏釜、中间罐、蒸馏塔、吸收塔、冷凝器、过滤/分离设备、干燥设备、工艺尾气处理设施等)、辅助设备(包装、供热、冷冻、储运等)、安全设施、环境保护设施等。
2.制剂生产企业按剂型填写,生产设备按剂型逐一列出。
企业负责人:填报人:填表日期:主要检测仪器、仪表一览表企业名称:(加盖企业公章)注:所配备的仪器、仪表能够满足申报产品质量检测的要求,如液相色谱、气相色谱、紫外分光、卡尔•费休水分仪、颗粒剂粉尘仪、粒径分析仪、冻融稳定性试验装置、分散稳定性试验装置、电子天平、试验筛、成烟及收集装置、酸度计、粘度计、恒温箱、恒温水浴等。
企业负责人:填报人:填表日期:农药生产企业人员情况一览表企业名称:(加盖企业公章)企业负责人:填报人:填表日期:农药生产企业延续核准5年生产、销售情况一览表原药企业延续核准生产情况一览表(以2011-2015年为例)(单位:吨)企业名称:(加盖企业公章)企业负责人:填报人:填表日期:制剂企业延续核准生产情况一览表(以2011-2015年为例)(单位:吨)企业名称:(加盖企业公章)企业负责人:填报人:填表日期:制剂企业延续核准生产证书情况一览表企业名称:(加盖企业公章)企业负责人:填报人:填表日期:企业延续核准销售情况一览表(以2011-2015年为例)企业名称:(加盖企业公章)注:主营业务收入仅限填写本企业生产的农药产品部分。
企业负责人:填报人:填表日期:。
附件3安全标志工厂评审记录评审任务书编号:申请人/持证人名称:评审组:OEM:是□否■评审开始时间:年月日时分评审结束时间:年月日时分安标国家矿用产品安全标志中心填写说明1.评审记录应清楚地反映工厂生产、检验、采购与外协等相关活动过程、人员、控制要求和实施效果等内容。
2.评审记录应覆盖评审任务书的所有内容和要求,并能反映评审抽样的合理性、代表性及评审的充分性和有效性。
3.评审记录内容应完整、可追溯,能够为评审结论提供充分的证据。
评审记录模板中明确了需记录的具体信息,评审组应结合评审实际情况,如实填写记录,其内容应不少于模板中要求的具体信息。
4.评审记录应准确、清晰,逻辑关系清楚,表述顺序为核查方式、核查对象、核查结果及存在问题。
5.评审组应根据实际评审产品,至少按防爆电气设备、矿山机械、非金属制品、爆破器材四类产品分别填写评审记录。
6.否决项的评审结果分为符合、不符合;考核项评审结果分为符合、基本符合、不符合。
某一评审项目不适用时,应在其对应的“评审结果”栏,选择“不适用”。
7.对于评审结果为基本符合或不符合的条款,应在评审记录中详细、准确地描述出不符合的情况。
8.评审区域指评审覆盖的现场,包括场所或检查部门等,根据实际评审情况,有的条款可能涉及两个及以上区域;负责人/接待人指评审区域的负责人/接待人或被考核人员。
9.记录表中选项符号“□”,对选择项采用涂黑的方式,如“■”。
工厂评审记录附表1共页第页主要技术人员信息一览表15主要生产设备一览表主要检测检验设备一览表附表4 共页第页出厂检验现场考评记录表附表5 共页第页产品一致性核查记录表21。
**公司**项目试生产方案目录一、建设项目设备及管道试压、吹扫、气密、单机试车、仪表调校、联动试车等生产准备的完成情况 (2)(一)建设项目设计、施工情况 (2)(二)建设项目设备及管道试压、吹扫、气密等生产准备完成情况 (2)(三)单机试车已具备条件 (8)(四)联动试车已具备条件 (8)二、投料试车方案 (9)三、试生产(使用)过程中可能出现的安全问题、对策及应急预案 (18)四、建设项目周边环境与建设项目安全试车(使用)互相影响确认情况 (27)五、危险化学品重大危险源监控措施的落实情况 (28)六、人力资源配置 (28)七、试生产(使用)起止日期 (29)一、建设项目设备及管道试压、吹扫、气密、单机试车、仪表调校、联动试车等生产准备的完成情况:(一)建设项目设计、施工情况1、设计单位情况项目设计单位为资质。
2、施工单位情况本项目由具有资质的公司承建。
3、建设任务完成情况。
项目已经过建设单位、设计单位、施工单位的共同努力,目前已经安装完毕,具备吹扫、试压、试生产条件。
(二)建设项目设备及管道试压、吹扫、气密等生产准备的完成情况:1.工艺管道全部安装完成;2.仪表一次调试全部完成;3.电器设备绝缘试验完成,并具备供电条件;4.特种设备均检测合格;5.管道的吹扫工作完成、设备及管道气密试验合格;7.分析化验室已交付生产使用;8.保温及油漆工作大部分完成;9. 厂界区内上下水道、道路竖向整平、照明及通讯工程已完成。
本生产建设项目主要生产设备、设施、仪表、救援器材等的情况:表爆炸危险场所及危险介质、防爆电气的选择表表生产装置泄压和止逆设备一览表表应急救援器材配置一览表(三)单机试车已具备条件:1.单机传动设备(各工艺泵等)经过详细检查,润滑、密封油系统已完工,存在问题已消除;2.单机试车有关配管已全部完成;3.试车有关的管道吹扫、试压合格;4.试车设备,供电条件已具备,电器绝缘试验已完成;5.试车小组已经成立,试车专职技术人员和操作人员已经确定;6.试车记录表格已准备齐全。
1、生产设施台帐(设备设施一览表、重要设备台帐、特种设备台帐、建筑物台帐、安全设施台帐、监视和测量设备校验台帐);其中:(1)设备设施一览表(栏目设置应包括设备名称、工艺位号、规格型号、材质、重量、生产厂家、容积、出厂日期、安装日期、投产日期、图号、价格等内容)(2)重要设备台帐(栏目设置应包括设备位号、设备名称、按涉及的需求重点进行管理的相关因素(剧毒化学品、重大危险源、重要环境因素、特种设备规范、对关联系统安全环保重要连带影较大范围影响)、生产管理及技术要求、实施情况等内容);(3)特种设备台帐(栏目设置应包括设备名称、工艺位号、制造单位、出厂编号、使用证编号、设备注册代号、定检日期、检验结果、复查日期等内容);(4)建构筑物台帐(栏目设置应包括种名称、位置、设计单位、施工单位、竣工日期、设计使用年限、占地面积、结构形式、防火等级等内容);(5)安全设施台帐(栏目设置应包括种类、名称、位置、数量、责任人等内容);(6)监视和测量设备管理台帐(包括易燃易爆、有毒有害、防雷防静电等监视测量设备和压力表、温度计、液位计等,设置栏目应包括分类、名称、安装位置、规格型号、测量范围、精度等级、编号、制造单位、检定周期、检定结果、复检日期等内容);2、职业卫生防护设施台帐(主要包括防尘、防毒、防暑降温等设施,如冲淋器、洗眼器等;栏目设置应包括:种类、名称、位置、校验、维护日期、更新情况、责任人等内容);3、防护急救器具台帐(如空气呼吸器等,栏目设置应包括器材名称、使用单位、存放位置、数量、保管负责人、领取时间、使用维护情况等内容);4、个体防护用品发放台帐(记录发放和更换等情况);5、安全警示标识台帐(包括标识类别、标识名称、单位、设置地点、设置时间、数量、维护责任人等内容);6、灭火器材台帐(包括标识类别、标识名称、单位、设置地点、设置时间、数量、维护责任人等内容);7、事故台帐(内容包括事故时间、事故类别、伤亡人数、损失大小、事故经过、救援过程、事故教训、“四不放过”处理等内容);8、隐患整改台帐(应含隐患名称、检查日期、原因分析、整改措施、计划完成日期、整改负责人、整改确认人、确认日期等项目内容);9、安全检查台帐(包括检查时间、检查形式、检查对象、参加人员、发现问题及处理情况等内容);10、各类作业证审批台帐(按作业类别分别设立台帐);11、安全费用提取及使用台帐(安全费用包括:完善、改造和维护安全防护设备、设施,应急救援器材、设备和现场作业人员安全防护,安全检查与评价,重大危险源、重大事故隐患评估、整改监控,安全技能培训,应急演练发生的费用等);12、新职工三级安全教育台帐(包括姓名、性别、出生年月、文化程度、人厂时间、车间或部门、工种、培训学时(厂级、车间、班组)、考试绩[厂级、车间、班组]);13、特种作业人员台帐(包括单位、工种、姓名、性别、出生年月、文化程度、专业工龄、培训单位、考核成绩含理论和实作、取证时间、复审时间、发证编号等内容);14、从业人员安全培训教育台帐(企业对全体从业人员包括其他管理人员、工程技术人员的教育情况,);15、转岗、复工及“四新”安全教育台帐(车间级,栏目设置应包括培训类别、培训时间、培育对象、考核情况、讲课人等内容)16、外来施工单位作业人员安全管理台帐(厂级、车间级);17、安全生产奖惩管理台帐(厂级、车间级);18、工业卫生监测台帐(包括日期、车间或部门、项目、监测点、监测结果等内容);19、职业卫生体检台帐(检查项目、受检单位、体检时间、受检人数、合格率、体检机构等内容);20、其它台帐,如重大危险源台帐、危险化学登记台帐等,原则上有记录就应有管理台帐。
建设项目环境影响报告表(报批本)项目名称:_________ 气体分装项目建设单位:眉山市彭山区鑫源气体有限公司编制日期:2018年11月国家环境保护部制四川省环境保护厅印《建设项目环境影响报告表》编制说明《建设项目环境影响报告表》由具有从事环境影响评价工作资质的单位编制。
1、项目名称一一指项目立项批复时的名称,应不超过30个字(两个英文字段作一个汉字)。
2、建设地点- -一指项目所在地详细地址,公路、铁路应填写起止地点。
3、行业类别- -一按国标填写。
4、总投资一- -指项目投资总额。
5、主要环境保护目标一一指项目区周围一定范围内集中居民住宅区、学校、医院、保护文物、风景名胜区、水源地和生态敏感点等,应尽可能给出保护目标、性质、规模和距厂界距离等。
6、结论与建议一一给出本项目清洁生产、达标排放和总量控制的分析结论,确定污染防治措施的有效性,说明本项目对环境造成的影响,给出建设项目环境可行性的明确结论。
同时提出减少环境影响的其他建议。
7、预审意见一一由行业主管部门填写答复意见,无主管部门项目,可不填。
8、审批意见一一由负责审批该项目的环境保护行政主管部门批复。
建设项目基本情况(表一)项目名称:气体分装项目建设性质:迁建(迁扩建)建设单位:眉山市彭山区鑫源气体有限公司建设地点:眉山市彭山区义和乡杨庙村二小组(成眉石化园区内)2、建设内容、规模建设内容:本项目位于眉山市彭山区义和乡杨庙村二小组(成眉石化园区内),占地14666.69m2(约22亩),主要为眉山及周边县市提供氧气、氮气、二氧化碳、氮气、混合气体等永久性气体充装和乙块、丙烷、液化石油气的销售。
项目总建设6座立式储罐(其中20n?氧气罐1座、20m3g气罐1座、100n?氨气15曲氮气罐1座、15n?二氧化碳罐1座、100m'二氧化碳罐1座)及配套的办公楼、充装车间、库房、空瓶库房、消防泵房、变配电间、门卫室、消防水池等。
规模:年充装氧12万瓶、氮3000瓶、氮5000瓶、二氧化碳15000瓶、混合气体2000瓶;年储存及销售乙烘2500瓶、丙烷1500瓶、民用液化石油气1000 瓶(乙块、丙烷、民用液化石油气均为直接外购成品,且均由厂家分装好,只对外购回来的瓶装乙烘、丙烷和民用液化石油气进行储存与销售)。
**公司**项目试生产方案目录一、建设项目设备及管道试压、吹扫、气密、单机试车、仪表调校、联动试车等生产准备的完成情况 (2)(一)建设项目设计、施工情况 (2)(二)建设项目设备及管道试压、吹扫、气密等生产准备完成情况 (2)(三)单机试车已具备条件 (8)(四)联动试车已具备条件 (8)二、投料试车方案 (9)三、试生产(使用)过程中可能出现的安全问题、对策及应急预案 (18)四、建设项目周边环境与建设项目安全试车(使用)互相影响确认情况 (27)五、危险化学品重大危险源监控措施的落实情况 (28)六、人力资源配置 (28)七、试生产(使用)起止日期 (29)一、建设项目设备及管道试压、吹扫、气密、单机试车、仪表调校、联动试车等生产准备的完成情况:(一)建设项目设计、施工情况1、设计单位情况项目设计单位为资质。
2、施工单位情况本项目由具有资质的公司承建。
3、建设任务完成情况。
项目已经过建设单位、设计单位、施工单位的共同努力,目前已经安装完毕,具备吹扫、试压、试生产条件。
(二)建设项目设备及管道试压、吹扫、气密等生产准备的完成情况:1.工艺管道全部安装完成;2.仪表一次调试全部完成;3.电器设备绝缘试验完成,并具备供电条件;4.特种设备均检测合格;5.管道的吹扫工作完成、设备及管道气密试验合格;7.分析化验室已交付生产使用;8.保温及油漆工作大部分完成;9. 厂界区内上下水道、道路竖向整平、照明及通讯工程已完成。
本生产建设项目主要生产设备、设施、仪表、救援器材等的情况:表爆炸危险场所及危险介质、防爆电气的选择表表生产装置泄压和止逆设备一览表表应急救援器材配置一览表(三)单机试车已具备条件:1.单机传动设备(各工艺泵等)经过详细检查,润滑、密封油系统已完工,存在问题已消除;2.单机试车有关配管已全部完成;3.试车有关的管道吹扫、试压合格;4.试车设备,供电条件已具备,电器绝缘试验已完成;5.试车小组已经成立,试车专职技术人员和操作人员已经确定;6.试车记录表格已准备齐全。
LPG6000型离心喷雾干燥设备配置一览表一、需方技术基本参数1、物料名称:高岭土2、料液含固量:45%3、加热方式:燃气热风炉加热4、雾化方式:高速离心雾化器5、产量:120吨/ 24小时6、进风温度:450℃7、产品含水量:≤1.0%8、尾气排放:<20mg/m3(经布袋除尘)二、喷雾干燥系统生产能力及主要技术参数:喷雾主塔外形尺寸直径X高度φ10.0m*24.0 m装机功率305.1kw加热方式燃气热风炉加热进口温度 450℃左右出口温度 100℃~120℃可调控制方式 PLC+触摸屏数显集中控制气锤压缩空气耗量 0.2m3 /min左右(压力0.3-0.4MPa)收料方式主塔下锥体收料除尘方式布袋除尘器除尘收料最大水分蒸发量 5667kg/h收料率≥99.9%,尾气排放小于20mg/m3采用气动敲打装置有利于下料材质:物料经过处为不锈钢SUS304制作,主塔外包彩钢板0.55mm,其余为碳钢Q235-A制作。
保温材料采用硅酸铝。
所有保温材料为硅酸铝,热风管道及主塔内。
主塔下锥体不要气锤敲击,主塔下锥角为50度,下料快。
三、设备优化设计说明:根据经验我们在设计上优化了以下几点:1、主塔及布袋除尘器的下锥体角度由60度,改为50度,这样下料快速、不积料,避免了长时间高温对物料的影响。
四、干燥设备配置一览表序号设备名称规格型号材质数量生产厂家备注一、送风系统1、空气过滤器外形尺寸2000*2000*500 初效过滤器滤料:无纺布外壳碳钢1 江苏干燥2、变径空气过滤器及送风机间碳钢 1 江苏干燥3、送风风机带支架、减震垫4-72-10C-37KW风量35000-48000m3/h风压:2400-1900Pa碳钢 1 用户自备二、加热系统1、燃气热风炉加热600万大卡锅炉钢/碳钢1套江苏干燥2、变径带保温内t2不锈钢/外碳钢1套江苏干燥3、热风管道带弯头800*2000 内尺寸带保温内t2不锈钢/外碳钢1套江苏干燥三、干燥系统1、内塔体ф10000直筒体高9.76米锥体锥角50℃,方便下料内塔体满焊抛光厚度t=3mm主塔支撑采用钢筋水泥支架(用户自备)不锈钢304 1 江苏干燥2、外塔体ф10150 t=0.55mm 彩钢板 1 江苏干燥3、塔体骨架带保温超细玻璃棉ф10000 -ф1015020#槽钢7.5#角铁、法兰等1江苏干燥4、钢筋水泥支架平台和设备配套钢筋水泥 1 用户自备5、热风蜗壳不锈钢t=2mm花纹板t=3mm不锈钢304/碳钢1江苏干燥6、热风分配器t=2mm 不锈钢304 1江苏干燥7、干燥塔清洗门内尺寸500X600 不锈钢304 8 江苏干燥8、视镜ф100 钢化玻璃8 江苏干燥9、护栏、扶梯ф45*3.5 碳钢/喷漆 1 土建时用户制作10、关风机GBY12-1.5KW 不锈钢304 1 常州振国机械厂11、气锤Sk40 碳钢组合12 海安振动机械厂12、出风管道φ1000 L=5000 t=2mm 不锈钢304 1 江苏干燥四、雾化系统1、进料泵GF50-AJ-5.5KW流量:11.0m3/h压力:0.6 MPa功率5.5KW变频调速、不锈钢304 1杭州斯莱特泵业有限公司2、进料管道阀门ф65管线1套江苏干燥3、雾化器处理量11T/H,功率75.0KW变频调速不锈钢3041杭州华黎雾化器厂4、雾化盘φ240mm圆周速度大于120米/秒不锈钢3044杭州华黎雾化器厂5、雾化器支架与雾化器配套碳钢 1 江苏干燥6、雾化器装拆工具板手等碳钢 1 江苏干燥五、收料系统1、出风管道φ1000 t=2mm 不锈钢304 1 江苏干燥2、90度弯头ф1000*R1500 不锈钢304 2 江苏干燥3、进风裤衩管ф1000 不锈钢304 1 江苏干燥4、布袋除尘器2-MC-300-4000布袋800 用户自备(外形为方形布袋,二组合式结构)目,长4米过滤面积1581㎡脉冲电磁阀G1.0”空压机用户自备空气量1.2m3/min压力0.7~0.8Mpa)不锈钢30415、集料斗带加强扁铁清洗孔、手孔锥角50度不锈钢3041用户自备6、关风机GBY10L-1.1KW 不锈钢304 1 用户自备7、气锤Sk40 碳钢组合12 用户自备8、脉冲控制仪CMK系列80门组合件 2 用户自备9、电磁脉冲阀G1.0”组合件140 用户自备10、支架20#槽钢等碳钢1套用户自备六、排风系统1、引风风机带支架、减震垫9-26-16D-185kw风量50000-70000m3/h风压:6500Pa左右碳钢 1 用户自备2、出风三通管ф1000 碳钢 1 江苏干燥3、出风管φ1000 t=2mm 碳钢 1 江苏干燥4、90度弯管φ1000XR1500 t=2mm 碳钢 2 江苏干燥八、控制系统1、控制柜PLC+触摸屏控制外壳不锈钢江苏干燥五、制作说明:(a)、浆料工艺由需方负责,满足喷雾干燥工艺要求。