钢筋加工棚技术交底
- 格式:docx
- 大小:25.02 KB
- 文档页数:2
施工单位分部工程名称钢筋工程交底摘要钢筋加工技术交底用不同的规格。
钢筋直径同底板钢筋(14),间距1.0米,形状为板凳形。
h=底板厚度-2倍保护层厚度-3倍钢筋直径400底板马凳马凳底板3.4.2墙体竖向梯子筋:为避免墙体水平钢筋位移,在墙体内设置钢筋架,考虑到本工程墙体立筋直径较大,变化较多,为方便施工,墙体梯子筋代替墙体受力钢筋使用,梯子筋立筋直径大于墙体立筋一个级别,间距1.5m。
竖向梯子筋上中下分别有三个横撑(由于防水要求,地下室外墙梯子筋除外),长度比墙体厚度小2mm,钢筋顶端用无齿锯切齐,其作用是顶住模板的顶撑和控制钢筋保护层的厚度,并注意钢筋的端头处要刷防锈漆。
审核人交底人接受交底人施工单位分部工程名称钢筋工程交底摘要钢筋加工技术交底审核人交底人接受交底人楼面楼(地)面墙体宽度b5020050200立筋直径比墙体立筋大一规格支棍采用 12,长度为墙截面宽度减2mm 端头涂刷防锈漆墙体边线20001000800(水平筋间距)(水平筋间距)竖向梯子筋墙体水平筋3.4.3墙体水平梯子筋:墙体模板上口控制钢筋位置措施:在墙体上口设置水平梯子筋,水平梯子筋采用14:在每层墙顶设置重复使用,每二层重新加工一次。
竖向钢筋间距墙宽-2m m模板3.4.4顶板马登:楼板钢筋双层双向的,如上铁直径相同时,拉通布置;如上铁直径不同时,分块布置,采用不同的规格 。
直径采用板上铁直径大一规格(且不小于直径12mm ),间距1.0米。
2、当做分项工程施工技术交底时,应填写"分项工程名称"栏,其他技术交底可不填写。
⑴、框架柱定距卡的制作:框架柱外侧定距卡由与柱截面尺寸相同的25钢筋和短10
20钢筋焊接而成。
⑵、一般顶板马凳采用12钢筋制作,底板、400mm厚无梁楼板马凳采用20钢筋制作。
、主控项目:钢筋加工的型号、尺寸、数量符合图纸及设计要求。
2、当做分项工程施工技术交底时,应填写"分项工程名称"栏,其他技术交底可不填写。
2、当做分项工程施工技术交底时,应填写"分项工程名称"栏,其他技术交底可不填写。
2、当做分项工程施工技术交底时,应填写"分项工程名称"栏,其他技术交底可不填写。
2、当做分项工程施工技术交底时,应填写"分项工程名称"栏,其他技术交底可不填写。
钢筋加工机械安全技术交底钢筋加工机械是在钢筋加工生产过程中广泛使用的重要设备,其安全操作对工作人员的安全和生产效率至关重要。
下面将对钢筋加工机械的安全技术进行交底。
一、加工机的安全操作规程1. 操作前的准备工作在使用加工机械之前,必须进行以下准备工作:- 确保机器底座稳固,不得摇晃;- 检查电路系统是否正常,防止电路漏电;- 准备好所需工具和钢筋材料,放置在就近位置;- 检查加工机的润滑油和冷却水是否充足。
2. 安全防护措施- 操作加工机械时,必须佩戴好防护服、安全帽、防护眼镜等个人防护用品;- 确保加工区域无杂物堆积,避免绊倒和滑倒事故;- 在加工区域周围设置明显的警示标识,警示他人注意安全;- 加工机械启动前,必须清除工作区域内的人员,并确保人员距离加工机械一定的安全距离。
3. 操作过程中的安全措施- 操作加工机械时,必须熟悉机械的使用规程和操作方法,并遵守相关的操作规范;- 严禁在机械运行过程中,将手、身体或对象伸入加工区域;- 每次加工前,必须检查钢筋是否已正确固定和定位,避免钢筋滑脱引起的事故;- 注意观察加工机械的工作状态,如发现异常情况,应立即停工并通知相关人员进行检修;- 加工机械运行期间,不得随意改变设备的设定参数,确保设备正常工作。
4. 加工结束后的安全措施- 加工结束后,必须关闭加工机械的电源,并进行彻底的清理工作,清理掉机械上的油渍和废料;- 对机械进行定期的维护保养,包括清洗、润滑、检修等工作;- 对机械的安全控制装置进行定期检查和维修,确保其正常工作;- 保持加工机械周围的清洁和整齐,避免发生杂物堆积引发的安全问题。
二、加工机的常见安全事故和预防措施1. 钢筋滑脱事故预防措施:在加工开始前,需要对钢筋进行正确固定和定位,避免钢筋滑脱。
同时,定期检查固定装置的可靠性,确保其正常工作。
2. 碎片飞溅事故预防措施:操作人员必须佩戴好防护眼镜等防护用品,避免碎片飞溅伤人。
在加工机械上设置防护罩,防止碎片飞溅。
一、基本信息1. 施工单位名称:2. 单位工程名称:3. 施工部位:4. 施工内容:5. 交底时间:6. 交底人:7. 参加交底人员:二、安全技术交底内容1. 安全生产纪律1.1 进入施工现场,必须佩戴安全帽,扣好帽带,正确使用个人劳动保护用具。
1.2 作业人员必须身体健康,取得有效钢筋操作证后,方可独立操作。
学徒必须在师傅的指导下进行工作。
1.3 雷雨时必须停止露天操作,预防雷击钢筋伤人。
2. 钢筋加工与搬运2.1 钢筋断料、配料、弯料等工作应在钢筋加工棚内进行,不宜在绑机现场进行断料、弯料或配料。
2.2 搬运钢筋时,注意附近有无障碍物、架空电线和其他临时电气设备,防止钢筋在回转时碰撞电线或发生触电事故。
2.3 钢筋、型钢、管材等细长和多根物件必须捆扎牢靠,多点起吊。
单头千斤或捆扎不牢靠不准吊。
3. 高处作业安全3.1 高处作业处应有牢靠的立足处。
在临边洞口,应配置防护网、防护栏杆或其他安全设施。
3.2 作业用索具、脚手板、吊篮、吊笼、平台等设备,均需经过技术鉴定或检验合格方可使用。
3.3 随身所带的作业工具必须放在工具袋内,以防滑落伤人。
3.4 钢筋断料、配料、弯料等工作应在地面进行,不准在高空操作。
4. 起重与吊装4.1 起重臂和吊起的重物下面有人停留或行走时不准吊。
4.2 超重指挥应由技术培训合格的专职人员担任,无指挥或信号不清不准吊。
4.3 起吊钢筋骨架时,下方禁止站人,必须待骨架降到距模板1m以下才准靠近,就位支撑好方可摘钩。
5. 操作规范5.1 绑扎立柱和墙体钢筋时,不得站在钢筋骨架上攀登骨架上下;柱筋高度在4米以上的,应搭设工作台。
5.2 绑扎高层建筑圈梁、挑梁、外墙、边柱钢筋,应搭设外架并张挂安全网防护。
绑扎时系好安全带。
5.3 起吊钢筋时,下方禁止站人,必须待骨架降到距离模板1m以下才准靠近,就位支撑好,方可摘钩。
5.4 起吊钢筋时,规格必须统一,不准长短参差不一,细长钢筋不准一点吊。
一、交底目的为确保桩钢筋笼制作和安装过程中的安全,防止事故发生,提高施工质量和效率,特进行本次安全技术交底。
二、交底内容1. 人员要求(1)所有参与桩钢筋笼制作和安装的作业人员必须经过专业培训,持有相关操作证书。
(2)作业人员应身体健康,无妨碍施工的疾病。
(3)新入职的学徒工应在师傅的指导下进行工作。
2. 施工现场要求(1)施工现场应保持整洁,清除杂物,确保作业空间安全。
(2)施工现场应配备必要的安全设施,如安全帽、安全带、防护眼镜等。
(3)施工现场应设置明显的警示标志,如“危险区域”、“禁止通行”等。
3. 钢筋笼制作要求(1)钢筋笼加工前,应仔细核对设计图纸,确保钢筋规格、长度、间距等符合要求。
(2)钢筋表面应无油渍、漆污、水泥浆等,如有应清除干净。
(3)钢筋应平直,无局部弯曲,成盘的钢筋和弯曲的钢筋应调直。
(4)钢筋调直采用钢筋调直机进行操作,严格按照安全操作规程进行。
4. 钢筋笼安装要求(1)钢筋笼安装前,应检查基础混凝土强度是否符合要求。
(2)钢筋笼吊装前,应检查吊装设备是否完好,吊装方案是否合理。
(3)吊装过程中,下方严禁站人,确保安全。
(4)钢筋笼安装到位后,应进行自检和互检,确保安装质量。
5. 安全注意事项(1)雷雨天气严禁进行露天操作,预防雷击事故。
(2)钢筋断料、配料、弯料等工作应在钢筋加工棚内进行,不宜在绑机现场进行。
(3)搬运钢筋时要留意四周有无障碍物、架空电线和其他临时电气设备,防止碰撞电线或发生触电事故。
(4)高空作业时,不得将钢筋集中堆在模板和脚手板上,也不要把工具、钢箍、短钢筋随意放在脚手板上,以免滑下伤人。
(5)钢筋笼制作必须有确定的场地,不同规格钢筋应分开堆放。
三、交底时间本次安全技术交底时间为____年____月____日。
四、交底负责人交底负责人:____(职务)五、被交底对象被交底对象:____(部门或班组)六、执行与监督1. 所有参与桩钢筋笼制作和安装的作业人员必须严格执行本安全技术交底内容。
钻孔桩钢筋笼加工技术交底3篇【第1篇】钻孔桩钢筋笼加工与吊装平安技术交底交底内容:一平安施工原则1 施工生产必需遵守“平安第一,预防为主”的方针。
2 平安设施预备不充分不施工。
3 施工人员有权否决违章指挥下的施工。
4 平安项目未检查或检查未利用不施工。
二工班平安管理体系人工挖孔桩钢筋笼加工与吊装平安技术交底施工班组设1名兼职平安员,负责人工挖孔桩钢筋笼加工与吊装平安技术交底施工过程中的各项平安工作的落实,做到每天讲平安,时时讲平安,到处讲平安,把平安工作作为头等事件来抓,把各种平安隐患毁灭在萌芽之中。
工班平安员及工班长在工区经理及安质部部长的指导下全面、严格、准时落实项目部有关平安管理措施及项目部领导的紧张的有关平安的指示。
三平安管理制度1 平安技术交底制度在人工挖孔桩钢筋笼加工与吊装平安技术交底施工前,由安质部长对全体施工人员举行平安技术交底,学习本企业的平安规则制度、平安基本常识、现场的平安注重事项。
2 平安教导制度要求施工人员要牢固树立“平安第一,预防为主”的意识,克服麻痹思想,做到思想上重视,生产中严格执行各项操作规程。
电焊工等特种工种人员必需经培训、考试合格之后,持证上岗。
全体人员要提升平安意识和自我庇护能力,做到“三不损害”。
入场工人经过三级平安教导培训合格后方能上岗。
每个工班在上班前,由工班长对本班工人举行班前5分钟平安教导,并做好记录。
3平安检查制度人工挖孔桩钢筋笼加工与吊装平安技术交底工班兼职平安员要天天举行平安检查,项目部平安员每日对工地举行巡察。
对检查出的问题当初制定措施,指定专人负责限时落实整改,并当天制定出预防措施,将整改结果与预防措施上报项目部平安质检部。
4 兼职平安员跟班作业制度兼职平安人员要佩带“平安员”标志,跟班作业,并且对随时检查出的问题准时实行措施,准时上报项目部。
5 平安警示制度在施工现场的门口悬挂“平安生产”等标识牌,在电焊机、电动卷扬机和配电箱等设配上悬挂标识牌。
一、交底目的为确保钢筋施工过程中的安全,提高施工效率,减少安全事故发生,特制定本安全技术交底。
二、交底内容1. 施工现场安全管理(1)进入施工现场必须遵守安全生产六大纪律,服从现场管理人员指挥。
(2)施工人员必须佩戴好安全帽、安全带等个人防护用品。
(3)施工现场严禁酒后作业、违章操作。
2. 钢筋加工与运输(1)钢筋加工应在地面进行,严禁在高空作业。
(2)搬运钢筋时,注意周围环境,防止碰撞电线、临时设施等。
(3)钢筋堆放整齐,不得超高、超宽,堆放区域应设置警示标志。
(4)运输钢筋时,注意车辆行驶安全,遵守交通规则。
3. 钢筋绑扎作业(1)绑扎基础钢筋时,按规定摆放支架或马凳,不得任意减少。
(2)绑扎主柱、墙体钢筋时,不得站在钢筋前架上操作和攀登骨架上下。
(3)绑扎悬空大梁钢筋时,不得站在模板上操作,必须要在脚手架上操作。
(4)绑扎独立柱头钢筋时,不准站在钢筋上绑扎,也不准将木料、管子、钢模板穿在钢箍内作为立人板。
(5)起吊钢筋骨架时,下方禁止站人,必须待骨架降到距模板1m以下才准靠近,就位支撑好方可摘钩。
(6)起吊钢筋时,规格必须统一,不准长短参差不一,不准一点吊。
4. 高空作业(1)高空作业时,必须系好安全带,遵守高空作业安全规定。
(2)不得将钢筋集中堆在模板和脚手板上,也不要把工具、钢箍、短钢筋随意放在脚手板上,以免滑下伤人。
(3)雷雨时必须停止露天操作,预防雷击钢筋伤人。
5. 机械设备使用(1)切割机使用前,须检查机械运转是否正常,有否二级漏电保护。
(2)切割机后方不准堆放易燃物品。
(3)钢筋头子应及时清理,成品堆放要整齐,工作台要稳,钢筋工作棚照明灯必须加网罩。
三、交底要求1. 施工人员应认真学习本安全技术交底,确保理解并遵守各项安全规定。
2. 施工现场管理人员应加强安全检查,对违章操作行为进行制止和纠正。
3. 施工单位应定期组织安全教育培训,提高施工人员的安全意识和技能。
4. 严格执行安全生产责任制,确保施工安全。
钢筋工程技术交底15篇(经典版)编制人:__________________审核人:__________________审批人:__________________编制单位:__________________编制时间:____年____月____日序言下载提示:该文档是本店铺精心编制而成的,希望大家下载后,能够帮助大家解决实际问题。
文档下载后可定制修改,请根据实际需要进行调整和使用,谢谢!并且,本店铺为大家提供各种类型的经典范文,如工作报告、合同协议、心得体会、演讲致辞、规章制度、岗位职责、操作规程、计划书、祝福语、其他范文等等,想了解不同范文格式和写法,敬请关注!Download tips: This document is carefully compiled by this editor. I hope that after you download it, it can help you solve practical problems. The document can be customized and modified after downloading, please adjust and use it according to actual needs, thank you!Moreover, our store provides various types of classic sample texts, such as work reports, contract agreements, insights, speeches, rules and regulations, job responsibilities, operating procedures, plans, blessings, and other sample texts. If you want to learn about different sample formats and writing methods, please pay attention!钢筋工程技术交底15篇【第1篇】基础及地下室钢筋工程-安全技术交底交底内容:1、施工人员进入施工现场必须戴安全帽,系好帽带。
矿产资源开发利用方案编写内容要求及审查大纲
矿产资源开发利用方案编写内容要求及《矿产资源开发利用方案》审查大纲一、概述
㈠矿区位置、隶属关系和企业性质。
如为改扩建矿山, 应说明矿山现状、
特点及存在的主要问题。
㈡编制依据
(1简述项目前期工作进展情况及与有关方面对项目的意向性协议情况。
(2 列出开发利用方案编制所依据的主要基础性资料的名称。
如经储量管理部门认定的矿区地质勘探报告、选矿试验报告、加工利用试验报告、工程地质初评资料、矿区水文资料和供水资料等。
对改、扩建矿山应有生产实际资料, 如矿山总平面现状图、矿床开拓系统图、采场现状图和主要采选设备清单等。
二、矿产品需求现状和预测
㈠该矿产在国内需求情况和市场供应情况
1、矿产品现状及加工利用趋向。
2、国内近、远期的需求量及主要销向预测。
㈡产品价格分析
1、国内矿产品价格现状。
2、矿产品价格稳定性及变化趋势。
三、矿产资源概况
㈠矿区总体概况
1、矿区总体规划情况。
2、矿区矿产资源概况。
3、该设计与矿区总体开发的关系。
㈡该设计项目的资源概况
1、矿床地质及构造特征。
2、矿床开采技术条件及水文地质条件。
一、交底目的为确保条形基础钢筋施工过程中的安全,提高施工质量,现将条形基础钢筋施工过程中的安全技术要求进行交底。
二、交底内容1. 施工准备(1)施工人员必须具备相应的资质,熟悉施工图纸及安全技术要求。
(2)施工前,对施工人员进行安全教育和技术培训,提高安全意识。
(3)施工现场应设置安全警示标志,确保施工安全。
2. 钢筋原材料(1)钢筋进场前,应进行验收,确保符合设计要求。
(2)钢筋加工前,应对其进行除锈、调直处理,确保加工质量。
3. 钢筋加工(1)钢筋加工应在指定的加工棚内进行,确保加工安全。
(2)加工过程中,严禁操作人员站在钢筋上,防止坠落。
(3)加工设备应定期检查、维护,确保设备安全运行。
4. 钢筋安装(1)钢筋安装前,应检查基础模板的支撑牢固情况,确保模板稳定。
(2)钢筋绑扎时,应按设计要求进行,确保钢筋间距、保护层厚度等符合规范。
(3)绑扎过程中,严禁操作人员站在钢筋上,防止坠落。
(4)钢筋安装完成后,应进行自检和互检,确保安装质量。
5. 安全措施(1)进入施工现场,必须佩戴安全帽、安全带等个人防护用品。
(2)施工现场设置安全通道,确保人员通行安全。
(3)施工现场设置安全警示标志,提醒施工人员注意安全。
(4)施工现场严禁吸烟、动火,防止火灾事故发生。
(5)施工过程中,注意防滑、防坠落,确保施工安全。
(6)高空作业时,必须使用安全带,并做好安全防护措施。
6. 应急措施(1)施工现场应配备必要的安全防护设施和应急救援设备。
(2)发生安全事故时,立即启动应急救援预案,确保人员安全。
(3)加强施工现场巡查,及时发现并消除安全隐患。
三、交底要求1. 交底人:项目技术负责人2. 被交底人:施工班组长及施工人员3. 交底时间:施工前4. 交底地点:施工现场5. 交底方式:口头交底,并做好书面记录四、注意事项1. 施工过程中,严格按照安全技术要求进行操作。
2. 定期对施工人员进行安全技术培训,提高安全意识。
一、交底目的为确保钢筋大棚搭建过程中的安全生产,提高施工人员的安全意识,预防安全事故的发生,特制定本安全技术交底。
二、交底内容1. 施工人员须知(1)进入施工现场必须遵守安全生产六大纪律,服从现场管理人员指挥。
(2)施工人员必须经过专业培训,具备相应的操作技能,方可上岗作业。
(3)施工过程中,必须佩戴安全帽、安全带等个人防护用品。
2. 施工现场安全管理(1)施工现场应设置明显的安全警示标志,包括警示牌、警戒线等。
(2)施工现场不得堆放易燃易爆物品,确保施工环境安全。
(3)施工现场应设置消防设施,如灭火器、消防沙等,并确保其有效使用。
3. 钢筋材料管理(1)钢筋材料进场前,需检查其质量、规格是否符合要求。
(2)钢筋材料堆放整齐,不得超高堆放,防止倾倒。
(3)钢筋材料搬运过程中,注意避免碰撞、划伤等安全事故。
4. 钢筋大棚搭建操作规程(1)钢筋大棚搭建前,需检查基础工程是否符合要求,确保基础稳固。
(2)钢筋加工、绑扎时,注意钢筋规格、长度一致,确保结构安全。
(3)高空作业时,必须搭设脚手架,并做好安全防护措施。
(4)钢筋大棚搭建过程中,严禁在未稳固的支撑物上作业。
(5)钢筋焊接时,注意焊接质量,确保结构安全。
5. 起重作业安全(1)起吊设备必须符合国家规定,并由专业人员进行操作。
(2)起吊前,需检查吊具、绳索等设备是否完好,确保安全。
(3)起吊过程中,下方严禁站人,确保作业安全。
(4)起吊完成后,及时固定,防止倾倒。
6. 临时用电安全(1)施工现场临时用电必须符合国家规定,并由专业电工进行安装、维护。
(2)用电设备应安装漏电保护器,确保用电安全。
(3)施工过程中,严禁私拉乱接电线,防止触电事故发生。
三、交底时间本次安全技术交底时间为[具体时间],由[交底人姓名]负责讲解,全体施工人员必须参加并认真学习。
四、注意事项1. 施工人员应严格遵守本安全技术交底内容,确保安全生产。
2. 施工过程中,如发现安全隐患,应立即停止作业,并向现场管理人员报告。
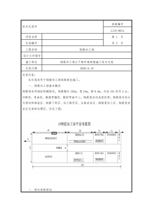
钢筋棚安拆安全技术交底一、钢筋加工场作业危险源1、车辆伤害 2.高空坠落 3.触电 4.机械伤害 5.物体打击 6.火灾7、其中伤害 8、爆炸二、危险源辨识与管控措施三、钢筋棚安装与拆除安全1、班长负责施工指挥、协调各工种间的联系,班组长是施工操作的组织者,对操作质量和安全负直接责任。
2、吊车设一名起重工指挥持证上岗,非起重工严禁指挥起重机设备。
3、电工负责施工现场的电力供给、电气设备的正常运行和安全使用,防止触电事件发生、4、钢柱、钢梁安装是主要骨架。
安装时应遵循以下吊装的顺序原则:先立标准柱、后横梁、再屋架(形成流水作业)先地上链接、后整体就位,先钢柱、后横梁、再屋架;先横向结构、后平面构件。
5、钢立柱待现场检验合格后,堆放及行车路线确定后,即检查预埋板、预埋螺栓的轴线、平整度、标高,待检查、测量合格后,基础螺母(柱底下)拧到预埋螺杆上,用水准仪把基础螺母调平至同一水平,并加以适当固定。
6、把柱按编号分别运至安装位置旁并按规定将其摆放在柱脚中心应基本面中心形成一个同心弧。
柱吊装前再次检查柱的各种基准点、中心线、吊(捆扎)点以及表面是否有损坏和污垢,确认无误后开始捆扎和吊装。
7、施工人员应熟知本工种的安全技术操作规程及作业技能,作业前进行安全交底教育,不适应高空作业的病症,不能从事高空作业的人员禁止进场作业,施工人员必须正确使用个人防护用品。
佩戴合格的安全帽,系好下额带锁好带扣。
登高(2m以上)作业时必须系挂合格的安全带,系挂牢固高挂低用。
禁止穿拖鞋或塑料底鞋高空作业,严禁酒后作业。
8、立柱在起吊离地0.3m时检查索具,检查构件绑扎是否牢固稳定,吊索是否拉紧,吊机运转是否正常,经检查后方可继续起吊。
9、汽车吊在进场前,应将吊车合格证及作业人员驾驶证、操作证等证件报送项目部安全部及设备部,并对进场汽车吊进行全面检查。
10、钢筋棚安装和拆除前都必须进行安全技术交底,交底完成后方可进行作业。
作业时现场安全管理人员要全程监管,严防“三违”现象发生。