最新天津大学自动控制原理期末考试
- 格式:doc
- 大小:2.34 MB
- 文档页数:8
自控期末考试试题及答案一、选择题(每题2分,共20分)1. 自动控制系统中,开环系统是指:A. 系统有反馈回路B. 系统没有反馈回路C. 系统有前馈回路D. 系统有控制回路2. 系统稳定性分析中,根轨迹法的基本原理是:A. 系统根随参数变化的轨迹B. 系统根随时间变化的轨迹C. 参数随系统根变化的轨迹D. 时间随参数变化的轨迹3. PID控制器中,P代表:A. 比例B. 积分C. 微分D. 比例-积分4. 以下哪个不是控制系统的性能指标:A. 稳态误差B. 响应速度C. 稳定性D. 系统成本5. 状态空间法中,状态变量的选取原则是:A. 系统输入B. 系统输出C. 系统内部变量D. 系统外部变量6. 在控制系统中,超调量是指:A. 系统达到稳态时的误差B. 系统响应过程中的最大偏差C. 系统响应时间D. 系统稳态误差7. 闭环控制系统的传递函数是:A. G(s)H(s)B. G(s)/[1+G(s)H(s)]C. 1/[1+G(s)H(s)]D. G(s)*[1+H(s)]8. 控制系统的频率响应分析中,奈奎斯特判据的主要用途是:A. 确定系统稳定性B. 确定系统性能C. 确定系统响应速度D. 确定系统超调量9. 以下哪个不是控制系统的类型:A. 线性系统B. 非线性系统C. 离散系统D. 随机系统10. 系统设计中,最小相位系统是指:A. 系统相位随频率增加而增加B. 系统相位随频率增加而减少C. 系统相位为零D. 系统相位为常数二、简答题(每题10分,共30分)1. 解释什么是系统的时间响应,并列举至少三种常见的时间响应类型。
2. 描述PID控制器的设计过程,并解释各部分的作用。
3. 阐述状态空间法与传递函数法在控制系统分析中的不同应用。
三、计算题(每题25分,共50分)1. 给定一个二阶系统,其传递函数为:G(s) = (2s + 1) / (s^2 +3s + 2)。
计算该系统的单位阶跃响应,并画出其响应曲线。
期末考试-复习重点自动控制原理1. 2. 一、单项选择题(每小题 1分,共20分) 系统和输入已知,求输出并对动态特性进行研究,称为( A.系统综合 B.系统辨识 惯性环节和积分环节的频率特性在(A.幅频特性的斜率B.最小幅值C.系统分析 )上相等。
C.相位变化率 )D.系统设计 D.穿越频率 通过测量输出量,产生一个与输出信号存在确定函数比例关系值的元件称为( A.比较元件 B.给定元件 C.反馈元件 o 从0变化到+8时,延迟环节频率特性极坐标图为( A.圆 B.半圆 C.椭圆 5.当忽略电动机的电枢电感后, 以电动机的转速为输出变量, 个()A.比例环节 3. 4.B.微分环节C.积分环节 6.若系统的开环传递函数为10 s(5s 2) ,则它的开环增益为 7.8. 9. A.1 B.2 C.5 D.放大元件 ) D.双曲线 电枢电压为输入变量时, 电动机可看作一D.惯性环节 D.10 5 s 2+2s +5 B.欠阻尼系统 C.过阻尼系统 Z 不变,提高o n ,则可以() B. 减少上升时间和峰值时间 D.减少上升时间和超调量 1一阶微分环节G (s ) =1 Ts ,当频率 时,则相频特性• G (j ・)为()T C. 90 °)B.稳定裕量越大D. 稳态误差越小二阶系统的传递函数 G(s) ,则该系统是(A.临界阻尼系统 若保持二阶系统的 A.提高上升时间和峰值时间 C.提高上升时间和调整时间 A.45 °B.-45 ° 10.最小相位系统的开环增益越大,其( A.振荡次数越多 C.相位变化越小 con ,11.设系统的特征方程为 D s 二s 4 8s 3 17s 2 16s 5 =0 , A.稳定 B.临界稳定 C.不稳定D.零阻尼系统 D.-90 °则此系统 () D.稳定性不确定。
12.某单位反馈系统的开环传递函数为: G^s(s 1)(s 5),当k=()时,闭环系统临界稳定。
《自动控制原理》期末试题一、单项选择题(本大题共30小题,每小题1分,共30分)【 A 】1.某系统的传递函数为G (s )=52s +,则该系统的单位脉冲响应函数为 A .-2t 5e B . 5t C .2t5e D . t50,0≤t <5 【 B 】2.若f(t)= 其L[f(t)]=1,t≥5A .s -s eB.s-5se C .s 1D.se 5s 1 【 C 】3.已知f (t )=0.5t+1,其L[f(t)]=A . 25.0s s + B . 25.0s C .ss 1212+ D .s 21 【 D 】4. 下列函数既可用初值定理求其初始值又可用终值定理求其终值的为 A .2552+sB .162+s s C . 2-1sD . 21+s 【 B 】5. 若tte t f 2)(-=,则L[f(t)]=A .21+s B . 2)2(1+s C . 2-1sD .2)2-(1s 【 C 】6. 二阶欠阻尼系统的上升时间r t 定义为A .单位阶跃响应达到稳态值所需的时间B .单位阶跃响应从稳态值的10%上升到90%所需的时间C .单位阶跃响应从零第一次上升到稳态值所需的时间D .单位阶跃响应达到其稳态值的50%所需的时间 【 B 】7. 系统方框图如图示,则该系统的开环传递函数 A .1510+s B .1520+s s C .)15(210+s s D .2s 【 D 】8. 二阶系统的极点分别为S1=-0.5,S2=-4,系统增益为5,则其传递函数为A .)4-)(5.0-(2s sB .)4)(5.0(2++s sC .)4)(5.0(5++s sD .)4)(5.0(10++s s【 A 】9. 开环系统与闭环系统最本质的区别是A .开环系统的输出对系统无控制作用,闭环系统的输出对系统有控制作用B .开环系统的输入对系统无控制作用,闭环系统的输入对系统有控制作用C .开环系统不一定有反馈回路,闭环系统有反馈回路D .开环系统不一定有反馈回路,闭环系统也不一定有反馈回路 【 C 】10. 线性系统与非线性系统的根本区别在于 A .线性系统微分方程的系数为常数,而非线性系统微分方程的系数为时变函数 B .线性系统只有一个外加输入,而非线性系统有多个外加输入 C .线性系统满足迭加原理,非线性系统不满足迭加原理D .线性系统在实际系统中普遍存在,而非线性系统在实际中存在较少【A 】11. 系统类型λ、开环增益K 对系统稳态误差的影响为 A .系统型次λ越高,开环增益K 越大,系统稳态误差越小 B .系统型次λ越低,开环增益K 越大,系统稳态误差越小 C .系统型次λ越高,开环增益K 越小,系统稳态误差越小D .系统型次λ越低,开环增益K 越小,系统稳态误差越小 【 C 】12.一阶系统的传递函数为G(s)=1KTs +,则该系统时间响应的快速性 A .与K 有关B .与K 和T 有关C .与T 有关D .与输入信号大小有关【 C 】13.一闭环系统的开环传递函数为G(s)=8(3)(23)(2)s s s s +++,则该系统为A .0型系统,开环增益为8B .I 型系统,开环增益为8C .I 型系统,开环增益为4D .0型系统,开环增益为4【 B 】14.瞬态响应的性能指标是根据哪一种输入信号作用下的瞬态响应定义的 A .单位脉冲函数 B .单位阶跃函数 C .单位正弦函数 D .单位斜坡函数 【 C 】15.二阶系统的传递函数为G(s)=2221KS S ++,当K 增大时,其 A .无阻尼自然频率n ω增大,阻尼比ξ增大 B .无阻尼自然频率n ω增大,阻尼比ξ减小 C .无阻尼自然频率n ω减小,阻尼比ξ减小 D .无阻尼自然频率n ω减小,阻尼比ξ增大【 B 】16.所谓最小相位系统是指 A .系统传递函数的极点均在S 平面左半平面B .系统开环传递函数的所有零点和极点均在S 平面左半平面C .系统闭环传递函数的所有零点和极点均在S 平面右半平面D .系统开环传递函数的所有零点和极点均在S 平面左右半平面 【 A 】17.一系统的传递函数为G(s)=102S +,则其截止频率b ω为 A .2 rad/sB .0.5 rad/sC .5 rad/sD .10 rad/s【 B 】18.一系统的传递函数为G(s)=(1)KS TS +,则其相位角()ϕω可表达为A .1tg T ω--B .190o tg T ω---C .190o tg T ω--D .1tg T ω-【A 】19.一阶系统的传递函数为G(s)=22S +,当输入r(t)=2sin2t 时,其稳态输出的幅值为A B 2 C .2 D .4【 D 】20.延时环节se τ-(τ>0),其相频特性和幅频特性的变化规律为A .()90oϕω=,()0L ω=dB B .()ϕωωτ=-,()1L ω= dBC .()90o ϕω=,()L ωωτ= dBD .()ϕωωτ=-,()0L ω= dB【 A 】21.一单位反馈系统的开环传递函数为G(s)=(1)(2)Ks s s ++,当K 增大时,对系统性能的影响是 A .稳定性降低 B .频宽降低 C .阶跃输入误差增大 D .阶跃输入误差减小 【 A 】22.一单位反馈系统的开环Bode 图已知,其幅频特性低频段是一条斜率为-20dB/dec 的渐进直线,且延长线与0dB 线交点频率为d ω=5,则当输入为r(t)=0.5t 时,其稳态误差为 A .0.1 B .0.2 C .0 D .0.5【 D 】23.利用乃奎斯特稳定性判断系统的稳定性时,Z=P- N 的Z 表示意义为A .开环传递函数零点在S 左半平面的个数B .开环传递函数零点在S 右半平面的个数C .闭环传递函数极点在S 右半平面的个数D .闭环特征方程的根在S 右半平面的个数 【 B 】24.关于劳斯—胡尔维茨稳定性判据和乃奎斯特稳定性判据,以下叙述中正确的是 A .劳斯—胡尔维茨判据属于代数判据,是用来判断开环系统稳定性的 B .乃奎斯特判据属于几何判据,是用来判断闭环系统稳定性的 C .乃奎斯特判据是用来判断开环系统稳定性的 D .以上叙述均不正确【 D 】25.以下频域性能指标中根据开环系统来定义的是 A .截止频率b ω B .谐振频率r ω与谐振峰值r MC .频带宽度D .相位裕量λ与幅值裕量K g 【 A 】26.一单位反馈系统的开环传递函数为G(s)=()Ks s K +,则该系统稳定的K 值范围为A .K>0B .K>1C .0<K<10D .K>-1【 A 】27.对于开环频率特性曲线与闭环系统性能之间的关系,以下叙述中不正确的为A .开环频率特性的低频段表征了闭环系统的稳定性B .中频段表征了闭环系统的动态特性C .高频段表征了闭环系统的抗干扰能力D 低频段的增益应充分大,以保证稳态误差的要求 【 d 】28.以下性能指标中不能反映系统响应速度的指标为 A .上升时间t r B .调整时间t s C .幅值穿越频率c ω D .相位穿越频率g ω 【 D 】29.当系统采用串联校正时,校正环节为1()21c s G s s +=+,则该校正环节对系统性能的影响为A .增大开环幅值穿越频率c ωB .增大稳态误差C .减小稳态误差D .稳态误差不变,响应速度降低 【 A 】30.串联校正环节1()1c As G s Bs +=+,关于A 与B 之间关系的正确描述为 A .若G c (S)为超前校正环节,则A>B>0 B .若G c (S)为滞后校正环节,则A>B>0 C .若G c (S)为超前—滞后校正环节,则A ≠B D .若G c (S)为PID 校正环节,则A=0,B>0 二、填空题(每小题2分,共10分)31.传递函数的定义是对于线性定常系统,在___初始条件为零的条件下,系统输出量的拉变换与_输入量的拉氏变换_之比。
自动控制原理期末试卷一、简答:(共30分,每小题10分)1、说明闭环控制系统的基本组成,并画出其典型结构方框图。
2、什么叫稳定裕量,在如下所示的图中标出相角稳定裕量和增益稳定裕量。
3、说明非线性控制系统中具有哪些运动特征(与线性控制系统相比较)。
二、已知系统结构图如图所示,试求出系统的传递函数。
(共10分)三、已知反馈系统的开环传递函数为)6)(3()1()(2+++=s s s s K s G 。
(共10分) (1)试确定使系统稳定的K 的取值范围。
(5分)(2)若要求系统对于输入r(t)= t 2作用下的静态误差e SS ≤0.5,试确定K 的取值范围。
(5分)四、已知最小相位系统开环对数幅頻特性图如图所示,写出相应的传递函数。
(共10分)五、已知单位负反馈系统的开环传递函数为 )1)(1()(21++=s T s T s Ks G 。
(共10分)(1)试概略画出G (s )对应的Nyquist 图。
(5分) (2)由Nyquist 稳定判据给出闭环系统稳定的条件。
(5分) 六、已知系统的开环传递函数为)1()3(2)(+++=s s s s K s G )(绘制负反馈的根轨迹图,并确定使系统处于欠阻尼的K 值范围。
(共15分) 七、某采样控制系统的结构如图所示,已知τ=1,求: (1)求系统的脉冲传递函数。
(10分) (2)求系统稳定的K 值范围。
(5分)答案一、 简答:(共30分,每小题10分)1、答案:闭环控制系统的基本组成:检测元件、比较元件、放大元件、执行元件、给定元件、校正元件及被控对象。
(共6分,除被控对象外,每一个元件给1分)典型结构方框图(4分,可以没有局部反馈)2、答案:稳定裕量是系统距离稳定 的边界所具有的余量(5分)。
相角稳定裕量(3分)。
增益稳定裕量(2分)。
3、答案:与线性控制系统相比非线性控制系统表现出如下的特征: (1)非线性控制系统的运动不满足态的迭加原理。
自控期末考试题及答案一、选择题(每题2分,共20分)1. 自控系统的开环传递函数是G(s),闭环传递函数是H(s),则开环增益K的值是:A. G(s)B. H(s)C. K=1/(1+G(s)H(s))D. K=1/G(s)2. 在PID控制器中,P代表的是:A. 比例B. 积分C. 微分D. 优先级3. 以下哪个不是控制系统的稳定性判据:A. 劳斯-赫尔维茨判据B. 奈奎斯特判据C. 伯德图D. 奈特图4. 控制系统的稳态误差ess与输入信号的类型有关,以下哪种输入信号类型会导致ess不为零:A. 阶跃信号B. 斜坡信号C. 抛物线信号D. 正弦信号5. 系统的时间常数τ与系统的哪个参数有关:A. 阻尼比B. 自然频率C. 增益D. 相位裕度6. 以下哪个是控制系统的频率特性:A. 传递函数B. 脉冲响应C. 伯德图D. 阶跃响应7. 一个二阶系统的阻尼比ζ=0.5,其特征方程为:A. s^2+2ζωns+ωn^2=0B. s^2+ωns+ωn^2=0C. s^2+2ζωn^2s+ωn^4=0D. s^2+2ζωn^2=08. 以下哪个是控制系统的超调量(overshoot):A. 稳态误差B. 最大偏差C. 初始偏差D. 瞬态误差9. 系统设计中,为了提高系统的稳定性,通常需要增加:A. 阻尼比B. 自然频率C. 增益D. 相位裕度10. 以下哪个不是控制系统的时域性能指标:A. 稳态误差B. 调整时间C. 延迟时间D. 峰值时间答案:1. C2. A3. C4. B5. B6. C7. A8. B9. A10. C二、简答题(每题10分,共30分)1. 简述PID控制器的工作原理及其各部分的作用。
答案:PID控制器是一种常见的反馈控制器,由比例(P)、积分(I)和微分(D)三个部分组成。
比例部分根据误差的大小成比例地调整控制量,以减小误差;积分部分对误差进行积分,消除稳态误差;微分部分对误差的变化率进行控制,以抑制系统的过冲和振荡。
WORD格式.期末考试 - 复习重点自动控制原理1一、单项选择题(每小题 1 分,共20 分)1.系统和输入已知,求输出并对动态特性进行研究,称为()A. 系统综合B. 系统辨识C. 系统分析D. 系统设计2.惯性环节和积分环节的频率特性在()上相等。
A. 幅频特性的斜率B. 最小幅值C. 相位变化率D. 穿越频率3. 通过测量输出量,产生一个与输出信号存在确定函数比例关系值的元件称为()A. 比较元件B.给定元件C. 反馈元件D. 放大元件ω从 0变化到 + ∞时,延迟环节频率特性极坐标图为4. ()A. 圆B.半C. 椭圆D. 双曲线圆5.当忽略电动机的电枢电感后,以电动机的转速为输出变量,电枢电压为输入变量时,电动机可看作一个()A. 比例环节B. 微分环节C. 积分环节D. 惯性环节10,则它的开环增益为6. 若系统的开环传递函数为()s(5s2)A.1B.2C.5D.1057. 二阶系统的传递函数G ( s),则该系统是()A. 临界阻尼系s22s 5D. 零阻尼系B. 欠阻尼系统 C. 过阻尼系统统统8.若保持二阶系统的ζ 不变,提高ω n,则可以()A. 提高上升时间和峰值时间B. 减少上升时间和峰值时间C. 提高上升时间和调整时间D. 减少上升时间和超调量9. 一阶微分环节 G1(s) 1 Ts ,当频率时,则相频特性 G ( j) 为()TA.45 °B. -45 °C.90 °D. -90°专业资料整理WORD格式.....专业资料整理WORD格式.10.最小相位系统的开环增益越大,其()B.稳定裕量越A. 振荡次数越多大D.稳态误差越C. 相位变化越小小11. 设系统的特征方程D ss48s3 17s 20 ,则此系统为16 s 5 ()A. 稳定B.临界稳C. 不稳定D. 稳定性不确定。
定k)时,闭环系统临界稳12. 某单位反馈系统的开环传递函数为:G s,当 k= (定。
自动控制原理1一、 单项选择题(每小题1分,共20分)1. 系统和输入已知,求输出并对动态特性进行研究,称为( C )A.系统综合B.系统辨识C.系统分析D.系统设计2. 惯性环节和积分环节的频率特性在(A )上相等。
A.幅频特性的斜率B.最小幅值C.相位变化率D.穿越频率3. 通过测量输出量,产生一个与输出信号存在确定函数比例关系值的元件称为( C )A.比较元件B.给定元件C.反馈元件D.放大元件4. ω从0变化到+∞时,延迟环节频率特性极坐标图为(A )A.圆B.半圆C.椭圆D.双曲线5. 当忽略电动机的电枢电感后,以电动机的转速为输出变量,电枢电压为输入变量时,电动机可看作一个( B )A.比例环节B.微分环节C.积分环节D.惯性环节6. 若系统的开环传 递函数为2)(5 10+s s ,则它的开环增益为(C ) A.1 B.2 C.5 D.107. 二阶系统的传递函数52 5)(2++=s s s G ,则该系统是(B ) A.临界阻尼系统 B.欠阻尼系统 C.过阻尼系统 D.零阻尼系统8. 若保持二阶系统的ζ不变,提高ωn ,则可以(B )A.提高上升时间和峰值时间B.减少上升时间和峰值时间C.提高上升时间和调整时间D.减少上升时间和超调量9. 一阶微分环节Ts s G +=1)(,当频率T1=ω时,则相频特性)(ωj G ∠为(A ) A.45° B.-45° C.90° D.-90°10.最小相位系统的开环增益越大,其( D )A.振荡次数越多B.稳定裕量越大C.相位变化越小D.稳态误差越小11.设系统的特征方程为()0516178234=++++=s s s s s D ,则此系统 ( A )A.稳定B.临界稳定C.不稳定D.稳定性不确定。
12.某单位反馈系统的开环传递函数为:())5)(1(++=s s s k s G ,当k =( C )时,闭环系统临界稳定。
一、 填空题1、线性定常连续控制系统按其输入量的变化规律特性可分为_恒值控制_系统、随动系统和_程序控制_系统。
2、传递函数为 [12(s+10)] / {(s+2)[(s/3)+1](s+30)} 的系统的零点为_-10_, 极点为_-2__, 增益为_____2_______。
3、构成方框图的四种基本符号是: 信号线、比较点、传递环节的方框和引出点 。
4、我们将 一对靠得很近的闭环零、极点 称为偶极子。
5、自动控制系统的基本控制方式有反馈控制方式、_开环控制方式和_复合控制方式_。
6、已知一系统单位脉冲响应为t e t g 5.16)(-=,则该系统的传递函数为。
7、自动控制系统包含_被控对象_和自动控制装置两大部分。
8、线性系统数学模型的其中五种形式是微分方程、传递函数、__差分方程_、脉冲传递函数_、__方框图和信号流图_。
9、_相角条件_是确定平面上根轨迹的充分必要条件,而用_幅值条件__确定根轨迹上各点的根轨迹增益k*的值。
当n-m ≥_2_时, 开环n 个极点之和等于闭环n 个极点之和。
10、已知一系统单位脉冲响应为te t g 25.13)(-=,则系统的传递函数为__。
11、当∞→ω时比例微分环节的相位是: A.90 A.90 B.90- C. 45 D.45-12、对自动控制的性能要求可归纳为_稳定性__、_快速性_和准确性三个方面, 在阶跃响应性能指标中,调节时间体现的是这三个方面中的_快速性___,而稳态误差体现的是_稳定性和准确性_。
13、当且仅当离散特征方程的全部特征根均分布在Z 平面上的_单位圆 _内,即所有特征根的模均小于___1____,相应的线性定常离散系统才是稳定的。
14、下列系统中属于开环控制系统的是 D.普通数控加工系统A.电炉箱恒温控制系统B.雷达跟踪系统C.水位控制系统D.普通数控加工系统15、某单位负反馈系统在单位阶跃信号作用下的系统稳态误差0=ss e ,则: B.意味着该系统的输出信号的稳态值为1 A.意味着该系统是一个0型系统 B.意味着该系统的输出信号的稳态值为1 C.意味着该系统没有输出信号 D.意味着该系统具有比较高的开环增益16、一阶系统11)(+=Ts s G 在单位斜坡信号作用下,系统的稳态误差为 T 。
自动控制原理复习题一、单位反馈最小相位系统开环传递函数的幅频特性曲线如右图所示: 1、写出校正前系统开环传递函数()G s ; 2、校正前系统的相角裕度γ=?幅值裕度h=?3、设计串联校正装置的传递函数)(s G c ,使校正后系统响应输入4521)(2++=t t t r 的稳态误差为1=ss e ,且维持校正后系统开环对数幅频特性曲线的中、高频段特性与校正前相同。
解: 1、)16.31(6.31)(+=s s s G 2、6.31=c ω,οοοοοο45)4590(180)16.31(6.31180)(180=--+=++=∠+=c c c j j j G ωωωγοο1806.3190)16.31(6.31)(-=--=+∠=∠g g arctg j j j G ωωωω ∞=g ω∞=+==)16.31(6.311)(1g g g j j j G h ωωω3、为使4521)(2++=t t t r 的稳态误差为1=ss e ,则需=υ2,,111===K K e a ss可得1==a K K设校正后低频段与校正前低频段交于ω,则有ωω6.31lg201lg 202=,得6.311=ω 校正后开环传递函数为)16.31()16.31()(2'++=s s s s G 校正装置为ss s G c 6.3116.31)(+=二、试建立如图所示电路的动态微分方程,并求传递函数。
解:1. 建立电路的动态微分方程 根据KCL 有200i 10i )t (u )]t (u )t (d[u )t (u )t (u R dt C R =-+-即 )t (u )t (du )t (u )()t (du i 2i 21021021R dtC R R R R dt CR R +=++ 2. 求传递函数对微分方程进行拉氏变换得)(U )(U )(U )()(U i 2i 21021021s R s Cs R R s R R s Cs R R +=++得传递函数 2121221i 0)(U )(U )(R R Cs R R R Cs R R s s s G +++==三、系统如图,210510)(t t t r ++=, 1、判定使系统稳定的τ的取值范围; 2、求系统的稳态误差ss e 。
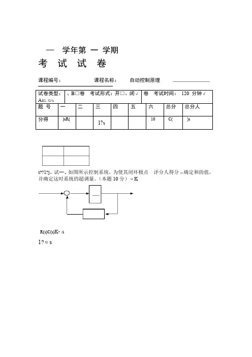
—学年第一学期考试试卷课程编号:课程名称:自动控制原理s??1?j,试一、如图所示控制系统,为使其闭环极点评分人得分21,确定和的值,并确定这时系统的超调量。
(本题10分)αKR(s)C(s)K-2s1?αs得分评分人二、求图2.所示系统传递函数。
(本题15分)-H R(s)Y(s)G3G1113G2-H1-H22.图三、非线性系统线性部分的极坐标图、非线性部分的负评分人得分倒特性如下图所示。
试判断系统是否稳定,是否存在自振荡。
(本题15分)ImIm00A?ReRe QωQ1)ωG(j?)N(AωA1?)jωG()AN((b)(a)得分评分人四、系统如图所示。
(本题20分)1.试分析速度反馈系统K对系统稳定性的影响;f、、K,并说明内反馈对稳态误差的影响。
2.试求KK apvs?110)sR()s(C__ )ss(?1s sK f得分评分人五、系统如方框图所示。
(本题20分)a= 2时,K由0 绘制~ ∞变化时的根轨迹 1.2.并确定阻尼比ζ= 0.707时的K值;a由0 ~时,= 4∞变化时的根轨迹K 3.绘制a值;时的= 0.707ζ并确定阻尼比4.K)sC()sR( _)as(s?某单位反馈控制系统之开环传递函数为六、评分人得分12(0.008s?1)?1)s.(01今希望校正后的系统能具有图所示之开环频率特性。
(本题20分)1.试求校正后系统的相位裕量;确定其校正装置的传递函数; 2.3.采用的是何校正环节,并说明校正目的。
参考答案α的(10分)如图所示控制系统,为使其闭环极点,试确定和一、j?1?s?K21,值,并确定这时系统的超调量。
)sR()sC(K系统闭环传递函数为解:①-2s KK sα1????(s)?)s(1?K?2KK??ss?12s????2?js??1?j??1?nn?2K????1?22??K??21?1?,解得,2s2?K2?1?α2ζ?1/,,,n???%.32%?4?%exp(?)?100②系nn n?统超调量为?2?1 2.所示系统传递函数。
期末考试-复习重点自动控制原理1一、单项选择题(每小题1分,共20分)1. 系统和输入已知,求输出并对动态特性进行研究,称为( )A.系统综合B.系统辨识C.系统分析D.系统设计2. 惯性环节和积分环节的频率特性在( )上相等。
A.幅频特性的斜率B.最小幅值C.相位变化率D.穿越频率3. 通过测量输出量,产生一个与输出信号存在确定函数比例关系值的元件称为( )A.比较元件B.给定元件C.反馈元件D.放大元件4. ω从0变化到+∞时,延迟环节频率特性极坐标图为( )A.圆B.半圆C.椭圆D.双曲线5. 当忽略电动机的电枢电感后,以电动机的转速为输出变量,电枢电压为输入变量时,电动机可看作一个( )A.比例环节B.微分环节C.积分环节D.惯性环节6. 若系统的开环传 递函数为2)(5 10+s s ,则它的开环增益为( ) A.1 B.2 C.5 D.107. 二阶系统的传递函数52 5)(2++=s s s G ,则该系统是( ) A.临界阻尼系统 B.欠阻尼系统 C.过阻尼系统 D.零阻尼系统8. 若保持二阶系统的ζ不变,提高ωn ,则可以( )A.提高上升时间和峰值时间B.减少上升时间和峰值时间C.提高上升时间和调整时间D.减少上升时间和超调量9. 一阶微分环节Ts s G +=1)(,当频率T1=ω时,则相频特性)(ωj G ∠为( )A.45°B.-45°C.90°D.-90°10.最小相位系统的开环增益越大,其( )A.振荡次数越多B.稳定裕量越大C.相位变化越小D.稳态误差越小11.设系统的特征方程为()0516178234=++++=s s s s s D ,则此系统 ( )A.稳定B.临界稳定C.不稳定D.稳定性不确定。
12.某单位反馈系统的开环传递函数为:())5)(1(++=s s s k s G ,当k =( )时,闭环系统临界稳定。
A.10 B.20 C.30 D.4013.设系统的特征方程为()025103234=++++=s s s s s D ,则此系统中包含正实部特征的个数有( )A.0B.1C.2D.314.单位反馈系统开环传递函数为()ss s s G ++=652,当输入为单位阶跃时,则其位置误差为( ) A.2 B.0.2 C.0.5 D.0.0515.若已知某串联校正装置的传递函数为1101)(++=s s s G c ,则它是一种( ) A.反馈校正 B.相位超前校正C.相位滞后—超前校正D.相位滞后校正16.稳态误差e ss 与误差信号E (s )的函数关系为( )A.)(lim 0s E e s ss →=B.)(lim 0s sE e s ss →= C.)(lim s E e s ss ∞→= D.)(lim s sE e s ss ∞→= 17.在对控制系统稳态精度无明确要求时,为提高系统的稳定性,最方便的是( )A.减小增益B.超前校正C.滞后校正D.滞后-超前18.相位超前校正装置的奈氏曲线为( )A.圆B.上半圆C.下半圆D.45°弧线19.开环传递函数为G (s )H (s )=)3(3 s s K ,则实轴上的根轨迹为( ) A.(-3,∞) B.(0,∞) C.(-∞,-3) D.(-3,0)20.在直流电动机调速系统中,霍尔传感器是用作( )反馈的传感器。
自动控制原理期末考试6套一、单项选择题(每小题1分,共20分)1.系统和输入已知,求输出并对动态特性进行研究,称为(c)C.系统分析2.惯性环节和积分环节的频率特性在(d)上相等。
D.穿越频率3.通过测量输出量,产生一个与输出信号存在确定函数比例关系值的元件称为(d)D.放大元件4.ω从0变化到+∞时,延迟环节频率特性极坐标图为(a)A.圆5.当忽略电动机的电枢电感后,以电动机的转速为输出变量,电枢电压为输入变量时,电动机可看作一个(d)D.惯性环节6.若系统的开环传递函数为C.57.二阶系统的传递函数G()10,则它的开环增益为(c)(52)5,则该系统是(b)225B.欠阻尼系统8.若保持二阶系统的ζ不变,提高ωn,则可以(b)B.减少上升时间和峰值时间9.一阶微分环节G()1T,当频率1时,则相频特性G(j)为(a)TA.45°10.最小相位系统的开环增益越大,其(d)D.稳态误差越小11.设系统的特征方程为D4831721650,则此系统()A.稳定12.某单位反馈系统的开环传递函数为:G临界稳定。
C.3013.设系统的特征方程为D341035220,则此系统中包含正实部特征的个数有()C.214.单位反馈系统开环传递函数为G差为()D.0.05k,当k=()时,闭环系统(1)(5)5,当输入为单位阶跃时,则其位置误2615.若已知某串联校正装置的传递函数为Gc()1,则它是一种()101D.相位滞后校正16.稳态误差e与误差信号E()的函数关系为()B.elimE()17.在对控制系统稳态精度无明确要求时,为提高系统的稳定性,最方便的是()A.减小增益18.相位超前校正装置的奈氏曲线为()B.上半圆19.开环传递函数为G()H()=K,则实轴上的根轨迹为()3(3)C.(-∞,-3)20.在直流电动机调速系统中,霍尔传感器是用作()反馈的传感器。
B.电流二、填空题(每小题1分,共10分)21.闭环控制系统又称为反馈控制系统。
《自动控制原理与系统》模拟试题一.单项选择题(本大题共10小题,每小题2分,共20分)1.下列系统中属于开环控制系统的是:【 D 】A.电炉箱恒温控制系统B.雷达跟踪系统C.水位控制系统D.普通数控加工系统2.函数st te t f 2)(的拉氏变换式为:【 A 】A.2)5(12s sB.2)5(12s s C.5212e s s D.2)5(11s s 3.某单位负反馈系统在单位阶跃信号作用下的系统稳态误差0ss e ,则:【 B 】A.意味着该系统是一个0型系统B.意味着该系统的输出信号的稳态值为 1C.意味着该系统没有输出信号D.意味着该系统具有比较高的开环增益4.偏差信号是指:【 C 】A.输入信号与希望信号之差B.输出量的实际值与希望值之差C.输入信号与主反馈信号之差D.输出量实际值与主反馈信号之差5.当时比例微分环节的相位是:【 A 】A.90B.90C.45D.456.已知某闭环系统的开环传递函数为)2(2.0)()(2s s s H s G ,则当0时,该系统的Nyquist 曲线的相位角【 B 】A. 0B. 180C.270D. 1357.已知某环节的开环传递函数为Ts s G 1)(,则该环节在Bode 图上,其幅频特性曲线穿越dB 0线的频率为:【 C 】A. 1B. TC. T 1D. T18.函数tdt t f 221)(的拉氏变换式为:【 B 】A. 21sB. 31s C. 22s D. 32s 9.两个单位负反馈系统,其前向通道的传递函数分别为s s G 1)(1和s s G 21)(2,则其相应的穿越频率1c 和2c 满足:【 C 】A. 21c cB. 21c c C. 21c c D. 21c c 10.某放大器的增益为-20dB ,则该放大器的输出信号为输入信号的:【 C 】A. 20B. 10C. 1.0D. 01.0二.填空题(本大题共5小题,每小题2分,共10分)11.一阶系统11)(Ts s G 在单位斜坡信号作用下,系统的稳态误差为 T 。
天津大学2014-2015学年期末考试试题(自动化学院)
一(15分)、系统方框图如下图所示,试求传递函数()()C s R s ,()()C s N s ,)()(s R s E ,)
()
(s N s E 。
解:
121L G H =-,2122L G G H =-,211221G H G G H ∆=++。
求)
()(s R s C 时,112P G G =,11∆=;232P G G =,21∆=,故 12321122
21122
()()1G G G G P P C s R s G H G G H +∆+∆==∆++ 求)
()(s N s C 时,21G P =,11∆=,故 11
221122
()()1P G C s N s G H G G H ∆==∆++ 求)
()(s R s E 时,11=P ,1211G H ∆=+;2322P G G H =-,12=∆,故 213221122
211221()()1G H G G H P P E s R s G H G G H +-∆+∆==∆++
求()()
E s N s 时,122P G H =-,11∆=,故 11
2221122()()1P G H E s N s G H G G H ∆-==∆++
二(15分)、某功率回路的电流反馈控制系统如下图所示,图中功率放大环节的放大倍数30K =,功率回路的电阻0.1R =Ω,功率回路的电感3110L H -=⨯,电流传感器的测量系数0.01/V A
α=-(负号表示负反馈)。
L
C
1、试给出调节器和被控对象的传递函数,绘制系统的方框图,求系统的闭环传
递函数。
2、为使系统闭环特征根的阻尼比0.707ξ=,无阻尼自然振荡频率100n ω=,设计调节器的电阻1R 和电容1C 的取值。
解:
1、系统调节器的传递函数为
111111
0.00110001000R C s R C s
+
=+
被控对象的传递函数为
K
R Ls
+ 系统方框图如下图
系统的闭环传递函数为
()()()()()
1111111111111
22111111111
111000()1110001100011100010001000110001000R C s K K R C s R Ls s R R Ls K R C s K C s R Ls
K R C s K R C s LC K R C RC K RC s LC s K R C s s s LC LC αααα
α+⎛⎫+ ⎪
⎝⎭+Φ=
=⎛⎫++++ ⎪⎝⎭++++==
++++++ 2、由100n ω=有
11
300.01
10000100010000.001K LC C α⨯==⨯⨯,得613010C F -=⨯。
由0.707ξ=有
66111
16
1
11000300.01301010000.13010100010000.00130100.310020.707100
K R C RC R LC R α---+⨯⨯⨯⨯+⨯⨯⨯=
⨯⨯⨯=⨯+=⨯⨯ 得1138R =Ω。
三(15分)、某单位反馈系统的开环传递函数为
(2)(3)
()(1)
K s s G s s s ++=
-
1、试绘制:0K →+∞变化时系统的根轨迹图;
2、确定系统闭环极点为稳定的共轭复数根时K 的取值范围。
解:
1、根轨迹方程为
(2)(3)
10(1)
K s s s s +++
=-
根轨迹有二条分支,起始于开环极点01=p ,21p =,终止于开环零点12z =-,
23z =-;
实轴上的根轨迹区段为[0,1],[3,2]--; 分离点由方程
(2)(3)(1)
0s s d
s s ds
++-=
得到,即 2210s s +-=
得分离点1,2
0.4142, 2.4142d =-,代入模值条件得分离点对应的根轨迹增益为
0.4142, 2.4142
(1)
0.029,34(2)(3)s s s K s s =--=-
=++
由系统的特征方程
2(1)(51)60K s K s K ++-+=
得闭环稳定时K 的取值范围为0.2K >,0.2K =时闭环特征方程为
21.2 1.20s +=
得根轨迹与虚轴的交点为1ω=±。
根轨迹如下图所示,根轨迹的复平面部分为直径等于2.8284的圆。
Real Axis
I m a g i n a r y A x i s
2、系统阶跃响应带有振荡并且收敛的K 的取值范围为0.20.345K <<。
四(15分)、已知某单位反馈系统开环传递函数是最小相位的,开环传递函数的对数幅频特性如下图所示。
1、试写出系统的开环传递函数()G s ;
2、计算系统的幅值穿越频率c ω、相角裕度γ和幅值裕度g k ,判断系统的稳定性。
/s)
解:
1、系统开环传递函数为
20
()(0.011)(0.1251)
G s s s s =
++
2、由渐近特性
20
10.125c c
ωω=⨯⨯
解得幅值穿越频率为
4 3.1612.64c ω=⨯=
和系统的相角裕度为
()90arctan 0.01arctan 0.125907.257.6725.13c c c γωωω=--=--=
设系统的速度误差系数等于K ,系统的闭环特征方程为
320.001250.1350s s s K +++=
系统稳定时K 的取值范围为0108K <<,因此
108 5.420
g k ==
因为0γ>,1g k >,所以闭环系统稳定。
五(20分)、某位置伺服控制系统被控对象的传递函数为
21
()G s s =
1、试设计超前校正
1
()1
c Ts G s k
Ts α+=+
的参数α、T 和可调增益k 的值,
使系统的加速度误差系数10a k =,以20dB dec -的斜率穿越零分贝线,幅值穿越频率10c rad s ω=,相角裕度50γ=。
2、根据中频段特性估算校正后系统的调节时间。
解1、由0.1a k =得可调增益10k =,校正后系统的开环传递函数为
()
()
2
101()()1c Ts G s G s s Ts α+=
+ 从校正后系统以20dB dec -的斜率穿越零分贝线的要求得到系统开环幅频特性
曲线的幅值穿越频率11
c T T
ωα<<,据此有
()
()()
2
10110()()11c c c c c
c c Tj T
G j G j j Tj αωαωωωωω+=
≈
=+
得到110
c
T ωα=
=(或过10c ω=做斜率为20dB dec -的斜线,交系统低频段特性
于1ω=处,得1T α=)。
从相角裕度的要求有
()
()()
2
180()()()()
10101180arctan10arctan1050
10101c c c c c c G j G j G j G j j T j jT γωωωω=+∠=+=+∠
=-⨯=+
得0.0682T =,14.7α=。
校正后系统的对数幅频特性曲线如下图所示。
2、从动态特性考虑,由系统的中频段特性得到系统近似的开环传递函数为
()()10147
()()0.0682114.7c G s G s s s s s ≈=++
得214.7n ξω=,于是调节时间的估算值为 3.5
0.48s n
t ξω==秒。
六(20分)、大多数控制系统的控制器后面都带有饱和限幅环节,设图中饱和限幅环节限的幅输出为2±,参考输入()51()r t t =⨯,初始条件为零,
试在(,)x x e =相平面上绘制系统的相轨迹图。
解:按非线性环节的输入对相平面进行分区。
1.4142x x +<时(Ⅰ区)有
1.414u x x
r udt x =+-=⎰
有
1.414u x x r u x
=+-=
即
1.414x x x r ++=
设()51()r t t =⨯,则有Ⅰ区的微分方程为
1.4140,0x x x t ++=>
1.4142x x +≥时(Ⅱ区)系统的微分方程为
2x r c
c =-=
则0t >时有
2x =-
相轨迹满足
214x x C =-+
1.4142x x +≤-时(Ⅲ区)系统的微分方程为
2x r c
c =-=-
则0t >时有
2x =
相轨迹满足
224x x C =+
相轨迹起始于Ⅱ区的(0)0x =,(0)5x =点,得相轨迹方程为
2425x x =-+
由此得到系统的相平面图如下图所示。
x 1.4142
x x +=1.4142
x x +=-2425
x x =-+
级物理力学部分
一、速度公式
火车过桥(洞)时通过的路程s=L桥+L车声音在空气中的传播速度为340m/s
光在空气中的传播速度为3×108m/s
二、密度公式
33。