铝合金门窗检验记录表
- 格式:doc
- 大小:131.50 KB
- 文档页数:8
铝塑复合窗成品入库检验记录
工程名称安康规格型号×楼号号楼班组
窗型代号 C —樘数检验日期09年月日
序号检验项目技术要求使用工具检验结果结论
1 窗框槽口高度偏差
L≤2000mm
L>2000mm
±2.0
±2.5
卷尺
2 窗框槽口宽度偏差
W≤2000mm
W>2000mm
±2.0
±2.5
卷尺
3 窗框槽口对中梃尺寸偏
差
≤2000mm
>2000mm
±1.5
±2.5
卷尺
4 窗框对角线尺寸偏差
≤2000mm
>2000mm
±2.0
±3.5
卷尺
5 窗框、扇搭接宽高度偏差±1.0 卷尺
6 同一平面高低差≤0.3mm 刀尺、塞尺
7 装配间隙≤0.2mm 塞尺
8 中梃与中框尺寸偏差≤2.0mm 卷尺
9 外观质量
表面无铝
屑、毛刺、油污、
或其他缺口连
接,无外溢胶粉
剂,表面平整无
色差凹凸不平,
划伤、投伤、碰
伤等缺陷。
目测
10 玻璃压条装配间隙≤1 mm 卷尺塞尺
11 不得对接使用胶条装配,压入时要保证其不
收缩,对接合理目测
12 五金件装配(各种孔位置合理开关灵活)
13 组角胶喷打铝型材腔体、截面喷打均匀
结论平方数统计批准审核检验注:检验合格用“√”在检验结果中表示。
铝合金门窗检验记录表检验: 校队: 日期:工程名称 数量 规格型号检验项目 技术要求实测结果型材壁厚窗可视面≥1.4mm ;门可视面2.0mm外观 可视面应平滑,无色差、裂纹、气泡、无影响外观的擦划伤,无铝屑、毛刺,连接处不应有外溢的胶粘剂排水通畅 应有排水通道,规格应符合要求中梃连接 处和拼接处的密封 密封胶缝应连续、平滑;各连接部位应做防水处理门窗外形尺寸 ≤2000mm 误差±2.0mm >2000mm 误差±3.0mm对角线尺寸 ≤3.0mm门窗框、门窗扇相邻件 装配间隙 ≤0.3mm相邻构件同一平面度 ≤0.4mm 门窗框、门窗扇搭接量 窗:b ±1mm 门:b ±2mm五金件安装 五金件安装位置应正确,数量齐全,安装牢固,开关灵活,便于更换,质量符合标准要求 密封条、毛条装配 装配应均匀、牢固,接口严密,无脱槽、收缩、虚压等现象压线装配 装配应牢固,高低差≤0.3mm ,长度差≤0.3mm ,不得在一边使用两根压线玻璃装配 应符合JG/T113规定,中空玻璃厚度大于24mm ,应考虑嵌入深度,前后部余隙执手开关力 平开窗≤80N开关力推拉窗:推拉窗≤100N 上下推拉窗≤135N 平开窗:平合页≤80N 摩擦铰链30-80N铝合金门窗过程检验记录表工程名称数量规格型号检验项目技术要求实测结果结论下料长度≤±0.5mm端面与侧面不垂直度≤0.1mm角度±0.1°水槽孔平开窗应在下方距滑撑对角的内角100mm开水槽缺,长度为8mm—10mm;推拉窗水槽孔加工距端部230±3mm锁孔五金配件安装处开孔以五金配件尺寸规格为准,考虑实际使用功能,以使用灵活,使用不变形为宜端铣各型材端部铣及端部拼装缺应根据所配型材尺寸铣缺其误差为±0.3mm,其端铣面应无飞边、毛刺部分门窗在组装时需对与之配合型材做铣缺处理,铣缺位置按标注位置允许误差为±0.3mm,其铣缺尺寸大小应根据与之配合型材断面尺寸允许误差为±0.3mm门窗在加装中梃前,在中梃加装位置先划基准线,划线时应充分考虑型材壁厚、角铝位置、角铝方向等门窗组角≤2000mm 误差±2.0mm>2000mm 误差±3.0mm对角线之差≤±3.0mm相邻构件平面高度差≤0.4mm组角时组角胶涂抹于角码切割断面两边,型材断面要涂抹同色硅酮密封胶在拼接端面,要全涂并涂抹均匀,组角成形后表面余胶要清除干净门窗组装核对装配方向、型材拼接方向窗框拼装时端面需做防水处理,如平开窗拼接时端面需抹胶(榫头位胶不透光为宜);推拉窗在拼装前预加防水垫片,紧固后对多余可见防水片做切割处理检查组角内角、中梃拼接接角处是否勾胶,并密实。
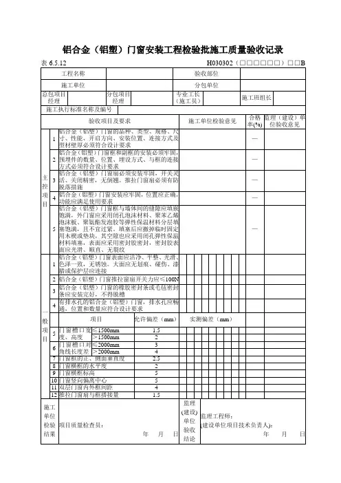
金属门窗安装工程检验批质量验收记录表
(铝合金门窗)
单位〔子单位〕工程名称 分部〔子分部〕工程名称 施工单位 分包单位
施工执行标准名称及编号
施工质量验收标准的规定
1 门窗质量
2 框和副框安装,预埋件
3 门窗扇安装
4 配件质量及安装 1 外表质量 2 推拉扇开关应力 3 框与墙体间缝隙
4 扇密封胶条或毛毡密封条
5 排水孔
6 安装允许偏差
专业工长〔施工员〕
验收部位 工程经理 分包工程经理
施工单位检查评定记录
施工班组长
030302
监理(建设)单 位验收记录
施工单位检查评定结果
工程专业质量检查员: 年 月 日
监理〔建设〕 单位验收结论
专业监理工程师:
〔建设单位工程专业技术负责人〕 : 年 月 日
主
控 工 程
一 般 工 程。