中央空调系统节能项目可行性研究报告范文
- 格式:docx
- 大小:123.96 KB
- 文档页数:117
商用、家用中央空调项目可行性研究报告二零一零年七月第一章概论:公司主要生产家用、商用中央空调,主要产品为节能环保产业的地源热泵空调机组、水源热泵空调机组等。
项目总投资6000万元,占地25亩。
公司依照以节能环保为基本目标的前提,大力开发节能环保、可再生资源应用的制冷产品,主要利用地下水、城镇污水循环利用等方式,产品节能、减排,环保、高效受到国家的大力扶持,受到众多政府机构、商场、酒店、写字楼、医院、别墅等的追捧.第二章产品工艺流程:1、生产工艺:钣金预装--→上线——→机械配件装配—-→铜管处理装配-—→焊组件——→焊接压缩机——→保压——→抽真空--→注环保冷煤——→漏水检测——→水管、钣金装配—-→性能测试-—→贴商标——→包装——→成品入库2、所需材料:压缩机,汽液分离器,冷凝器,铜管,钣金,风机,电机,蒸发器,控制器,截止阀,四通阀,套管换热器,水管组件,储液器,R134A环保冷煤。
第三章项目产品概况中央空调系统由冷热源系统和空气调节系统组成。
制冷系统为空气调节系统提供所需冷量,用以抵消室内环境的冷负荷;制热系统为空气调节系统提供用以抵消室内环境热负荷的热量。
制冷系统是中央空调系统至关重要的部分,其采用种类、运行方式、结构形式等直接影响了中央空调系统在运行中的经济性、高效性、合理性.地源热泵、水源热泵机组是近年来国家大力扶持的节能环保项目,地源热泵是利用地球表面浅层水源(如地下水、河流和湖泊)和土壤源中吸收的太阳能和地热能,并采用热泵原理,既可供热又可制冷的高效节能空调系统。
地源热泵通过输入少量的高品位能源(如电能),实现低温位热能向高温位转移.地能分别在冬季作为热泵供暖的热源和夏季空调的冷源,即在冬季,把地能中的热量“取”出来,提高温度后,供给室内采暖;夏季,把室内的热量取出来,释放到地下去.通常地源热泵消耗1kW的能量,用户可以得到4kW以上的热量或冷量。
目前,地源热泵已成功利用地下水、江河湖水、水库水、海水、城市中水、工业尾水、坑道水等各类水资源以及土壤源作为水源热泵的冷热源。
中央空调节能措施的可行性分析随着我国国民经济的持续增长,人民生活水平不断提高,对居室装潢布置的品位要求和空调的舒适性以及室内空气品质的要求越来越高,同时,对制冷装置节能高效、冷(热)负荷较大和能量宽度调节等要求,促使中央空调成为我国21世纪居住环境空调的首选产品。
伴随而来的能源问题尚待解决。
标签:中央空调节能可行性分析使用空调耗去的电力,已占60%的总发电量。
若把空调调高1度,这小小的动作便可节省3%的空调电费。
若全体市民响应,全年节省电力多达3.3亿度,即减少排放253万吨的二氧化碳。
否则要用上8个香港面积的森林,花上一年时间才能“净化”这253万吨的废气”。
一.中央空调的品牌竞争前几年还是约克、大金、开利等国外品牌占领国内商用空调市场,近几年已风生水起,海尔、美的、格力、松下、LG等企业纷纷进入这一领域,以争取更多主动权。
海尔1996年开始涉足中央空调领域。
美的2002年开始进军小型中央空调领域,并借商用空调生产基地落成之势也正大力推广其“MDV”。
格力二三期空调基地,将重点用于中央空调项目;并且在机构设置上已经将商用空调的营销和研发与家用空调业务分开,并兴建总投资超过5亿元,建筑面积近10万元平方米,国内规模最大中央空调生产基地,显示出进军中央空调市场决心。
开利在中国已有20年历史。
目前开利在华企业已从1984年的1家成长为9家,分别从事冷冻和空调类产品生产、销售及服务业务,在中国建立了广泛的销售和服务网络。
针对中国空调市场发展趋势,开利在去年底宣布进军轻型和家用中央空调领域。
LG电子从1996年开始在韩国生产和销售商用空调,从2002年起,完全由韩国进口的LG商用空调开始进入中国市场,并在中国北方最大的家电生产基地———LG电子(天津)电器有限公司组建一整套系统的市场推广组织。
二.当前空调系统设计中的节能措施1. 采用楼宇设备自动控制技术对空调末端装置进行控制在智能建筑中通常采用楼宇设备自控系统,对中央空调系统末端的新风机、回风机、变风量风机、风机盘管等装置进行状态监视和使用的“精细化”控制,以实现节能的目的。
空调节能改造项目可行性研究报告核心提示:空调节能改造项目投资环境分析,空调节能改造项目背景和发展概况,空调节能改造项目建设的必要性,空调节能改造行业竞争格局分析,空调节能改造行业财务指标分析参考,空调节能改造行业市场分析与建设规模,空调节能改造项目建设条件与选址方案,空调节能改造项目不确定性及风险分析,空调节能改造行业发展趋势分析提供国家发改委甲级资质专业编写:空调节能改造项目建议书空调节能改造项目申请报告空调节能改造项目环评报告空调节能改造项目商业计划书空调节能改造项目资金申请报告空调节能改造项目节能评估报告空调节能改造项目规划设计咨询空调节能改造项目可行性研究报告【主要用途】发改委立项,政府批地,融资,贷款,申请国家补助资金等【关键词】空调节能改造项目可行性研究报告、申请报告【交付方式】特快专递、E-mail【交付时间】2-3个工作日【报告格式】Word格式;PDF格式【报告价格】此报告为委托项目报告,具体价格根据具体的要求协商,欢迎进入公司网站,了解详情,工程师(高建先生)会给您满意的答复。
【报告说明】本报告是针对行业投资可行性研究咨询服务的专项研究报告,此报告为个性化定制服务报告,我们将根据不同类型及不同行业的项目提出的具体要求,修订报告目录,并在此目录的基础上重新完善行业数据及分析内容,为企业项目立项、上马、融资提供全程指引服务。
可行性研究报告是在制定某一建设或科研项目之前,对该项目实施的可能性、有效性、技术方案及技术政策进行具体、深入、细致的技术论证和经济评价,以求确定一个在技术上合理、经济上合算的最优方案和最佳时机而写的书面报告。
可行性研究报告主要内容是要求以全面、系统的分析为主要方法,经济效益为核心,围绕影响项目的各种因素,运用大量的数据资料论证拟建项目是否可行。
对整个可行性研究提出综合分析评价,指出优缺点和建议。
为了结论的需要,往往还需要加上一些附件,如试验数据、论证材料、计算图表、附图等,以增强可行性报告的说服力。
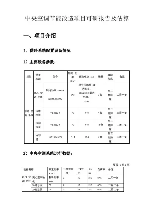
中央空调节能改造项目可研报告及估算一、项目介绍1、供冷系统配置设备情况1)主要设备参数:2)中央空调系统运行数据:夏天(3月-9月)冬季(10月—2月)3、中央空调系统现状分析存在的几个问题1)按GB50019-2003《采暖通风与空气调节设计规范》的相关要求,中央空调系统的控制,应建立集中监控系统,此套系统的核心是各执行元件及各个终端实行连锁、联动保护功能,重点是监控,而系统的节能优化运行在这样的中央空调控制系统中是难以实现的。
2)中央空调机组的选型和设计时必须考虑满足高峰期的候机楼制冷/热需要,系统是按最大负载能力、按照气温最高、负荷最大的工作环境来设计的,会留有一定的工作余量,但是,由于自然温度以及人员流动不同,其系统都是在恒定用电情况,不能随着现场需求量及外界条件的变化而变化,在进行系统优化之前,其输入功率不能随之做出相应的调整,导致电能的大量浪费。
根据能耗监测统计,中央空调设备90%的时间在70%负荷以下波动运行,所以实际负荷并不是满负荷;在冷气需求量较少时,主机负荷量低,存在一定的节能潜力。
3)由于历史的原因,在采用中央空调系统时,选择厂家制冷主机的控制方式,这本来无可厚非的。
但由于这种控制方式是简单以进、出水口的温度变化控制主机的启/停,控制策略为固定模式,没有办法做到有针对性的控制,而且循环水泵是长开的,其终端也是常开的,终端的使用情况要人为控制,那么在人的责任心影响下,不该开空调的位置在用着,管道给主机带来的负荷始终存在着,循环水泵始终在开着,造成了能源的极大浪费。
所以冷水机组的控制系统只能用于本身机组的控制上,对于终端空调的变换使用,该用时用,不该用时关闭等功能,该控制系统是难以做到的,该主机的控制系统和这些终端的控制脱节,形成了无律的运行状态,由此就造成了能源的无端浪费。
4)冷量/热量的需求存在高峰及低谷期,为了尽量实现相对较好的控制效果,机组的循环水泵均采用工频运转,目前的操作方式仅仅通过调节阀门的方式调节水量,此时,控制效果粗略,很难达到理想状态,而且浪费大量的电能。
中央空调的节能可行性报告(1)摘要:中央空调系统设计首先是气象参数和室内空调设计参数计算冷负荷,按分区结构特点,根据产品样本选择相应的设备,组合成一个系统。
但空调系统绝大部分时间是在部分负荷的情况下工作。
在部分负荷工作的控制方式不合理,系统能效比会大大降低……关键词:中央空调系统节能冷却水系统一、调水泵节能介绍1、中央空调运行控制方法分析中央空调系统设计首先是气象参数和室内空调设计参数计算冷负荷,按分区结构特点,根据产品样本选择相应的设备,组合成一个系统。
但空调系统绝大部分时间是在部分负荷的情况下工作。
在部分负荷工作的控制方式不合理,系统能效比会大大降低。
从美国制冷协会标准880-56数据可见,平均年负荷在60%左右。
冷负荷率75-10050-7525-502、中央空调调速节能原理中央空调系统中大部分设备是风机和水泵,是将机械能转变成流体的压力能或动能的设备,若流体为液体工质称其为泵;若流体为气体工质称其为风机。
空调系统中的风机、水泵一般在结构上为透平式类。
参数水泵风机透平式离心泵、混流泵、轴流泵、旋涡泵离心风机、斜流风机、轴流风机参数水泵风机容积式略略其它式略略表2 泵和风机的分类表风机和水泵的理论压力方程式表示为:Hth=1/g对于轴流式Hth=1/g式中,Hth--理论扬程,m;cu1、cu2--分别为叶轮进出口处绝对速度的周向分量,m/s。
但由于空气和水密度相差800多倍,所以升压也相差800多倍。
在现场,常根据用户需要改变风机和水泵的流量和压力,即改变工况点位置,这种以变应变的人工干预称为调节,因用户需求的"变化"是绝对的、经常的,而不变化却是相对的、暂时的,因此调节是一个至关重要的技术。
根据相似定律可知:参数仅n≠no流量QQ=Qvo扬程HH=Ho2全压PP=Po2功率PP=Po3效率nn=no注:"o"为变化前参数,H对于风机称有头,第四项又称比例律。
中央空调项目可行性研究报告规划设计 / 投资分析摘要该中央空调项目计划总投资6095.32万元,其中:固定资产投资4938.01万元,占项目总投资的81.01%;流动资金1157.31万元,占项目总投资的18.99%。
达产年营业收入11439.00万元,总成本费用8812.80万元,税金及附加111.98万元,利润总额2626.20万元,利税总额3100.41万元,税后净利润1969.65万元,达产年纳税总额1130.76万元;达产年投资利润率43.09%,投资利税率50.87%,投资回报率32.31%,全部投资回收期4.59年,提供就业职位212个。
坚持安全生产的原则。
项目承办单位要认真贯彻执行国家有关建设项目消防、安全、卫生、劳动保护和环境保护的管理规定,认真贯彻落实“三同时”原则,项目设计上充分考虑生产设施在上述各方面的投资,务必做到环境保护、安全生产及消防工作贯穿于项目的设计、建设和投产的整个过程。
概论、背景、必要性分析、项目市场前景分析、项目建设内容分析、选址可行性研究、项目工程设计研究、工艺方案说明、环境保护说明、职业安全、风险评价分析、项目节能、项目实施安排方案、投资方案计划、经济收益、综合结论等。
中央空调项目可行性研究报告目录第一章概论第二章背景、必要性分析第三章项目市场前景分析第四章项目建设内容分析第五章选址可行性研究第六章项目工程设计研究第七章工艺方案说明第八章环境保护说明第九章职业安全第十章风险评价分析第十一章项目节能第十二章项目实施安排方案第十三章投资方案计划第十四章经济收益第十五章项目招投标方案第十六章综合结论第一章概论一、项目承办单位基本情况(一)公司名称xxx实业发展公司(二)公司简介公司坚持以科技创新为动力,建立了基础设施较为先进的技术中心,建成了较为完善的科技创新体系。
通过自主研发、技术合作和引进消化吸收等多种途径,不断推动产品技术升级。
公司主导产品质量和生产工艺居国内领先水平,具有显著的竞争优势。
中央空调可行性研究报告一、引言中央空调是一种集中供冷、供暖和通风于一体的空调系统,它通过集中控制和分配冷、热气来调节室内温度和湿度。
在如今日益改善的生活质量和工作环境要求下,中央空调正在被广泛应用于商业、办公场所以及一些大型住宅区。
本报告旨在对中央空调系统的可行性进行研究,分析其优势和劣势,以及其在不同场景下的适用性。
二、中央空调系统的优势1. 功能全面:中央空调可以同时实现供冷、供暖和通风功能,满足不同季节的需求,提供舒适的室内环境。
2. 节能环保:相对于分散式空调系统,中央空调系统能够通过集中供冷热,避免不同房间之间的热量和能量浪费,提高能源利用率,减少能源消耗,降低对环境的影响。
3. 易于维护管理:中央空调系统通过集中控制和管理,可以实现对整个系统的监控和调节,减少维护和管理的工作量,提高效率。
4. 空调风量均衡:中央空调系统可以通过合理的设计和布局,实现不同房间之间的温度和湿度均衡,减少不同房间之间的温差,提高舒适度。
三、中央空调系统的劣势1. 初始投资高:相比于传统的分散式空调系统,中央空调系统的初始投资成本较高,特别是在较小规模的场景下,可能需要更长的回收周期。
2. 设计和施工复杂:中央空调系统的设计和施工需要考虑更多的因素,如管道布局、空调箱和设备的安装等,需要更多的专业知识和技术支持。
3. 依赖性较强:中央空调系统需要依靠专业人员进行监控和调节,一旦出现故障或人为操作失误,可能导致整个系统无法正常运行。
四、中央空调的适用性分析1. 商业场所:中央空调系统适用于大型商业场所,如写字楼、购物中心、酒店等,能够有效地满足人流较大和空间较大的需求。
2. 办公场所:中央空调系统适用于办公楼、医院、学校等一些需要提供舒适工作和学习环境的场所,通过集中供冷热,可以提高室内空气质量和工作效率。
3. 大型住宅区:中央空调系统适用于需求量大、规模较大的住宅区,通过统一的管理和调节,能够提供更好的居住环境,增加住户的生活质量。
智能中央空调节电系统可行性报告一、项目发展现状及研制目的意义1、项目背景就任何建筑物来说,选用空调系统都是按当地最热天气时所需的最大制冷量来选取机型的。
而实际运行时,中央空调的冷负荷总是在不断变化的,冷负荷变化时所需的冷媒水、冷却水的流量也不同,冷负荷大时所需的冷媒水、冷却水的流量也大,反之亦然。
而根据一项对中空调机组运行状态进行分析的权威调查显示,中央空调机组 90%的运行时间处于非满负荷运行状态.而冷冻水泵、冷却水泵以及风机在此90%的时间内仍处于是100%的满负荷运行状态.这样就导致了“大流量小温差”的现象,使大量的电能白白浪费.2、目的意义不可再生能源现有存量的约束,环境的约束,国家的安全,都使得以往那种用电不计效率、不顾成本支出的管理模式将会显得不合时宜。
显著提高电能的使用效率,挖掘一切可以挖掘的用于降低用电成本的潜力,已不单单只是企业在考虑的事宜。
随着能源危机和环境污染得到国家越来越多的重视,“十一五"期间已经规划降低能耗5%。
因此通过采取先进的科学节电技术手段,对用电实行有效的控制,必将会成为节电重要途径之一。
中国节能的重点领域:电机系统节能工程。
目前,我国各类电动机总容量约4。
2亿千瓦,实际动行效率比国外低10-30个百分点,用电量约占全国用电量的60%。
“十一五”期间重点推广高效率节能电动机、稀土永磁电动机;在煤炭、电力、有色、石化等行业实施高效节能风机、水泵、压缩机系统优化改造,推广变频调速、自动化系统控制技术,使运行效率提高2个百分点,年节电200亿千瓦时。
我们知道,电机系统和照明的用电合计占中国总用量的73%(照明约占13%),因此这两个领域的节电潜力巨大,同时影响也是巨大。
我国政府要求2010年新增主要耗能设备能源效率达到或接近国先进水平,部分汽车、电动机、家用电器达到国际领先水平.项目完成时达到的技术水平项目完成后达到国内先进水平,填补省内空白。
综合节电率可达15%以上。
中央空调项目可行性研究报告xxx有限责任公司第一章项目基本信息一、项目概况(一)项目名称中央空调项目近年来,随着制冷技术尤其是多联机及小型水冷机的发展,传统中央空调工作模式的产品得以逐渐进入居民领域,中央空调行业进入新一轮发展,增长势头良好。
根据机电信息数据,2018年,中央空调总体销量已经突破千亿元大关,同比增速达9.3%。
(二)项目选址xx产业发展示范区项目属于相关制造行业,投资项目对其生产工艺流程、设施布置等都有较为严格的标准化要求,为了更好地发挥其经济效益并综合考虑环境等多方面的因素,根据项目选址的一般原则和项目建设地的实际情况,该项目选址应遵循以下基本原则的要求。
(三)项目用地规模项目总用地面积40346.83平方米(折合约60.49亩)。
(四)项目用地控制指标该工程规划建筑系数75.50%,建筑容积率1.16,建设区域绿化覆盖率6.41%,固定资产投资强度184.24万元/亩。
(五)土建工程指标项目净用地面积40346.83平方米,建筑物基底占地面积30461.86平方米,总建筑面积46802.32平方米,其中:规划建设主体工程31946.46平方米,项目规划绿化面积2999.48平方米。
(六)设备选型方案项目计划购置设备共计160台(套),设备购置费4006.26万元。
(七)节能分析1、项目年用电量851088.36千瓦时,折合104.60吨标准煤。
2、项目年总用水量17503.24立方米,折合1.49吨标准煤。
3、“中央空调项目投资建设项目”,年用电量851088.36千瓦时,年总用水量17503.24立方米,项目年综合总耗能量(当量值)106.09吨标准煤/年。
达产年综合节能量28.20吨标准煤/年,项目总节能率29.94%,能源利用效果良好。
(八)环境保护项目符合xx产业发展示范区发展规划,符合xx产业发展示范区产业结构调整规划和国家的产业发展政策;对产生的各类污染物都采取了切实可行的治理措施,严格控制在国家规定的排放标准内,项目建设不会对区域生态环境产生明显的影响。
空调节能改造项目可行性研究报告一、前言空调在现代生活中扮演着重要角色,但空调使用过程中耗电问题也日益凸显。
因此,本报告旨在研究空调节能改造项目的可行性,通过技术手段减少空调的耗能,提高能源利用效率。
二、研究背景1.空调行业现状目前,全球空调装机容量持续增长,据统计,全球空调能耗占电力总消耗的15%左右。
随着能源消耗和环境保护问题日益突出,空调节能改造已成为一个迫切的任务。
2.节能改造意义三、研究目标本研究的目标是研究空调节能改造项目的可行性,评估技术手段对提高空调能效的效果,并为项目实施提供可行性建议。
四、研究方法1.数据收集:通过文献检索,收集相关空调节能改造项目的研究成果、案例和数据。
2.数据分析:对收集到的数据进行整理和统计,并进行趋势分析,对空调能效改进的有效措施进行评估。
3.能效评估:采用能效评估模型,对不同空调技术手段进行评估和比较,找出最适合实施的方案。
4.可行性分析:根据能效评估结果、项目投资成本以及运营维护成本进行经济和技术可行性分析。
五、研究内容1.空调节能技术手段收集和整理现有的空调节能技术手段,包括智能控制技术、制冷循环优化技术、热回收技术等,并对其进行分析和比较。
2.能效评估通过能效评估模型,对不同技术手段进行能效评估,并筛选出最具潜力的技术手段。
3.经济可行性分析根据项目投资成本和运营维护成本,进行经济可行性分析,评估投资回报周期和财务指标。
4.技术可行性分析根据技术手段的可行性和可实施性,评估项目的技术可行性,包括技术难度、设备适配性等。
六、研究结果与建议1.能效评估结果通过能效评估模型,找出最具潜力的空调节能技术手段,如智能控制技术和热回收技术。
2.经济可行性分析结果根据投资成本和运营维护成本,评估项目的经济可行性,确定了投资回报周期和财务指标。
3.技术可行性分析结果根据技术手段的可行性和可实施性,评估了项目的技术可行性,提出相应建议。
4.建议基于研究结果,提出改造项目的实施建议,包括技术选型、投资计划、项目管理等。
中央空调项目可行性报告xxx有限公司报告说明中央空调系统由一个或多个冷热源系统和多个空气调节系统组成,该系统不同于传统冷剂式空调,(如单体机,VRV) 集中处理空气以达到舒适要求。
采用液体气化制冷的原理为空气调节系统提供所需冷量,用以抵消室内环境的热负荷;制热系统为空气调节系统提供所需热量,用以抵消室内环境冷暖负荷。
根据谨慎财务估算,项目总投资17611.84万元,其中:建设投资13728.82万元,占项目总投资的77.95%;建设期利息144.27万元,占项目总投资的0.82%;流动资金3738.75万元,占项目总投资的21.23%。
项目正常运营每年营业收入33800.00万元,综合总成本费用27939.44万元,净利润4281.09万元,财务内部收益率17.79%,财务净现值4336.42万元,全部投资回收期5.99年。
本期项目具有较强的财务盈利能力,其财务净现值良好,投资回收期合理。
项目产品应用领域广泛,市场发展空间大。
本项目的建立投资合理,回收快,市场销售好,无环境污染,经济效益和社会效益良好,这也奠定了公司可持续发展的基础。
本报告为模板参考范文,不作为投资建议,仅供参考。
报告产业背景、市场分析、技术方案、风险评估等内容基于公开信息;项目建设方案、投资估算、经济效益分析等内容基于行业研究模型。
本报告可用于学习交流或模板参考应用。
目录第一章项目概述 (9)一、项目名称及投资人 (9)二、编制原则 (9)三、编制依据 (10)四、编制范围及内容 (11)五、项目建设背景 (11)六、项目建设的可行性 (11)七、结论分析 (12)第二章项目背景分析 (16)一、项目背景分析 (16)二、项目实施的必要性 (16)第三章市场分析 (17)第四章项目承办单位基本情况 (19)一、公司基本信息 (19)二、公司简介 (19)三、公司竞争优势 (20)四、公司主要财务数据 (22)五、核心人员介绍 (23)六、经营宗旨 (25)七、公司发展规划 (25)第五章建设内容与产品方案 (27)一、建设规模及主要建设内容 (27)二、产品规划方案及生产纲领 (27)第六章选址方案 (29)一、项目选址原则 (29)二、建设区基本情况 (29)三、创新驱动发展 (31)四、社会经济发展目标 (32)五、产业发展方向 (33)六、项目选址综合评价 (34)第七章建筑技术分析 (35)一、项目工程设计总体要求 (35)二、建设方案 (35)三、建筑工程建设指标 (39)第八章技术方案 (41)一、企业技术研发分析 (41)二、项目技术工艺分析 (44)三、质量管理 (45)四、项目技术流程 (46)五、设备选型方案 (46)第九章原辅材料分析 (48)一、项目建设期原辅材料供应情况 (48)二、项目运营期原辅材料供应及质量管理 (48)第十章项目进度计划 (49)一、项目进度安排 (49)二、项目实施保障措施 (50)第十一章项目环境影响分析 (51)一、环境保护综述 (51)二、建设期大气环境影响分析 (51)三、建设期水环境影响分析 (54)四、建设期固体废弃物环境影响分析 (54)五、建设期声环境影响分析 (54)六、营运期大气环境影响 (55)七、营运期水环境影响 (56)八、营运期固废环境影响 (56)九、营运期噪声环境影响 (57)十、环境影响综合评价 (57)第十二章项目节能说明 (59)一、项目节能概述 (59)二、能源消费种类和数量分析 (60)三、项目节能措施 (61)四、节能综合评价 (63)第十三章人力资源分析 (64)一、人力资源配置 (64)二、员工技能培训 (64)第十四章劳动安全生产分析 (66)一、编制依据 (66)二、防范措施 (68)三、预期效果评价 (72)第十五章投资方案分析 (74)一、投资估算的依据和说明 (74)二、建设投资估算 (75)三、建设期利息 (79)四、流动资金 (81)五、项目总投资 (83)六、资金筹措与投资计划 (84)第十六章经济收益分析 (86)一、经济评价财务测算 (86)二、项目盈利能力分析 (91)三、偿债能力分析 (94)第十七章项目风险评估 (97)一、项目风险分析 (97)二、项目风险对策 (99)第十八章招标、投标 (101)一、项目招标依据 (101)二、项目招标范围 (101)三、招标要求 (101)四、招标组织方式 (103)五、招标信息发布 (104)第十九章项目综合评价 (105)第二十章补充表格 (106)第一章项目概述一、项目名称及投资人(一)项目名称中央空调项目(二)项目投资人xxx有限公司(三)建设地点本期项目选址位于xxx(以选址意见书为准)。
中央空调项目可行性研究报告xxx有限责任公司摘要报告依据国家产业发展政策和有关部门的行业发展规划以及项目承办单位的实际情况,按照项目的建设要求,对项目的实施在技术、经济、社会和环境保护、安全生产等领域的科学性、合理性和可行性进行研究论证;本报告通过对项目进行技术化和经济化比较和分析,阐述投资项目的市场必要性、技术可行性与经济合理性。
该中央空调项目计划总投资13181.17万元,其中:固定资产投资9836.14万元,占项目总投资的74.62%;流动资金3345.03万元,占项目总投资的25.38%。
达产年营业收入22313.00万元,总成本费用17217.84万元,税金及附加235.96万元,利润总额5095.16万元,利税总额6033.90万元,税后净利润3821.37万元,达产年纳税总额2212.53万元;达产年投资利润率38.65%,投资利税率45.78%,投资回报率28.99%,全部投资回收期4.95年,提供就业职位348个。
近年来,随着制冷技术尤其是多联机及小型水冷机的发展,传统中央空调工作模式的产品得以逐渐进入居民领域,中央空调行业进入新一轮发展,增长势头良好。
根据机电信息数据,2018年,中央空调总体销量已经突破千亿元大关,同比增速达9.3%。
项目概况、项目基本情况、市场前景分析、建设规划分析、项目选址可行性分析、工程设计方案、工艺分析、清洁生产和环境保护、项目安全管理、项目风险评估、项目节能方案分析、项目实施安排方案、投资方案分析、经济评价、总结说明等。
中央空调项目可行性研究报告(项目申请模板)目录第一章项目概况第二章项目承办单位基本情况第三章项目基本情况第四章项目选址可行性分析第五章工程设计方案第六章工艺分析第七章清洁生产和环境保护第八章项目风险评估第九章项目节能方案分析第十章实施进度及招标方案第十一章人力资源第十二章投资方案分析第十三章经济评价第十四章总结说明第一章项目概况一、项目名称及承办单位(一)项目名称中央空调项目近年来,随着制冷技术尤其是多联机及小型水冷机的发展,传统中央空调工作模式的产品得以逐渐进入居民领域,中央空调行业进入新一轮发展,增长势头良好。
中央空调项目可行性研究报告xxx科技公司中央空调项目可行性研究报告目录第一章项目概论一、项目名称及建设性质二、项目承办单位三、战略合作单位四、项目提出的理由五、项目选址及用地综述六、土建工程建设指标七、设备购置八、产品规划方案九、原材料供应十、项目能耗分析十一、环境保护十二、项目建设符合性十三、项目进度规划十四、投资估算及经济效益分析十五、报告说明十六、项目评价十七、主要经济指标第二章项目建设背景一、产业政策及发展规划二、鼓励中小企业发展三、宏观经济形势分析四、区域经济发展概况五、项目必要性分析第三章投资建设方案一、产品规划二、建设规模第四章项目选址说明一、项目选址原则二、项目选址三、建设条件分析四、用地控制指标五、用地总体要求六、节约用地措施七、总图布置方案八、运输组成九、选址综合评价第五章项目工程设计研究一、建筑工程设计原则二、项目工程建设标准规范三、项目总平面设计要求四、建筑设计规范和标准五、土建工程设计年限及安全等级六、建筑工程设计总体要求七、土建工程建设指标第六章风险应对说明一、政策风险分析二、社会风险分析三、市场风险分析四、资金风险分析五、技术风险分析六、财务风险分析七、管理风险分析八、其它风险分析九、社会影响评估第七章项目实施进度计划一、建设周期二、建设进度三、进度安排注意事项四、人力资源配置五、员工培训六、项目实施保障第八章投资方案说明一、项目估算说明二、项目总投资估算三、资金筹措第九章项目经济效益一、经济评价综述二、经济评价财务测算二、项目盈利能力分析第十章附表附表1:主要经济指标一览表附表2:土建工程投资一览表附表3:节能分析一览表附表4:项目建设进度一览表附表5:人力资源配置一览表附表6:固定资产投资估算表附表7:流动资金投资估算表附表8:总投资构成估算表附表9:营业收入税金及附加和增值税估算表附表10:折旧及摊销一览表附表11:总成本费用估算一览表附表12:利润及利润分配表附表13:盈利能力分析一览表第一章项目概论一、项目名称及建设性质(一)项目名称中央空调项目(二)项目建设性质该项目属于新建项目,依托xxx经济示范中心良好的产业基础和创新氛围,充分发挥区位优势,全力打造以中央空调为核心的综合性产业基地,年产值可达12000.00万元。
空调项目可行性研究报告1. 引言本可行性研究报告旨在对空调项目的可行性进行评估和分析,以确定是否值得投资和进一步开发该项目。
本报告将涵盖市场需求、技术可行性、经济可行性和风险评估等方面的内容。
2. 项目背景现代社会对空调的需求越来越高,特别是在炎热的夏季和寒冷的冬季。
空调项目旨在提供有效和环保的空调解决方案,以满足不同用户的需求和提高生活质量。
3. 市场需求分析根据市场调研数据,空调市场具有广阔的发展前景。
越来越多的家庭和商业场所需要空调系统来调节温度和湿度,提供舒适的工作和居住环境。
此外,随着人们对生活质量的要求不断提高,对节能和环保型空调的需求也在不断增长。
4. 技术可行性空调项目的技术可行性是项目成功实施的基础。
通过对当前的空调技术进行评估和分析,我们得出以下结论:•空调制冷技术稳定成熟,已有多种制冷剂可供选择;•空调控制系统的软硬件技术相对成熟,能够满足不同用户的需求;•空调节能技术有待进一步研发和改进。
基于以上评估,我们认为该项目在技术上是可行的,并且有潜力继续改进和创新。
5. 经济可行性经济可行性是项目决策的重要因素之一。
我们进行了详细的经济分析,包括项目的投资、运营和收益等方面,并得出以下结论:•项目的初始投资较大,包括设备购置、场地租赁和人员招聘等方面的费用;•空调市场竞争激烈,售价和利润空间存在压力;•需要建立稳定的销售渠道和售后服务体系,以确保项目的持续盈利。
在经济可行性方面存在一定的风险,需要合理的资金筹措和风险管理措施,以确保项目的可持续发展。
6. 风险评估任何项目都存在一定的风险,在空调项目中也不例外。
我们对项目可能面临的风险进行了评估和分类,包括市场风险、技术风险、竞争风险和政策风险等。
基于风险评估的结果,我们制定了相应的风险管理策略,包括市场调研和分析、技术研发和改进、品牌营销和合规管理等方面的措施,以减轻风险对项目的影响。
7. 结论综合以上分析和评估,我们认为空调项目在市场需求、技术可行性和经济可行性等方面具备较高的潜力和可行性。
空调节能改造项目可行性研究报告一、项目背景与目标近年来,全球变暖问题日益凸显,而空调设备作为一种重要的能源消耗设备,其能源消耗量占据了整个家庭能源消耗的很大比例。
为了减少能源消耗,降低能源使用成本,开展空调节能改造项目具有重要意义。
本项目旨在通过改造现有的空调设备,提高其能效,降低能源消耗,从而达到节能减排的目标。
二、项目内容1.变频技术应用:通过将变频调速技术应用于现有空调系统,控制空调制冷剂的流量和压力,降低空调设备的负荷运行,实现能耗的有效控制和节约。
2.换热器优化:利用高效换热器替代现有的换热器,提高换热效率,减少能源的浪费。
3.设备维护和管理:通过定期检查和维护空调设备,保证其高效运行,减少系统能源损耗。
4.建立能源监测系统:通过安装能源监测设备,实时监测空调能源消耗情况,及时发现和解决能源消耗异常问题。
三、项目可行性分析1.市场需求:随着人们对生活质量要求的提高,空调设备的普及率逐渐提高,因此,空调节能改造项目具有巨大的市场需求。
2.技术可行性:目前,空调节能技术已经非常成熟,变频技术、换热器优化等技术的应用在实际项目中已经取得了显著的节能效果,技术可行性得到充分验证。
3.经济可行性:通过空调节能改造项目,能够大幅降低空调设备的能耗,减少能源使用成本,从而实现节能成本的回收。
根据市场调研结果显示,经过改造的空调系统能够实现能源消耗的降低30%以上,经济效益显著。
4.环境效益:通过降低能源消耗,可以减少对环境的污染,达到减少碳排放的目标,对环境具有积极的影响。
四、项目推进计划1.前期准备:明确项目目标、确定项目团队,进行项目的可行性分析,制定详细的项目计划。
2.技术改造阶段:开展现有空调设备的技术改造工作,包括变频技术的应用、换热器的优化等。
3.运行监测阶段:安装能源监测设备,实时监测空调能源消耗情况,发现和解决能源消耗异常问题。
4.项目总结与评估:经过一段时间的改造后,对项目进行总结评估,评估节能效果和经济效益,以及项目的可持续性。
(2023)医院中央空调系统节能改造项目可行性研究报告申请报告(一)(2023)医院中央空调系统节能改造项目可行性研究报告申请报告项目背景•医院中央空调系统是医院设施中的重要组成部分,消耗大量能源。
•节能减排已成为当下的重要任务。
•进行中央空调系统节能改造,降低能源消耗,有利于医院可持续发展。
目标及预期成果•目标:实现医院中央空调系统节能20%•预期成果:减少医院能耗,降低医院运营成本,提高医院环保形象。
研究内容•对医院中央空调系统进行全面评估。
•寻找更加节能的替代方案。
•制定改造计划。
研究方法•统计分析医院中央空调系统能耗情况。
•研究先进的中央空调节能技术。
•考虑与其他设施进行协调,提高利用率。
•根据数据评估结果,提出有效改进建议。
改造方案及预算•利用高效节能的替代方案替换现有系统设备。
•在设备运行过程中进行定期维护和检查。
•多方面考虑,充分利用现有设施。
•总预算:1000万人民币。
风险评估•地区电力稳定供应。
•中央空调设备的可靠性和耐久性。
•在改造过程中对医院正常工作造成不必要的影响。
研究结论•进行中央空调系统节能改造,能够减少医院能耗,同时提高医院环保形象。
•在改造过程中,需要综合考虑各方面因素,制定出更合理的改造方案。
•通过本项目改造,能够实现20%的能源节省。
参考文献•中央空调节能技术研究方法。
中国热力学科学院。
•节能减排相关政策法规。
国家环保部。
实施计划时间节点实施事项第一季度项目启动,安排相关人员组建项目组第二季度评估中央空调系统能耗情况,分析现状第三季度研究中央空调节能技术,制定改造方案第四季度准备工作,开始中央空调系统改造实施效果评估•定期监测改造后中央空调系统的能耗情况,查看具体节能效果。
•根据实际情况调整改造方案。
•评估改造后的效益。
建议及对策•同时考虑技术、经济、环保等因素,充分利用现有设施,为改造提供有效保障。
•建立定期检查及维护机制,保证中央空调系统的正常运转。
•把握政策机遇,争取一定的政府资金支持,降低医院的改造成本。
空调系统节能设备项目可行性研究报告编制单位:北京中投信德国际信息咨询有限公司高级工程师:高建关于编撰空调系统节能设备项目可行性研究报告编写格式及参考(模板word )(模版型)【立项 批地 融资 招商】核心提示:1、本报告为模板/范文形式,客户下载后,可根据报告内容说明,自行修改,补充上自己项目的数据内容,即可完成属于自己,高水准的一份可研报告,从此写报告不在求人。
2、客户可联系我公司,协助编写完成可研报告,可行性研究报告大纲(具体可跟据客户要求进行调整)编制单位:北京中投信德国际信息咨询有限公司专业撰写节能评估报告资金申请报告项目建议书商业计划书可行性研究报告目录第一章总论 (1)1.1项目概要 (1)1.1.1项目名称 (1)1.1.2项目建设单位 (1)1.1.3项目建设性质 (1)1.1.4项目建设地点 (1)1.1.5项目主管部门 (1)1.1.6项目投资规模 (2)1.1.7项目建设规模 (2)1.1.8项目资金来源 (3)1.1.9项目建设期限 (3)1.2项目建设单位介绍 (3)1.3编制依据 (3)1.4编制原则 (4)1.5研究范围 (5)1.6主要经济技术指标 (5)1.7综合评价 (6)第二章项目背景及必要性可行性分析 (7)2.1项目提出背景 (7)2.2本次建设项目发起缘由 (7)2.3项目建设必要性分析 (7)2.3.1促进我国空调系统节能设备产业快速发展的需要 (8)2.3.2加快当地高新技术产业发展的重要举措 (8)2.3.3满足我国的工业发展需求的需要 (8)2.3.4符合现行产业政策及清洁生产要求 (8)2.3.5提升企业竞争力水平,有助于企业长远战略发展的需要 (9)2.3.6增加就业带动相关产业链发展的需要 (9)2.3.7促进项目建设地经济发展进程的的需要 (10)2.4项目可行性分析 (10)2.4.1政策可行性 (10)2.4.2市场可行性 (10)2.4.3技术可行性 (11)2.4.4管理可行性 (11)2.4.5财务可行性 (12)2.5空调系统节能设备项目发展概况 (12)2.5.1已进行的调查研究项目及其成果 (12)2.5.2试验试制工作情况 (13)2.5.3厂址初勘和初步测量工作情况 (13)2.5.4空调系统节能设备项目建议书的编制、提出及审批过程 (13)2.6分析结论 (13)第三章行业市场分析 (15)3.1市场调查 (15)3.1.1拟建项目产出物用途调查 (15)3.1.2产品现有生产能力调查 (15)3.1.3产品产量及销售量调查 (16)3.1.4替代产品调查 (16)3.1.5产品价格调查 (16)3.1.6国外市场调查 (17)3.2市场预测 (17)3.2.1国内市场需求预测 (17)3.2.2产品出口或进口替代分析 (18)3.2.3价格预测 (18)3.3市场推销战略 (18)3.3.1推销方式 (19)3.3.2推销措施 (19)3.3.3促销价格制度 (19)3.3.4产品销售费用预测 (20)3.4产品方案和建设规模 (20)3.4.1产品方案 (20)3.4.2建设规模 (20)3.5产品销售收入预测 (21)3.6市场分析结论 (21)第四章项目建设条件 (22)4.1地理位置选择 (22)4.2区域投资环境 (23)4.2.1区域地理位置 (23)4.2.2区域概况 (23)4.2.3区域地理气候条件 (24)4.2.4区域交通运输条件 (24)4.2.5区域资源概况 (24)4.2.6区域经济建设 (25)4.3项目所在工业园区概况 (25)4.3.1基础设施建设 (25)4.3.2产业发展概况 (26)4.3.3园区发展方向 (27)4.4区域投资环境小结 (28)第五章总体建设方案 (29)5.1总图布置原则 (29)5.2土建方案 (29)5.2.1总体规划方案 (29)5.2.2土建工程方案 (30)5.3主要建设内容 (31)5.4工程管线布置方案 (32)5.4.1给排水 (32)5.4.2供电 (33)5.5道路设计 (35)5.6总图运输方案 (36)5.7土地利用情况 (36)5.7.1项目用地规划选址 (36)5.7.2用地规模及用地类型 (36)第六章产品方案 (38)6.1产品方案 (38)6.2产品性能优势 (38)6.3产品执行标准 (38)6.4产品生产规模确定 (38)6.5产品工艺流程 (39)6.5.1产品工艺方案选择 (39)6.5.2产品工艺流程 (39)6.6主要生产车间布置方案 (39)6.7总平面布置和运输 (40)6.7.1总平面布置原则 (40)6.7.2厂内外运输方案 (40)6.8仓储方案 (40)第七章原料供应及设备选型 (41)7.1主要原材料供应 (41)7.2主要设备选型 (41)7.2.1设备选型原则 (42)7.2.2主要设备明细 (43)第八章节约能源方案 (44)8.1本项目遵循的合理用能标准及节能设计规范 (44)8.2建设项目能源消耗种类和数量分析 (44)8.2.1能源消耗种类 (44)8.2.2能源消耗数量分析 (44)8.3项目所在地能源供应状况分析 (45)8.4主要能耗指标及分析 (45)8.4.1项目能耗分析 (45)8.4.2国家能耗指标 (46)8.5节能措施和节能效果分析 (46)8.5.1工业节能 (46)8.5.2电能计量及节能措施 (47)8.5.3节水措施 (47)8.5.4建筑节能 (48)8.5.5企业节能管理 (49)8.6结论 (49)第九章环境保护与消防措施 (50)9.1设计依据及原则 (50)9.1.1环境保护设计依据 (50)9.1.2设计原则 (50)9.2建设地环境条件 (51)9.3 项目建设和生产对环境的影响 (51)9.3.1 项目建设对环境的影响 (51)9.3.2 项目生产过程产生的污染物 (52)9.4 环境保护措施方案 (53)9.4.1 项目建设期环保措施 (53)9.4.2 项目运营期环保措施 (54)9.4.3环境管理与监测机构 (56)9.5绿化方案 (56)9.6消防措施 (56)9.6.1设计依据 (56)9.6.2防范措施 (57)9.6.3消防管理 (58)9.6.4消防设施及措施 (59)9.6.5消防措施的预期效果 (59)第十章劳动安全卫生 (60)10.1 编制依据 (60)10.2概况 (60)10.3 劳动安全 (60)10.3.1工程消防 (60)10.3.2防火防爆设计 (61)10.3.3电气安全与接地 (61)10.3.4设备防雷及接零保护 (61)10.3.5抗震设防措施 (62)10.4劳动卫生 (62)10.4.1工业卫生设施 (62)10.4.2防暑降温及冬季采暖 (63)10.4.3个人卫生 (63)10.4.4照明 (63)10.4.5噪声 (63)10.4.6防烫伤 (63)10.4.7个人防护 (64)10.4.8安全教育 (64)第十一章企业组织机构与劳动定员 (65)11.1组织机构 (65)11.2激励和约束机制 (65)11.3人力资源管理 (66)11.4劳动定员 (66)11.5福利待遇 (67)第十二章项目实施规划 (68)12.1建设工期的规划 (68)12.2 建设工期 (68)12.3实施进度安排 (68)第十三章投资估算与资金筹措 (69)13.1投资估算依据 (69)13.2建设投资估算 (69)13.3流动资金估算 (70)13.4资金筹措 (70)13.5项目投资总额 (70)13.6资金使用和管理 (73)第十四章财务及经济评价 (74)14.1总成本费用估算 (74)14.1.1基本数据的确立 (74)14.1.2产品成本 (75)14.1.3平均产品利润与销售税金 (76)14.2财务评价 (76)14.2.1项目投资回收期 (76)14.2.2项目投资利润率 (77)14.2.3不确定性分析 (77)14.3综合效益评价结论 (80)第十五章风险分析及规避 (82)15.1项目风险因素 (82)15.1.1不可抗力因素风险 (82)15.1.2技术风险 (82)15.1.3市场风险 (82)15.1.4资金管理风险 (83)15.2风险规避对策 (83)15.2.1不可抗力因素风险规避对策 (83)15.2.2技术风险规避对策 (83)15.2.3市场风险规避对策 (83)15.2.4资金管理风险规避对策 (84)第十六章招标方案 (85)16.1招标管理 (85)16.2招标依据 (85)16.3招标范围 (85)16.4招标方式 (86)16.5招标程序 (86)16.6评标程序 (87)16.7发放中标通知书 (87)16.8招投标书面情况报告备案 (87)16.9合同备案 (87)第十七章结论与建议 (89)17.1结论 (89)17.2建议 (89)附表 (90)附表1 销售收入预测表 (90)附表2 总成本表 (91)附表3 外购原材料表 (93)附表4 外购燃料及动力费表 (94)附表5 工资及福利表 (96)附表6 利润与利润分配表 (97)附表7 固定资产折旧费用表 (98)附表8 无形资产及递延资产摊销表 (99)附表9 流动资金估算表 (100)附表10 资产负债表 (102)附表11 资本金现金流量表 (103)附表12 财务计划现金流量表 (105)附表13 项目投资现金量表 (107)附表14 借款偿还计划表 (109) (113)第一章总论总论作为可行性研究报告的首章,要综合叙述研究报告中各章节的主要问题和研究结论,并对项目的可行与否提出最终建议,为可行性研究的审批提供方便。
中央空调系统节能项目可行性研究报告xxx有限责任公司摘要该中央空调系统节能项目计划总投资3446.75万元,其中:固定资产投资2293.60万元,占项目总投资的66.54%;流动资金1153.15万元,占项目总投资的33.46%。
达产年营业收入7742.00万元,总成本费用5959.62万元,税金及附加62.64万元,利润总额1782.38万元,利税总额2090.87万元,税后净利润1336.79万元,达产年纳税总额754.09万元;达产年投资利润率51.71%,投资利税率60.66%,投资回报率38.78%,全部投资回收期4.08年,提供就业职位154个。
坚持节能降耗的原则。
努力做到合理利用能源和节约能源,根据项目建设地的地理位置、地形、地势、气象、交通运输等条件及“保护生态环境、节约土地资源”的原则进行布置,做到工艺流程顺畅、物料管线短捷、公用工程设施集中布置,节约资源提高资源利用率,做好节能减排;从而实现节省项目投资和降低经营能耗之目的。
中央空调系统节能项目可行性研究报告目录第一章总论一、项目名称及建设性质二、项目承办单位三、战略合作单位四、项目提出的理由五、项目选址及用地综述六、土建工程建设指标七、设备购置八、产品规划方案九、原材料供应十、项目能耗分析十一、环境保护十二、项目建设符合性十三、项目进度规划十四、投资估算及经济效益分析十五、报告说明十六、项目评价十七、主要经济指标第二章建设背景分析一、项目承办单位背景分析二、产业政策及发展规划三、鼓励中小企业发展四、宏观经济形势分析五、区域经济发展概况六、项目必要性分析第三章产业研究分析第四章建设规模一、产品规划二、建设规模第五章项目选址评价一、项目选址原则二、项目选址三、建设条件分析四、用地控制指标五、用地总体要求六、节约用地措施七、总图布置方案八、运输组成九、选址综合评价第六章项目土建工程一、建筑工程设计原则二、项目工程建设标准规范三、项目总平面设计要求四、建筑设计规范和标准五、土建工程设计年限及安全等级六、建筑工程设计总体要求七、土建工程建设指标第七章项目工艺分析一、项目建设期原辅材料供应情况二、项目运营期原辅材料采购及管理二、技术管理特点三、项目工艺技术设计方案四、设备选型方案第八章环境保护概况一、建设区域环境质量现状二、建设期环境保护三、运营期环境保护四、项目建设对区域经济的影响五、废弃物处理六、特殊环境影响分析七、清洁生产八、项目建设对区域经济的影响九、环境保护综合评价第九章项目安全保护一、消防安全二、防火防爆总图布置措施三、自然灾害防范措施四、安全色及安全标志使用要求五、电气安全保障措施六、防尘防毒措施七、防静电、触电防护及防雷措施八、机械设备安全保障措施九、劳动安全保障措施十、劳动安全卫生机构设置及教育制度十一、劳动安全预期效果评价第十章项目风险概况一、政策风险分析二、社会风险分析三、市场风险分析四、资金风险分析五、技术风险分析六、财务风险分析七、管理风险分析八、其它风险分析九、社会影响评估第十一章节能方案分析一、节能概述二、节能法规及标准三、项目所在地能源消费及能源供应条件四、能源消费种类和数量分析二、项目预期节能综合评价三、项目节能设计四、节能措施第十二章项目进度计划一、建设周期二、建设进度三、进度安排注意事项四、人力资源配置五、员工培训六、项目实施保障第十三章投资估算与资金筹措一、项目估算说明二、项目总投资估算三、资金筹措第十四章经济效益评估一、经济评价综述二、经济评价财务测算二、项目盈利能力分析第十五章项目招投标方案一、招标依据和范围二、招标组织方式三、招标委员会的组织设立四、项目招投标要求五、项目招标方式和招标程序六、招标费用及信息发布第十六章综合评价附表1:主要经济指标一览表附表2:土建工程投资一览表附表3:节能分析一览表附表4:项目建设进度一览表附表5:人力资源配置一览表附表6:固定资产投资估算表附表7:流动资金投资估算表附表8:总投资构成估算表附表9:营业收入税金及附加和增值税估算表附表10:折旧及摊销一览表附表11:总成本费用估算一览表附表12:利润及利润分配表附表13:盈利能力分析一览表第一章总论一、项目名称及建设性质(一)项目名称中央空调系统节能项目(二)项目建设性质该项目属于新建项目,依托xx产业发展示范区良好的产业基础和创新氛围,充分发挥区位优势,全力打造以中央空调系统节能为核心的综合性产业基地,年产值可达8000.00万元。
二、项目承办单位xxx有限责任公司三、战略合作单位xxx集团四、项目提出的理由从全球来看,在未来五到十年,随着新一轮产业革命的不断拓展,技术突破和业态创新将逐步融合产业边界,全球投资贸易秩序将加速重构,产业内和产品内分工的重要性也将日益突出,服务贸易在全球产业分工中的重要地位将更加突出,服务业甚至研发活动都将呈现深入的产业内垂直分工的特征。
从中国来看,目前中国已成为一个工业和贸易大国,是世界产业分工格局中的重要力量,但仍存在产业发展水平低、处于全球分工格局低端等问题,未来有望从全球价值链的低端向中高端升级,并在全球价值链治理中发挥越来越积极的作用。
在这种背景下,“十三五”时期我国三次产业发展的定位、方向和政策都将面临重大的变化。
xx产业发展示范区把加快发展作为主题,以经济结构的战略性调整为主线,大力调整产业结构,加强基础设施建设,积极推进对外开放,加速观念创新、体制创新、科技创新和管理创新,努力提高经济的竞争力和经济增长的质量和效益。
该项目的建设,通过科学的产业规划和发展定位可成为xx产业发展示范区示范项目,有利于吸引科技创新型中小企业投资,吸引市内外、省内外、国内外的资本、人才、技术以及先进的管理方法、经验集聚xx产业发展示范区,进一步巩固xx产业发展示范区招商引资竞争力。
五、项目选址及用地综述(一)项目选址方案项目选址位于xx产业发展示范区,地理位置优越,交通便利,规划电力、给排水、通讯等公用设施条件完备,建设条件良好。
(二)项目用地规模项目总用地面积8284.14平方米(折合约12.42亩),土地综合利用率100.00%;项目建设遵循“合理和集约用地”的原则,按照中央空调系统节能行业生产规范和要求进行科学设计、合理布局,符合规划建设要求。
六、土建工程建设指标项目净用地面积8284.14平方米,建筑物基底占地面积6317.49平方米,总建筑面积12260.53平方米,其中:规划建设主体工程9780.21平方米,项目规划绿化面积953.08平方米。
七、设备购置项目计划购置设备共计71台(套),主要包括:xxx生产线、xx 设备、xx机、xx机、xxx仪等,设备购置费1013.70万元。
八、产品规划方案根据项目建设规划,达产年产品规划设计方案为:中央空调系统节能xxx单位/年。
综合考xxx有限责任公司企业发展战略、产品市场定位、资金筹措能力、产能发展需要、技术条件、销售渠道和策略、管理经验以及相应配套设备、人员素质以及项目所在地建设条件与运输条件、xxx有限责任公司的投资能力和原辅材料的供应保障能力等诸多因素,项目按照规模化、流水线生产方式布局,本着“循序渐进、量入而出”原则提出产能发展目标。
九、原材料供应项目所需的主要原材料及辅助材料有:xxx、xxx、xx、xxx、xx等,xxx有限责任公司所选择的供货单位完全能够稳定供应上述所需原料,供货商可以完全保障项目正常经营所需要的原辅材料供应,同时能够满足xxx有限责任公司今后进一步扩大生产规模的预期要求。
十、项目能耗分析1、项目年用电量634817.53千瓦时,折合78.02吨标准煤,满足中央空调系统节能项目项目生产、办公和公用设施等用电需要2、项目年总用水量7032.02立方米,折合0.60吨标准煤,主要是生产补给水和办公及生活用水。
项目用水由xx产业发展示范区市政管网供给。
3、中央空调系统节能项目项目年用电量634817.53千瓦时,年总用水量7032.02立方米,项目年综合总耗能量(当量值)78.62吨标准煤/年。
达产年综合节能量29.08吨标准煤/年,项目总节能率21.76%,能源利用效果良好。
十一、环境保护项目符合xx产业发展示范区发展规划,符合xx产业发展示范区产业结构调整规划和国家的产业发展政策;对产生的各类污染物都采取了切实可行的治理措施,严格控制在国家规定的排放标准内,项目建设不会对区域生态环境产生明显的影响。
项目设计中采用了清洁生产工艺,应用清洁原材料,生产清洁产品,同时采取完善和有效的清洁生产措施,能够切实起到消除和减少污染的作用。
项目建成投产后,各项环境指标均符合国家和地方清洁生产的标准要求。
十二、项目建设符合性(一)产业发展政策符合性由xxx有限责任公司承办的“中央空调系统节能项目”主要从事中央空调系统节能项目投资经营,其不属于国家发展改革委《产业结构调整指导目录(2011年本)》(2013年修正)有关条款限制类及淘汰类项目。
(二)项目选址与用地规划相容性中央空调系统节能项目选址于xx产业发展示范区,项目所占用地为规划工业用地,符合用地规划要求,此外,项目建设前后,未改变项目建设区域环境功能区划;在落实该项目提出的各项污染防治措施后,可确保污染物达标排放,满足xx产业发展示范区环境保护规划要求。
因此,建设项目符合项目建设区域用地规划、产业规划、环境保护规划等规划要求。
(三)“三线一单”符合性1、生态保护红线:中央空调系统节能项目用地性质为建设用地,不在主导生态功能区范围内,且不在当地饮用水水源区、风景区、自然保护区等生态保护区内,符合生态保护红线要求。
2、环境质量底线:该项目建设区域环境质量不低于项目所在地环境功能区划要求,有一定的环境容量,符合环境质量底线要求。
3、资源利用上线:项目营运过程消耗一定的电能、水,资源消耗量相对于区域资源利用总量较少,符合资源利用上线要求。
4、环境准入负面清单:该项目所在地无环境准入负面清单,项目采取环境保护措施后,废气、废水、噪声均可达标排放,固体废物能够得到合理处置,不会产生二次污染。
十三、项目进度规划本期工程项目建设期限规划12个月。
对于难以预见的因素导致施工进度赶不上计划要求时及时研究,项目建设单位要认真制定和安排赶工计划并及时付诸实施。
十四、投资估算及经济效益分析(一)项目总投资及资金构成项目预计总投资3446.75万元,其中:固定资产投资2293.60万元,占项目总投资的66.54%;流动资金1153.15万元,占项目总投资的33.46%。
(二)资金筹措该项目现阶段投资均由企业自筹。
(三)项目预期经济效益规划目标项目预期达产年营业收入7742.00万元,总成本费用5959.62万元,税金及附加62.64万元,利润总额1782.38万元,利税总额2090.87万元,税后净利润1336.79万元,达产年纳税总额754.09万元;达产年投资利润率51.71%,投资利税率60.66%,投资回报率38.78%,全部投资回收期4.08年,提供就业职位154个。