《微纳传感技术及 MEMS》实验课教学大纲
- 格式:pdf
- 大小:125.23 KB
- 文档页数:3
传感器课程设计大纲一、教学目标本课程的教学目标是让学生掌握传感器的基本原理、类型及应用,能够运用传感器解决实际问题。
具体分为以下三个部分:1.知识目标:(1)了解传感器的定义、分类和基本原理。
(2)掌握各种常见传感器的结构、特点及应用领域。
(3)熟悉传感器与微处理器之间的接口技术和通信协议。
2.技能目标:(1)能够分析实际问题,选择合适的传感器进行数据采集。
(2)具备传感器电路的设计和调试能力。
(3)能够运用编程语言实现传感器数据的处理和分析。
3.情感态度价值观目标:(1)培养学生对传感器技术的兴趣,激发创新意识。
(2)培养学生团队合作精神,提高解决实际问题的能力。
(3)使学生认识到传感器技术在现代社会中的重要性,树立正确的职业观。
二、教学内容本课程的教学内容主要包括以下几个部分:1.传感器的基本原理:介绍传感器的定义、分类、工作原理及性能指标。
2.常见传感器:详细讲解各种常见传感器的结构、特点、应用领域及接口技术。
3.传感器与微处理器:介绍传感器与微处理器之间的通信协议、接口技术及数据处理方法。
4.传感器应用案例:分析实际案例,让学生学会运用传感器解决具体问题。
三、教学方法为了提高教学效果,本课程将采用以下几种教学方法:1.讲授法:讲解传感器的基本原理、类型及应用。
2.案例分析法:分析实际案例,让学生学会运用传感器解决实际问题。
3.实验法:让学生动手实践,加深对传感器原理和应用的理解。
4.讨论法:鼓励学生提问、发表见解,培养团队合作精神和创新意识。
四、教学资源为了支持教学内容和教学方法的实施,我们将准备以下教学资源:1.教材:选用国内权威出版的传感器教材作为主要教学资料。
2.参考书:提供相关领域的参考书籍,丰富学生的知识体系。
3.多媒体资料:制作PPT、视频等多媒体资料,帮助学生形象地理解传感器原理和应用。
4.实验设备:准备传感器实验设备,让学生能够动手实践,提高实际操作能力。
五、教学评估为了全面、客观地评估学生的学习成果,本课程将采用以下几种评估方式:1.平时表现:通过课堂参与、提问、讨论等环节,评估学生的学习态度和积极性。
传感器技术教学大纲
一、引言
传感器技术作为现代科学技术的重要组成部分,其在各个领域的应用越发广泛。
为了培养学生对传感器技术的理解和应用能力,特编写本教学大纲,旨在系统介绍传感器技术的基本原理、分类、应用以及实验操作技能。
二、基本概念和原理
1. 传感器技术的定义和发展历程
2. 传感器的基本原理
3. 传感器的分类及特点
4. 传感器与信号处理的关系
三、传感器技术的应用领域
1. 工业控制中的传感器应用
2. 智能家居中的传感器应用
3. 医疗健康中的传感器应用
4. 智能交通中的传感器应用
四、实验操作技能
1. 传感器技术实验室基本设备的认识与操作
2. 常见传感器的实验操作及实验报告撰写
3. 传感器技术在实际工程中的应用案例分析
五、教学方法与手段
1. 理论课程与实践操作相结合
2. 采用案例教学和问题导向的教学方法
3. 利用模拟仿真软件进行传感器技术实验
4. 结合工程实际,开展外出实践活动
六、教学大纲的评估与完善
1. 督导评估和学生反馈的重要性
2. 教学大纲的动态调整与更新
3. 教师团队的培训与提升
七、结语
通过本教学大纲的设计与实施,旨在培养学生对传感器技术的深刻理解和实际操作技能,使他们能够在未来的工作和学习中运用所学知识,为社会做出更大的贡献。
愿传感器技术教学取得理想成果!。
《传感器与检测技术实验》实验教学大纲课程编号:09151400课程名称:传感器与检测技术实验/Sensors and detection technology experiment课程属性:必修实验属性:独立设课开课学期: 6 学时:18适用专业:机械设计制造及其自动化、自动化学分:0.5开课部门:理工学院考核要求:考察课程简介:通过本实验课的学习,使学生了解机电结合的重要部件传感器的结构、原理、工程测量方法;掌握实验数据的收集、分析和处理方法,能正确选用传感器、设计工程量的一般检测方案。
并使学生加深对“传感器与检测技术”课程基本知识理解、培养学生自觉学习能力与动手能力、开发学生的创造性思维。
学生应在实验前应仔细阅读实验指导书,观摩网络实验课程示范教程,明确实验目的和要求,掌握实验原理和实验方法。
能自主完成相应实验,并在实验结束时,与指导老师交流实验过程中的实验现象,解释自己获得的实验数据。
要求掌握下列基本技能:1、组建传感器原理性实验的基本测量系统,正确操作实验设备,分析处理实验数据并写出实验报告。
2、解决实验过程中出现的非仪器故障,解释一般实验现象。
一、实验项目设置及学时分配二、实验内容及教学要求实验项目1:箔式应变片性能――单臂电桥实验1、教学内容了解传感器实验仪的整体结构;金属箔式应变片的结构与粘贴方法,单臂电桥的接法,金属箔式应变片的性能。
2、教学目标了解金属箔式应变片的应变效应和性能。
实验项目2:箔式应变片三种桥路性能比较实验1、教学内容:掌握三种直流金属箔式应变片电桥的组成测量方法并计算精度。
2、教学目标:了解电桥测量电路及对比单臂、半桥、全桥3种电路的特点。
实验项目3:应变片的温度效应实验1、教学内容:温度变化引起应变片阻值发生变化的原因是应变片电阻丝的温度系数及电阻丝与测试件的膨胀系数不同。
由此引起测试系统输出电压发生变化一温度误差。
2、教学目标:掌握温度变化对应变测试系统的影响一温度误差;明确温度误差的补偿方法。
《传感器技术》课程实验教学大纲一、制定实验教学大纲的依据根据电子信息工程专业《2011年人才培养方案》和《传感器技术》课程教学大纲制定。
二、本实验课在专业人才培养中的地位与作用传感器技术实验是传感器技术课程教学内容的补充部分。
通过实验使学生进一步理解传感器的基础知识和各种传统传感器的基本原理及应用,初步掌握传感器应用系统的设计方法,初步掌握传感器应用开发的综合技术。
本课程的教学侧重于对传统传感器的工作原理、特性的理解,对传感器的技术参数要会求取。
传感器技术实验能加强学生独立分析问题和解决问题的能力,培养综合设计及创新能力,同时培养学生严肃认真的工作作风和良好的实验习惯,为今后工作打下良好的基础。
三、本实验课程运用到的基本原理和理论本课程运用到的知识是传感器的组成、基本原理及应用电路等。
四、本实验课培养学生的能力要求通过实验帮助学生对所学理论知识的理解,提高学生独立分析问题和解决问题的能力、综合设计及创新能力的培养,熟悉用传感器构建测量系统的设计方法和实现过程。
五、学时分配、教学文件及实验要求学时分配:传感器技术课程总学时54、其中实验学时10、占18.5%。
教学文件:1、实验教材夏银桥吴亮李莫编著《传感器技术及应用》,华中科技大学出版社,2011.22、参考教材(1)郁有文常健程继红编著《传感器原理及工程应用》第二版,西安电子科技大学出版社,2000年8月(2)《传感器及其应用》栾桂冬,张金铎,金欢阳编著,西安电子科技大学出版社,2002实验要求:学生实验前根据老师讲解的内容及实验要求,选择正确的传感器及测量电路完成实验内容。
六、实验考核办法与成绩评定考核方法:本课程实验为非独立设课,实验成绩记入课程平时成绩,占该课程总成绩的20%。
实验考核以平时实验操作为主(70%),包括学生的实验准备情况、实验表现和实验结果,结合实验后的实验报告内容(30%),综合评定实验成绩。
实验报告内容包括:实验名称;实验目的和实验内容;实验原理;实验器材;实验步骤和实验数据及结果;实验心得。
传感器技术及应用实验教学大纲一、实验教学目的传感器技术是现代电子信息技术中的重要组成部分,具有广泛的应用领域。
本实验旨在通过实验教学,使学生掌握传感器技术的基本原理和应用方法,培养学生的动手能力和解决实际问题的能力,为学生今后的科研和工作奠定良好的基础。
二、实验教学内容1. 传感器原理及分类1.1 传感器概述1.2 传感器的基本原理1.3 传感器的分类及应用领域2. 传感器测量技术2.1 传感器的灵敏度与线性度2.2 传感器的量程与分辨率2.3 传感器的响应时间和精度2.4 传感器的动态特性和静态特性3. 常见传感器的实验应用3.1 温度传感器的实验应用3.2 湿度传感器的实验应用3.3 压力传感器的实验应用3.4 光敏传感器的实验应用3.5 加速度传感器的实验应用3.6 气体传感器的实验应用4. 传感器信号的处理与控制4.1 传感器信号的放大与补偿4.2 传感器信号的滤波与采样4.3 传感器信号的数字化与传输4.4 传感器信号的控制与自动化5. 传感器应用系统的设计与实现5.1 传感器应用系统的选择与设计5.2 传感器应用系统的布线与安装5.3 传感器应用系统的调试与优化三、实验教学要求1. 学生能够熟练运用传感器技术的基本原理和分类知识。
2. 学生能够掌握传感器测量技术中的重要参数和性能指标。
3. 学生能够运用实验仪器和设备进行传感器实验的搭建和测试。
4. 学生能够分析实验数据,总结实验结果,并进行必要的数据处理和图表绘制。
四、实验设备和材料1. 温度传感器2. 湿度传感器3. 压力传感器4. 光敏传感器5. 加速度传感器6. 气体传感器7. 实验仪器(如示波器、多用表等)8. 实验电路板和相关元器件9. 计算机及相关软件五、实验教学流程1. 传感器技术概述和基本原理的讲解(1课时)。
2. 传感器测量技术的基本概念和参数的讲解(1课时)。
3. 常见传感器的实验应用实践(2课时)。
4. 传感器信号的处理与控制实验(2课时)。
mems技术与应用课程大纲
MEMS技术与应用课程大纲包括以下部分:
1. 传感器基础理论:介绍传感器的定义、分类、发展历程,以及传感器静态特性的表示和静态标定。
2. 典型传感器:介绍各种典型的传感器,如电阻式传感器、电容式传感器、电感式传感器、压电式传感器、光电式传感器、热电式传感器、谐振式传感器和声表面波传感器等。
3. 现代智能传感器的加工工艺:介绍MEMS技术的概述、发展历程和加工工艺,以及MEMS传感器及其应用。
4. 传感器信号的转换与调理:介绍电桥电路、调制与解调、滤波器、整流电路、放大电路和模数转换等传感器信号的转换与调理技术。
5. 实验:通过实验,使学生能够亲身体验和了解MEMS传感器的应用和性能特点。
以上大纲仅供参考,具体内容可能因课程设置和教师要求而有所不同。
河北省高等教育自学考试课程考试大纲课程名称: 《传感器与检测技术实验》课程代码:第一部分课程性质与学习目的一、课程性质与特点《传感器与检测技术实验》是高等教育自学考试电子信息工程专业所开设的专业基础课之一,它是一门理论性和实践性要求都较强的课程,主要研究传感器的基本工作原理和应用。
《传感器与检测技术实验》是《传感器与检测技术》课程的有效补充,通过参加必要的动手实践,把基本理论、基本概念与实际应用相结合。
使学生受到基本实验技能的训练,获得传感器与检测技术的完整概念,在实践中,真正掌握基本知识。
二、课程设置的目的和要求传感器与测试技术实验教学是课程教学的重要环节。
通过学习本门课程,使学生理解传感器的基础知识和各种传统传感器的基本原理,初步掌握传感器系统设计原理,对传感器的发展和现状有初步了解,了解现代新型传感器的类型和工作方式、原理。
使学生初步掌握传感器系统的应用、开发的综合技术。
本课程的教学侧重于对传统传感器的工作原理、特性的理解,对传感器的技术参数要会求取。
对于常用传感器的测量电路要会计算;掌握传感器误差及误差补偿的相关技术。
初步了解近代传感器技术及其工作原理。
实验教学内容的安排主要以设计型实验为主。
测量位移量实验是金属箔式应变片的双臂电桥性能实验;测量转速实验是霍尔传感器测量自行车速度实验;测量温度实验是热电偶及分度表应用实验。
三、与本专业其它课程的关系传感器与测试技术的先修课程是电路、模拟电路和数字电路。
同时为后续过程控制、电力电子技术、EDA技术等专业基础实践课程打下基础。
第二部分课程内容与考核要求实验1 金属箔式应变片测位移实验一、学习的目的和要求掌握电阻应变式传感器的基本工作原理和测量电路。
掌握金属箔应变片、电桥测量电路的工作原理和工作情况。
掌握应用金属箔应变片测量位移量的方法。
二、考核知识点与考核要求本实验的主要知识点是电阻式传感器的工作原理及电桥测量电路;重点是电桥测量电路工作原理;难点是电桥测量电路的三种形式——单臂电桥、双臂电桥和全桥。
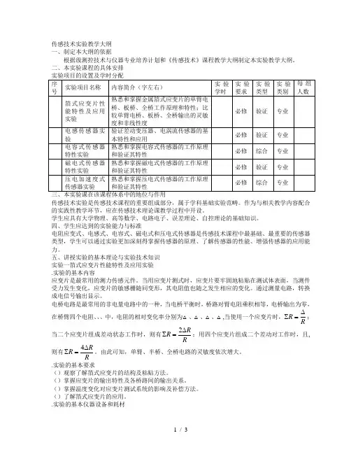
传感技术实验教学大纲一、制定本大纲的依据根据级测控技术与仪器专业培养计划和《传感技术》课程教学大纲制定本实验教学大纲。
二、本实验课程的具体安排传感技术实验是传感技术课程的重要组成部分,属于学科基础实验范畴。
作为与相关教学内容配合的实践性教学环节,应在传感技术理论课教学过程中开设。
学生应具有大学物理、高等数学、电路电子、误差理论、自控理论的基础知识。
四、学生应达到的实验能力与标准电阻应变式、电感式、电容式、磁电式和压电式传感器是传感技术课程中最基础、最重要的传感器类型,学生可以通过实验更加深刻得掌握传感器的原理、了解传感器的性能、增强传感器的应用能力。
五、讲授实验的基本理论与实验技术知识实验一箔式应变片性能特性及应用实验.实验的基本内容应变片是最常用的测力传感元件。
当用应变片测式时,应变片要牢固地粘贴在测试体表面,当测件受力发生变化,应变片的敏感栅随同变形,其电阻值也随之发生相应的变化。
通过测量电路,转换成电信号输出显示。
电桥电路是最常用的非电量电路中的一种,当电桥平衡时,桥路对臂电阻乘积相等,电桥输出为零,在桥臂四个电阻、、、中,电阻的相对变化率分别为△、△、△、△,当使用一个应变片时,R R ∆=∑;当二个应变片组成差动状态工作时,则有R R R ∆=∑2;用四个应变片组成二个差动对工作时,且,则有RR R ∆=∑4。
由此可知,单臂、半桥、全桥电路的灵敏度依次增大。
.实验的基本要求()观察了解箔式应变片的结构及粘贴方法。
()掌握应变片的输出特性及各桥路间的输出关系。
()掌握温度变化对应变片测试系统的影响及补偿方法。
()了解箔式应变片的应用。
.实验的基本仪器设备和耗材直流稳压电源(±档)、电桥、差动放大器、箔式应变片、测微头、电压表、计算机。
实验二电感传感器实验.实验的基本内容差动变压器由衔铁、初级线圈、次级线圈和线圈骨架等组成。
初级线圈做为差动变压器激励用,相当于变压器的原边,次级线圈由两个结构尺寸和参数相同的线圈反相串接而成,相当于变压器的副边。
《传感技术》教学大纲一、课程概述当今信息技术是由信息采集、信息传送、信息处理的三大系统组成,传感技术是属于信息采集的一门重要技术。
传感技在科研、国防、空间技术、和现代化的工、农业生产等各方面都有广泛的应用,世界各国都将传感技术列为重点发展的高新技术。
信息专业(包括计算机专业)的本科生开设这门课有重要的意义。
《传感技术》是计算机类专业的选修课程。
该课程需要有:《大学物理》、《积分变换》《电路与电子学》、《电子测量学》、《数字电路与逻辑设计》、《单片计算机技术》、《接口电路》等课程为基础。
它是一门综合性、实践性和应用性都很强的课程。
这门学科的重点是培养学生在计算机信息系统或控制系统的综合应用能力,对学生的专业发展和对计算机综合应用系统的开发和研究有重要的作用和意义。
二、课程目标1.知道《传感技术》这门课程的性质、地位和价值;知道该课程的研究领域和技术前景;知道这门学科的研究范围、分析框架、研究方法、学科进展和未来方向.2.理解这门课程的主要概念、基本原理和技术要点,拓宽应用的领域和范围的思路和概念。
3.掌握各种传感器的结构、原理和特点,以及使用方法。
4.掌握传感器电路和计算机配合应用的方法。
三、教学内容和教学要求这门学科的知识与技能要求分为知道、理解、掌握、学会四个层次.这四个层次的一般涵义表述如下:知道———是指对这门学科和教学现象的认知.理解-——是指对这门学科涉及到的概念、原理、策略与技术的说明和解释,能提示所涉及到的教学现象演变过程的特征、形成原因以及教学要素之间的相互关系。
掌握——-是指运用已理解的教学概念和原理说明、解释、类推同类教学事件和现象。
学会———是指能模仿或在教师指导下独立地完成某些教学知识和技能的操作任务,或能识别操作中的一般差错。
教学内容和要求表中的“√”号表示教学知识和技能的教学要求层次。
本标准中打“*”号的内容可作为自学,教师可根据实际情况确定要求或不布置要求。
教学内容及教学要求表四、课程实施(一)课时安排与教学建议《传感技术》是计算机类专业选修课。