材料行业仓储部原材料管理岗位说明书
- 格式:docx
- 大小:172.54 KB
- 文档页数:4
材料仓库管理员岗位说明书一、岗位概述材料仓库管理员是负责管理和组织材料仓库工作的专职人员。
岗位要求管理员有效地处理和存储材料,确保其在合适的环境中得到妥善保存,并能够迅速、准确地提供给需要的部门和员工。
本文将详细介绍材料仓库管理员的职责、所需技能和相关工作环境。
二、岗位职责1. 材料存储管理:负责根据材料特性和存储需求,合理安排仓库空间,确保材料摆放整齐、妥善,并能快速找到指定材料。
例如,管理员可以按照标签分类整理材料,使用合适的工具搬运和堆垛重物等。
2. 出入库管理:负责记录材料的出入库情况,包括数量、时间和领用部门。
管理员需使用电脑或其他管理系统准确输入相关信息,并核对材料的完整性和准确性。
例如,管理员可以制定出入库流程,确保材料的流转过程得到严密监控。
3. 材料盘点和清点:定期组织仓库材料的盘点和清点工作,以确保库存数量与记录相符。
管理员需使用财务软件或其他工具对库存进行精确计算和更新,并汇报给上级。
例如,管理员每月可以组织盘点团队进行全面的清点工作,并记录所有材料的详细情况。
4. 材料采购支持:根据工作需要,协助相关部门进行材料采购工作。
管理员需要与供应商沟通,获取最新的价格和货期信息,并及时更新相关采购计划。
例如,管理员可以利用采购软件进行供应商的筛选和价格比较,确保采购工作的高效性和准确性。
5. 库存管理和优化:通过定期分析库存情况,提出合理的库存控制和优化建议。
管理员可以根据材料使用频率和季节性需求来调整库存策略,以减少库存积压和资金占用。
例如,管理员可以通过数据分析和市场调研,确定适当的最低库存量和订单补充周期。
6. 安全和环境管理:负责仓库的安全和环境管理工作,包括材料的防潮、防火、防盗等相关工作。
管理员需要定期检查仓库设施和储存条件,确保符合相关标准和要求。
例如,管理员可以参考安全手册,指导员工正确使用、储存和处理危险材料。
三、所需技能1. 仓库管理能力:熟悉仓库管理流程和相关法规,具备良好的仓储物流知识。
原材料仓管员岗位职责范文
一、岗位职责:
1. 负责原材料的入库、出库、盘点工作,按照公司的仓储管理制度,确保原材料的安全、准确和及时;
2. 根据生产计划和库存情况,合理安排原材料的储存,确保库存量和品质;
3. 对原材料进行质量检查和质量控制,对不合格的原材料及时处理,并做好相应的记录;
4. 负责原材料库存的管理,及时统计库存数量和品种,编制库存报告,并按照公司的要求进行月度、季度和年度的盘点;
5. 协助上级领导制定仓储管理计划,确保原材料的供应和配送能够满足生产的需要;
6. 协助质量管理部门对供应商进行评估和考核,确保原材料的品质;
7. 负责原材料仓库的整理、清洁和维护,并做好安全工作,确保仓库的安全性和整洁性;
8. 协助上级领导监督仓库管理人员的工作,制定相关管理制度并确保执行;
9. 参与相关培训和学习,提高自身的仓储管理技能和知识水平;
10. 完成上级领导交办的其他工作。
二、岗位要求:
1. 具备相关的仓储管理经验,熟悉仓库操作流程和相关法规法规;
2. 具备一定的原材料质量知识,能够进行质量检查和质量控制;
3. 具备良好的组织、协调和应变能力,能够合理安排工作和处理突发情况;
4. 具备较强的沟通和团队合作能力,能够与上下级及相关部门进行良好的沟通;
5. 具备较强的责任心和职业道德,能够按时按质完成工作任务,并保守公司的商业机密;
6. 具备一定的计算机操作能力,熟悉办公软件和仓库管理系统的使用;
7. 具备较强的学习能力和自我提升能力,能够适应工作的变化和不断学习新知识。
以上是原材料仓管员的岗位职责范文,希望对你有所帮助。
原料库仓库岗位说明书【岗位说明书】原料库仓库岗位说明书一、岗位背景原料库仓库是一个重要的部门,负责原料的采购、收货、储存、出库和管理等工作。
本岗位说明书旨在详细介绍原料库仓库岗位的职责、要求以及所涉及的工作内容。
二、岗位职责1. 原料采购:负责与供应商或第三方进行联络,确认原料需求,并完成合理的价格谈判以及物料供应的签约工作。
【例子】例如,与X公司联系确认所需的原料种类和数量,并与其商议合理的购买价格。
2. 收货检验:在原料送达仓库时,进行收货检验,确认原料的数量、质量、规格是否与订单要求相符,并记录检验结果。
【例子】例如,检查一批生产原料是否符合国家标准,如重量、色泽、气味等。
3. 原料储存:负责将收到的原料进行分类、标识和储存,并确保其安全,防止损坏或丢失。
【例子】例如,将原料按照种类、生产日期等属性进行分类,并使用专用储存设备保证其保存良好。
4. 库存管理:监控原料库存情况,及时更新库存记录,并与生产部门以及采购部门进行沟通,确保库存充足。
【例子】例如,每日统计库存数量,并与采购部门确认下次采购计划,以保证原料供应的连续性。
5. 出库管理:按照生产部门的需求,及时将原料移交给生产线,并记录相应的出库信息。
【例子】例如,根据生产计划,准时将所需的原料送达生产线,并记录相应的出库日期、数量等信息。
6. 废弃物处理:对于过期、损坏或其他原因无法使用的原料,负责进行合理的处理,以减少环境污染和资源浪费。
【例子】例如,对于过期原料,需及时通知相关部门处理,如销售、报废等。
三、岗位要求1. 学历与技能:具备中等专业教育(中专)及以上学历,熟练掌握基本的仓库管理知识,熟悉相关软件操作。
【例子】例如,需掌握仓库管理软件、电子表格和计算机等基本技能。
2. 组织协调能力:具备良好的组织、协调、沟通和应变能力,能够有效应对紧急情况和突发事件。
【例子】例如,在出现原料短缺或紧急质量问题时,能够及时与供应商和生产部门进行沟通,并采取有效的解决措施。
仓储部门职位说明书一、部门概述仓储部门是企业物流管理的重要组成部分,负责原材料、半成品、成品以及相关物资的存储、保管、收发和管理工作,确保物资的安全、准确、及时供应,以支持企业的生产和销售活动。
二、职位设置1、仓储经理2、仓库主管3、仓库管理员4、收货员5、发货员6、质检员7、库存控制员三、仓储经理职位说明书职位名称:仓储经理直属上级:_____直属下级:仓库主管岗位职责:1、制定和完善仓储部门的管理制度、流程和操作规范,确保仓储工作的规范化和标准化。
2、负责仓储部门的整体规划和布局,合理安排仓库空间,提高仓库利用率。
3、组织和监督仓库的日常运营,包括物资的收发、存储、盘点、库存控制等,确保仓库工作的高效、准确和安全。
4、管理和指导下属团队,制定工作计划,分配工作任务,评估工作绩效,提供培训和发展机会,激励员工提高工作积极性和工作效率。
5、与其他部门协调沟通,了解物资需求和供应情况,及时解决仓储工作中的问题和纠纷,确保物资的及时供应和生产销售的顺利进行。
6、负责仓储成本的控制和管理,优化仓储流程,降低仓储费用,提高仓储效益。
7、关注行业动态和新技术应用,引进先进的仓储管理理念和方法,提高仓储管理水平。
8、负责仓库的安全管理工作,制定安全制度和应急预案,预防和处理安全事故。
任职要求:1、本科及以上学历,物流管理、仓储管理等相关专业优先。
2、具有五年以上仓储管理工作经验,三年以上团队管理经验。
3、熟悉仓储管理业务流程和相关法律法规,具备丰富的仓储管理知识和技能。
4、具备较强的组织协调能力、沟通能力、团队管理能力和问题解决能力。
5、熟练使用办公软件和仓储管理系统。
6、具备较强的责任心和敬业精神,能够承受工作压力。
四、仓库主管职位说明书职位名称:仓库主管直属上级:仓储经理直属下级:仓库管理员、收货员、发货员、质检员、库存控制员岗位职责:1、协助仓储经理制定和完善仓库管理制度、流程和操作规范,并负责监督执行。
仓储管理部岗位职责说明书一、岗位概述仓储管理部是企业内部的重要职能部门之一,负责仓储物资的管理和组织,确保物资安全储存和高效运作。
本岗位职责说明书旨在对仓储管理部的岗位职责进行详细描述,明确工作内容和要求,提高岗位工作效率和执行力。
二、岗位职责1. 负责仓库物资的日常管理和分类整理,确保物资摆放井然有序,易于查找和使用;2. 按照公司管理制度和标准操作规程,制定并落实仓储管理方案,保证仓库的安全性和高效性;3. 组织并指导仓库员工工作,分配任务,培训新员工,并对员工绩效进行考核;4. 管理仓库进出货物的流程,确保货物的准确出入库,并及时进行记录和汇报;5. 负责仓库货物质量的检查和整理,及时报告货物的破损和变动情况,并采取相应的措施;6. 制定和执行库存管理方案,确保库存量的准确统计和监控,及时报告库存变动情况;7. 引导、监督并完善仓库工作流程和操作规范,提高工作效率和准确度;8. 与相关部门保持密切的沟通和合作,协调解决仓储管理中的问题和矛盾;9. 负责向上级领导报告仓储管理部门工作进展情况和相关问题。
三、任职要求1. 具备良好的沟通能力和团队合作意识,善于协调和处理各方面的关系;2. 具备较强的组织能力和时间管理能力,能够合理安排和调配仓储管理工作;3. 具备一定的仓储管理经验和业务知识,了解仓库运作流程和标准操作规程;4. 具备一定的计算机操作技能,熟练运用办公软件和仓储管理系统;5. 具备较强的责任心和紧急应变能力,能够处理紧急情况和突发事件;6. 具备良好的学习能力和自我驱动,能够持续学习和提升自己的专业水平;7. 具备高度的工作积极性和敬业精神,能够适应一定的工作压力和加班要求。
四、绩效评估1. 完成上级领导交办的各项任务和工作目标;2. 仓库物资的储存管理情况良好,无丢失和损坏情况;3. 仓库进出货物的准确率高,无库存错误和误发情况;4. 仓储管理流程和操作规范的改进和优化;5. 仓库工作效率的提高和成本控制的优化。
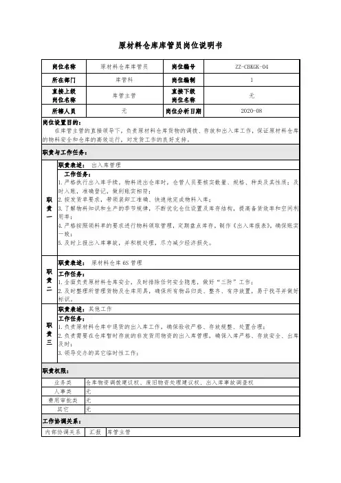
原材料仓库岗位职责说明书一、岗位概述原材料仓库岗位是一个关键的职位,主要负责仓库内原材料的接收、入库、储存、出库以及库存管理等工作。
该岗位需要一个责任心强、细致认真的员工来确保仓库内原材料的安全、有效管理。
以下是该岗位的详细职责说明。
二、具体职责1. 原材料接收原材料仓库员工需要准确核对原材料的批次号、数量、规格及其他相关信息,并参照送货单据和质检报告进行比对。
将核对无误的原材料进行验收,并妥善保存相关单据,以备将来查阅。
例如,一家制药公司的原材料仓库员工需要确保药品原料的批次号与质检合格的报告相符,以确保药品的质量。
2. 原材料入库在将原材料存放到仓库之前,仓库员工需要检查是否存在损坏情况,并填写入库记录。
他们还需要根据储存要求,对原材料进行分类、包装并进行标识。
例如,食品加工企业的原材料仓库员工需要将不同类型的食材进行分装,并标明保存日期和储存条件。
3. 原材料储存仓库员工需要根据原材料的特性和储存要求,将原材料储存在适当的环境中,如温度、湿度、通风等方面。
他们还需要整理和维护仓库,确保通道畅通,货物摆放整齐。
例如,在一个化工企业的原材料仓库,员工需要将易燃易爆的化学品与其他物品隔离存放,并保持仓库干燥通风,防止对原材料的不利影响。
4. 原材料出库根据生产计划或销售需求,仓库员工需要安排原材料的出库,并填写相应的记录。
他们需要核对出库原材料的相关信息,并确保数量准确无误。
例如,一个汽车制造公司的原材料仓库员工需要根据生产线的需求,按照先进先出的原则,准确出库所需的零部件。
5. 库存管理仓库员工需要进行库存管理,定期进行仓库盘点,并更新相关记录。
他们还需要与其他部门沟通,了解生产计划和供应需求,以便及时采购和调配原材料。
例如,一个电子产品制造公司的仓库员工需要定期盘点电子零件库存,并将库存数量报告给采购部门,以便及时补充缺货。
6. 安全管理仓库员工需遵守相关的安全操作规定,包括佩戴个人防护装备、操作起重设备时注意安全等。
原材料仓库主管岗位说明书一、岗位概述原材料仓库主管是企业物流管理团队的核心成员之一。
其主要职责是有效管理和控制原材料仓库的运作,确保原材料及时供应,满足生产需求,同时最大限度地提高仓库运行效率。
二、岗位职责1. 制定并实施原材料仓库管理制度:根据公司的物流管理要求和标准制定仓库管理制度,包括原材料入库、出库、库存管理、仓库设备维护等方面的规定。
2. 组织原材料入库工作:负责安排入库人员对到货原材料进行验收,确保原材料的质量符合标准,数量准确无误,并及时入库,保证物料的及时有效供应。
3. 管理原材料库存:制定合理的库存管理方案,控制原材料库存水平,避免过高或过低的库存。
定期进行库存盘点,及时调整库存仓位,确保库存准确无误,防止损耗和浪费。
4. 组织原材料出库工作:根据生产计划安排出库工作,确保按时、按需出库。
同时要求出库人员检查出库物料的准确性和数量,并确保物料的完好无损。
5. 管理仓库设备和设施维护:负责仓库的日常设备维护和设施管理,保持良好的工作环境。
确保仓库设备正常运行,减少因设备故障带来的生产延误。
6. 配合公司内外部审计:负责原材料仓库的内外部审计工作。
配合内审和外审,提供相关材料和数据,确保审计工作的顺利进行。
7. 领导和培训仓库员工:带领并指导仓库员工的日常工作,培训和指导员工进行仓储管理。
确保员工遵守相关的操作规程,提高员工的技能和服务水平。
三、任职要求1. 学历要求:本科及以上学历,物流、仓储管理或相关专业优先考虑。
2. 工作经验:具备3年以上仓储管理相关工作经验,有相关行业经验者优先。
3. 熟悉仓库管理知识和技能:了解现代物流管理理念和方法,熟悉仓库管理流程,包括入库、出库、盘点、库存控制等,熟练掌握货物管理的软件工具。
4. 组织协调能力:具备良好的组织协调能力,能合理安排仓库工作,确保生产的顺利进行。
5. 沟通能力:具备良好的沟通协调能力,能与上级领导、同事和下级员工良好地沟通合作,提高工作效率。
材料管理员岗位职责说明范文一、入库管理1、保管员对采购原材料办理入库手续前,应通知质检员进行质量检测,检测合格后出具检验合格单才能办理入库手续,如果购进原材料有质量问题,应拒收,同时通知公司采购人员。
2、物料进仓时,仓库管理员必须凭采购计划单、送货单、检验合格单办理入库手续,拒绝不合格或手续不齐全的物资入库。
入库手续(入库单)一式四份,仓库保管存根联、仓库联,记账联交财务,验收联交质检员。
3、入库原材料必须进行数量清点、过磅(《仔细检查包装物重量和实物净重》),然后填写《入库单》,《入库单》上应写明供货单位全称、材料名称、数量(发送数和实收数)、价格(含税单价或者不含税单价),保管员在验收时发现送货单数量与实际不符,应按实际数量入库。
4、一切原材料的购入都必须用增值税专用发票方可入库报销,无税票的材料入库必须建立货到票未到材料明细账,并根据检验单等有效单据及时填开收料单,每月____号将货到票未到材料明细账报财务。
5、入库后,原材料要分区、分类摆放整齐,标识清楚,入库及时,作好防潮、防火、防晒和风雨侵袭,保持仓库整洁,干燥通风,经常检查消防安全设施,仓库重地严禁闲杂人员进入,严禁吸烟。
二、出库管理1、保管员每天对生产车间各工序领用原材料及时登记,填写《出库单》。
《出库单》上应写明规格、型号、数量、领用时间、领用工序(在备注中写明)、领用人签字,并及时登记销账。
记账后存根联留仓库保管员,发料记账联交车间统计人员,进行主要原材料每天消耗登记,财务记账联月底交财务部。
2、编织工序原材料购进由原材料仓库保管员负责验收,每天领用量由编织工序当班班长进行记录,第二天汇总领用量交原材料保管员填写《出库单》,并将汇总领用量交车间统计核算工资。
车间统计月底提交车间月工资汇总表给财务部。
3、保管员每天早晨____点,根据质检员填制《换班原材料退库单》,对上一班未使用完的材料,办理退库手续。
4、保管员严格掌握领用材料的数量,一般材料以一天为使用量,不能拆零材料以一个包装为单位领用,修理备件要求以旧换新,消耗性物料以一个星期为使用量领用。
仓储部-岗位说明书仓储部-岗位说明书一、岗位概述仓储部门是企业运营中的重要组成部分,负责仓库内物品的存储、管理、盘点以及货物出入库、配货等工作,确保物品的安全、有序、及时、准确地出入库,为企业的正常运营提供保障。
仓储部门要求工作人员具备一定的管理能力、操作能力和沟通协调能力,是企业外部环节整个供应链中的重要一环。
二、岗位职责1. 负责收货、发货、仓库日常管理和维护等工作,保证物品有序、高效出入库。
2. 实施盘点工作,编制盘点清单,然后核对并更新存货数量,及时做好盘点记录。
3. 在出入库过程中确保物品安全,保证物品质量,如果有任何损坏或缺失的情况,立即做好记录,并及时报告主管领导。
4. 实施货品的分类存放工作,按照货品种类、使用情况、特殊要求等进行合理分类和存储,保证物品的使用和出入库顺序。
5. 指导和管理仓库工作人员,促进仓库效率的提高,对工作出现的问题及时进行整改和处理。
6. 进行仓库环境安全检查,确保仓库的安全、卫生、整洁和良好的工作环境。
7. 与客户和供应商沟通,解决出入库的问题,确保业务的顺畅进行。
三、岗位要求1. 具有中专或以上学历,物流、仓储管理等相关专业;2. 一年以上的物流、仓储等相关工作经验;3. 熟悉国家、地方和企业有关仓库管理法规,掌握基本的物流、仓储管理知识,并熟练运用相关管理系统。
4. 具有良好的沟通协调能力和团队合作精神,能够熟练使用计算机办公软件。
5. 认真执行制度,积极配合公司的各项工作,具有良好的职业道德和服务意识。
四、岗位薪资仓储部门的工资一般按照员工的资历和综合能力来确定。
一般而言,高级管理人员和执法人员薪资较高,而普通民工则薪资较低。
五、岗位发展空间仓储部门员工的职业发展空间有限。
最初,员工大多从普通民工开始,由简单的工作逐渐转向更高级的职责,比如负责管理工作和仓库协调等。
但是,由于仓储部门的人员结构相对单一,管理工作有限,因此很难实现员工的职业发展。
最后,仓储部门是企业运营的重要组成部分,通过高效的工作管理,可以为企业节省成本,提高效率,提高市场竞争力。
材料库管员岗位说明书材料库管员的工作职责都有哪些呢?在日常工作中都需要注意哪些内容呢?下面小编跟大家分享几篇岗位,以供参考!材料库管员岗位说明书一1 认真贯彻执行公司的各项管理,建立健全材料库房管理的各项规章制度。
2 施工进场后,库管员向项目经理申请搭建工地临时材料物资库房,为施工材料物资的验收、贮存、保管创造条件。
3 库管员要对施工现场各施工队的库房进行管理,要求各施工队确定一名专职或兼职库管员负责材料物资的、验收、贮存、保管和发放工作,各施工队库房管理达到公司要求。
4 库房保管员必须具备忠诚老实、办事认真、责任心强的品德,并有基本的书写和计算能力。
5 库房保管员对入库的材料物资要严格进行质量、数量的检查验证,材料收发账目实行计算机管理,合格后方可接收登记入库,保证入库数量准确、观感质量合格,对不合格品有权拒收。
6 库房保管员对库存物资,要建立健全材料台帐,做到贮存记录准确、完整,保证帐、卡、物三相符,对库存物资要挂标牌、标明名称、规格型号等。
7 材料物资的贮存保管要做到布局合理,牢固安全,能上架的上架,无条件上架的要分类、分规格码放整齐,并有标识8 入库产品要根据各类产品不同性质分别保管,对易燃易爆、易碎、有毒的物品要按规定要求,采取隔离措施进行重点保管9 库管员对材料物资的发放,遵循先进先出的原则,认真办理出库的记账手续,填写单据数量要准确,字迹清晰可辨,签字认真,日期要确切。
10 库管员对在库产品应坚持盘点和定期自检,随时掌握品种、数量的变化情况,及时报告项目经理进行补充以满足施工的需求。
11 对露天存放的材料要根据天气变化情况,及时采取挡雨、防晒措施,保证材料不受损失。
12 库房保管员有义务要做好日常通风、降温、晾晒、防尘、防锈、涂油工作,保持库房清洁、整齐、通风、干燥良好环境。
13 库房内严禁吸烟,电炉取暖、做饭等动用明火的行为,无关人员严禁进入库房,注意防盗、防火、防毒以确保库房的安全。