API682机械密封分类编码
- 格式:doc
- 大小:305.00 KB
- 文档页数:14
关于API682标准发表时间:2007-7-28 11:54:53美国石油协会对离心泵转子泵用的机械密封执行API682标准,其适用范围为温度—40℃~260℃,压力0~34.5bar,轴径30~120mm.API682标准的要点如下:(1)所有的标准型机械密封均应为集装式设计(不含钩式轴套型集装式),集装式密封应无需挪动电机就能装拆。
(2)标准型机械密封型式有三种。
A.滑动式多弹簧密封,其配对密封面为SiC-浸渍石墨,0型圈为氟橡胶(当运行温度或化学相容性不允许使用氟橡胶时,应用FFKM合成橡胶),弹簧为哈氏合金C,其余部件(如轴套、压盖、限位器等)为316不锈钢。
压盖内需设置一个优质石墨制成的节流衬环。
B.底温旋转型波纹管密封,其配对密封面为SiC/浸渍石墨,0型圈为氟橡胶(当运行温度或化学相容性不允许使用氟橡胶时,应用KAL(合成橡胶),波纹管为哈氏合金C,其余部件(如轴套、压盖等)为316不锈钢。
压盖内需设置一个优质石墨制成的节流衬环。
C.高温静止型波纹管密封,其配对密封面为SiC/浸渍石墨,0型圈为柔性石墨,波纹管为Inconel718,其余部件(如轴套、压盖等)为316不锈钢。
压盖内需设置一个优质石墨制成的节流衬环和一个青铜制成的防结焦档圈。
(3)密封配置:1.单端面密封;2.无压双重密封;3.有压双重密封。
(4)加大密封腔径向尺寸(间隙最小为3mm)。
(5)对影响密封性能和寿命的尺寸和配合要求如下:a.密封压盖和密封室应准确对中,压盖与密封室内外止口的同心度为0.03mm。
b.轴和轴套的间隙配合采用G7/h6。
依据直径的不同,其名义间隙为0.025—0.075mmc.密封室的端面跳动量每20mm不应超过0.0lmm(6)采用浮动小间隙喉部节流衬套。
(7)对液化气体,密封腔压力与液化气最大汽化压力的差值应不小于3.5bar或不小于最大汽化压力的10%。
(8)APl682规定储液箱的最小储液量为20升。
机械密封辅助系统介绍API 682:2004yoyo_i整理API 682:2004美国石油协会技术标准:离心旋转泵用轴封系统的附录G编入的是已经应用在工业上的标准冲洗布置和辅助硬件的图纸。
虽然API 682:2004未引入这类布置图纸的全部,但经过买方的同意,他们可以用于特殊情况。
API682 2004:冲洗方案01a)管道和仪表流程图b)密封腔细部图图注:1、进口2、急冷接口/排液接口(Q/D)3、密封腔从泵的出口到密封的完整循环过程,只推荐应用洁净的工作介质。
方案01 :除了冲洗液冲叶轮后部靠近出口的部位直接引入密封腔以外,方案01与方案11非常相似。
这种冲洗方案仅适用清洁流体。
冲洗方案 1 常用于常温下,且被输送流体非常粘稠或容易固化的情况下,以防止流体在冲洗管内凝固。
对于方案1,要特别注意再循环量的供应要充分满足密封操作条件。
a)管道和仪表流程图b)密封腔细部图图注:1、备日后接循环液体用的堵头接口2、放气口(如果需要)3、加热/冷却进口(HI或CL),加热/冷却出口(HO/CO)4、冲洗口/排液口(Q/D)5、密封腔卧式泵优先采用放气布置。
方案02 :用于无冲洗流体循环,密封腔一端封闭的情况下,一般用于化工行业中的密封腔压力和温度较低的情况下。
通常,这种冲洗方案采用锥形密封腔以改进流体的流动形式。
这种方案通常用于被输送的介质比较清洁,以防止由于旋涡的作用对密封法兰盘、密封腔或密封部件产生侵蚀作用。
同时也要考虑被密封介质的闪蒸敏感性以避免在密封腔中或密封端面产生闪蒸。
这种冲洗方案也可以用于温度较低的、清洁的、比热较高的流体(水),且泵的转速一般不高。
当采用方案02时,要仔细计算输送介质汽化的温度裕量。
a)管道和仪表流程图b)密封腔细部图图注:1、来自泵的出口2、冲洗接口(F)3、急冷接口/排液口(Q/D)4、密封腔从泵的出口通过限流孔板道密封的循环过程。
冲洗液进入密封腔靠近机械密封端面处冲洗端面,然后穿过密封腔回流到泵。
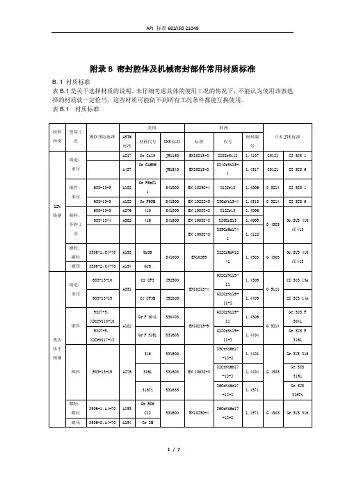
附录B 密封腔体及机械密封部件常用材质标准B. 1 材质标准表B.1是关于选择材质的说明。
未仔细考虑具体的使用工况的情况下,不能认为使用该表选择的材质就一定恰当。
这些材质可能做不到所有工况条件都能互换使用。
表B.1材质标准B. 3 碳化硅介绍碳化硅广泛地被用作密封面材料。
它主要的优点是:硬度高,耐腐蚀,导热性好,相对石墨的摩擦系数小。
根据成分和生产过程,碳化硅可分成几类。
反应烧结碳化硅,无压烧结碳化硅广泛应用于机械密封。
反应烧结碳化硅由硅金属、石墨在碳化硅基体中反应制得。
反应产物含8%至12%的硅金属单质。
无压烧结碳化硅是严格意义上的碳化硅。
除了这种分类,碳化硅还存在不同的代号,晶粒结构。
所以,两种碳化硅用作密封面材料时,性能不同。
虽然这两种碳化硅存在区别,但也有一些共性。
与无压烧结碳化硅箱体,反应烧结碳化硅与石墨的摩擦系数更小,脆性更小,硬度更低。
这些区别仍然比较细微;一个显著的区别是它们的抗腐蚀性。
一个经验准则是:工况PH值为4至11时,推荐使用反应烧结碳化硅;此范围之外,应使用无压烧结碳化硅。
B. 4 硬接触密封面选取指南虽然推荐的密封面配合是石墨对硬密封面,但也有很多工况要求采用硬接触密封面。
以下是选取硬接触密封面时应考虑的因素:——液体的黏度——液体的结晶——发生聚合反应的密封介质——存在大振动可选择的密封面材质主要有:碳化硅,碳化钨。
总体上:如果液体润滑充分,碳化硅的性能是令人满意的。
但是,碳化钨对碳化钨组合须谨慎采用。
应考虑的一般原则是:a)密封介质是油类物质时,碳化钨对碳化硅组合表现出良好性能。
即使在黏度低的介质中,如含硬质颗粒的水,该组合是最常用的硬接触密封面组合。
b)密封介质是重油、焦油和沥青时,碳化钨对碳化钨组合表现出良好性能。
密封介质是水时,该组合性能差。
但是,在腐蚀性介质中性能好。
应该特别注意工况条件(压力X转速),因为该材质组合允许使用温度低。
c)两个无压烧结碳化硅环的组合在腐蚀性介质中性能良好,是许多化工生产当中优先选用的组合。
标准化文章编号:100027466(2000)0120035203按API682选择机械密封系统 Ξ顾永泉(石油大学(华东),山东东营 257062)摘要:按照API682离心泵和转子泵的轴封系统标准,可以编制出利用计算机选择符合该标准的机械密封和密封系统的计算机程序,并给出程序框图和有关说明表格。
关 键 词:机械密封;标准;计算机辅助选择中图分类号:T B42;TH136 文献标识码:ASelection of mechanical seal system according to API682G U Y ong2quan(University of Petroleum,D ongying257062,China)Abstract:On the basis of API682shaft sealing systems for centrifugal androtary pum ps,the com puter program for selecting me2 chanical seals and sealing system be according with this standard can be obtained.Five block diagrams and three tables of seal se2 lection procedure were given.K ey w ords:mechanical seals;standard;com puter aid selection 目前机械密封技术已经发展到利用计算机辅助设计、计算机辅助制造、计算机辅助管理、计算机辅助试验和计算机辅助控制,同样也发展到利用计算机辅助选择。
笔者介绍国外密封公司按照API682离心泵和转子泵的轴封系统标准,利用计算机选择机械密封系统的计算程序。
这个程序除了介绍产品外,还具有结合API682标准和贯彻环境保护法规的特点。
API 682机械密封分类编码机械密封的材料和结构特点,必须按照下列分类系统来编码:第一位字母:平稳型(B)或不平稳型(U)第二位字母:单端面(S),无压的双重密封(T)――即第7版中称“串联密封”,或有压的双重密封(D)――即第7版中称“双端面密封”第三位字母:密封板(即密封压盖)型式:卩=一般式,不带节流衬套;T=节流衬套式,设有急冷、泄漏液接收孔和(或)排液接孔;A=辅助密封装置,型号需要加以规定。
第四位字母:垫(密封环)材料(见表1)表1 机械密封分类编码的第四位字母第五位字母:端面材料(见表2)表2 机械密封编码的第五位字母举例来讲:一种编码为BSTFM的密封,确实是一种平稳型、单端面的、装有带节流衬套的密封板的机械密封,静密封环垫材料为氟橡胶(FKM),动密封环与轴套之间的垫为氟橡胶(FKM),动静环端面副材料为碳对2型碳化钨,对以上材料以外的密封材料应当编码为X,并应在数据单上明确规定之。
机械密封的注解:2、除非另有规定,密圭寸板(即密圭寸压盖)与密圭寸室之间的密圭寸应当采纳氟橡胶的0形环,其使用温度低于150C (300° F)。
如果温度超过150C 以上或如果有规定,必须采纳石墨充填的奥氏体不锈钢蜗形缠绕垫,此蜗形缠绕垫必须能够承担泵送液体的全温(即未采取冷却降温的)。
3、金属密封环不应当采纳喷镀覆盖层来代替一体化的密封端面。
4、如果泵送温度超过175C(350° F)时,泵制造厂和密封制造厂应当共同磋商对密封端面采取冷却冲洗液或对一头不通的密封室采纳持续保持流通的冷却水室。
5、机械密圭寸垫(密圭寸圈)的温度极限应按下表的规定机械密封垫和波浪管的温度极限填的聚四氟 乙烯云母/石墨-240 -400 700 1300 乙烯丙烯-57-70180350注a :其最低和最高的环境温度或泵送温度请询咨询制造厂。
API 密封冲洗方案PLAN 01封液从泵出口到达密圭必须保证足够的循环量,以保持密PLAN 13循环液从密封腔流经操纵孔板返回到吸入室当△ P v 0.2MPa 时,不加孔板部循环,只举荐用于清洁介质, 的稳固条件PLAM 02密封腔的末端不具有冲洗的彳 PLAN 11循环液从泵出口通过流封腔中临近密封面的地点,冲洗 当△ P v0.2MPa 时,不加孑孑板量操纵孑 板到达密封,冲洗液流进密 葩密封返回到泵中过滤器和流量控板到达密封,PLAN 12循环液从泵的出口通过流进密封腔中靠近密封面的地点,冲洗密封面后流过密封返回泵中。
API682对密封的规定 (2)第一章总则 (2)一.范围 (2)二.可替代结构 (2)三.抵触要求 (2)四.术语定义 (2)第二章密封结构 (4)一.标准密封形式和布置方式 (4)二.概述 (4)三.密封腔和压盖 (5)四.轴套 (7)五.配对环(非补偿环) (7)六.弹性元件 (7)七.焊接 (8)八.低温 (8)第三章材料 (8)一.概述 (8)二.密封端面 (8)三.密封轴套 (8)四.弹簧 (8)五.辅助密封圈 (8)六.金属波纹管 (8)七.压盖 (9)八.用螺栓连接的密封腔 (9)九.其它零件 (9)第四章辅助装置 (9)一.辅助管路系统 (9)二.机械密封冲洗/冷却系统(第Ⅰ类) (11)三.急冷系统(第Ⅱ类)(API方案61、62) (11)四.冷却水系统(第Ⅲ类) (11)五.辅助装置和辅助系统零件 (11)六.强制循环装置 (13)第五章检测仪表 (14)一.概述 (14)二.温度指示计 (14)三.温度计套管 (14)四.压力表 (14)五.开关 (14)六.液位指示器 (15)七.液流指示器 (15)八.减压阀 (15)第六章检验、试验和装运准备 (15)一.概述 (15)二.检验 (15)三.试验 (16)四.装运准备 (20)第七章制造厂图样资料 (21)一.概述 (21)二.方案 (21)三.合同资料 (22)四.安装、操作、维护和技术数据手册 (22)附录A:机械密封数据表 (22)API682对密封的规定(离心泵和旋转泵用轴封系统)第一章总则一.范围1.应用范围密封轴径:30~120mm(1.5~4.5inch)温度:-40~260℃(-40~500℉)压力:0~3.45MPa(0~515Psia)介质:清水,酸性水(含H2S溶液),氢氧化物,胺液,某些酸液,大多数烃类2.本标准是一部独立的密封标准,API610或API676可参考本标准。
3.不承诺密封使用寿命达三年。
API682密封标准浅析THURSDAY, 11. MAY 2006, 23:19:25泵用机械密封件摘要API 682是美国石油协会1994年发布的石油、化工类泵用机械密封标准,本文对API682发布的目的以及密封范围、形式、配置、尺寸、公差、密封腔压力、冲洗管路、辅助设备、试验和数据表等作了简要的分析。
关键词API682密封标准型式和配置选择Brief Discussion of Seal Standard API 682Chen WeiNational Technology Center of Process EquipmentAbstract:API 682 is the mechanical seal standard forthe pumps used in chemical and petrochemical industrieswhich was issued by American Petroleum Association in 1994.In this paper, the issue purpose of API 682, the applicablescope, type, disposition, size and tolerance of the seal,the pressure in the seal chamber, the cleaning of the pipepassage, the auxiliary device, the test and the data tablein the standard were briefly analyzed.Keywords: API 682 Seal Standard, type and disposition,selection1 概述随着环境保护和人类健康要求的提高,对泵的泄漏要求也不断提高。
由于机械密封泄漏量很小,因此广泛应用于化工、石化行业。
API682密封标准浅析API682密封標準淺析陳偉顧紅摘要API682是美國石油協會1994年發佈的石油、化工類泵用機械密封標準,本文對API682發佈的目的以及密封範圍、形式、配置、尺寸、公差、密封腔壓力、沖洗管路、輔助設備、詴驗和資料表等作了簡要的分析。
關鍵字API682密封標準型式和配置選擇Brief Discussion of Seal Standard API 682Chen WeiNational Technology Center of Process EquipmentAbstract:API 682 is the mechanical seal standard for the pumps used inchemical and petrochemical industries which was issued by AmericanPetroleum Association in 1994. In this paper, the issue purpose of API682, the applicable scope, type, disposition, size and tolerance of theseal, the pressure in the seal chamber, the cleaning of the pipe passage,the auxiliary device, the test and the data table in the standard werebriefly analyzed.Keywords: API 682 Seal Standard, type and disposition, selection1 概述隨著環境保護和人類健康要求的提高,對泵的洩漏要求也不斷提高。
由於機械密封洩漏量很小,因此廣泛應用於化工、石化行業。
API 682離心泵、轉子泵用軸封系統(Shaft Sealing Systems for Centrifugal and RotaryPumps)是美國石油協會1994年10月發佈的石油、化工類泵用機械密封的最新標準。
耗时近6年,新版API 682机械密封标准终于修订完毕,将于近期生效。
自1994年推出以来,在石油天然气行业及(石油)化工行业离心泵密封和供应系统的采购和运行方面,API 682标准一直被认定为全球性“唯一”标准。
API 682是一项“活跃”的标准,其更新版本当中新加入了丰富多样的实际经验。
美国石油协会(API)于1919年在华盛顿创立,其成员包括来自石油天然气行业以及石油化工行业的近500家公司,协会自1924以来一直致力于制定各种技术标准。
目前,API已经制定了大约500项标准,这些标准针对各种过程和部件做了详尽的规定,并最终确保了最高水平的运行和过程可靠性。
这些API标准清晰地定义了各种试验方法和试验步骤,它们不仅在美国生效,在许多情况下,这些标准还发展成为了世界性的行业标准。
API标准经常被认为是“安全和可靠性”的同义词。
其中一些标准,包括针对机械密封和密封供应系统的API 682标准,一直以来被广泛应用,同时还在工业应用范围以外被引用。
新版API 682标准的编写者指出,新标准从来没有考虑工业外的应用范围,并明确了API 682标准适用范围,这些标准仅适用于泵机的密封系统,而不适用于搅拌机或压缩机。
而且此标准适用于石油天然气以及(石油)化工行业,而不适用于供水或者食品行业。
20世纪90年代中期以来的标杆有关机械密封的初始信息最初在API 610泵机标准内提供。
20世纪90年代,API 682逐步发展成为一个针对机械密封及其系统的标准。
API 682标准得到了用户和制造商的认可,并不断地得到了维护和更新。
API 682标准不只是针对单一的技术解决方案。
除了经过证实和试验的标准解决方案(默认方案)之外,该标准还特意列出了备选解决方案(备选方案),以及订制化的解决方案(专门设计解决方案)。
第4版新标准比以往版本更具多样性。
API在对密封件的相关规定更多的从实际出发,委员会由25位成员组成,这个专门的委员会自2006年以来一直从事2004年生效(至今仍然有效)的第3版API 682标准的更新工作。
标准型机械密封标准型机械密封符合标准:API 610/ API 682(API = 美国石油学会)API 标准广泛应用于石化炼油的各个领域。
API 610 和API 682 标准对机械密封产品进行了详细规范。
API 610(第八版)规定了机械密封功能设计和主要部件材料:材料金属部分(除弹簧外):AISI 316 或等同材料弹簧部分:Hastelloy C金属波纹管:防腐蚀材料(最底耐腐蚀度为51µm p.a.)旋转/静止密封面:整体式、无表面喷涂关于设计参数和材料选择,请参阅下列密封形式及材料代码,符合API 610(第八版):注1 B = 平衡型U = 非平衡型注2S = 单端面T = 双端面(串联式/ 无压封液型)D = 双端面(加压缓冲液)注3压盖类型P = 平的,无节流套T = 配有节流套,封液系统可收集泄漏出来的介质。
A = 备用/ 辅助密封(要定制)注4辅助密封材料(如要求可另表说明)注5密封面材料(如要求可另表说明)举例说明密封设计结构和材料代号:BSTFO = 平衡型,带节流套单端面机械密封,动态和静态辅助密封(O型圈)采用FKM并且旋转/静止密封面采用碳化钨对碳化硅。
API方案指不同循环方式的密封辅助系统。
最常用的API 方案(610/682):API 方案01:依靠泵出口和密封腔的压力差实现的泵内部的介质循环。
API 方案11:从泵出口通过节流孔和管路系统到密封腔的介质循环。
API 方案32:外接洁净液体对密封面进行冲洗的循环系统。
API 方案52:无压封液循环系统- 外接储存罐(热虹吸系统/或强迫循环系统);适用于串联式双端面机械密封。
API 方案53:加压缓冲液循环系统- 外接储存罐(虹吸系统/或强迫循环系统),适用于背对背式双端面机械密封。
API 方案62:外接封液系统(水蒸气,气体,水)型号207A•单端面密封•集装式机械密封易于安装•平衡型•旋转方向任意•多弹簧结构(弹簧受保护)•静止型设计轴径:20-100 mm(也可按英制)Pmax:50 bart:-20°C...+220°C(根据辅助密封材料特性)Vmax:35 m/s207A单端面密封几乎可应用于精炼和石化行业的所有场合,运行温度可达220°C。
API682-2004标准分类代号API标准中,机械密封BTTFM、BTPIN等是什么意思,API标准中,机械密封BTTFM、BTPIN、BTPFN、BDPIN、BTTFN等是什么意思, 在API标准中哪儿能查到相关内容。
陈银山发表于 2010-7-20 12:36 怎么没人回答啊,自己顶一下.yllplay 发表于 2010-7-20 12:36 BTTFM字母代表的意思依次是:B 代表平衡型T代表无压得双重密封也叫串联密封T代表节流衬套F代表氟橡胶M 代表动静环分别为碳和碳化钨-2pg502 发表于 2010-7-20 12:36 BTPIN字母代表的意思依次是:B 代表平衡型T代表无压得双重密封也叫串联密封P代表普通式,不带节流衬套I代表高氟橡胶也叫全氟醚N 代表动静环分别为碳和碳化硅秋水长天发表于 2010-7-20 12:36 BTPFN字母代表的意思依次是:B 代表平衡型T代表无压的双重密封也叫串联密封P代表普通式,不带节流衬套F代表氟橡胶N 代表动静环分别为碳和碳化硅wxin 发表于 2010-7-20 12:36 BDPIN字母代表的意思依次是:B 代表平衡型D代表有压的双重密封也叫双端面密封P代表普通式,不带节流衬套I代表高氟橡胶也叫全氟醚N 代表动静环分别为碳和碳化硅FragranceM 发表于 2010-7-20 12:36 BTTFN字母代表的意思依次是:B 代表平衡型T代表无压得双重密封也叫串联密封T代表节流衬套F代表氟橡胶N 代表动静环分别为碳和碳化硅eddik 发表于 2010-7-20 12:36可以在API 610标准第八版130页查到相关内容。
cxd12345 发表于 2010-7-20 12:36 机械密封的材料和结构特点,必须根据下列分类系统来编码: 第一位字母:平衡型(B)或非平衡型(U)第二位字母:单端面(S);无压的双重密封(即第七版中称“串联密封”)(,);或有压的双重密封(即第七版中称“双端面密封”)(D)第三位字母:密封板(即密封压盖)型式(P=普通式,不带节流衬套;T=节流衬套式,设有急冷、泄露液接孔和(或)排液接孔;A=辅助密封装置,型式需加以规定)。
API机械密封分类编码什么是API机械密封?API机械密封是机械密封的一种,它通常被用于工业设备中,如泵,压缩机和离心机中,以防止流体泄漏和污染。
与传统的密封技术相比,API机械密封拥有更好的密封效果和更长的使用寿命。
机械密封的分类API机械密封按照密封方式可分为单端面机械密封和双端面机械密封两种类型。
其中,单端面机械密封通常只有一个环面贴合另一个环面;而双端面机械密封则有两个环面,由于紧缩器的作用,它们紧贴泵轴。
机械密封还可以按照密封类型、泵轴位置、运转状态、尺寸、材质和规格进行分类。
API机械密封的编码在API610标准中,API机械密封的编码共有14位。
这些编码位所代表的信息可以告诉使用者应该采用什么样的机械密封,以及它与所使用的设备是否相配。
下面是API机械密封编码的详细信息:1.密封面类型(代码1)根据API机械密封的合作面类型不同,分为单端面和双端面两种,代码1代表的是单端面机械密封。
2.泵轴位置(代码2)泵轴的位置通常有水平位置、垂直位置和倾斜位置,代码2给出了泵轴的位置标识。
3.运转状态(代码3)运转状态有两种,分别是固定位置和移动位置,代码3给出了运转状态的标识。
4.尺寸(代码4-5)尺寸代码表示了机械密封的尺寸范围。
5.泵制造商(代码6-8)泵制造商的代码标识制造商或代理商,它们位于代码6到8处。
6.机械密封设计制造商(代码9-11)机械密封的设计和制造商代码位于代码9到11处。
7.序列号(代码12-14)序列号代码确定了API机械密封的唯一ID号,它们位于代码12到14处。
总结API机械密封的分类编码提供了一个特定的方法使用户可以更加准确地选择最适合他们设备的机械密封。
这个编码系统的使用旨在帮助客户在正确的时间选择正确的机械密封,以降低设备故障率和减少生产成本。
API682第二版机械密封标准与约翰克兰机械密封约翰克兰中国柏均佳美国石油协会682标准(API682)第二版于2002年7月正式公布,该标准由最终用户代表,泵生产商代表和机械密封生产商代表共同在第一版的基础上编制,约翰克兰派两名代表参加此项标准的编制工作。
标准要达到的目标是;在机械密封设计制造,选型和操作运行方面的最好的指南,对于机械密封使用寿命必须在有规律的泄露条件下满足三年以上,其寿命成本为考核的依据,节能问题倍受关注,于1994年4月出版的API680第一版机械密封标准大多数用户不适应,因此仅限于理解和参照,同时市场对技术要求的成本不接受,因此在国际项目应用中增长缓慢,第二版在第一版的基础上有了相当大的改进,基本上是对机械密封多年发展的高度总结,极大程度满足石油,石化,化工行业对机械密封的最新需求。
下面就标准和约翰克兰机械密封产品做一初步介绍。
第一版第二版一) 石化行业对机械密封最新发展的要求;由于石油化工行业工艺技术的发展,对机械密封的要求其工况参数越来越高,对机械密封的使用寿命必须满足三年,机械密封的标准化/减少现场的维修调试/减少库存,有计划的间隔维修/防止故障的间隔维修,远程监测/监控,环保要求/零泄露,可靠性与安全性,及时的售后服务降低采购和运行成本。
二)API682第二版的改进增加部分介绍;1)为了更好理解API682(二)标准特将有关术语理解叙述如下推进型与非推进型密封;推进与非推进的分类在于对旋转补赏环组件与轴(或轴套)的二次密封处,当补赏环(动环组件)由于磨损或轴向窜动,在加压机构(弹簧等)推动下跟进补赏时,二次密封是否随补赏环同时推进而区分为推进型与非推进型密封,显而易见的是对于“O”型多弹簧密封,其二次密封“O”圈将随随补赏环同时推进而称之为推进型密封,对于金属波纹管密封,其二次密封与轴(或轴套)相对固定,不随补赏环推进而推进,故称之为非推进型密封,见附图二次密封点二次密封随之推进二次密封不随之推进介质分类;针对石油化工行业,标准将介质分为碳氢化合物和非碳氢化合物,非碳氢化合物主要指水,酸,碱,盐等介质,对于碳氢化合物又区分为闪蒸碳氢化合物和非闪蒸碳氢化合物,闪蒸和非闪蒸碳氢化合物的定义区分是在泵送温度条件下,对正常泄露于大气侧的介质是否汽化而区分,如果在泵送温度条件下,该介质饱和蒸气压大于1bar(14。
API 610标准的机械密封材料和分类编码
机械密封的材料和结构特点,必须根据下列分类系统来编码:
第一位字母:平衡型(B)或不平衡型(U)
第二位字母:单端面(S),无压的双重密封(T)——即第7版中称“串联密封”,或有压的双重密封(D)——即第7版中称“双端面密封”
第三位字母:密封板(即密封压盖)型式:P=普通式,不带节流衬套;T=节流衬套式,设有急冷、泄漏液接收孔和(或)排液接孔;A=辅助密封装置,型号需要加以规定。
第四位字母:垫(密封环)材料(见表1)
第五位字母:端面材料(见表2)
举例来说:一种编码为BSTFM的密封,就是一种平衡型、单端面的、装有带节流衬套的密封板的机械密封,静密封环垫材料为氟橡胶(FKM),动密封环与轴套之间的垫为氟橡胶(FKM),动静环端面副材料为碳对2型碳化钨,对以上材料以外的密封材料应当编码为X,并应在数据单上明确规定之。
机械密封的注解:
1、除非另有规定,采用多弹簧密封的弹簧材料必须采用哈斯特洛伊合金(Hastelloy C)。
单弹簧密封的弹簧材料必须采用奥氏体不锈钢(AISI标准型316或同等材料)。
其它金属零件也必须采用奥氏体不锈钢(AISI标准型316或同等材料)或适用于使用条件的其它耐腐蚀材料,但对金属波纹管除外,如果采用金属波纹管,其材料必须由密封制造厂根据使用条件推荐,金属波纹管的腐蚀速率应低于每年50μm(2mils,密耳)。
2、除非另有规定,密封板(即密封压盖)与密封室之间的密封应当采用氟橡胶的O形环,其使用温度低于150℃(300°F)。
如果温度超过150℃以上或如果有规定,必须采用石墨充填的奥氏体不锈钢蜗形缠绕垫,此蜗形缠绕垫必须能够承受泵送液体的全温(即未采取冷却降温的)。
3、金属密封环不应当采用喷镀覆盖层来代替一体化的密封端面。
4、如果泵送温度超过175℃(350°F)时,泵制造厂和密封制造厂应当共同磋商对密封端面采取冷却冲洗液或对一头不通的密封室采用不断保持流通的冷却水室。
5、机械密封垫(密封圈)的温度极限应按下表的规定。
注a:其最低和最高的环境温度或泵送温度请询问制造厂。
API密封冲洗方案
PLAN 01封液从泵出口到达密封的部循环,只推荐用于清洁介质,必须保证足够的循环量,以保持密封面上的稳定条件
PLAM 02密封腔的末端不具有冲洗的循环
PLAN 11 循环液从泵出口经过流量控制孔板到达密封,冲洗液流进密封腔中临近密封面的地方,冲洗液冲洗密封面后通过密封返回到泵中。
当ΔP<0.2MPa时,不加孔板
PLAN 12 循环液从泵的出口经过过滤器和流量控板到达密封,冲洗液流进密封腔中靠近密封面的地方,冲洗密封面后流过密封返回泵中。
正常情况下,过滤器不推荐使用,因其阻塞后可以导致密封失效。
当ΔP<0.2MPa时,不加孔板
PLAN 13 循环液从密封腔流经控制孔板返回到吸入室
当ΔP<0.2MPa时,不加孔板
PLAN 14 再循环液从泵出口经过流量控制孔板到达密封并返回到吸入口。
孔板的尺寸和规格必须根据卸压衬套和返回管确定。
类似于方案11,但液流返回吸入侧,并将可能聚集于密封腔的蒸汽排出。
推荐用于轻烃类的使用条件,当ΔP<0.2MPa时,不加孔板
PLAN 21 封液从泵出口经过流量控制孔板和冷却器进入密封室。
当ΔP<0.2MPa时,不加孔板
PLAN 22 比PLAN21加过滤器,正常情况下不推荐使用,因为阻塞后可以导致密封失效。
当ΔP<0.2MPa时,不加孔板
PLAN 23 循环液经密封室中的泵送环送出,经过冷却器回到密封室,这个方案能用于热的使用条件下,靠只冷却少量再循环液来降低冷却器上的热负荷。
PLAN 31 再循环液从泵出口经过流量控制孔板到旋风分离器,分离器将清洁液的物质送回到泵的入口。
PLAN 32 从外供液源来的冲洗液注入密封室,正确选择密封冲洗液必须注意:消除冲洗液的汽化可能性并避免泵送介质被冲洗液污染。
PLAN 41 再循环液从泵出口经过流量控制孔板到旋风分离器,分离器将清洁液经过冷却器送入密封室,固体物质回到泵的吸入室。
当ΔP<0.2MPa时,不加孔板
PLAN 51 外部容器提供顶端封死的液体保护层,通往压盖上的急冷接孔。
PLAN 52 外部容器为无压双端面密封的外部密封提供缓冲液,当正常运行时,循环液通过部泵送环维持,容器通常连续向蒸汽回收系统排气并且维持压力低于密封腔压力。
(一般用于串联安装的双端面密封)
PLAN 53 有压的外部隔离容器向密封腔提供清洁介质,隔离液通过部泵送环循环,容器压力大于所要密封的流程压力。
通常和有压得双端面密封一起应用。
PLAN 54 有压的外部隔离液容器或系统向密封腔提供清洁的冷介质,循环液通过外部泵或压力系统循环,容器压力大于所要密封的流程压力,通常和有压得双端面密封一起应用。
PLAN 61 堵上的丝孔接头供买方使用,本方案的典型使用是当买方项辅助密封系统装置提供介质(如蒸汽、气体喝水时)。
PLAN 62 外供流体急冷,为阻止固体堆积在密封大气侧就需要急冷,通常与带有精确间隙的节流衬套一起使用。