电工作业第二章电工测量教案
- 格式:doc
- 大小:48.50 KB
- 文档页数:18
电工作业人员《电工测量》电子教案一、教学目标1. 让学生掌握电工测量基本概念和原理。
2. 使学生熟悉电工测量工具和仪器的使用。
3. 培养学生进行电工测量操作的能力,提高电工技能水平。
二、教学内容1. 电工测量基本概念:测量误差、测量不确定度、有效数字等。
2. 电工测量工具和仪器:万用表、电能表、示波器等。
3. 电工测量方法:电阻测量、电流测量、电压测量、电能测量等。
4. 电工测量操作技巧:测量准备、测量过程、测量结果处理等。
5. 电工测量实例:照明电路、动力电路、变压器等测量。
三、教学重点与难点1. 教学重点:电工测量基本概念、电工测量工具和仪器的使用、电工测量方法。
2. 教学难点:电工测量操作技巧、电工测量实例。
四、教学方法1. 理论教学:采用讲授法,讲解电工测量基本概念、原理和方法。
2. 实践教学:采用演示法,展示电工测量工具和仪器的使用,以及操作技巧。
让学生分组进行电工测量实践,培养操作能力。
3. 案例教学:分析电工测量实例,使学生掌握电工测量在实际工程中的应用。
五、教学过程1. 引入新课:介绍电工测量的意义和重要性,激发学生学习兴趣。
2. 讲解基本概念:讲解电工测量误差、测量不确定度、有效数字等基本概念。
3. 演示测量工具和仪器:展示电工测量工具和仪器,讲解其使用方法和注意事项。
4. 讲解测量方法:讲解电阻测量、电流测量、电压测量、电能测量等方法。
5. 实践操作:学生分组进行电工测量实践,教师巡回指导。
6. 讲解操作技巧:讲解电工测量操作技巧,如测量准备、测量过程、测量结果处理等。
7. 分析实例:分析照明电路、动力电路、变压器等测量实例,讲解电工测量在实际工程中的应用。
9. 布置作业:布置相关课后作业,巩固所学知识。
10. 课后反思:教师对本节课的教学情况进行反思,为下一步教学做好准备。
六、教学评估1. 平时成绩评估:对学生平时课堂表现、作业完成情况进行评估,了解学生学习态度和基本技能掌握情况。
电工作业人员《电工测量》电子教案一、教学目标1. 让学生了解电工测量的基本概念、原理和作用。
2. 使学生掌握电工测量仪表的使用方法和测量技巧。
3. 培养学生安全、规范地进行电工测量操作的能力。
二、教学内容1. 电工测量概述1.1 测量的基础知识1.2 电工测量的内容与分类1.3 电工测量技术的发展趋势2. 电工测量仪表2.1 电工测量仪表的分类与特点2.2 电工测量仪表的选择与使用方法2.3 常用电工测量仪表的介绍3. 电工测量方法与技巧3.1 电压、电流、电阻的测量3.2 电能、功率、功率因数的测量3.3 电信号、频率、波形的测量3.4 测量误差与数据处理4. 电工测量操作实践4.1 测量准备与测量工具的使用4.2 电压、电流、电阻的测量操作4.3 电能、功率、功率因数的测量操作4.4 电信号、频率、波形的测量操作5. 安全防护与职业道德5.1 电工测量安全常识5.2 测量过程中的故障处理与保护措施5.3 电工测量职业道德与规范三、教学方法1. 采用多媒体教学,结合图文并茂的课件,生动展示电工测量的相关知识。
2. 利用实验演示,让学生亲身体验电工测量的操作过程,提高实际操作能力。
3. 开展小组讨论,培养学生团队合作精神,提高解决问题的能力。
4. 设置课后练习题,巩固所学知识,提高学生的自主学习能力。
四、教学评价1. 课后作业:布置相关的测量题目,检验学生对知识的掌握程度。
2. 课堂问答:通过提问,了解学生对测量原理、仪表使用等方面的理解。
3. 实操考核:设置电工测量实验,评估学生的实际操作能力和安全防护意识。
五、教学资源1. 教材:《电工测量》2. 多媒体课件:电工测量原理、仪表使用、操作实践等。
3. 实验设备:电压表、电流表、电阻表、电能表等。
4. 网络资源:相关电工测量技术的文章、视频等。
六、教学重点与难点教学重点:1. 电工测量基本概念和原理的理解。
2. 各种电工测量仪表的识别和使用方法。
电工仪表与测量教案教师:李洪波周次:时间:课题:1.1 电气测量的基本概念 1.2电气测量方法 1.3 测量误差课时:2课时教学目标:1、了解什么是电气测量2、掌握电气测量的方法3、掌握测量误差的概念及测量误差的产生和消除方法重点、难点:测量误差的概念及测量误差的产生和消除方法教具:教材粉笔教学方法:讲授法时间分配:新授 75分钟小结 10分钟作业布置 5分钟教学过程:1.1 电气测量的基本概念1.1.1 测量的基本概念测量是人类对客观事物取得数量概念的认识过程,是人们认识和改造自然的一种不可缺少的手段。
在自然界中,对于任何被研究的对象,若要定量地进行评价,必须通过测量来实现。
测量是通过实验对客观事物取得定量意义的过程,是一种把物理参数变换成具有意义的数字的过程,也是把被测对象与公认的标准单位进行比较的过程。
测量过程应具有三要素:一是测量单位;二是测量方法,它是将被测量与其单位进行比较的实验方法;三是测量仪器与设备,它是测量过程的具体体现与实施者,是为了求取比值(测量值)而实际使用的一些仪器设备。
1.1.2 电气测量的向容电气测量是指在电工电子学中测量有关电的量值。
主要分为1.电能量的测量2.电路元件参数的测量、3.电信号特性的测量4.电路性能的测量1.2 电气测量方法1.2.1 电气测量方法的分类一个电气参量的测量,可以通过不同的方法来实现。
测量方法的选择正确与否,直接关系到测量结果的可信赖程度,也关系到测量工作的经济性和可行性。
常见的分类方式及测量方法1.按仪表产生被测量数值的方法分类(1)直读式测量法(2)比较式测量法:差值法、零值法、替代法2.按获得被测量结果的过程分类(1)直接测量(2)间接测量(3)组合测量1.2.2 非电量电测法的特点非电量的电测法是用电测技术对非电量进行测量,非电量测量系统主要由传感器、测量电路、信息处理及显示装置组成,在不需要显示的保护、计量和控制系统中,显示装置可被执行机构所代替。
电工作业人员《电工测量》电子教案一、教学目标1. 让学生掌握电工测量的基本概念、原理和操作方法。
2. 培养学生对电工测量仪器仪表的识别和使用能力。
3. 使学生了解电工测量在电力系统中的应用和重要性。
二、教学内容1. 电工测量概述1.1 测量的基础知识1.2 电工测量方法1.3 电工测量仪器的分类与性能2. 电工测量仪表2.1 磁电式仪表2.2 电磁式仪表2.3 电动式仪表2.4 数字式仪表3. 电流测量3.1 直流电流测量3.2 交流电流测量3.3 电流表的使用与维护4. 电压测量4.1 直流电压测量4.2 交流电压测量4.3 电压表的使用与维护5. 电阻测量5.1 直流电阻测量5.2 交流电阻测量5.3 电阻表的使用与维护三、教学方法1. 采用讲授与实践相结合的教学方式,使学生在理论指导下掌握实际操作技能。
2. 通过实物展示、示范操作,让学生直观地了解电工测量仪表的结构和使用方法。
3. 安排实际操作练习,使学生巩固所学知识,提高动手能力。
四、教学资源1. 教材:《电工测量》2. 教学课件3. 电工测量仪表实物4. 实验设备:电流表、电压表、电阻表等五、教学评价1. 平时成绩:包括课堂表现、作业完成情况、实验报告等。
2. 期末考试:包括理论知识考试和实际操作考试。
3. 综合素质评价:考察学生在电工测量方面的应用能力和团队协作精神。
六、教学安排1. 课时:共计40课时,其中理论教学20课时,实验操作20课时。
2. 教学进度安排:第1-8课时:电工测量概述及电工测量仪表的学习第9-16课时:电流测量、电压测量学习第17-24课时:电阻测量及综合练习第25-32课时:实验操作练习第33-40课时:期末复习及考试七、教学重点与难点1. 教学重点:电工测量基本概念、原理和操作方法。
电工测量仪表的识别和使用。
电工测量在电力系统中的应用。
2. 教学难点:电工测量仪表的内部结构和工作原理。
不同测量方法的适用范围和注意事项。
电工仪表与测量教案一、教学目标:1. 让学生了解电工仪表的基本概念、种类和作用。
2. 培养学生掌握电工测量的基本方法和技术。
3. 使学生能够熟练操作电工仪表,进行各种电量测量。
二、教学内容:1. 电工仪表的基本概念:电工仪表的定义、分类和性能指标。
2. 电工仪表的种类:电流表、电压表、功率表、电能表等。
3. 电工测量的基本方法:直接测量法、间接测量法、比较测量法等。
4. 电工测量技术:测量误差、测量准确度、测量仪器的校准等。
5. 电工仪表的使用和维护:选用原则、操作方法、维护保养等。
三、教学重点与难点:1. 教学重点:电工仪表的基本概念、种类和作用;电工测量的基本方法和技术。
2. 教学难点:电工仪表的原理、测量误差分析及仪表的选用与维护。
四、教学方法与手段:1. 教学方法:讲授、实验、讨论、案例分析等。
2. 教学手段:多媒体课件、实验设备、电工仪表实物等。
五、教学安排:1. 第1课时:电工仪表的基本概念、种类和作用。
2. 第2课时:电工测量的基本方法和技术。
3. 第3课时:电工仪表的选用与使用。
4. 第4课时:电工仪表的维护保养。
5. 第5课时:综合练习与案例分析。
六、教学评价:1. 平时成绩:包括课堂表现、作业完成情况、实验操作等,占总评的30%。
2. 考试成绩:包括笔试、实验操作考试等,占总评的70%。
七、教学反思:在授课过程中,教师应不断反思教学方法、教学内容和学生反馈,以便及时调整教学策略,提高教学质量。
八、教学拓展:1. 深入了解国内外电工仪表的发展趋势,掌握先进技术。
2. 学习电工仪表在其他领域的应用,如工业自动化、航空航天等。
九、课后作业:1. 查阅相关资料,了解电工仪表的原理及其应用。
2. 结合课堂所学,分析实际工程案例,掌握电工仪表的选择与使用。
十、课程资源:1. 教材:《电工仪表与测量》。
2. 参考书籍:《电工仪表技术手册》、《电工测量原理》。
3. 网络资源:相关学术论文、技术论坛、行业动态等。
电工测量的常用方法一、教学目标1.了解常用电工测量方法。
2.掌握电工指示仪表的组成。
二、教学重点难点重点:常用电工测量方法。
难点:掌握电工指示仪表的组成。
三、教学内容1.名词术语(1)电工测量:就是把被测的电量、磁量或电参数与同类标准量进行比较,从而确定被测量大小的过程。
(2)度量器:在测量中实际使用的标准量是测量单位的复制体。
如标准电池、标准电阻器、标准电感器就分别是电动势、电阻和电感的复制体。
(3)度量器按精度和用途的不同,分为基准度量器和标准度量器。
基准度量器是现代科学技术所能达到的精度最高的度量器,由各国最高的计量部门保存。
标准度量器是为保证测量仪表的准确一致,以便用来鉴定低一级的测量仪表。
2.常用的电工测量方法(1)直接测量法:凡能用直接指示的仪器仪表读取被测量数值,而无需度量器直接参与的测量方法。
如用电流表测电流,欧姆表测电阻等就属于直接测量法。
直接测量法的优点是方法简便,读数迅速。
但由于仪表接人被测电路后,会使电路工作状态发生变化,因而这种测量方法的准确度较低。
(2)比较测量法:凡在测量过程中需要度量器的直接参与,并通过比较仪表来确定被测量数值的方法。
根据被测量与标准量比较方式的不同,比较测量法又分为以下三种:①零值法:在测量过程中,通过改变标准量,使其与被测量相等(即两者差值为零),从而确定被测量数值的方法。
如用电桥测电阻就属于这种方法。
②差值法:利用被测量与标准量的差值作用于测量仪表,从而确定被测量数值的方法。
如用不平衡电桥测电阻就属于这种方法。
③代替法:在测量过程中,用已知标准量代替被测量,若维持仪表原来的读数不变,则被测量必等于已知标准量的方法。
比较测量法的优点是准确度高。
缺点是设备复杂,操作麻烦,通常适用于测量要求准确度较高的场合。
(3)间接测量法:测量时先测出与被测量有关的电量,然后通过计算求得被测量数值的方法。
如用伏安法测量电阻,通过测量晶体三极管发射极电压求放大器静态工作点Ic的方法,都属于间接测量法。
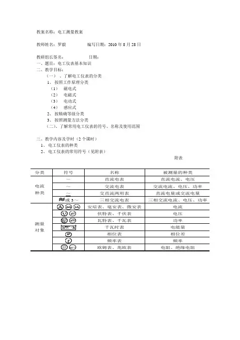
教案名称:电工测量教案教师姓名:罗毅编写日期:2010年8月28日教研组长签名:日期:一、题目:电工仪表基本知识二、教学目标:(一)、了解电工仪表的分类1、按照工作原理分类(1)磁电式(2)电磁式(3)电动式(4)感应式2、按精确等级分类3、按照测量方法分类(二)、了解常用电工仪表的符号、名称及使用范围三、教学内容及学时(2个课时)1、电工仪表的种类2、电工仪表的常用符号(见附表)附表四、重点:常用电工仪表的分类、符号五、教学类型及教学方法:讲授法、演示法六、讲课内容:1、磁电式、电磁式、电动式、感应式仪表的结构、原理及应用(1)、结构(2)、工作原理A、转动力矩B、反作用力矩C、阻尼力矩D、读数装置2、电工仪表等级(0.1、0.2、0.5、1.0、1.5、2.5、5.0)3、常用电工仪表的符号、性能及使用范围七、小结:通过本次上课:我们初步了解电工仪表的分类、符号及应用的一些基本知识。
为今后学习掌握电工仪表的正确使用奠定基本知识储备八、作业1、简要说出磁电式、电磁式、电动式、感应式仪表的构成、原理2、写出常用电工仪表的符号、名称及测量对象教案名称:电工测量教案教师姓名:罗毅编写日期:2010年8月28日教研组长签名:日期:一、题目:电流和电压的测量二、教学目标:1、了解电压表、电流表的型式选择2、掌握电压表、电流表的正确使用方法三、教学内容及学时(2个课时)1、电压表、电流表型式和量程的选择2、电压表、电流表的正确使用方法四、重点:电压表、电流表的正确选择五、教学类型及方法:讲课法六、讲课内容:(一)、电流表与电压表的选择1.选择仪表的类型(1)直流电流、电压的测量:磁电系仪表。
(2)交流电流、电压的测量:电磁系仪表、整流系仪表。
交流电量的精确测量可以选用电动系仪表。
(3)交、直流两用:一般情况下可选用电磁系仪表,需要精确测量时可以选用电动系仪表。
2.选用仪表的准确度(1)标准表、精测时:0.1、0.2级。
电工测量教案教案标题:电工测量教案教案目标:1. 理解电工测量的基本概念和原理。
2. 掌握电流、电压和电阻的测量方法。
3. 能够使用测量仪器进行电工测量。
4. 培养学生的实验操作能力和问题解决能力。
教学重点:1. 电流、电压和电阻的概念和单位。
2. 电流、电压和电阻的测量方法和仪器。
3. 实验操作技巧和数据处理。
教学难点:1. 电阻的测量方法和技巧。
2. 实验中的误差分析和数据处理。
教学准备:1. 教师准备:电流表、电压表、万用表、电阻箱、导线等实验仪器和材料。
2. 学生准备:实验记录表、计算器等。
教学过程:一、导入(5分钟)1. 引入电工测量的重要性和应用领域,激发学生的学习兴趣。
二、理论讲解(15分钟)1. 介绍电流、电压和电阻的概念和单位。
2. 讲解电流表、电压表和万用表的原理和使用方法。
3. 介绍电阻的测量方法和电阻箱的使用。
三、实验操作(30分钟)1. 分组进行实验操作,学生使用电流表、电压表和万用表进行电流、电压和电阻的测量。
2. 引导学生注意实验操作的安全性和准确性。
四、数据处理与分析(15分钟)1. 学生根据实验数据计算电流、电压和电阻的数值。
2. 引导学生分析实验中可能存在的误差来源,并进行误差分析。
五、实验总结(10分钟)1. 学生分享实验心得和体会。
2. 教师总结本节课的重点和难点,强调实验操作的重要性。
教学延伸:1. 可以设计更复杂的电路进行电工测量实验。
2. 引导学生进行实际应用案例的分析和解决。
教学评估:1. 实验操作的准确性和安全性评估。
2. 学生对电流、电压和电阻概念的理解评估。
3. 学生对实验数据处理和误差分析的能力评估。
教学反思:1. 针对学生在实验操作和数据处理方面存在的问题进行及时纠正和指导。
2. 根据学生的学习情况调整教学内容和方法,提高教学效果。
电工测量课程设计一、教学目标本节课的学习目标包括:知识目标:学生需要掌握电工测量基本原理、测量仪器的使用方法以及测量误差的分析与处理。
技能目标:学生能够独立完成基本电工测量操作,能够正确读取和记录测量数据,能够对测量结果进行误差分析。
情感态度价值观目标:培养学生对电工测量的兴趣,提高学生对电工测量的认识,使学生明白电工测量在工程实践中的重要性。
二、教学内容本节课的教学内容主要包括:1.电工测量基本原理:介绍电工测量的基础知识,包括电压、电流、电阻的测量原理。
2.测量仪器的使用方法:介绍电压表、电流表、万用表等常用测量仪器的使用方法。
3.测量误差的分析与处理:讲解测量误差的概念、来源和分类,介绍误差处理的基本方法。
三、教学方法为了提高教学效果,本节课将采用多种教学方法:1.讲授法:讲解电工测量基本原理,使学生掌握测量基础知识。
2.讨论法:分组讨论测量仪器的使用方法和测量误差的处理方法,提高学生的参与度和思考能力。
3.实验法:安排实验室实践环节,让学生亲自动手操作,加深对测量原理和仪器的理解。
四、教学资源为了支持教学内容和教学方法的实施,本节课将准备以下教学资源:1.教材:选用《电工测量》教材,为学生提供系统的电工测量知识。
2.参考书:提供相关的电工测量参考书籍,丰富学生的知识视野。
3.多媒体资料:制作PPT、视频等多媒体资料,直观展示电工测量原理和仪器使用方法。
4.实验设备:准备电压表、电流表、万用表等实验设备,为学生提供实践操作的机会。
五、教学评估本节课的评估方式包括:1.平时表现:评估学生在课堂上的参与度、提问回答等情况,占总分的30%。
2.作业:布置相关的电工测量作业,评估学生的知识掌握情况,占总分的30%。
3.实验报告:评估学生在实验环节的操作技能和数据处理能力,占总分的20%。
4.期末考试:设置电工测量相关的考试题目,全面评估学生的知识水平和应用能力,占总分的20%。
六、教学安排本节课的教学安排如下:1.教学进度:按照教材的章节顺序,合理安排每个章节的教学内容。
低压维修电工作业人员教案第一章:电工基础知识1.1 学习目标:了解电工基础知识,包括电路、电压、电流、电阻等基本概念。
学习电工测量工具的使用,如万用表、电压表、电流表等。
1.2 教学内容:电路的基本概念:电路的组成、电路的闭合与断开。
电压、电流、电阻的概念及其关系。
电工测量工具的使用方法,包括万用表、电压表、电流表等。
1.3 教学活动:理论讲解:讲解电路的基本概念,通过示例电路图来解释电压、电流、电阻的关系。
实践操作:学生分组进行测量练习,使用万用表、电压表、电流表进行实际测量,并记录数据。
1.4 作业与评估:作业:学生完成电路图的识别和测量工具的使用练习。
评估:教师对学生的理论知识和实践操作进行评估,确保学生能够正确理解和运用电工基础知识。
第二章:低压电器设备2.1 学习目标:了解低压电器设备的种类和功能,包括断路器、接触器、继电器等。
学习低压电器设备的安装和接线方法。
2.2 教学内容:低压电器设备的种类:断路器、接触器、继电器等。
低压电器设备的功能及其在电路中的应用。
低压电器设备的安装和接线方法。
2.3 教学活动:理论讲解:讲解低压电器设备的种类和功能,通过示例电路图来解释其在电路中的应用。
实践操作:学生分组进行低压电器设备的安装和接线练习,教师提供指导和反馈。
2.4 作业与评估:作业:学生完成低压电器设备的识别和安装接线练习。
评估:教师对学生的理论知识和实践操作进行评估,确保学生能够正确理解和运用低压电器设备的知识。
第三章:低压线路维修3.1 学习目标:学习低压线路的组成和功能,包括电线、电缆、插座等。
学习低压线路的维修方法和技巧。
3.2 教学内容:低压线路的组成:电线、电缆、插座等。
低压线路的功能及其在电力系统中的应用。
低压线路的维修方法和技巧。
3.3 教学活动:理论讲解:讲解低压线路的组成和功能,通过示例电路图来说明其在电力系统中的应用。
实践操作:学生分组进行低压线路的维修练习,教师提供指导和反馈。
人体电阻还与接触电压有关,接触电压升高,人体电阻将按非线性规律下降,如图对受伤害程度不同、症状表现不同的触电者,、触电者神智清醒,只是感觉头昏、发力、心悸、出冷汗、恶心、呕吐、触电者神智断续清醒,出现一度昏迷时,一方面请医生救治,一方面让其静卧休息,随时观察其伤情变化,做好万一恶化的施救准备。
、触电者已失去知觉,但呼吸、心跳尚存时,应迅速请医生的同时,将次,这时不必捏紧鼻孔,让一部分空气漏掉。
对儿童吹气,一定要掌握好吹气量的大小,不可让其胸腹过分膨胀,防治吹破肺在做口对口人工呼吸时,需要注意以下几点:第一,掌握好吹气压力,一10~20次后逐渐减少吹气压力,维持胸腹部的轻度舒张即可。
第二,若触电者牙关紧闭,一时无法撬开,可用口对鼻吹气,方法与口对口吹气想似,只是此时应使触电者嘴唇紧闭,防止漏气。
口对鼻吹气时,救护者的嘴唇应完全盖紧触电者鼻孔,吹气压力也应稍大,吹气时间稍长,这样有利于外部气体充分进入肺内,一边加速人体在触电者心脏停止跳动时,可以有节奏地在胸廓外加力,对心脏进行挤压。
利用人工方法代替心脏的收缩与扩张,以达到维持血液循环的目的,具但不能用大的爆发力,否则将造成胸部骨骼损伤。
第三,挤压时间和放松时间大体一样。
第四,对心跳和呼吸都已停止的触电者,如果救护者有两人,可以同时进行口对口人工呼吸和外心脏压挤,效果更好,但两人必须配合默契。
如果救护者只有一人,也可两种方法交替进行。
其作法如下:先用口对15次,再吹气两次,再压挤15次,如此反复进行,直到将人救活或者医生确诊已无法抢救为止。
第五,对小孩,只用一只手的根部加压,并酌情掌握压力的大小,以每分钟100次左无论是实行口对口人工呼吸法或是胸外心脏挤压法,都要不断观察触电者。
电工测量与实验技术实验教案第一章:电工测量基础1.1 测量概述1.1.1 测量的重要性1.1.2 测量的分类1.1.3 测量误差与精度1.2 电工测量仪器仪表1.2.1 电工测量仪器仪表的分类1.2.2 电工测量仪器仪表的使用方法1.2.3 电工测量仪器仪表的维护与保养1.3 测量方法与测量电路1.3.1 测量方法的选择1.3.2 测量电路的设计1.3.3 测量电路的连接与调试第二章:电压与电流的测量2.1 电压测量2.1.1 直流电压测量2.1.2 交流电压测量2.1.3 电压测量的注意事项2.2 电流测量2.2.1 直流电流测量2.2.2 交流电流测量2.3 电压电流测量仪器的选择与使用2.3.1 电压电流测量仪器的选择原则2.3.2 电压电流测量仪器的使用方法2.3.3 电压电流测量仪器的维护与保养第三章:电阻与电感的测量3.1 电阻测量3.1.1 直流电阻测量3.1.2 交流电阻测量3.1.3 电阻测量的注意事项3.2 电感测量3.2.1 直流电感测量3.2.2 交流电感测量3.2.3 电感测量的注意事项3.3 电阻电感测量仪器的选择与使用3.3.1 电阻电感测量仪器的选择原则3.3.2 电阻电感测量仪器的使用方法3.3.3 电阻电感测量仪器的维护与保养第四章:电容与电感的测量4.1 电容测量4.1.1 直流电容测量4.1.2 交流电容测量4.2 电感测量4.2.1 直流电感测量4.2.2 交流电感测量4.2.3 电感测量的注意事项4.3 电容电感测量仪器的选择与使用4.3.1 电容电感测量仪器的选择原则4.3.2 电容电感测量仪器的使用方法4.3.3 电容电感测量仪器的维护与保养第五章:电力系统测量与实验5.1 电力系统概述5.1.1 电力系统的组成5.1.2 电力系统的运行原理5.1.3 电力系统的测量目的与意义5.2 电力系统测量方法与测量仪器5.2.1 电力系统测量方法5.2.2 电力系统测量仪器5.2.3 电力系统测量电路的设计与连接5.3 电力系统实验操作与数据分析5.3.1 电力系统实验操作步骤5.3.2 电力系统实验数据的采集与处理5.3.3 电力系统实验结果的分析与评价第六章:信号发生器与频率测量6.1 信号发生器概述6.1.1 信号发生器的作用6.1.2 信号发生器的分类6.1.3 信号发生器的主要参数6.2 信号发生器的使用与调节6.2.1 信号发生器的使用方法6.2.2 信号发生器的调节技巧6.2.3 信号发生器的维护与保养6.3 频率测量6.3.1 频率测量原理6.3.2 频率测量仪器与设备6.3.3 频率测量的操作步骤与注意事项第七章:相位与波形测量7.1 相位测量7.1.1 相位测量原理7.1.2 相位测量仪器与设备7.1.3 相位测量的操作步骤与注意事项7.2 波形测量7.2.1 波形测量原理7.2.2 波形测量仪器与设备7.2.3 波形测量的操作步骤与注意事项7.3 相位与波形测量的应用实例7.3.1 相位与波形测量在电工测量中的应用7.3.2 相位与波形测量在电力系统中的应用7.3.3 相位与波形测量在通信系统中的应用第八章:电力系统稳定性与控制实验8.1 电力系统稳定性概述8.1.1 电力系统稳定性的定义8.1.2 电力系统稳定性的分类8.1.3 电力系统稳定性的评价指标8.2 电力系统稳定性实验设备与方法8.2.1 电力系统稳定性实验设备8.2.2 电力系统稳定性实验方法8.2.3 电力系统稳定性实验操作步骤8.3 电力系统稳定性控制技术8.3.1 电力系统稳定性控制原理8.3.2 电力系统稳定性控制方法8.3.3 电力系统稳定性控制技术的应用第九章:电力系统保护与自动化实验9.1 电力系统保护概述9.1.1 电力系统保护的作用9.1.2 电力系统保护的分类9.1.3 电力系统保护的原则与要求9.2 电力系统保护装置与实验9.2.1 电力系统保护装置的类型与结构9.2.2 电力系统保护装置的实验方法9.2.3 电力系统保护装置的实验操作步骤9.3 电力系统自动化技术9.3.1 电力系统自动化技术的定义与作用9.3.2 电力系统自动化技术的主要内容9.3.3 电力系统自动化技术的应用实例第十章:实验报告与数据分析10.1.1 实验报告的结构与内容10.2 实验数据的处理与分析10.2.1 实验数据的处理方法10.2.2 实验数据的分析方法10.2.3 实验结果的判断与评价10.3.2 实验中存在的问题与反思10.3.3 实验改进措施与建议重点和难点解析一、电工测量基础中的测量误差与精度,以及电工测量仪器仪表的使用方法与维护保养;二、电压与电流的测量方法,以及测量电路的设计与调试;三、电阻与电感的测量方法,以及测量电路的设计与调试;四、电容与电感的测量方法,以及测量电路的设计与调试;五、电力系统测量与实验中的测量目的与意义,以及电力系统测量电路的设计与连接;六、信号发生器与频率测量的使用方法与调节技巧,以及频率测量的操作步骤与注意事项;七、相位与波形测量的原理,以及相位与波形测量的操作步骤与注意事项;八、电力系统稳定性与控制实验中的电力系统稳定性评价指标,以及电力系统稳定性控制技术的应用;九、电力系统保护与自动化实验中的电力系统保护原则与要求,以及电力系统自动化技术的应用实例;对于每个重点环节的详细补充和说明如下:一、在电工测量基础中,测量误差与精度是重点,因为准确的测量结果是保证实验可靠性的基础。
电工测量与实验技术实验教案1.1 背景介绍1.1.1 电工测量是电工技术领域的基础工作,对保证电气设备的正常运行具有重要意义。
1.1.2 实验技术是电工测量的重要手段,通过实验可以加深对电工测量原理的理解和掌握。
1.1.3 本实验教案旨在通过实践操作,使学生掌握电工测量基本原理和实验技能。
二、知识点讲解2.1 电工测量基本原理2.1.1 测量误差的概念和分类:系统误差、偶然误差和粗大误差。
2.1.2 测量仪器的选用原则:根据测量范围、精度、频率特性和稳定性等因素选择。
2.1.3 测量方法的选择:直接测量、间接测量和对比测量等。
三、教学内容3.1 实验仪器与设备3.1.1 万用表:用于测量电压、电流、电阻等基本电量。
3.1.2 示波器:用于观察信号波形,分析信号特性。
3.1.3 信号发生器:用于产生各种频率和幅值的模拟信号。
四、教学目标4.1 掌握电工测量基本原理和实验仪器的使用方法。
4.2 学会进行基本电量的测量操作,并能分析测量结果。
4.3 培养学生的实验操作能力和实验报告撰写能力。
五、教学难点与重点5.1 难点:测量误差的估计和减小方法,实验数据的处理和分析。
5.2 重点:实验仪器的选用和操作,实验方法的确定和实施。
以上是前五个章节的教案内容,后续章节将包括实验步骤与操作、实验数据处理与分析、实验报告撰写指导、教学评价和教学反思等内容。
希望对您的教学有所帮助。
六、教具与学具准备6.1 教具准备6.1.1 电工测量与实验技术实验所需的仪器和设备:万用表、示波器、信号发生器、实验桌、电源等。
6.1.2 实验指导书和实验讲义,供学生参考和学习。
6.1.3 教学PPT,用于辅助讲解和展示实验原理及操作步骤。
六、教具与学具准备6.2 学具准备6.2.1 学生实验报告模板,用于记录实验数据和结果。
6.2.2 实验数据记录表格,用于整理和分析实验数据。
6.2.3 草稿纸和笔,供学生做笔记和计算使用。
六、教具与学具准备6.3 环境准备6.3.1 实验室安全注意事项的告知,确保学生的安全。
电⼯测量与实验技术实验教案<<电⼯测量与实验技术>>课程教学安排实验内容:实验⼀、电路元件伏安特性的测试实验⼆、叠加定理和替代定实验三、戴维南定理实验四、⽇光灯电路实验五、功率因数的提⾼实验六、⼀阶电路实验七、⼆阶电路实验⼋、R.L.C元件的特性实验九、RLC串联电路实验⼗、均匀传输线仿真线测量实验⼗⼀、单管共射放⼤电路实验⼗⼆、阻容耦合负反馈放⼤器实验⼗三、差动放⼤电路实验⼗四、稳压电源电路实验⼗五、TTL与⾮门电路的测试实验⼗六、集成组合逻辑电路实验⼗七、JK触发器的实验测试实验⼗⼋、计数译码显⽰电路综合实验实验⼗九、555集成电路定时器及应⽤实验⼆⼗、环形振荡器电路评分标准:实验操作 5 0%考核30%实验报告20%本课程的任务和要求通过该门课程的学习,学⽣在实验技能⽅⾯应⽤技术达到下列要求(1)、正确使⽤电流表.万⽤表.功率表及常⽤的⼀些电⼯设备;学会使⽤⽰波器.信号发⽣器,晶体管稳压电源.晶体管毫伏表. (2)、掌握基本的测量技术,如测量电压.电流、功率、频率、相位时间及电路的主要技术指标。
(3)、具有查阅电⼦器件⼿册的能⼒。
(4)、能按电路图连接实验线路和合理布线初步具体分析、寻找和排除常见故障的能⼒。
(5)、具有根据实验任务确定实验⽅案,选择合适元件设计线路的初步能⼒,具有选择常⽤电⼯仪表,设备进⾏实验的能⼒。
(6)、能独⽴写出严谨,有理论分析.事实求是.⽂字通顺的实验报告。
⼀、实验的⼀般过程1、预习2、基本操作程序(1)熟悉设备(2)连接线路(3)检查调整(4)操作记录(5)核对检查(6)注意事项3、报告的编写实验报告⼀般应包括以下主要内容(1)实验⽬的及任务(2)实验电路及使⽤的设备,实验原理及⽅法.(3)实验数据.(4)数据处理.包括整理数据,估计误差,通过计算得到结果,绘制出表⽰实验结果的实验曲线等.(5)结论与分析讨论、包括通过实验得出结论,对实验中发⽣的现象、问题、事故等的分析讨论,实验的收获体会,对改进实验的建议等.4.实验安全注意事项(1).实验中经常要与220V⾄380V的交流电压打交道,如果忽视安全⽤电或粗⼼⼤意.就很容易触电.为确保⾃⾝和他⼈的安全,实验中应做到以下⼏点;a.遵守接线基本规则,先把设备.仪表.电路之间的线接好,经⾃查和互查⽆误后,再接电源线,经⽼师检查允许后,再合闸.拆线顺序为先切断电源和先拆电源线,再拆其它线.b.绝对不能把⼀头已接在电源的导线的另⼀头空甩着.电路其它部分也不能有空甩线头的现象.线接好后,多余的.暂时不⽤的导线都要拿开,放在合适地⽅.C.实验中要多加⼩⼼,⼿和⾝体绝对不能碰任何⾦属部分(包括仪器外壳),养成实验时⼿始终拿绝缘部分的好习惯,同时要绝对克服⼿习惯性的摸这摸那的坏习惯,杜绝将整个⼿都放在测试点上的不良测试⽅法.d.万⼀遇到触电事故,不要慌乱,应迅速断开电原,拉下闸⼑,使触电者尽快脱离电源,然后抓紧时间送医院或请医务⼈员前来珍治.实验⼀、电路元件伏安特性的测定⼀、实验⽬的掌握线性电阻元件、⾮线性电阻元件------半导体⼆级管以及电压源伏安特性的测试技能.1.加深对性电阻元件、⾮线性电阻元件以及电源伏安特性的理解,验证欧姆定律。
第二章电工测量第一节电工测量基本知识授课内容:各种电量或磁量的测量,统称为电工测量,即将被测的电量或磁量,跟作为测量单位的同类标准电量或磁量进行比较,从而确定这个被测量的大小的过程。
一、测量方式分类组合测量:如果被测量有多个,虽然被测量(未知量)与某种中间量存在一定函数关系,但由于函数式有多个未知量,对中间量的一次测量是不可能求得被测量的值。
这时可以通过改变测量条件来获得某些可测量的不同组合,然后测出这些组合的数值,解联立方程求出未知的被测量。
比较测量:比较法是指被测量与已知的同类度量器在比较器上进行比较,从而求得被测量的一种方法。
这种方法用于高准确度的测量。
零位法:被测量与已知量进行比较,使两者之间的差值为零,这种方法称为零位法。
例如电桥、天平、杆秤、检流计偏位发:被测量直接作用于测量机构使指针等偏转或位移以指示被测量大小。
替代法:替代发是将被测量与已知量先后接入同一测量仪器,在不改变仪器的工作状态下,使两次测量仪器的示值相同,则认为被测量等于已知量。
例如曹冲称象。
二、常用电工仪表简介:1、按工作原理分:磁电系、电磁系、电动系、感应系、整流系等;2、按测量对象分:电流表、电压表、功率表、电能表、万用表等;3、按被测量电流的种类分:直流仪表、交流仪表、脚直流两用表等;4、按使用方法分:安装式和便携式;5、按使用条件分:P、S、A、B等。
小结:本节课主要讲解了电工测量的定义、分类及电工仪表的分类,通过本节课程的学习,使学生对电工测量的概念和仪表有了初步的认识。
作业:1、按照工作原理的不同,电工仪表主要分为哪几类?各类仪表的特点是什么?2、什么是电工测量?3、测量方式如何分类?第二节电流表、电压表、万用表授课内容:一、电流表和电压表(1)电流表电流表又称“安培表”,是测量电路中电流大小的工具,主要采用磁电系电表的测量机构。
电流表是根据通电导体在磁场中受磁场力的作用而制成的。
电流表内部有一永磁体,在极间产生磁场,在磁场中有一个线圈,线圈两端各有一个螺旋弹簧,弹簧各连接电流表的一个接线柱,在弹簧与线圈间由一个转轴连接,在转轴相对于电流表的前端,有一个指针。
当有电流通过时,电流沿弹簧、转轴通过磁场,电流切磁感线,所以受磁场力的作用,使线圈发生偏转,带动转轴、指针偏转。
由于磁场力的大小随电流增大而增大,所以就可以通过指针的偏转程度来观察电流的大小。
(2)分类电流表是分为直流电流表和交流电流表。
直流电流表:直流电流表主要采用磁电系电表的测量机构。
一般可直接测量微安或毫安数量级的电流,为测更大的电流,电流表应有并联电阻器(又称分流器交流电流表:交流电流表主要采用电磁系电表、电动系电表和整流式电表的测量机构。
电磁系测量机构的最低量程约为几十毫安,为提高量程,要按比例减少线圈匝数,并加粗导线。
(3)使用步骤1、校零,用平口改锥调整校零按钮。
2、选用量程(用经验估计或采用试触法)二、电压表电压表是测量电压的一种仪器,常用电压表——伏特表符号:V,在灵敏电流计里面有一个永磁体,在电流计的两个接线柱之间串联一个由导线构成的线圈,线圈放置在永磁体的磁场中,并通过传动装置与表的指针相连。
大部分电压表都分为两个量程。
(0—3V)(0—15V),电压表有三个接线柱,一个负接线柱,两个正接线柱,电压表的正极与电路的正极连接,负极与电路的负极连接。
电压表是个相当大的电阻器,理想的认为是断路。
1、分类用于测量直流电压、交流电压的机械式指示电表。
分为直流电压表和交流电压表。
2、直流电压表主要采用磁电系电表和静电系电表的测量机构。
磁电系电压表由小量程的磁电系电流表与串联电阻器(又称分压器)组成,最低量程为十几毫伏。
3、交流电压表主要采用整流式电表、电磁系电表、电动系电表和静电系电表的测量机构。
除静电系电压表外,其他系电压表都是用小量程电流表与分压器串联而成。
4、注意事项使用电压表时应注意以下几点1、测电压时,必须把电压表并联在被测电路的两端;2、“+”“-”接线柱不能接反;3、正确选择量程。
被测电压不要超过电压表的量程使用时接一正一负,并联在电路中。
三、万用表万用表又叫多用表、三用表、复用表,万用表分为指针式万用表和数字万用表引。
是一种多功能、多量程的测量仪表,一般万用表可测量直流电流、直流电压、交流电流、交流电压、电阻和音频电平等,有的还可以测交流电流、电容量、电感量及半导体的一些参数(如β)。
1、结构万用表由表头、测量电路及转换开关等三个主要部分组成2、使用方法(1)熟悉表盘上各符号的意义及各个旋钮和选择开关的主要作用。
(2)进行机械调零。
(3)根据被测量的种类及大小,选择转换开关的挡位及量程,找出对应的刻度线。
(4)选择表笔插孔的位置。
(5)测量电压:(6)测量电流(7)测量电阻3、注意事项1、在测电流、电压时,不能带电换量程2、选择量程时,要先选大的,后选小的,尽量使被测值接近于量程3、测电阻时,不能带电测量。
因为测量电阻时,万用表由内部电池供电,如果带电测量则相当于接入一个额外的电源,可能损坏表头。
4、用毕,应使转换开关在交流电压最大挡位或空挡上。
5、注意在欧姆表改换量程时,需要进行欧姆调零,无需机械调零。
小结:本节课主要讲解了电流表、电压表、万用表,通过本节课程的学习,使学生掌握了以上三种仪表的原理和使用方法。
作业:1、什么是电流表?它的原理是什么?2、什么是电压表?它的原理是什么?3、什么是万用表?它的原理是什么?第三节兆欧表、钳形电流表、电能表授课内容:一、兆欧表兆欧表俗称摇表,兆欧表大多采用手摇发电机供电,故又称摇表。
它的刻度是以兆欧(MΩ)为单位的。
是电工常用的一种测量仪表。
兆欧表主要用来检查电气设备、家用电器或电气线路对地及相间的绝缘电阻,以保证这些设备、电器和线路工作在正常状态,避免发生触电伤亡及设备损坏等事故。
1、工作原理兆欧表通过用一个电压激励被测装置或网络,然后测量激励所产生的电流,利用欧姆定律测量出电阻。
2、兆欧表的使用(1)、选用符合电压等级的兆欧表。
一般情况下,额定电压在500V以下的设备,应选用500V或1000V的摇表;额定电压在500V以上的设备,选用1000V~2500V的摇表。
(2)、只能在设备不带电,也没有感应电的情况下测量。
(3)、测量前应将摇表进行一次开路和短路试验,检查摇表是否良好。
将两连接线开路,摇动手柄,指针应指在“∞”处,再把两连接线短接一下,指针应指在“0”处,符合上述条件者即良好,否则不能使用。
(4)、测量绝缘电阻时,一般只用“L”和“E”端,但在测量电缆对地的绝缘电阻或被测设备的漏电流较严重时,就要使用“G”端,并将“G”端接屏蔽层或外壳。
这样就使得流经绝缘表面的电流不再经过流比计的测量线圈,而是直接流经 G 端构成回路,所以,测得的绝缘电阻只是电缆绝缘的体积电阻。
(5)、线路接好后,可按顺时针方向转动摇把,摇动的速度应由慢而快,当转速达到每分钟120转左右时(ZC-25型),保持匀速转动,并且要边摇边读数,不能停下来读数。
(6)、摇表未停止转动之前或被测设备未放电之前,严禁用手触及。
测量结束时,对于大电容设备要放电。
放电方法是将测量时使用的地线从摇表上取下来与被测设备短接一下即可。
(7)、一般最小刻度为1M欧,测量电阻应大于100K。
(8)、禁止在雷电时或高压设备附近测绝缘电阻,摇测过程中,被测设备上不能有人工作。
此外要定期校验其准确度。
二、钳形电流表定义:将可以开合的磁路套在载有被测电流的导体上测量电流值的仪表1、用途及工作原理通常用普通电流表测量电流时,需要将电路切断停机后才能将电流表接入进行测量,这是很麻烦的,有时正常运行的电动机不允许这样做。
此时,使用钳形电流表就显得方便多了,可以在不切断电路的情况下来测量电流。
其工作原理如下:钳形电流表是由电流互感器和电流表组合而成。
电流互感器的铁心在捏紧扳手时可以张开;被测电流所通过的导线可以不必切断就可穿过铁心张开的缺口,当放开扳手后铁心闭合。
穿过铁心的被测电路导线就成为电流互感器的一次线圈,其中通过电流便在二次线圈中感应出电流。
从而使二次线圈相连接的电流表便有指示-----测出被测线路的电流。
钳形表可以通过转换开关的拨档,改换不同的量程。
但拨档时不允许带电进行操作。
钳形表一般准确度不高,通常为2.5~5级。
为了使用方便,表内还有不同量程的转换开关供测不同等级电流以及测量电压的功能。
2、使用方法用钳形电流表检测电流时,一定要夹住一根被测导线(电线).夹住两根(平行线)则不能检测电流.另外,使用钳形电流表中心(铁心)检测时,检测误差小.在检查家电产品的耗电量时,使用线路分离器比较方便,有的线路分离器可将检测电流放大10倍,因此1A以下的电流可放大后再检测.用直流钳形电流表检测直流电流(DCA)时,如果电流的流向相反,则显示出负数.可使用该功能检测汽车的蓄电池是充电状态还是放电状态.三、电能表电能表,是用来测量电能的仪表,又称电度表,火表,电能表,千瓦小时表,指测量各种电学量的仪表。
1、分类按用途:工业与民用表、电子标准表、最大需量表、复费率表按结构和工作原理:感应式(机械式)、静止式(电子式)、机电一体式(混合式)按接入电源性质:交流表、直流表按准确级:常用普通表:0.2S、0.5S、0.2、0.5、1.0、2.0等标准表:0.01、0.05、0.2、0.5等按安装接线方式:直接接入式、间接接入式按用电设备:单相、三相三线、三相四线电能表2、电能表的工作原理当把电能表接入被测电路时,电流线圈和电压线圈中就有交变电流流过,这两个交变电流分别在它们的铁芯中产生交变的磁通;交变磁通穿过铝盘,在铝盘中感应出涡流;涡流又在磁场中受到力的作用,从而使铝盘得到转矩(主动力矩)而转动。
负载消耗的功率越大,通过电流线圈的电流越大,铝盘中感应出的涡流也越大,使铝盘转动的力矩就越大。
即转矩的大小跟负载消耗的功率成正比。
功率越大,转矩也越大,铝盘转动也就越快。
铝盘转动时,又受到永久磁铁产生的制动力矩的作用,制动力矩与主动力矩方向相反;制动力矩的大小与铝盘的转速成正比,铝盘转动得越快,制动力矩也越大。
当主动力矩与制动力矩达到暂时平衡时,铝盘将匀速转动。
负载所消耗的电能与铝盘的转数成正比。
铝盘转动时,带动计数器,把所消耗的电能指示出来。
这就是电能表工作的简单过程。
使用电能表时要注意,在低电压(不超过500伏)和小电流(几十安)的情况下,电能表可直接接入电路进行测量。
在高电压或大电流的情况下,电能表不能直接接入线路,需配合电压互感器或电流互感器使用。
对于直接接入线路的电能表,要根据负载电压和电流选择合适规格的,使电能表的额定电压和额定电流,等于或稍大于负载的电压或电流。
另外,负载的用电量要在电能表额定值的10%以上,否则计量不准。