土方开挖检验批质量验收记录GB50202-2002
- 格式:xls
- 大小:49.50 KB
- 文档页数:1
土方开挖检验批容量怎么填
检验批容量的填写:根据GB50202-2002《建筑地基基础工程施工质量验收》第6.1.4条规定,检查点为每100~400M2取1点,但不应少于10点;长度、宽度和边坡均为每20M取1点,每边不应少于1点。
这一规范要求样本容量中应该体系该验收范围内的基本工程量,因这检查项目里面涉及到面积跟变边长两单位,在做资料时可以填写具体的长度数量+宽度数量+面积的形式来体现,如:长100m,宽80m,计8000m2的模式。
最小抽样数量及实际抽样数量的填写:
根据这一规范要求,可以得出该检验批表格中1项目、3项目各最小抽样数量为10点,实际抽样数量为8000/400=20点;2项目的最小抽样数量为2长、2宽各一点,合计4点,实际抽样数量为100/20*2+80/20*2=18。
土方开挖隐蔽工程检查验收记录编号:01—17/(02—08)□-□-□
土方开挖隐蔽工程检查验收记录编号:01—17/(02—08)□-□-□
检查验收意见
符合要求
施工单位
项目专业质量检查员(签
名):
项目专业技术负责人(签
名)
年月日
专业监理工程师:
(建设单位项目专业技术
负责人):
年月日
土方开挖隐蔽工程检查验收记录编号:01—17/(02—08)□-□-□
检查验收意见
符合要求
施工单位
项目专业质量检查员(签
名):
项目专业技术负责人(签
名)
年月日
专业监理工程师:
(建设单位项目专业技术
负责人):
年月日
土方开挖隐蔽工程检查验收记录编号:01—17/(02—08)□-□-□
检查验收意见
符合要求
施工单位
项目专业质量检查员(签
名):
项目专业技术负责人(签
名)
年月日
专业监理工程师:
(建设单位项目专业技术
负责人):
年月日。
土方开挖工程检验批质量验收记录(GB50202-2002)表6.2.4编号:010101□□□土方开挖工程检验批质量验收记录(GB50202-2002)表6.2.4编号:010101土方开挖工程检验批质量验收记录(GB50202-2002)表6.2.4编号:010101土方开挖工程检验批质量验收记录(GB50202-2002)表6.2.4编号:010101土方开挖工程检验批质量验收记录(GB50202-2002)表6.2.4编号:010101土方回填工程检验批质量验收记录(GB50202-2002)表6.3.4编号:010102土方回填工程检验批质量验收记录(GB50202-2002)表6.3.4编号:010102钢及混凝土支撑系统检验批质量验收记录(GB50202-2002)表7.5.6编号:010207灰土地基检验批质量验收记录(GB50202-2002)表4.2.4 编号:010301土方开挖工程检验批质量验收记录(GB50202-2002)表6.2.4编号:010101砂和砂石地基检验批质量验收记录(GB50202-2002)表4.3.4编号:010302□□□砂和砂石地基检验批质量验收记录(GB50202-2002)表4.3.4编号:010302□□□土工合成材料地基检验批质量验收记录(GB50202-2002)表4.4.4编号:010303□□□粉煤灰地基检验批质量验收记录(GB50202-2002)表4.5.4编号:010304□□□(GB50202-2002)表4.6.4编号:010305□□□(GB50202-2002)表4.15.4编号:010307□□□注浆地基检验批质量验收记录(GB50202-2002)表4.7.4编号:010311□□□水泥粉煤灰碎石桩复合地基检验批质量验收记录(GB50202-2002)表4.13.4 编号:010312□□□夯实水泥土桩复合地基检验批质量验收记录(GB50202-2002)表4.14.4编号:010313□□□水泥土搅拌桩地基检验批质量验收记录(GB50202-2002)表4.11 编号:010314□□□混凝土灌注桩钢筋笼检验批质量验收记录(GB50202-2002)表5.6.4-1编号:010405□□□(1)混凝土灌注桩检验批质量验收记录(GB50202-2002)表5.6.4-2编号:010405□□□(2)防水混凝土工程检验批质量验收记录(GB50208-2002)表4.1 编号:010501□□□水泥砂浆防水层工程检验批质量验收记录(GB50208-2002)表4.2 编号:010502□□□涂料防水层检验批质量验收记录(GB50208-2002)表4.4 编号:010504□□□卷材防水层检验批质量验收记录(GB50208-2002)表4.3 编号:010503□□□金属板防水层检验批质量验收记录(GB50208-2002)表4.6 编号:010506□□□细部构造检验批质量验收记录(GB50208-2002)表4.7 编号:010507□□□先张法预应力管桩检验批质量验收记录(GB50202-2002)表5.3编号:010402□□□钢筋混凝土预制桩检验批质量验收记录(GB50202-2002)表5.4.5编号:010403□□□锚杆静力压桩及静力压桩检验批质量验收记录(GB50202-2002)表5.2.5编号:010401□□□静力压桩检验批质量验收记录(GB50202-2002)表5.2.5编号:010401□□□混凝土灌注桩钢筋笼检验批质量验收记录(GB50202-2002)表5.6.4-1编号:010405□□□(1)混凝土灌注桩检验批质量验收记录(GB50202-2002)表5.6.4-2编号:010405□□□(2)。
根据基本方案,基本类型可确定为:天然地基+独立地基。
1-15轴长=55800+950+850+650+925轴上+工作面宽度300+300+垫宽100+100=59975mm≈60m(1/0a)艺龙网宽=34000轴+轴1125+950+工作面宽度300+300, 100+100=座侧比基础长100±100=36875毫米37米宽。
面积≈60*37≈2220平方米三个。
摘自《建筑地基基础工程施工质量验收规范》(GB 50202-2002)主要控制项目:1立面图。
基坑开挖后的高度是指基坑开挖后的高度。
检查测量记录。
每100-400m2检查1分,但不少于10分。
2长度和宽度。
它是指底座的宽度和长度。
用经纬仪、钢尺等测量,检查测量记录。
长度、宽度、坡度每20m设1点,每边不少于1点。
三个。
斜坡。
满足设计要求。
按6.2.3进行观察或检查,或用斜尺检查。
只有斜坡不能陡。
长度、宽度、坡度每20m取1点,每边不少于1点。
最好结合原始坡度记录计算测量值,因为每个测量点的数据不可能相同。
常规项目:1表面平整度。
主要指底座,用2m靠尺、2m靠尺、楔形塞尺检查。
每100-400m2检查1分,但不少于10分。
2基本土壤性质。
满足设计要求。
为进行观测或土样分析,施工单位通常组织施工单位、勘察单位、设计单位、监理单位和施工单位的项目负责人或技术质量负责人共同对沟渠进行检查,并形成验沟记录。
每100-400m2检查1分,但不少于10分。
上例中的原始值由软件自动生成。
实际施工中的原始记录应为实测值(边坡验收记录也应为实测值)。
健康安全环境【关爱生命专注健康安全环境知识分享】
健康安全环境【关爱生命只做健康安全环境知识分享】
房建国标质量检验表
土方开挖工程检验批
质量验收记录表
底页
健康安全环境【关爱生命 只做健康安全环境知识分享】
房建国标质量检验表
房建国标质量检验表
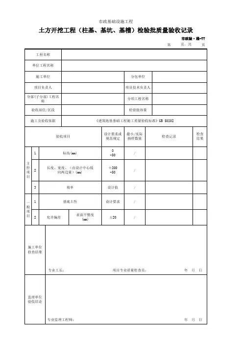
土方开挖工程检验批质量验收记录表
GB50202-2002
单位(子单位)工程名称 分部(子分部)工程名称 验收部位 施工单位 项目经理 分包单位
分包项目经理
施工执行标准名称及编号
施工质量验收规范的规定
施工单位检查 评定记录
监理(建设)单位验收记录
项目
允许偏差或允许值(mm )
柱基
基坑
基槽 挖方场 地平整 管沟 地
(路
)面
基层
人工 机械
主控项目
1 标高 -50
±30
±50
-50
-50
2 长度、宽度 (由设计中心)线向两边量)
+200 -50
+300 -100
+500 -150
+100
—
3 边坡 设计要求
一
般项
目
1 表面平整度 20
20
50
20
20
2 基底土性
设计要求
施工单位检查评定结果
专业工长(施工员)
施工班组长
项目专业质量检查员: 年 月 日
监理(建设)单位验收结论
专业监理工程师:
(建设单位项目专业技术负责人): 年 月 日。
土方回填工程检验批质量验收记录表GB50202-2002010102土方回填是一个综合性项目,使用哪一项时,在哪一项打“V”注明。
或在表名土方回填前加上xx 土方回填,更清楚。
主控项目:1. 检查数量:柱基按总数抽查10%但不少于5个,每个不少于2点;基抗每20m2取1点,每坑不少于2点;基槽、管沟、排水沟、路面基层每20m取1点,但不少于5点;地面基层每30〜50m2取1点,但不少于5点;场地平整每100〜400m取1点,但不少于10点。
检验方法:用水准仪测量回填后的表面标高,检查测量记录。
2. 检查数量:柱基抽查总数的10%但不少于5个;基槽和管沟回填,每层按长度20〜50m取样1组,但不少于1组;基坑和室内填土,每层按100〜500mm2取样1组,但不少于1组;场地平整填方,每层按400〜900m2取样1组,但不少于1组。
检验方法:按规定或环刀法取样测试,不满足要求应随时返工。
检查测试记录。
注:灌砂或灌水法的取样数量可较环刀法适当减少。
一般项目:1. 检查数量:全数检查。
检验方法:取样检验或直观鉴别。
检查施工记录和试验报告。
2. 检查数量同主控项目2。
检验方法:分层厚度及含水量:符合设计要求。
如设计无规定应符合规范表 6.3.3的规定。
用水准仪检查分层厚度。
取样检测含水量。
检查施工记录和试验报告。
3.检查数量:每30〜50m2取1点检查表面平整度。
检验方法:用水准仪和靠尺检查。
土方回填前清除基底的垃圾、树根等杂物,去除积水、淤泥,验收基底标高。
如在耕植土或松土上填方,应在基底压实后再进行。
填方土料按设计要求验收。
填方施工中检查排水措施,每层填筑厚度、含水量控制、压实程度。