audio测试方法总结
- 格式:pdf
- 大小:1.95 MB
- 文档页数:9
音频指标简介及测试原理方法音频指标测试均是针对有输入和输出的设备而言,就是声音信号经过了一个通道以后,输出与输入之间的差别。
两者差别越小那末性能越好,而且在普通情况下声音经过某一个通道或者某一系统后,普通都有对原信号的放大和衰减。
信噪比、失真率、频率响应这三个指标是音响器材的“基础指标”或者“基本特性”,我们在评价一件音响器材或者一个系统水准之前,必须先要考核这三项指标,这三项指标中的任何一项不合格,都说明该器材或者系统存在着比较重大的缺陷1、信噪比 SNR(Signal to Noise Ratio):(1) 简单定义:狭义来讲是指放大器的输出信号的电压与同时输出的噪声电压的比,常常用分贝数表示,设备的信噪比越高表明它产生的杂音越少。
普通来说,信噪比越大,说明混在信号里的噪声越小,声音回放的音质量越高,否则相反。
信噪比普通不应该低于70dB,高保真音箱的信噪比应达到110dB以上。
音频信噪比是指資响设备播放时, 正常声音信号强度与噪声信号强度的比值dB,其计算方法是10LG(PS/PN),其中Ps 和Pn 分别代表信号和噪声的有效功率,也 可以换算成电压幅值的比率关系: 20LG (VS/VN), Vs 和Vn 分别代表信号和噪 声电压的“有效值” O (3)测量方法:信噪比通常不是直接进行测量的,而是通过测量噪声信号 的幅度换算出来的,通常的方法是:给 放大器一个标准信号,通常是0. 775Vrms 或者 2Vp-p@lkHz,调整放大器 的放大倍数使其达到最大不失真输出 功率或者幅度(失真的范围由厂家决定, 通常是10%,也有1%),记下此时放 大器的输出幅Vs,然后撤除输入信号, 测量此时浮现在输出端的噪声电压,记(2)计算方法:信噪比的计量单位是 1=31为Vn,再根据SNR=20LG(Vn/Vs)就可以计算出信噪比了.或者是10LG(PS/PN), 其中Ps和Pn分别代表信号和噪声的有效功率计权:这样的测量方式彻底可以体现设备的性能了。
音响功放测试方法Audio Amplifier Test Method說明:1.测试交流电源(Test AC Power Supply):A.中国(China): AC 220V+/- 2% 50Hz+/-2%。
B.美国(United States of America): AC120V+/- 2% 60Hz+/-2%。
C.英国(Britain): AC 240V+/- 2% 50Hz+/-2%。
D.欧洲(Europe): AC 230V+/- 2% 50Hz+/-2%。
E.日本(Japan): AC 100V+/- 2% 60Hz+/-2%。
F.墨西哥(Mexico): AC 127V+/-2% 60Hz+/-2%。
2.测试温度条件(Test Temperature Conditions): 25℃+/- 2℃。
3.测试以右声道为准(Standard Test Use Right Channel)。
4.信号由AUX插座输入(Signal From AUX Jack Input)。
5.测试以音量最大,音调和平衡在中央位置(电子音调在正常状态)。
(Test Volume Setup Max,Equalizer And Balance Setup Center)。
6.标准輸出(Standard Output):A.输入1 KHz频率信号(Input 1 KHz Frequency Signal)。
B.左右声道输入信号测试右声道(L & R Input Signal Test Use R Channel)。
C.额定输出功率満(Rating Output Power Full)10 W,标准输出定为1 W。
(Rating Output Power Full 10 W,Standard Output Setup1 W)。
D.额定输出功率1 W到10 W,标准输出定为500 mW。
(Rating Output Power 1 W To 10 W,Standard Output Setup500 mW)。
音频测试个人总结范文1. 背景介绍音频测试是一种常见的测试方法,用于检测音频设备的性能和音频信号的质量。
在实际的应用场景中,音频测试主要用于评估音频设备的频率响应、失真程度、信噪比、动态范围等指标,以及检测音频信号的清晰度、平衡性、延迟等特性。
2. 测试方法音频测试通常分为实验室环境下的实验室测试和实际场景下的现场测试两种形式。
实验室测试主要是在受控的环境中进行,可以更加精确地评估音频设备的性能指标。
而现场测试则侧重于检测音频设备在实际使用环境下的表现,例如音乐会场馆、演播室等。
无论是实验室测试还是现场测试,都需要使用专业的音频测试仪器来进行,如信号发生器、频谱分析仪、失真分析仪等。
3. 测试指标音频测试中常用的指标主要包括以下几个方面:3.1 频率响应频率响应是评估音频设备的基本指标之一。
它反映了音频设备在不同频率下的输出能力,通常用频率特性曲线来表示。
频率响应的平坦度越好,说明音频设备在不同频率下的输出能力越均衡。
3.2 失真程度失真是音频设备输出信号中和原始信号不同的部分,通常是由于非线性元件或处理过程中的非线性引起的。
常见的失真包括谐波失真、交调失真、互调失真等。
通过失真分析仪可以测量并评估不同类型的失真程度。
3.3 信噪比信噪比是用来评估音频设备输出信号中有用信号和噪声之间的比例。
信噪比越高,说明音频设备输出信号中的有用信号越明显,噪声干扰越小。
3.4 动态范围动态范围是指音频设备能够输出的最大和最小音频信号幅度之间的差值。
动态范围越大,意味着音频设备能够处理更广泛的信号强度范围。
3.5 清晰度与延迟清晰度是指音频信号的清晰程度和分辨率,通常用信噪比和失真程度来评估。
而延迟是音频信号从源端传输到目标端所需要的时间。
清晰度和延迟对于一些特定的应用场景,如语音通信和音视频同步,非常重要。
4. 测试经验在进行音频测试时,有一些经验和技巧可以帮助提高测试的准确性和效率。
首先,测试前需要明确测试的目的和要求,以及所需的测试设备和测试参数。
一二NOTE:TxPGA 是影响SLR(发送响度)的参数;RxPGA 是影响RLR(接收响度)的参数;SidePGA 是影响STMR(侧音掩蔽)的参数;SLR RLR STMR他们的测试值越大,则实际的声音响度越小;SLR RLR STMR测试值偏大时,可提高TxPGA ,RxPGA, SidePGA,即可降低SLR RLR STMR测试值,即提高实际声音的响度;同时SD(发送失真)与TxPGA和MIC灵敏度有关:一般来说,TxPGA越大,SD越差;MIC灵敏度越高,SD越差;AUDIO DEBUG 流程:1.ME做结构期间(出MOCK UP 之前), 需要做各个部门的REVIEW (ME, HW, SOURCING等相关部门都会参加), 会议上需要对与AUDIO性能有关的结构设计做CHECK,目的是避免后期开模后出现重大缺陷,而此时修改会浪费很多人力,物力,DELAY整个项目的进度,这一步骤非常重要,一定要坚持执行,尽量避免之后的重大修改。
REVIEW 中AUDIO需要CHECK的有:(1) RECEIVER的音腔设计(包括前音腔与后音腔密封性),尤其是前音腔的密封直接影响到之后测试的频响曲线。
(2) SPEAKER的音腔设计(包括前音腔与后音腔密封性),这两者都非常重要,直接影响到之后铃声的响度和音质(3) RECEIVER/SPEAKER的出音孔面积(4) 向ME推荐较好的RECEIVER/SPEAKER/MICROPHONE的VENDOR这里很多涉及的是经验问题,是从之前项目已发现的问题中汲取的教训,具体的可以参考“音腔设计需要注意的问题”。
2. MOCK UP回来之后,需要做开模前的预测,目的也是避免后期开模后出现重大缺陷,此期间ME 也会召集开第二次REVIEW,这样在MOCK UP中发现的问题可以及时反馈给ME,协助其修改模具。
这之前需要向ME了解具体要用的元件及型号,并多准备些同型号的其他VENDOR的产品,以便测试的时候替换,选择最理想的VENDOR,其他合格的也可以提供给给SOURCING做SECOND SOURCE用。
Audio 测试测试目的:保证手机的功耗正常并符合标准;测试标准:GSM 11.10,YD/T 1215-2002,YD/T 720-1998;测试条件:温度:+ 15 C ~+ 35 C湿度:20%~75%气压:86~106kPa电源:3.8V DC, 2Amp测试仪器:CMU200/ Agilent 8960,PC,DC电源,万用表,测试卡,Link Cable,数据线,R&S UPL,B&K人工耳,人工嘴及测试台座,B&K 麦克风输,无响室(箱)。
1.1 接收灵敏度/频率响应1.数量:2pcs以上;2.定义:指接收灵敏度/频率响应是指以仿真耳处的输出声压与以PCM比特流表示的数字声频接口(DAI)处的输入电平之比,以dB值表示;3.测试方法:a.将手机装在LRGP中,耳承应密合于仿真耳的刃形边缘上;b.手机的DAI连接SS,操作模式为“音响设备及A/D、D/A的测试”;c. SS通过DAI给手机发送一个相当于-16dBmO纯单音的PCM比特流;d.在100Hz~4000Hz频段内,用1/12倍频间隔进行测试;e.在各个频率,测仿真耳中(耳参考点-ERP)的声压。
4.测试指标:接收灵敏度/频率响应应在表5给定的限制范围内,在对数(频率)/线性(dB 灵敏度)坐标上,对下表中的间断点之间画直线得到一个范围。
“*”的极限处于间断点之间所画的直线上:表6 接收灵敏度/频率响应1.2 发送灵敏度/频率响应1.数量:2pcs以上;2.定义:发送灵敏度/频率响应是指输入测试单音频时,PCM比特流在数字声频接口(DAI)处的输出电平和在仿真嘴处输入声压之比,以dB值来表示;3.测试方法:a.手机装在LRGP中(见原CCITT建议P.76的附录上I)耳承密合于仿真耳的刃形边缘上(见原CCITT建议P.51);b.用仿真嘴在嘴参考点(MRP)送一个声压为-4.7dBPo的纯单音;c.手机的DAI连接SS,操作模式为“音响设备及A/D、D/A的测试”;d.在100Hz~4000Hz频段内,用1/12倍频间隔进行测试;e.在各个频率,测DAI处PCM比特流代表的输出电平。
纯音扬声器测试系统一个现代化先进测试系统的主要特点是速度快,操作简单,可重现与自动化。
纯音扬声器测试系统完全符合这些特点。
包含了百分之百与人耳相关的独特异音检测分析功能,以客观、可靠与可重复的客观分析取代了传统主观的人耳听音检测。
纯音扬声器测试系统是基于 RT -2M 快速音频分析仪,和以计算机为平台运作的 RT -Speaker 扬声器测试软件构成。
它是用于元件单体,半成品组装加工或成品测试的最佳测试系统。
主要特色• 速度快典型的测试周期时间为 1.5 - 2.5 秒。
• 精确RT -2M 快速音频分析仪基于可靠的科学技术,提供精确与一致的测试结果。
• 异音检测功能独特与优越的异音检测功能,百分之百与人耳相关,以客观的检测取代了传统主观的听音测试。
• 噪声排除采用特殊技术,即使在有噪声的生产环境下仍有良好的性能。
• 自动化产线自动化支持PLC 接口、条码或数据记录(例如 Cpk,Ppk )。
•产品多通道操作能不经人工操作,依顺序自动完成两个或多个待测产品的扬声器测试。
介绍电声换能器在生产时不可避免会有较高的不良率,因此在生产音频相关产品时,越早的阶段筛选出不良的电声换能器,可以提高成品总良率与降低报废材料,同时优化生产产品的品质。
RT-2M快速音频分析仪与 RT-Speaker 生产测试软件,完全符合产品品质控制与生产快速测试要求的纯音扬声器测试系统。
RT-2M 快速双通道音频分析仪测试功能:• 频率响应• 声压级 dBSPL• 完全与人耳相关一致的异音分析• 阻抗响应与共振频率• 失真,总谐波失真THD, THD+N, 2nd 到 5th 谐波失真(D2,D3,D4,D5), 3rd到 5th 谐波失真 (D3+D4+D5)• 扬声器极性• Thiele/Small 参数• 直流电阻纯音检测能检测出扬声器受话器等电声换能器,任何生产制程瑕疵所造成的异音,例如漏气,音圈不正,擦圈,松散微粒,碰线等等 ...简单与直观的操作纯音扬声器测试系统可以在数分钟以内设置组建完成。
Audio测试面试知识在进行音频测试面试之前,我们需要了解一些关于音频测试的基础知识。
本文将介绍音频测试的一些重要概念和常见问题,帮助你准备面试。
1. 音频测试的定义和重要性音频测试是指对音频信号进行测量和分析的过程。
在电子产品开发和生产过程中,音频测试是非常重要的环节。
通过音频测试,我们可以评估产品的音质、功耗、频率响应、失真程度等关键指标,确保产品达到设计要求,并提供良好的音频体验。
2. 音频测试的基本步骤音频测试通常包括以下几个基本步骤:2.1 信号发生与采集在音频测试中,我们需要先生成一个已知的音频信号,并将其输入待测设备。
常用的信号发生方式包括使用信号发生器、音频文件播放等。
同时,我们也需要采集待测设备输出的音频信号,以便后续的分析和测量。
2.2 音频测量与分析音频测量与分析是音频测试的核心环节。
常见的音频测试项目包括频率响应、失真测量、信噪比测量等。
在进行测量时,我们需要使用专业的仪器设备,如频谱分析仪、失真分析仪等。
2.3 结果评估与报告根据音频测试结果,我们可以对待测设备的音质和性能进行评估,并生成相应的测试报告。
测试报告通常包括测试数据、图表和结论,用于指导产品的改进和优化。
3. 常见的音频测试问题在音频测试面试中,面试官可能会提问以下一些常见问题:3.1 什么是频率响应?频率响应指的是设备在不同频率下对声音的处理能力。
频率响应通常以频率-增益曲线的形式展示,用于评估设备对不同频率声音的放大或衰减情况。
3.2 如何测量音频失真?音频失真是指在信号传输或放大过程中,原始信号被改变或损坏的程度。
常见的音频失真类型包括谐波失真、交调失真等。
测量音频失真可以使用失真分析仪等专业设备。
3.3 什么是信噪比?信噪比是衡量信号质量的重要指标。
它表示有用信号的强度与噪声的强度之比。
通常使用分贝(dB)作为单位表示。
3.4 如何判断音频设备的音质?音质是衡量音频设备性能的重要指标。
判断音质可以通过主观评价和客观测量相结合的方法。
1,Echo 问题
1)电路问题:连线有没有错,地线是否接好,地线若浮空,则会出现天线效应,人说
话时,天线发送的语音信号被浮空地接受产生随语音信号波动的信号,与之参考的
音频信号回声增大。
2)软件调试问题,按照供方调整的参数验证。
2,SLR&RLR测试项Fail
1)相干涉的功能是否关闭(beam-forming AEN ANC),因为这些功能把比如人工嘴发送
的语音(是否为单音)信号,当作噪声先做衰减,使测试失败。
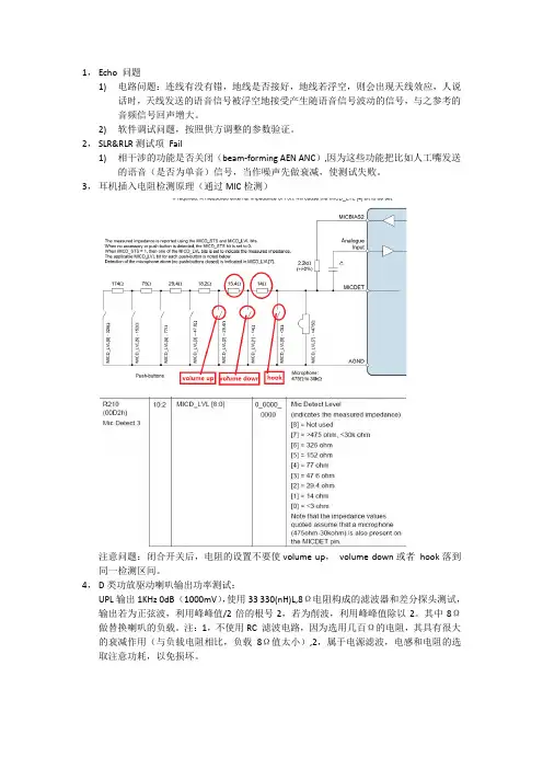
3,耳机插入电阻检测原理(通过MIC检测)
注意问题:闭合开关后,电阻的设置不要使volume up,volume down或者hook落到同一检测区间。
4,D类功放驱动喇叭输出功率测试:
UPL输出1KHz 0dB (1000mV),使用33 330(nH)L,8Ω电阻构成的滤波器和差分探头测试,输出若为正弦波,利用峰峰值/2倍的根号2,若为削波,利用峰峰值除以2。
其中8Ω做替换喇叭的负载。
注:1,不使用RC 滤波电路,因为选用几百Ω的电阻,其具有很大的衰减作用(与负载电阻相比,负载8Ω值太小),2,属于电源滤波,电感和电阻的选取注意功耗,以免损坏。
音频产品测试方法1.音质测试:音质是指声音的质量和纯度。
通过主观评估和客观测量来测试音频产品的音质,包括频率响应、失真、动态范围、声音定位等方面。
常见的客观测量方法包括频率响应测试、失真测试和信噪比测试。
2.性能测试:性能测试主要包括功率输出、音量范围、频率响应、谐波失真等方面。
通过对音频产品进行测试,确保其在各种工作条件下的性能稳定性和可靠性。
3.功能测试:功能测试主要针对音频产品的各项功能进行测试,包括蓝牙连接、输入输出接口、音量控制等。
通过模拟各种使用场景,测试音频产品的功能是否正常、易用性是否符合用户期望。
4.耐久性测试:耐久性测试是为了评估音频产品的使用寿命和稳定性。
通过模拟长时间使用、频繁插拔和承受外力等情况,测试音频产品在各种极端环境下的表现。
5.电磁兼容性测试:音频产品通常会受到电磁干扰的影响,影响其正常工作和音质表现。
电磁兼容性测试主要包括辐射测量、电磁兼容性等方面,确保音频产品在无线电频率范围内的正常工作。
6.用户体验测试:用户体验测试主要是通过用户参与,评估音频产品在实际使用中的舒适度、方便性和用户友好性。
通过用户调查问卷、实际观察等方法,收集用户反馈和建议,优化产品设计和功能。
为了完成这些测试,需要使用一些专业的测试设备和软件,如声音分析仪、信号发生器、频谱分析仪等。
此外,测试环境也非常重要,确保在无干扰的环境下进行测试,以取得准确的测试结果。
综上所述,音频产品测试方法包括音质测试、性能测试、功能测试、耐久性测试、电磁兼容性测试和用户体验测试。
通过这些测试方法,可以全面评估音频产品的性能和功能是否符合预期要求,确保产品质量和用户体验的提升。
汽车音响指标测试方法车载音响指标测试方法GENERAL OUTPUT POWER CONNECTOR1. BACKUP B+ -------------- YELLOW WIRE 黄色2.ACC (IGN) -------------- RED WIRE 红色3.GND(GROUND) -------------- BLACK WIRE 黑色4. RR + (REAR RIGHT) -------- VIOLET 灰色5. RR – (REAR RIGHT) -----------VIOLET/BLACK 灰黑6. RL+ (REAR LEFT) ------------GREEN7. RL- (REAR LEFT) -------------GREEN /BLACK8. FR+ (FRONT RIGHT) -----------GRAY9. FR- (FRONT RIGHT) -----------GRAY/BLACK10.FL+ (FRONT LEFT) ------------WHITE 白色11.FL- (FRONT LEFT) ------------WHITE/BLACK 白黑12.PHONE MUTE ------------------PINK13.AUTO ANTENNA ----------------BLUE 兰色14.DIMMER ----------------------ORANGE 橙色15.FRONT LINE OUT (RCA)---------BLACK R- CH RED L-CH WHITE16.REAR LINE OUT (RCA)----------GRAY R- CH RED L-CH WHITEAM测试(AM SECTION)1. MODULATION: 30%.(测试条件无明确规定时适用).2. 频率:AF= 400HZ3. 标准输出: 1 W - 4 0hm LOAD 2V 输出.4. 电源电压: 14.4 V5. SSG 输出单位: dB/uV EMF6. DUMMY ANT - ** 读 SSG 的 DISPLAY 值减去–6dB 后的值.7. TREBLE/BASS/BALANCE/FADER/EQ - CENTER.8. LOUDNESS - OFF.测试仪器1. SSG= STANDARD SIGNAL GENERATOR 标准信号发生器2. SSVM=STANDARD SIGNAL VOLT METER 标准信号电压表3. AG=AUDIO GENETATOR 音频信号发生器一:中频测试 (INTERMEDIATE FREQUDNCY)1. SET(CAR AUDIO UNIT)频率设置为 600khz.2. SSG:RF=450khz OUT LEVEL=100dB.3. 调整SSG 的频率使 SSVM LEVEL最大为止.4. 当SSVM LEVEL 最大时,读取SSG 显示频率。
音频测试报告
报告编号:AT-2022-AUDIO-001
报告日期:2022年7月20日
测试单位:XXX科技有限公司
测试地点:XXXX测试室
测试仪器:CH1数字万用表、CH2电子负载、CH3频谱分析仪测试标准:GB/T 28879-2012《声学-音频电子设备的技术要求》
测试项目:
1. 频率响应
2. 音频失真度
3. 信噪比
4. 通道分离度
测试结果:
1. 频率响应
经测试,该音频设备的频率响应范围为20Hz~20kHz,相对响
应误差不超过±1dB,在整个频率范围内表现稳定。
2. 音频失真度
采用正弦波的方式进行测试,测试结果显示该设备的音频失真
度为0.05%。
3. 信噪比
测试结果显示,该音频设备的信噪比为120dB,符合标准要求。
4.通道分离度
经过测试,该音频设备的通道分离度在50Hz~15kHz的频率范围内,高于标准要求的60dB。
结论:
根据本次测试结果,可以确认该音频设备完全符合GB/T 28879-2012《声学-音频电子设备的技术要求》中的相关要求,并且表现良好。
该报告可能帮助机构或个人确定所测试的设备是否符合标准要求,有助于消费者进行理性购买决策。
9-1 测试工程:不失真输出功率(THD=10%)
一. 测试意义:测扩大器输出达10%时输出功率
二.测试仪器接线图:
三.测试方法:
1.待测机器(放大器)调至于标准动作状态
2.信号产生器输出频率为1KHZ,(超低音为100MHZ)输出电压为最大,左右声道同时输入信号.
3.调整衰减器,使机器(嗾大器)输出达失真10%(即失真仪上的失真指标读数为10%,并失真仪上产频率文件为
1KHZ,调TUNING FREQ 微调,使HIGH、LOW两指未灯都不亮),记录电子电压表〔2〕上,电压依P=E2/R 公式换算出功率,单位为W〔瓦特〕
核准: 审核: 制定:王红英
核准: 审核: 制定:王红英
核准: 审核: 制定:王红英。
1.放音质量测试目的:测试耳机、扬声器的相关指标输出参数是否符合标准测试条件:1、所有指标均在稳态(背光关闭、无操作20秒后)下测量, 测试文件为48KS/s_16bit_PCM_wav格式(从测试工具中生成,点击所需要测试的指标,然后保存即可)2、声压级测试条件:●消音室环境●扬声器与声压仪水平距离30cm,垂直距离0cm●用扬声器以最大音量播放2kHz正弦波测试方法:●消音室环境●扬声器与声压仪水平距离30cm,垂直距离0cm●用扬声器以最大音量播放2kHz正弦波期望结果:扬声器输出其它测试项:对扬声器的稳定性测试:用cool edit制作一段白噪、粉噪声音文件放在设备中播放12小时、24小时,再次验证扬声器振膜是否有衰老,对比第一次的测试结果声音效果测试:用不同的音乐分别测试扬声器的高、中、低频段最大音量播放时的声音效果(用试音音频文件:)2.测试工具介绍:RightMark Audio Analyzer 6.2 (此软件是一款声卡等音频设备的评测软件,功能相当全面,比如:频率响应、噪声水平、动态范围、总谐波失真、立体声分离度以及互调失真等指标它均可测定。
测定出的数据以曲线图表显示,非常直观,支持生成网页形式的评测结果,便于对比查看和保存。
)3.关键词解释:3.1Frequency Response频率响应(FR:Frequency Response):频率响应是指将一个以电压输出的音频信号,产生的声压随频率的变化而发生增大或衰减、相位随频率而发生变化的现象,这种声压和相位与频率的相关联的变化关系称为频率响应。
简单理解,频率响应,反应播放设备的各个频率的声音信号的信号相对大小是否保持面貌理想情况下,频响曲线应是一条直线。
好的频响曲线在每隔一个频率点都能输出稳定足够的信号,不同频率点彼此之间的信号大小均一样,然而在低频与高频部分信号的重建比较困难,所以这两个频段都会出现衰减现象。
输出品质越好的频响曲线就越平直,反之不但在高频和低频处衰减的很快,一般频段也可能出现抖动现象。
一二
NOTE:
TxPGA 是影响SLR(发送响度)的参数;
RxPGA 是影响RLR(接收响度)的参数;
SidePGA 是影响STMR(侧音掩蔽)的参数;
SLR RLR STMR他们的测试值越大,则实际的声音响度越小;
SLR RLR STMR测试值偏大时,可提高TxPGA ,RxPGA, SidePGA,即可降低SLR RLR STMR测试值,即提高实际声音的响度;
同时SD(发送失真)与TxPGA和MIC灵敏度有关:
一般来说,TxPGA越大,SD越差;
MIC灵敏度越高,SD越差;
AUDIO DEBUG 流程:
1.ME做结构期间(出MOCK UP 之前), 需要做各个部门的REVIEW (ME, HW, SOURCING等相关部门都会参
加), 会议上需要对与AUDIO性能有关的结构设计做CHECK,目的是避免后期开模后出现重大缺陷,而此时修改会浪费很多人力,物力,DELAY整个项目的进度,这一步骤非常重要,一定要坚持执行,尽量避免之后的重大修改。
REVIEW 中AUDIO需要CHECK的有:
(1) RECEIVER的音腔设计(包括前音腔与后音腔密封性),尤其是前音腔的密封直接影响到之后测试的频响曲线。
(2) SPEAKER的音腔设计(包括前音腔与后音腔密封性),这两者都非常重要,直接影响到之后铃声的响度和音质
(3) RECEIVER/SPEAKER的出音孔面积
(4) 向ME推荐较好的RECEIVER/SPEAKER/MICROPHONE的VENDOR
这里很多涉及的是经验问题,是从之前项目已发现的问题中汲取的教训,具体的可以参考“音腔设计需要注意的问题”。
2. MOCK UP回来之后,需要做开模前的预测,目的也是避免后期开模后出现重大缺陷,此期间ME 也会召集开第二次REVIEW,这样在MOCK UP中发现的问题可以及时反馈给ME,协助其修改模具。
这之前需要向ME了解具体要用的元件及型号,并多准备些同型号的其他VENDOR的产品,以便测试的时候替换,选择最理想的VENDOR,其他合格的也可以提供给给SOURCING做SECOND SOURCE用。
具体要预测的内容可以参考“MOCK UP 预测”。
3. PR1,PR2这些机子回来后也都需要做一系列的测试
其中包括CTA 测试,SPEAKER测试,EARPHONE测试,具体内容参考对应的文档:“CTA 测试”,“SPEAKER 测试”,“EARPHONE测试”。
如果有问题,需要及时出ICN 来修正。
4. RELEASE AUDIO SETTING,一般PR1后就应该发送给软件一版参数,之后如有修改也都要及时同时SW。
一般来说同一平台的项目,如果使用的声学元件一样,音腔设计类似,可以使用相同的AUDIO SETTING,但是不同平台的就需要重新调整。
具体内容可以参考“音频参数设置”
样品保存和记录:
各家的RECEIVER/SPEAKER/MIC 样品都要分别保存,对其测试结果也要留记录,这样可以帮助ME直接选取同型号中较可靠的VENDOR。
之前的记录可以参考“产品性能记录”。