供应商现场考察评价标准
- 格式:docx
- 大小:33.15 KB
- 文档页数:12
附件2:一级采购物资供应商现场考察方案模板2013年集团公司仪器接插件供应商现场考察方案综合考察□专项考察□中国石油仪器接插件供应商现场考察组2013年12月12日一、综述主要概述考察项目技术特点及用途、考察重点内容、考察目的和意义等。
二、基本情况(一)考察对象统计分析供应商总体资源状况,列出进行现场考察供应商目录。
若供应商数量较多,应制定整体工作规划,分批次列出进行现场考察供应商目录。
(二)考察内容企业基本概况、主要生产设备和检验设备配备、专业技术水平和研发能力、生产经营情况和主要业绩、质量控制、主要原材料和配套产品供应渠道、物流配送和售后服务等。
(三)考察组成员现场考察组成员列表。
包括姓名、工作单位、学历、职务、职称等内容。
(四)日程安排现场考察日程安排表。
一般情况下对每个企业的考察时间不少于两个工作日。
(五)考察组成员遵守工作守则承诺书(见附件)考察组成员签认遵守工作守则承诺书,保证认真履行工作职责,严守工作纪律。
三、考察评审方法(一)文件审核1、企业资质情况。
企业经营、质量、HSE等体系认证以及其他生产经营许可资质等。
2、企业组织机构。
3、专业技术人员情况。
企业相关专业技术人员信息表。
主要包括:技术研发、检验检测及设备运行等关键岗位人员的技能或资质要求、人员配备、证书等级、工作年限、技能培训等内容。
4、企业基本情况。
主要包括经营业务范围、生产能力、销售业绩、主要客户、财务状况、商业信用等级等。
5、企业产品情况。
企业被考察产品信息表。
主要包括:产品名称、规格型号、技术特点、年生产能力、质量标准、试验或检测方法等内容。
6、企业生产设备、检测设备配备情况。
主要生产设备和检测设备信息表。
主要包括设备名称、规格型号、数量、制造商、购进时间、主要技术特点、运行状况等。
7、企业原材料及配套产品外购情况。
企业原材料及配套产品外购信息列表。
主要包括:外购品种、供货厂家及认证情况、入厂检验方式及频次等内容。
供应商评价标准一、引言。
供应商是企业发展中不可或缺的重要合作伙伴,其产品和服务质量直接关系到企业的生产效率和产品质量。
因此,建立科学、合理的供应商评价体系对于企业的发展至关重要。
本文将围绕供应商评价标准展开讨论,旨在为企业建立起一套完善的供应商评价体系提供参考。
二、供应商资质。
首先,供应商评价的一个重要标准就是其资质。
这包括了供应商的注册资质、生产能力、质量管理体系认证等方面。
企业需要对供应商的资质进行全面的审核,确保其具备合法的经营资格和生产能力。
三、产品质量。
其次,产品质量是供应商评价的关键指标之一。
企业需要对供应商的产品进行严格的抽检和测试,确保产品符合企业的质量要求。
只有产品质量得到保证,企业才能放心地采购供应商的产品。
四、交货能力。
除了产品质量,供应商的交货能力也是企业关注的重点。
供应商需要能够按时、按量地交付产品,确保企业的生产计划不受影响。
因此,企业需要对供应商的交货能力进行评估,以确保供应链的稳定性。
五、售后服务。
最后,供应商的售后服务也是企业考量的重要因素。
供应商需要能够及时响应企业的问题和需求,提供有效的解决方案。
良好的售后服务能够提升企业的生产效率和客户满意度,因此企业需要对供应商的售后服务能力进行评价。
六、结语。
综上所述,供应商评价标准涉及到供应商的资质、产品质量、交货能力和售后服务等多个方面。
企业需要建立起一套科学、合理的供应商评价体系,对供应商进行全面、客观的评估,以确保企业的采购和生产活动顺利进行。
希望本文所述内容能够为企业建立供应商评价体系提供一定的参考和帮助。
精心整理供应商评分标准一、工程类供应商评分标准(一)施工进度(20分)1、进度计划(10分):能够按照合同约定或甲方指令满足施工进度的,得10分;未按合同约定及甲方指令进行施工的,延误一次扣1分,扣完10分为止。
2、甲方指令(5分):能够根据甲方要求及时调整工期,不延误施工进度的,得5分;出现因施工单位未及时调整工期造成工期延误的,一次扣1分,扣完5分为止。
3、交叉施工(5分):交叉施工过程中,因推诿扯皮造成自身他方工期延误的,一次扣1分,扣完5分为止。
(二)施工质量(15分)1、质量合格(15分):按照合同约定未出现质量问题,达到施工质量要求并验收合格的,得15分;出现重大质量问题造成返工或者影响使用功能的,一次扣5分,扣完15分为止。
2、质量较合格(10分):按照合同约定未出现质量问题并验收合格,有部分瑕疵、不影响使用功能的,得10分。
3、质量不合格(0分):未按照合同约定的施工质量要求进行施工,验收不合格的,得0分。
(三)安全文明(10分)1、安全事故(4分):施工过程中未出现安全事故的,得4分;出现安全事故,未造成人员伤亡、财产损失的,一次扣1分;出现一次重大财产损失或人员伤亡的,此项不得分。
2、成品保护(2分):注重施工过程中的成品保护,得2分;对他人成品造成破坏的,一处扣1分,扣完2分为止。
3、乙供材料(2分):乙供材料符合甲方要求品牌,得2分;发现不符合甲方要求,一次扣1分,扣完2分为止。
4、甲供材管理(2分):甲供材的现场堆放与管理合理,得2分;未进行材料分类保护,一处扣1分,扣完2分为止。
(四)管理与配合(25分)1、百日会战配合到位(15分):a是否按时参加甲方例会(5分),缺勤一次扣0.5分;b服从甲方指令(10分)。
2、合理经济签证(10分):a提报时间、内容合理,无夸大成分得10分;b提报有夸大成分但无恶意成分,得5分;c签证恶意多报,得0分。
3、加分项:设计变更(+10分):施工过程中提出合理化施工建议,节约甲方成本或者提前工期的,此项合理加分,最高得10分。
供应商评估考核标准一、引言供应商评估考核标准是企业管理供应链的重要环节,通过制定明确的评估标准,企业可以对供应商进行全面、客观、公正的评价,确保供应商的质量、交货期、价格、服务等方面满足企业要求,从而实现企业与供应商的长期合作和共同发展。
二、评估考核标准1. 质量标准质量是供应商评估考核的核心标准。
企业应要求供应商提供高质量的产品或服务,确保产品符合国家标准、行业标准和企业要求。
同时,企业应对供应商的质量管理体系进行审核,确保其具备有效的质量控制和检验手段。
2. 交货期标准交货期是评估供应商履约能力的重要指标。
企业应要求供应商按照合同约定的交货期准时交货,确保生产进度不受影响。
对于因供应商原因导致的交货延误,企业应采取相应的惩罚措施。
3. 价格标准价格是评估供应商成本控制能力和市场竞争力的重要指标。
企业应要求供应商提供合理的价格,确保采购成本在可控范围内。
同时,企业应对供应商的成本结构进行分析,评估其成本控制能力和降价潜力。
4. 服务标准服务是评估供应商综合素质的重要指标。
企业应要求供应商提供优质的售前、售中和售后服务,确保在使用过程中遇到的问题能够得到及时解决。
同时,企业应对供应商的服务态度和服务质量进行评估,确保其具备良好的服务意识和能力。
5. 合作意愿与态度标准合作意愿与态度是评估供应商合作潜力的重要指标。
企业应要求供应商具备积极的合作态度和意愿,能够主动沟通、解决问题并不断改进。
同时,企业应对供应商的信誉和口碑进行评估,确保其具备良好的商业道德和诚信意识。
三、评估考核方法1. 定期评估企业应定期对供应商进行评估考核,确保供应商始终保持良好的合作状态。
评估周期可根据实际情况进行设定,如每季度、每半年或每年进行一次评估。
2. 实地考察实地考察是评估供应商真实情况的重要手段。
企业应定期对供应商的生产现场、质量管理体系、研发能力等进行实地考察,确保供应商具备满足企业要求的能力和条件。
3. 数据分析数据分析是评估供应商绩效和潜力的重要手段。
供应商评价标准表供应商或外包方的初步评估评分标准表如下:序号资质证照评价内容1 资质证照齐全有效,并通过质量、环境和职业健康三体系认证。
有基本证照和质量认证,但缺乏环境和职业健康认证。
有基本证照,但缺乏质量、环境和职业健康认证。
只有营业执照、税务登记证,没有其他任何证照。
2 取得ISO9000质量认证,产品或服务在同行业中处于领先地位,有完整的质检体系,无产品质量或服务质量的不良记录。
取得ISO9000质量认证,产品或服务在同行业中处于中间地位,有相对完善的质检体系,偶尔有产品质量或服务质量的不良记录。
或质量未取得ISO9000质量认证,但产品或服务在同行业中处于中上水平,有完整的质检体系,无产品质量或服务质量的不良记录。
未取得ISO9000质量认证,产品或服务在同行业中处于中下水平,产品或服务质量没有保证。
3 同类、同质产品或服务中,价格最低报价处于中间水平价格较高4 生产技术在同行业中处于领先地位,且有名优产品和专业技术,装置先进,专业技术队伍素质优秀,构成合理,生产规模和供货能力都能满足公司的要求。
生产技术在同行业中处于中上水平,且有独特的生产工艺和专有技术,装置先进,专业技术人员的构成合理,生产规模和供货能力都能满足公司的要求。
生产技术在同行业中处于中下水平,没有独特的生产工艺和专有技术,装置不先进,专业技术人员的构成不合理,生产规模和供货能力不能满足公司的要求。
5 所提供的产品或服务符合国家相关环保要求和职业健康要求。
所提供的产品或服务不符合国家相关环保要求和职业健康要求。
取得ISO环境认证和iso9000认证的供应商或外包方。
6 与5家以上国内大中型客户有过交易记录,且与国际厂商有来往。
与3家以上国内大中型客户有过交易记录。
只与1家以下国内大中型客户有过交易记录。
评分分值如下:序号评分分值1 10分 5~9分 3~5分 1~3分2 25~30分 20~25分 15~24分 10~19分~9分3 5分 3~4分 1~3分4 20~25分 10~20分~9分5 5分 3分6 5分 3~4分 1~3分这是供应商或外包方的初步评估评分标准表。
供应商评价标准与评分供应商评价是企业评估及管理供应商的有效方法,是企业及时盘活分析供应商情况、发现供应商存在的问题及管理风险的重要过程。
作为企业实施供应商评价的基本依据、建立科学的标准及评分为企业管理供应商提供了重要的依据。
一、供应商评价的标准1、供应商的技术能力:供应商应具备充足的技术能力,以满足企业对质量、技术、售后服务等方面的要求,可以采取实地考察、参观、技术文档等方式来检查供应商的技术水平。
2、按时供货:供应商应按照订购时间准确、及时地供货,同时应表现出对顾客的关怀,确保客户的产品到货时间以及到货率。
3、完善的售后服务:供应商必须建立完善的售后服务体系,保证产品在使用过程中不出现任何质量问题,及时排查产品中出现的缺陷。
4、经济实力:供应商应具备良好的经济实力,以便及时提供优质的产品和服务,供应商在经济实力方面可以通过其财务报表等记录来检查。
5、工作态度:供应商在接到企业订单时应及时反馈,并保证在短时间内可以满足客户的要求,这也表现出供应商的工作态度以及效率。
6、质量保证:供应商应认真遵守相关的质量规范,对符合质量标准的产品应进行按时准确的交付,而对不符合质量标准的产品应及时更换,保证企业的质量管理。
二、供应商评分1、技术能力:根据供应商技术实力和设备技术水平评定,可以设定30分(满分),0-10分(较低),10-20分(中等),20-30分(较高)。
2、按时供货:根据客户订购需求,评定供应商及时供货率,可以设定30分(满分),0-10分(较低),10-20分(中等),20-30分(较高)。
3、售后服务:评定供应商售后服务水平,可以设定30分(满分),0-10分(较低),10-20分(中等),20-30分(较高)。
4、经济实力:根据供应商的经济实力,可以设定30分(满分),0-10分(较低),10-20分(中等),20-30分(较高)。
5、工作态度:根据供应商接到订单后及时反馈的情况,可以设定30分(满分),0-10分(较低),10-20分(中等),20-30分(较高)。
供应商考核初评评分标准表供应商:考核时间:
注:85分以上为合格供应商
合格供应商考核评分表
供应商:考核时间:
供应商考核等级划分
分数应用:
1、70分为及格分,质量考核得分<70分的供应商,评为D档,直接纳入黑名单,中止合同,实施供货递补程序;
2、质量考核得分70~80分的供应商,评为C档,公司将约谈供应商,扣减供货份额30-50%,由其余供应商均分扣减份额;
3、质量考核得分81~94分的供应商,评为B档,公司将按原有份额要求供应商供货;
4、质量考核得分95~100分的供应商,评为A档,公司将优先定为下个评价周期内的份额分配供应商,优先享有其他供应商扣减份额及份额增加政策。
5、供应商在与本公司合作过程中因严重违反合同约定及本公司管理规定,或出现重大产品质量事故、重大投诉曝光、对本公司造成恶劣影响等直接一票否决,中止合同。
6、单月中扣分超过20分的供应商,实施约谈,并要求限期整改,如未按要求整改的,直接冻结份额。
7、如有供应商出现以下情形的,纳入黑名单管理,取消其1至3年内的合作资格。
1)供应商违反廉政规定,按照公司相关规定处理执行;
2)接到有关单位通报,供应商存在严重质量问题、不诚信经营等问题;
3)接到上级主管部门公文,明确要求暂停、终止与供应商的合作;
4) 属于已经处于黑名单的企业法人名下及其亲属名下的企业。
(5)发电机季度保养记录表
(6)项目用电统计及分析表
统计:审核:设备卡。
供应商评分标准一、工程类供应商评分标准一施工进度20分1、进度计划10分:能够按照合同约定或甲方指令满足施工进度的,得10分;未按合同约定及甲方指令进行施工的,延误一次扣1分,扣完10分为止;2、甲方指令5分:能够根据甲方要求及时调整工期,不延误施工进度的,得5分;出现因施工单位未及时调整工期造成工期延误的,一次扣1分,扣完5分为止;3、交叉施工5分:交叉施工过程中,因推诿扯皮造成自身他方工期延误的,一次扣1分,扣完5分为止;二施工质量15分1、质量合格15分:按照合同约定未出现质量问题,达到施工质量要求并验收合格的,得15分;出现重大质量问题造成返工或者影响使用功能的,一次扣5分,扣完15分为止;2、质量较合格10分:按照合同约定未出现质量问题并验收合格,有部分瑕疵、不影响使用功能的,得10分;3、质量不合格0分:未按照合同约定的施工质量要求进行施工,验收不合格的,得0分;三安全文明10分1、安全事故4分:施工过程中未出现安全事故的,得4分;出现安全事故,未造成人员伤亡、财产损失的,一次扣1分;出现一次重大财产损失或人员伤亡的,此项不得分;2、成品保护2分:注重施工过程中的成品保护,得2分;对他人成品造成破坏的,一处扣1分,扣完2分为止;3、乙供材料2分:乙供材料符合甲方要求品牌,得2分;发现不符合甲方要求,一次扣1分,扣完2分为止;4、甲供材管理2分:甲供材的现场堆放与管理合理,得2分;未进行材料分类保护,一处扣1分,扣完2分为止;四管理与配合25分1、百日会战配合到位15分:a是否按时参加甲方例会5分,缺勤一次扣分;b服从甲方指令10分;2、合理经济签证10分:a提报时间、内容合理,无夸大成分得10分;b提报有夸大成分但无恶意成分,得5分;c签证恶意多报,得0分;3、加分项:设计变更+10分:施工过程中提出合理化施工建议,节约甲方成本或者提前工期的,此项合理加分,最高得10分;五其他维修及整改10分1、细部检查出现的问题能够及时、按要求整改到位的,得5分;其他酌情打分;2、延期执行甲方维修要求的,一次扣1分,扣完5分为止;六评价人自由打分20分:打分需配有理由可列条描述;最后打分人汇总出此次总得分即可;供应合作单位履约评审表材料设备类合作单位评分供应合作单位履约评审表。
供应商评估标准一、引言供应商评估是为了确保与供应商合作的稳定性和可靠性,以提高采购过程的效率和质量。
本文将介绍供应商评估的标准和流程,以确保选择到合适的供应商。
二、评估标准1. 供应商信誉度评估- 供应商的注册资金和经营年限- 供应商的企业规模和市场地位- 供应商的合作火伴和客户评价- 供应商的财务状况和信用记录2. 供应商能力评估- 供应商的生产能力和设备状况- 供应商的技术实力和研发能力- 供应商的质量控制体系和认证情况- 供应商的交货能力和供应链管理3. 供应商服务评估- 供应商的售前和售后服务能力- 供应商的客户投诉处理能力- 供应商的紧急情况响应能力- 供应商的合作态度和沟通能力4. 供应商价格评估- 供应商的价格水平和市场竞争力- 供应商的价格稳定性和灵便性- 供应商的付款条件和发票管理- 供应商的报价透明度和合理性三、评估流程1. 采集供应商信息- 通过市场调研和网络搜索,采集潜在供应商的基本信息- 与相关部门和同行业企业进行交流,获取供应商的口碑和信誉评价2. 初步筛选供应商- 根据评估标准,对采集到的供应商进行初步筛选- 排除不符合要求或者不可靠的供应商,留下潜在合作火伴3. 实地考察和面谈- 安排实地考察,了解供应商的生产设备和生产能力- 进行面谈,了解供应商的管理团队和技术实力4. 综合评估和打分- 根据实地考察和面谈的结果,综合评估供应商的能力和服务水平 - 对供应商进行打分,以便后续比较和选择5. 风险评估和控制- 对供应商的财务状况和信用记录进行风险评估- 制定相应的风险控制措施,确保供应商合作的安全性6. 决策和选择- 根据综合评估结果和风险评估,做出最终的供应商选择决策- 与选定的供应商进行合同谈判和签订四、总结供应商评估是一个复杂而重要的过程,通过制定明确的评估标准和流程,可以提高供应商选择的准确性和效率。
评估过程中,需要充分考虑供应商的信誉度、能力、服务和价格等方面,以确保与供应商的合作能够顺利进行。
水表供应商考核评分表考核项目考核内容满分考核标准考核部门得分质量(80分)入库验收质量251、当月到货抽检合格率不达标,一次扣5分,换货后重新扩大比例抽检,1个月内出现2个及以上批次不合格的,扣25分。
2、合格标准:到货首检合格率100%3、计算公式:到货首检合格率=(首检合格表数/抽样水表数)*100%4、最低标准:到货抽检合格率95%,低于最低标准线的,直接停止供货;主控部门安装监督质量151、出现验收合格率不达标的(因水表质量不合格),1次扣3分,1个季度出现2次及以上不达标的,扣6分;2、对于远传水表,当月首抄合格率不为100%但在达标线以内的,1次扣2分,1个季度出现2次及以上不达标的,扣9分;3、计算公式:1)验收合格率=(验收抄读成功表数/当月验收水表数)*100%;2)首抄合格率=(首抄成功表数/当月首次抄读水表数)*100%;4、合格标准:验收合格率100%、首抄合格率99%;4、最低标准:验收合格率95%、首抄合格率98%,低于最低标准线的,直接停止供货;主控部门运行过程质量30 1、用户投诉、媒体曝光、且已证实的在线水表质量严重问题并引起恶劣影响,包括外观、密封性和计量准确度三方面的问题,出现一起扣10分/起,实施约谈,出现3起以上,直接终止合同;2、当月出现0<在线故障率≤0.1%的,1次扣1分,在线故障率>0.1%,但达标的扣3分,当月不达标的扣10分,1个季度2次不达标的扣30分;3、针对远传水表,当月出现抽检抄读差错率>0%,但在达标线以内的扣3分,当月不达标的扣10分,1个季度2次不达标的扣30分。
4、计算公式:1)在线故障率=(故障水表数/当月所抄水表数)*100%;2)抽检抄读差错率=(抄读差错水表数/当月抽检水表数)*100%,注:抽检数>1500只。
5、合格标准:在线故障率(一次抄读故障率)<0.5%,抄读差错率<0.15%6、最低标准:在线故障率(一次抄读故障率)1%,抄读差错率1%,低于最低标准线的,直接停止供货;7、对于周转周期内的远传水表,在线故障率为一次抄读故障率和抄读差错率,对于超过周转周期的远传水表、普通机械水表,在线故障现象指抽检、投诉、抄表中发现的示值误差、外观、耐压等各类不符合国家产品标准说明中主控部门抽检结果10 1、1个季度内出现1次抽检在线水表(示值误差、耐压、远传等项目)不达标的,扣5分,重新进行扩大复检,仍然不合格的,扣10分。
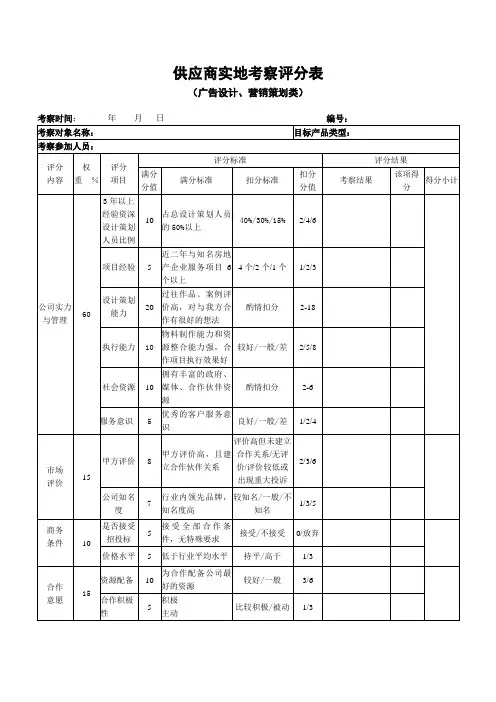
国外供应商现场考察标准国外供应商现场考察是一个非常重要的环节,它可以帮助我们对供应商的能力、质量标准、经营管理、环境保护等多个方面进行全面的了解和评估。
以下是一些常见的国外供应商现场考察标准:1.厂房设备和环境:首先考察供应商的厂房设备和环境是否符合国际的生产标准。
这包括厂房的面积、清洁度、通风情况、消防设施等。
2.生产能力和制造工艺:考察供应商的生产能力和制造工艺,包括设备的先进性、技术人员的专业水平、生产线的效率等。
这可以确保供应商能够按照我们的需求进行生产,并保证产品的质量。
3.质量控制体系:供应商的质量控制体系是一个非常重要的考察点。
我们需要了解供应商是否有完善的质量控制体系和相关认证,如ISO9001质量管理体系认证。
同时,我们也需要参观供应商的质检部门和实验室,检查其质量控制过程和测试设备。
4.产品质量和安全:考察供应商的产品质量和安全措施非常重要。
我们需要查看供应商的产品样本,并对其进行严格的质量检查。
同时,我们还需要了解供应商的产品安全措施,如是否有符合国际标准的安全认证和测试报告。
5.供应商的信誉和资质认证:我们需要了解供应商的信誉和资质认证情况。
这包括供应商的经营年限、行业口碑、客户评价等。
同时,供应商的资质认证情况也是一个重要考察点,如ISO14001环境管理体系认证、ISO45001职业健康安全管理体系认证等。
6.供应商的采购和供应链管理:我们需要了解供应商的采购管理和供应链管理能力。
这包括供应商采购的原材料来源、供应链的可靠性、供应商与上下游供应商的合作关系等。
这可以确保供应商能够及时、稳定地提供所需的原材料和产品。
7.企业社会责任:考察供应商的企业社会责任,如员工福利、劳动条件、环境保护等。
我们需要了解供应商的社会责任政策和实践,如是否遵守当地法律法规、是否有环保措施等。
以上是一些常见的国外供应商现场考察标准,通过对供应商的现场考察,可以更全面地评估供应商的能力和质量标准,从而做出明智的供应商选择。