引水隧洞灌浆单元划分一览表
- 格式:xls
- 大小:94.00 KB
- 文档页数:10
临沧市云县xxx二级水电站引水系统、厂房建筑及金属结构安装工程(合同编号: LCXH/(xxx二级)102-12/2013-ZT/JA])引水隧洞灌浆施工方案xxx水利水电工程有限公司xxx水电站工程项目经理部二〇一五年五月审查:校核:编制:目录1. 工程概况 (1)2. 隧洞灌浆要求 (1)2.1. 非压力钢管段 (1)2.1.1. 喷砼段固结灌浆 (2)2.1.2. 衬砌段固结灌浆 (2)2.1.3. 回填灌浆 (2)2.1.4. 检查孔 (2)2.2. 压力钢管段 (2)2.2.1. 回填灌浆 (2)2.2.2. 固结灌浆 (3)2.2.3. 接触灌浆 (3)2.2.4. 检查孔 (3)3. 施工布置 (3)3.1. 施工用风 (3)3.2. 施工用水 (3)3.3. 施工用电 (4)3.4. 灌浆作业平台 (4)3.5. 水泥浆制、供浆系统布置 (4)3.6. 通讯 (5)3.7. 排污 (5)4. 主要施工方案 (5)4.1. 施工程序 (5)4.2. 造孔 (5)4.3. 洗孔 (5)4.4. 压水试验 (5)4.5. 灌浆 (6)4.6. 灌浆记录仪 (6)4.7. 灌浆材料 (6)4.8. 变形观测 (7)5. 回填灌浆施工 (7)5.1. 回填灌浆施工程序 (7)5.2. 钻孔定位 (7)5.3. 造孔 (8)5.3.1. 灌浆孔基本技术参数 (8)5.3.2. 造孔顺序 (8)5.4. 埋管 (8)5.5. 灌浆 (8)5.5.1. 灌浆材料 (9)5.5.2. 设备 (9)5.5.3. 制浆 (9)5.5.4. 灌浆方法 (9)5.5.5. 灌浆顺序 (9)5.5.6. 灌浆压力 (9)5.5.7. 浆液水灰比 (9)5.5.8. 灌浆结束条件 (10)5.5.9. 灌浆注意事项 (10)5.6. 封孔 (10)5.7. 灌浆质量检查 (10)6. 固结灌浆施工 (10)6.1. 固结灌浆工艺流程 (10)6.2. 单元划分 (11)6.3. 灌浆孔布置 (11)6.4. 测放孔位 (11)6.5. 造孔 (11)6.5.1. 引水隧洞固结灌浆孔基本技术参数 (11)6.5.2. 造孔设备 (11)6.5.3. 造孔顺序 (11)6.5.4. 钻孔段长划分 (11)6.5.5. 造孔注意事项 (12)6.6. 埋管 (12)6.7. 洗孔 (12)6.8. 压水试验 (12)6.9. 灌浆 (13)6.9.1. 灌浆材料 (13)6.9.2. 设备 (13)6.9.3. 制浆 (13)6.9.4. 灌浆方法 (14)6.9.5. 灌浆顺序 (14)6.9.6. 灌浆压力 (14)6.9.7. 浆液水灰比及浆液变换。
水电站引水隧洞工程钻孔灌浆工程施工方案1.1概述本标段灌浆工程共分回填灌浆、固结灌浆、接触灌浆三种型式,分别分布于前坪施工支洞、下洋施工支洞及引水隧洞(7÷200-12+100段)等工程部位,其主要工程量如下表:1.2灌浆有关参数本标段共由两工支洞,分别是前坪施工支洞、下洋施工支洞,主洞及施工支洞其灌浆有关参数如下表:前坪支洞灌浆参数表表5-2引水隧洞段)灌浆参数表表5-41.3施工布置说明临时设施由整个标段统一考虑,不单设。
施工所用的风、水、电等附属设施均采用引水隧洞设立的系统由于灌浆工作面较分散,故采用现场制浆灌注方式。
1.4施工方法1.4.1回填灌浆(1)灌浆管埋设灌浆管埋设与钢筋绑扎等同时进行,埋设时须将两端管口封堵以免灰浆进入,并按设计位置固定牢固。
除设计灌浆孔以外,在局部超挖较大的部位,按现场情况适当增加灌浆孔。
(2)钻孔碎拆模后,按设计位置找出灌浆管位置,利用钻孔台车做为作业平台,人工使用YT-27手风钻按设计位置、角度将灌浆管打通并钻入岩石IOcm,手风钻使用由48mm钻头,钻孔直径Φ50mmo 钻孔作业时,按技术规范要求加装降躁音装置,并通水降尘。
(3)灌浆:回填灌浆采用分序加密的方式进行,灌浆孔分为两序,采用填压式灌注法施工,灌浆设备单工作面选用BW250/50灌浆泵1台,高速搅拌槽1台,其性能见下表所列。
灌浆设备性能表表5-5回填灌浆的压力和浆液水灰比按施工图纸的要求或监理工程师的指示执行。
I序孔灌注水灰比为0.6(或0.5):1的水泥浆,II序孔灌注采用1:1和0.6(或0.5):1两个级[配的水泥浆。
空隙大的部位灌注水泥砂浆,但掺砂量应不大于泥重量的200%。
回填灌浆在规定的压力下,灌浆孔停止吸浆,再继续灌注5min后即可结束。
因回填灌浆管兼做固结灌浆管,所以回填灌浆结束后孔内不封堵,只将孔口用棉纱堵住即可。
对于因局部超挖而增加的回填灌浆管,灌浆结束后清除孔内积水和污物,用浓浆将全孔封堵密实并抹平,露出衬砌碎表面的埋管须割除,并用砂浆抹平。
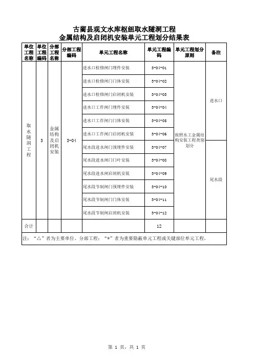
水利水电工程施工质量检验与评定规程SL 176—20073项目划分3.1 项目名称3.1.1各类水利工程项目划分示例见表1水利水电枢纽工程项目划分表,表2堤防工程项目划分表,表3引水(渠道)工程项目划分表。
表1 水利水电枢纽工程项目划分表表2 堤防工程项目划分表表3 引水(渠道)工程项目划分表续)3.2 项目划分原则3.2.1本条是进行项目划分的基本原则。
条文中的工程结构特点指建筑物的结构特点,如混凝土重力坝,可按坝段进行项目划分,土石坝则应按防渗体、坝壳及排水堆石体等进行项目划分。
施工部署指施工组织设计中对各建筑物施工时期的安排。
同时,还应遵守有利于施工质量管理的原则。
3.2.2单位工程项目划分,在满足3.2.1条规定的前提下,本条对枢纽工程、堤防工程、引水(渠道)工程的单位工程项目划分原则做了如条文所述规定。
引水(渠道)工程级别按GB50288--99规定执行。
除险加固工程因险情不同,其除险加固内容和工程量也相差很大,应按实际情况进行项目划分。
加固工程量大时,以同一招标标段中的每座独立建筑物的加固项目为一个单位工程,当加固工程量不大时,也可将一个施工单位承担完成的几个建筑物的加固项目划分为一个单位工程。
3.2.3条文中的“工程量不宜相差太大”指同种类分部工程(如几个混凝土分部工程)的工程量差值不超过50%,“投资不相差太大”指不同种类分部工程(如混凝土分部工程、砌石分部工程、闸门及启闭机安装分部工程……)的投资差值不宜超过一倍。
对除险加固工程可根据整治内容,按本条规定的原则进行分部工程的划分。
3.2.4《单元工程评定标准》对水利水电枢纽工程及堤防工程中常见单元工程如何划分都有规定,《单元工程评定标准》中未涉及的单元工程,应按本条规定进行划分。
目前水利行业尚无引水(渠道)工程的单元工程质量评定标准,本条提出了其单元工程划分原则,并在3.1.1条文说明中列出了项目划分表。
3.3项目划分程序3.3.3工程施工过程中,由于设计变更、施工部署的重新调整等诸多因素,需要对工程开工初期批准的项目划分进行调整。
水利水电工程施工质量检验与评定规程SL 176-20073项目划分3。
1 项目名称3。
1.1各类水利工程项目划分示例见表1水利水电枢纽工程项目划分表,表2堤防工程项目划分表,表3引水(渠道)工程项目划分表.表1 水利水电枢纽工程项目划分表表2堤防工程项目划分表表3引水(渠道)工程项目划分表3.2 项目划分原则3。
2。
1本条是进行项目划分的基本原则.条文中的工程结构特点指建筑物的结构特点,如混凝土重力坝,可按坝段进行项目划分,土石坝则应按防渗体、坝壳及排水堆石体等进行项目划分。
施工部署指施工组织设计中对各建筑物施工时期的安排。
同时,还应遵守有利于施工质量管理的原则。
3。
2。
2单位工程项目划分,在满足3.2.1条规定的前提下,本条对枢纽工程、堤防工程、引水(渠道)工程的单位工程项目划分原则做了如条文所述规定。
引水(渠道)工程级别按GB50288--99规定执行。
除险加固工程因险情不同,其除险加固内容和工程量也相差很大,应按实际情况进行项目划分.加固工程量大时,以同一招标标段中的每座独立建筑物的加固项目为一个单位工程,当加固工程量不大时,也可将一个施工单位承担完成的几个建筑物的加固项目划分为一个单位工程。
3。
2.3条文中的“工程量不宜相差太大"指同种类分部工程(如几个混凝土分部工程)的工程量差值不超过50%,“投资不相差太大"指不同种类分部工程(如混凝土分部工程、砌石分部工程、闸门及启闭机安装分部工程……)的投资差值不宜超过一倍。
对除险加固工程可根据整治内容,按本条规定的原则进行分部工程的划分。
3.2.4《单元工程评定标准》对水利水电枢纽工程及堤防工程中常见单元工程如何划分都有规定,《单元工程评定标准》中未涉及的单元工程,应按本条规定进行划分。
目前水利行业尚无引水(渠道)工程的单元工程质量评定标准,本条提出了其单元工程划分原则,并在3。
1。
1条文说明中列出了项目划分表。
3。
3项目划分程序3。
水利工程单元工程划分标准一、砼预制块护坡工程1、砼预制块制作每100m3划分为一个单元工程 并进行一次质量评定。
2、砼预制块铺砌按同一坡面、设计伸缩缝 一般每15 20m设一条伸缩缝 划分单元工程。
每一至两条伸缩缝划分一个单元工程。
3、砼预制块护坡垫层单元工程划分同砼预制块铺砌或按施工验收区段。
二、隧洞、涵管或箱涵砼工程1、砼浇筑工程按设计要求中的每一条伸缩缝来划分 每一节 每一条伸缩缝 划分为一个单元工程。
2、隧洞、涵管或箱涵固结灌浆和回填灌浆工程按每50m划分为一个单元工程。
三、砼防渗墙工程按施工作业要求划分槽段每一个槽段划分为一个单元工程。
四、帷幕灌浆工程每10个孔划分为一个单元工程。
另外每10个孔抽检1个孔 亦即总单元个数的1% 作为灌浆检查孔并做压水试验。
五、土方开挖工程按开挖的每一区、段划分为一个单元工程。
六、启闭闸工程按砼每个浇筑仓划分单元工程。
具体为 闸基础砼 同标号 划分为一个单元工程 闸墩、检修平台以下、检修层、启闭层划分为一个单元工程。
启闭房砖砌或砼工程划分为一个单元工程。
七、工作及交通桥工程按砼每个浇筑仓划分单元工程。
具体为 桥基础划分为一个单元工程 每个桥墩划分为一个单元工程 桥梁板划分为一个单元工程 桥栏杆划分为一个单元工程。
八、土方填筑工程按回填料的试验确定铺土厚度 土方填筑碾压工程 按铺土200m3划分为一个单元工程。
九、其它单元工程按水利水电工程单元工程质量评定表中的“填表说明”进行划分 具体和监理单位共同商讨划分。