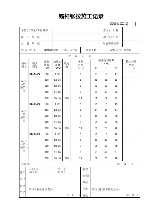
土层(锚杆)钻孔施工记录表
- 格式:docx
- 大小:166.14 KB
- 文档页数:28
锚杆钻孔施工记录表日期:[填写日期]钻孔编号:[填写钻孔编号]项目名称:[填写项目名称]1. 施工基本信息1.1 工程概述[填写工程概述,包括施工地点、工程性质、工程规模等] 1.2 施工单位信息施工单位:[填写施工单位名称]联系人:[填写施工单位联系人姓名]联系电话:[填写施工单位联系电话]1.3 监督单位信息监督单位:[填写监督单位名称]联系人:[填写监督单位联系人姓名]联系电话:[填写监督单位联系电话]2. 施工人员2.1 施工负责人姓名:[填写施工负责人姓名]证件类型:[填写施工负责人证件类型,如身份证、护照等] 证件号码:[填写施工负责人证件号码]联系电话:[填写施工负责人联系电话]2.2 施工人员列表序号姓名从业资格证书编号[按表格格式填写施工人员信息,包括序号、姓名和从业资格证书编号]3. 施工设备3.1 钻机信息钻机型号:[填写钻机型号]钻机编号:[填写钻机编号]3.2 其他设备信息[填写其他施工所需设备的信息,包括设备名称、型号、数量等]4. 施工过程记录4.1 前期准备[填写前期准备工作的记录,包括场地清理、辅助设施搭建、材料准备等]4.2 钻孔施工4.2.1 钻孔参数序号钻孔深度(m)钻孔直径(mm)注浆方式注浆剂类型注浆剂用量(kg/m)[按表格格式填写每个钻孔的钻孔参数,包括序号、钻孔深度、钻孔直径、注浆方式、注浆剂类型和注浆剂用量]4.2.2 钻孔进度序号完成日期完成时间钻孔深度(m)环空尺寸(mm)进尺速度(m/h)[按表格格式填写每个钻孔的钻孔进度,包括序号、完成日期、完成时间、钻孔深度、环空尺寸和进尺速度]4.3 钻孔质量检测4.3.1 钻孔取样[填写钻孔取样记录,包括取样日期、取样位置、取样深度等]4.3.2 钻孔质量检测结果[填写钻孔质量检测结果,包括取样编号、检测日期、检测地点、检测项目、检测结果等]4.4 钻孔施工问题与处理[记录钻孔施工过程中出现的问题及相应的处理措施]5. 安全生产记录5.1 安全措施[记录钻孔施工过程中采取的安全措施,包括人员防护、设备防护等]5.2 安全事故记录[若有安全事故发生,填写安全事故记录,包括事故发生时间、事故原因、处理措施等]6. 施工总结[对整个钻孔施工过程进行总结,包括施工进度、质量、安全等方面的评估和反思]以上内容为锚杆钻孔施工记录表的基本格式,根据实际情况进行填写,确保记录准确完整。
锚杆钻孔施工记录表施工单位:山西中地大地址科技有限公司长治分公司工程编号:001建设单位:施工单位:注:作为注浆参数的参考依据,钻孔记录中地质情况记录宜详细,在钻进情况及备注两栏中详细记录钻孔时有无出现异常情况,如有无埋钻、卡钻、出水、涌浆等现象,以及相应处理措施,同时记录成孔的圆顺、光滑程度。
锚杆钻孔施工记录表施工单位:山西中地大地址科技有限公司长治分公司工程编号:002建设单位:施工单位:注:作为注浆参数的参考依据,钻孔记录中地质情况记录宜详细,在钻进情况及备注两栏中详细记录钻孔时有无出现异常情况,如有无埋钻、卡钻、出水、涌浆等现象,以及相应处理措施,同时记录成孔的圆顺、光滑程度。
锚杆钻孔施工记录表施工单位:山西中地大地址科技有限公司长治分公司工程编号:003建设单位:施工单位:注:作为注浆参数的参考依据,钻孔记录中地质情况记录宜详细,在钻进情况及备注两栏中详细记录钻孔时有无出现异常情况,如有无埋钻、卡钻、出水、涌浆等现象,以及相应处理措施,同时记录成孔的圆顺、光滑程度。
锚杆钻孔施工记录表施工单位:山西中地大地址科技有限公司长治分公司工程编号:004建设单位:施工单位:注:作为注浆参数的参考依据,钻孔记录中地质情况记录宜详细,在钻进情况及备注两栏中详细记录钻孔时有无出现异常情况,如有无埋钻、卡钻、出水、涌浆等现象,以及相应处理措施,同时记录成孔的圆顺、光滑程度。
锚杆钻孔施工记录表施工单位:山西中地大地址科技有限公司长治分公司工程编号:005建设单位:施工单位:注:作为注浆参数的参考依据,钻孔记录中地质情况记录宜详细,在钻进情况及备注两栏中详细记录钻孔时有无出现异常情况,如有无埋钻、卡钻、出水、涌浆等现象,以及相应处理措施,同时记录成孔的圆顺、光滑程度。
锚杆钻孔施工记录表施工单位:山西中地大地址科技有限公司长治分公司工程编号:006建设单位:施工单位:注:作为注浆参数的参考依据,钻孔记录中地质情况记录宜详细,在钻进情况及备注两栏中详细记录钻孔时有无出现异常情况,如有无埋钻、卡钻、出水、涌浆等现象,以及相应处理措施,同时记录成孔的圆顺、光滑程度。