换能器前置放大电路设计
- 格式:pdf
- 大小:164.36 KB
- 文档页数:5
前置放大电路的思路主要问题就在于系统中的噪声的问题。
如何尽可能的有效的去掉噪声影响,是个模拟前端最关键的问题。
前端的运放的选择要求失调电流与偏置电流小,信噪比高。
关于如何在模拟电路中消除或者降低这些噪声的影响,是很困难的。
模拟方案都是在研究找到一种输入失调电流的补偿办法、以及补偿电容的防泄漏,输入管脚隔离和悬置,PCB的清洁屏蔽等等问题。
但是温漂,电阻噪声,等等问题都很难消除。
同时,要考虑的也有电压源的纹波,有无工频干扰,电阻热噪声等等。
供电电压和电流都要尽量的低,要注意场管中还要挑低噪声类型的管子,要看它的噪声系数值或者噪声图(像等高线样),这样才能选择最佳工作点。
因为R是有热噪声的,但是没搞清楚这块。
模拟电路中,相应的技术总结:第一级放大前加输入失调调零电路,给同相端可以提供几个毫伏级的电压来调整输入失调电压,减小误差。
其原理就是在同相端加电阻,来分压。
还有另外的一种电路,是自动调零电路,其原理是通过通电之后的积分电路,对积分电路中的电容来充电。
一般运放的失调电压都是在微伏级,失调电流在皮安级,会淹没掉微弱的光电信号。
同时,每一级都放大了前一级的误差和噪声。
因此,关键就是要抑制噪声和消除误差。
对于环境噪声的抑制,通过屏蔽和低通滤波电路来解决。
误差,传统的方法都是通过尽可能性能优良的放大器来解决和优化这个问题。
但是缺点是芯片的价格较贵。
同时,可以采用T型网络的方法来减小反馈电阻,提高灵敏度和精度(《微弱电流信号检测原理与应用实例》,《pA级电流测量技术研究》,但是bbs上某些大牛说了T型网络其实不好)。
关于暗电流的消除!!有文章专门讲到了。
电路板和器件安装考虑,参考文献《微弱荧光信号检测放大器的低噪声设计》,《pA级电流测量技术研究》里面有详细的说明。
并且,如果从模拟角度考虑,更多的是对器件的要求和对电路板,电路元件工艺的要求。
要求非常严格。
因为,一些制作工艺上不严谨会导致电荷泄漏,电流泄漏等等。
模电课程设计仿真与测试报告音响放大器姓名:尹文敬学号:2009221105200061一 设计要求(简单音频通带放大电路)(输入语音信号-麦克风) 功放电路原则上不使用功放集成电路。
技术要求:(1)前置放大、功放:输入灵敏度不大于10mV,f L ≤500Hz,f H ≥20kHz ; (2)有音量控制功能;(3)额定输出功率P O ≥5W(测试频率:1kHz); (4)负载:扬声器(8Ω、5W)。
主要测量内容:最大输出功率,输出电阻,输入灵敏度,f L ,f H 。
二 设计思路1.由于要求不能使用功放集成电路,初步思路是采用三级分立元件实现。
输入可用差分放大电路,用高放大倍数三极管增大放大倍数,中间级采用共射放大增大倍数,输出采用消除交越失真的互补输出,同时作为功放电路,可用复合管。
2.利用分立元件可以设计两种基本电路:(a )采用直接耦合,此方案具有 工程实用价值,且电路简单。
但是由于需要三级放大,前后级之间都会有影响,只要有一处参数不合理,其它级也会受到影响,因此该电路难以设计,更难调试。
(b )采用阻容耦合电路,即利用电容的隔直流的特性将电路的三级分隔开来。
此方案中需要较多电容,会影响电路的频率通带。
但是这样做前后级之间的影响会减小很多,便于我们利用所学模拟电路知识计算各个元件的参数。
考虑到所学知识有限,故采用(b )方案。
3.音量控制利用滑动变阻器。
三 设计步骤 一.差分电路1. 第一级作为输入放大,不需要太大的放大倍数,一般只需要几十变能达到要求。
射级电流 : 0.7e ReVcc I -= I RE =2I EQ射级接-18V 而基级电流不能过大 集电极电流一般1mA 左右取1.5Ma5.6k =1.5k E C R ∴=得集电极电阻R第一级电路的仿真情况二 .中间共射放大级1.共射放大级静态工作点的确定:采用电阻分压:电源电压分别为+18V 和-18V554be R U U R R =+电源 Ube-0.7Ie Re =6e e e C e I I I ∴ 的大小基本由R 来确定,同时和相当。
心电信号前端放大器设计一、设计用于检测人体心电信号的放大器,要求如下:1、输入阻抗≥10MΩ。
2、共模抑制比≥80dB。
3、电压放大倍数1000倍。
4、频带宽度为0.5Hz~100Hz。
5、放大器的等效输入噪声(包括50Hz交流干扰)≤200μV。
二、设计方案分析1、心电信号的特点及检测人体的各种生理参数如心电、脑电、肌电等生物电信号都是属于强噪声背景下微弱的低频信号,是由复杂的生命体发出的不稳定的自然信号。
心电信号是人类最早研究并应用于临床医学的生物电信号之一,与其他生物电信号相比,该信号也比较容易检测同时具有直观的规律性。
一般人体心电信号的幅值约20μV~5mV,频带宽度为0.05Hz~100Hz,由于心电信号取自于活体,所以信号源内阻较高,且存在着较强的背景噪声和干扰。
在检测人体生物电信号时,需要采用所谓的生物电测量电极,又称引导电极来实现的,通过引导电极将生物电信号引入到放大器的输入端。
对于心电信号的检测,临床上为了统一和便于比较所获得心电信号波形,对测定心电信号(ECG)的电极和引线与放大器的联接方式有严格的统一规定,称之为心电图的导联系统。
目前国际上均采用标准导联,即将电极捆绑在手腕或脚腕的内侧面,并通过较长的屏蔽导线与心电放大器相连接。
标准导联有Ⅰ、Ⅱ、Ⅲ。
其具体联接方法如图。
LAⅠ导联Ⅱ导联Ⅲ导联图1 标准导联联线方法2、心电信号放大器设计要求及组成根据心电信号的特点,对心电信号放大器的要求是高输入阻抗、高增益、高共模抑制比、低噪声、低漂移、合适的通频带宽度和输出较大的动态范围等。
典型的心电信号放大器的组成如图所示,主要有前置放大、高通滤波、低通滤波、50Hz陷波器、电压放大等电路。
图2 心电信号放大器组成框图三、 主要单元电路参考设计 1.心电信号前置级放大电路由于心电信号属于高强噪声下的低频微弱信号,所以要求前置放大器应具有高输入阻 抗、高共模抑制比、低噪声、低漂移、具有一定的电压放大能力等特点,选择仪表放大器即可满足要求。
音频前置放大器电路图大全(八款音频前置放大器电路设计原理图详解)音频前置放大器电路图(一)在本设计中,前置放大器的增益控制采用直流音量控制方式,其具体实现如图1所示。
前置放大器是由全差分运放和电阻构成的反相比例放大器,其增益由反馈电阻与输人电阻的比值决定。
外部输人的直流模拟控制信号Vc,经过增益控制模块(GainCon-troD转换成控制数据,此数据用来控制前置放大器的反馈电阻与输人电阻的比值,进而调节增益的变化。
运算放大器采用两级级联结构,如图2所示图。
第一级采用PMOS输人的折叠式共源共栅放大器提供大增益,同时增加输人共模范围,减小闪烁噪声,折叠输人管的负载采用带源极反馈结构的电流源负载,增加输出阻抗,减小噪声。
第二级采用共源放大器提供大摆幅。
为保持闭环的稳定性,加人密勒补偿电容,同时,为了抵消右半平面零点的影响,在补偿电容的前馈通路中插人与补偿电容串联的调零电阻。
在共模反馈电路的设计中,采用有电阻分配器和放大器的共模反馈结构。
音频前置放大器电路图(二)拾音器的前置放大器电路图音频前置放大器电路图(三)如图所示。
本音频信号放大器主要用于频带为300Hz~3400Hz 范围内,它可广泛用于通讯机中的公务联络,也可用于小型音响、收录机、收音机放大,以及其它音频故障接收信号。
工作原理电路原理如图所示。
本放大器由三极管VT1、VT2、VT3、变压器T1、T2及相关元件组成。
微弱的信号ui由输入变压器T1,感应的信号送到前置放大器VT1的基极进行放大,其集电极将放大信号送到变压器T2,T2的作用能使单端变成双端,则T2的次级绕制的两组分别送至由三极管VT2和VT3组成的单端推换式放大电路,工作于甲乙类状态。
经耦合电容C5、C6送到扬声器BL,BL发出放大后的音频信号。
音频前置放大器电路图(四)音频前置放大器电路图(五)前置放大器电路如下图所示,采用A运算放大器作音频前置放大电路。
其优点是体积小、噪音低、功耗小、一致性较好。
音频放大器前置放大器报告
设计时间:2012年4月7日前置放大电路图如下图所示:
上图中XFG1为函数功率发生器,XSC1为泰克示波器。
下图为我们输入的信号和输出的信号
首先我们使用低频低电压及20HZ,5mVP的正弦信号如下图左边,其输出波形如下图右边所示Vo'=76.3mV。
我们调节垂直position旋钮,发现向下平移70多毫伏能使波形显示在示波器中心水平轴。
放大倍数为40倍,没出现波形失真现象。
其次我们使用中频中等电压输入信号及10KHZ,100mVP.其输出波形如下右图所示,其Vo'=77.1mV,其波形输出正常。
放大倍数为40倍,没出现波形失真现象。
最后我们使用高频高电压输入信号及25KHZ,300mVP.其输出波形如下右图所示,其Vo'=76.6mV,其波形输出正常。
放大倍数为40倍,没出现波形失真现象。
在此基础上我们使用了波特图示仪,其连接图如下所示:
波特图示仪显示如下:
通过调节我们得到其频率宽度较宽最大在521.095KHZ左右,最低在921.8mHZ左右。
目录第一章摘要 (2)第二章引言 (2)第三章基本原理 (2)3.1驻极体话筒原理概述 (2)3.2前置放大电路的原理概述 (4)第四章参数设计及运算 (4)4.1结构设计 (4)4.2测量电路的设计与参数计算 (4)4.2.1 放大电路的简化模型 (4)4.2.2中频段通带增益的估算 (6)4.2.4 下限截止频率的估算 (7)4.2.5 具体参数设计 (8)4.3仿真结果 (9)第五章误差分析 (10)5.1理论计算中的误差分析 (11)5.2运算放大器的非理想误差分析 (11)第六章结论 (12)第七章心得体会 (12)参考文献 (14)第一章摘要驻极体前置放大器是基本的低电平音频放大电路,因为可能要处理大动态范围的信号电平、多种类型的驻极体话筒以及各种等级的信号源阻抗,所以它有丰富多样的组成形式。
这些因素都会影响特定应用场合的电路优化。
本课程设计讨论的主要是驻极体话筒的前置放大电路设计。
第二章引言随着我国通讯事业的迅猛发展,对驻极体传声器的需求也越来越大。
目前,一些小型的驻极体传声器虽然可以将场效应管集成于传声器内部,但由于高端产品的售价高昂,低端产品传声器的精度和灵敏度又无法保证,再加上传统的前置放大器体积又过于庞大。
因此,设计一种体积尽可能小,成本低廉而性能优良的前置放大器具有十分重要的意义。
第三章基本原理3.1 驻极体话筒原理概述传声器是一种将声信号转变为相应的电信号的电声换能器。
驻极体传声器是一种用驻极体材料制造的新型传声器。
它具有结构简单、灵敏度高等优点,被广泛应用于语言拾音、声信号检测等方面。
驻极体传声器内部主要包括声电转换和阻抗变换两部分。
声电转换部分包括振膜、极板、空隙三部分。
声电转换的关键元件是振动膜,它是一片极。
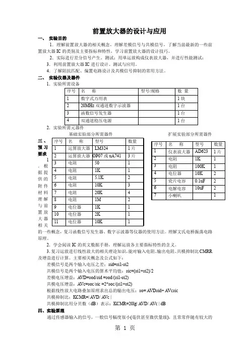
前置放大器的设计与应用一、 实验目的1.理解前置放大器的相关概念,理解差模信号与共模信号,了解当前最新的一些前置放大器IC 的类别及主要指标和特性,学习前置放大器的设计技巧。
2.实际进行差分信号产生、测试;用单运放构成仪表放大器,并进行性能测试;3.利用前置放大器IC 进行设计、测试与应用。
4.了解阻抗匹配、偏置电路设计及共模信号抑制的常用方法。
二、 实验仪器及器件1.实验所需设备2 基础实验部分所需器件 扩展实验部分所需器件 三、 预习要求 1.根据提供的附件材料理解与前置放大器相关的一些概念,复习函数信号发生器、数字示波器等仪器的使用方法。
理解文氏电桥振荡电路原理。
2.学会阅读IC 的英文数据手册,理解运放各主要指标特性的含义。
3.复习运放进行线性放大的相关理论知识,能对输入电阻、输出电阻、共模抑制比CMRR 及增益进行计算。
主要相关概念及公式如下:差模信号是两个输入电压之差:υid=υi1-υi2共模信号是两个输入电压的算术平均值:υic=(υi1+υi2)/2差模电压增益:A VD=υod/υid =υod/(υi1-υi2)共模电压增益:A Vc=υoc/υic =2*υoc/(υi1+υi2)根据线性放大电路叠加原理求出总的输出电压:υo= A VD υid+ A Vc υic共模抑制比:K CMR=| A VD / A Vc |共模抑制比用分贝数(dB )表示:K CMR=20lg| A VD / A Vc | dB四、实验原理通过传感器输入的信号,一般信号幅度很小(毫伏甚至微伏量级),且常常伴随有较大的噪声。
对于这样的信号,第一步通常是采用仪表放大器先将小信号放大。
这个放大的最主要目的不是增益,而是提高电路的信噪比,将需要的信号从噪声中分离出来;同时仪表放大器电路能够分辨的输入信号越小越好,动态范围越宽越好。
仪表放大器电路性能的优劣直接影响到智能仪表仪器能够检测的输入信号范围。
图1 典型三运放仪表放大器电路仪表放大器电路的典型结构如图1所示。
电磁超声换能器的前置放大电路设计作者:韩娜, 李松松, 李响来源:《现代电子技术》2011年第20期摘要:针对电磁超声换能器接收线圈接收到的信号通常十分微弱的特点,设计了分别应用NJM4580和AD620的微小信号放大电路,并通过美国国家仪器公司的Multisim 10软件中波特图仪和示波器对两前置放大电路进行虚拟仿真,并对仿真结果进行比较,验证了应用AD620的放大电路在微小信号放大上不仅电路构成简单,而且在放大性能上更加优于应用NJM4580运算放大器构成的差分级联放大电路。
关键词:前置放大器; NJM4580;AD620;Multisim 10中图分类号:TN919-34 文献标识码:A文章编号:1004-373X(2011)20-0156-03Design of Pre-amplification Circuit in Electromagnetic Ultrasonic TransducerHAN Na, LI Song-song, LI Xiang(Dalian Ocean University, Dalian 116023, China)Abstract: Because the signal received by electromagnetic acoustic transducer (EMAT) is very weak, two weak signal amplifying circuits which respectively adopted NJM4580 and AD620 were designed. The virtual simulation for the two pre-amplification circuits were conducted by Bode plotter and oscilloscope in Multisim10produced by NI and the simulated results of the two circuits were compared. The results show that the circuit with AD620 is better than the one with NJM4580. The structure of the former one is more simple and the amplification capability is more superior.Keywords: pre-amplification circuit; NJM4580; AD620; Multisim 100 引言在无损检测中,EMAT因其独有的优点被广泛应用,但经EMAT接受线圈接受到的信号通常很微弱,信号幅值小,一般只有几十μV到几百μV,并且对周围环境噪声敏感度高 ,接收信号常被淹没在噪声中,辐射模式较宽 ,能量不集中[1-2]。
一款优质前置放大电路的制作与设计本人手上就有八达DC-211B/AK两台合并式功放,还有一台人家送给的一台天逸AD-66功放。
有一段时本人给他人维修一款功放时,通常是从八达功放的前级引出信号,接上要维修的功放上,后来有一次本人维修一款国产高档分体式功放时(据说总价格在6500元以上),在使用八达功放的前级放大电路,才感到这两款八达功放的前级电路都是对中低频表现较为出色的电路。
这两款功放的前级中,有一款电路(211B)的第二电压放大级使用了差分放大电路和镜像恒流源电路,第二级差分放大电路的集电极负载是不相等的,镜像恒流源电路的频率特性不一定好,所以这种电路不是一种频率响应既宽又平坦的电路;另一款电路(211AK)的输出级只有一只三极管作射极输出。
大家知道,信号为射极输出时,信号的一个半周响应好,另一个半周响应差(就是反应速度慢),虽然可以通过加大工作电流、减小射极电阻来解决,但效果是远不如互补射极输出的效果好。
我在这里可以说,这就是有些发烧友不看重这两款功放的前级电路的原因。
但无能怎样说:相对于为数众多的烂功放而言,这两款功放的价格与它们的性能是相配的,是物有所值的,到现在仍可说是Hi-Fi功放。
后来,为了自己调试和维修功放、音箱及调音台的需要,自己才做了一台功放前级放大器(大约在2002年)。
图1便是这款前置放大电路。
看看电路构架,广大爱好者一定非常熟悉,似乎是一款后级功放电路。
可能电路看似很平常,但全电路采用宽频带响应平坦、低噪声、高转换速度设计。
所以这款电路看似并无新颖之处,但设计与制作还是要下大功夫的。
1、电路采用稳压伺服电源供电(没画出、电路按照中联F-9500A 功放的前置放大电路的电源电路图制作)。
这种电源电路仍属于串联型稳压电源,但比传统的串联型稳压电源好得多,稳定电压精度很高,高频内阻也很小,重要的是这种电源电路比起甲类并联型稳压电源所用的元件少得多、而且容易制作和调试。
2、电路做成单差分输入直流放大形式。
学号:模拟电子技术课程设计带前置放大的音频功率放大器系部名称:电气工程系专业名称:电气工程及其自动化指导老师:赵玉菊班级名称:工 1303 班学生姓名:完成日期:2014年12月26日课程设计评定表签名:年月日1.课程设计成绩:指导教师签名:年月日2.答辩成绩:答辩小组组长签名:年月日3.综合成绩:备注:2.“答辩成绩”一项由指导老师根据答辩情况评定,满分100分。
3.“综合成绩”=“课程设计成绩”*80%+“答辩成绩”*20%。
摘要本电路设计采用前置放大电路和音频功率放大电路相结合的放大模式,前者采用有NE5534对电压进行放大,后者采用性能优良的LM1875对电压和电流放大,给音响放大器的负载(扬声器)提供一定的输出功率。
当负载一定时,希望输出的功率尽可能大,输出的信号的非线形失真尽可能的小,效率尽可能的高。
在前置放大和功放之间加上一个滑动变阻,就保证了音量可调,除此之外,加上相应的旁路电容又使得电路具有杂音小,有电源退偶,无自激等优点。
根据实例电路图和已经给定的原件参数,使用multisim10软件模拟电路,并对其进行静态分析,动态分析,显示波形图,计算数据等操作。
关键词: NE55324 LM1875 性能优良音量可调杂音小目录•引言二.设计的目的及任务三.电路设计总方案及原理框图1原理框图2电路设计总方案四.各组成部分的工作原理及电路1信号源发生器的设计2信号源发生器的电路图3弱信号前置放大级电路方案设计4弱信号前置放大电路图5音频功率放大电路方案设计6音频功率放大电路图7直流稳压电源8保护电路五.仿真软件Multism10介绍六.电路仿真1.总电路图2.应用Multism10进行仿真及结果七.仪器仪表明细清单八.总结九.参考文献.引言率放大器在家电、数码产品中的应用越来越广泛,与我们日常生活有着密切关系。
随着生活水平的提高,人们越来越注重视觉,音质的享受。
在大多数情况下,增强系统性能,如更好的声音效果,是促使消费者购买产品的一个重要因素。
6N3前置放大器详细制作教程6N3前置放大器详细制作教程点评:以下介绍的是一个两级电路直接耦合的前级放大器电路,第一级为电压放大,第二级为阴极缓冲输出。
可以说是一个简单易做的电路,不过要注意的是这个电路输出的信号是反向的,后级电路输出到音箱的线应该对调一下会比较好。
6N3胆前级因自己的哪一部天逸AD-86合并式纯甲类功放音质不佳声音粗糙,竟然比不上自制的LM4766集成功放准备将之解体,大改为纯后级。
一时间未能配齐所需要的材料,利用空闲时间先做一部与之配用的电子管前置。
一、电路的选择这次希望利用手头上现有的零件和较低的成本来制作,名机电路肯定不符合要,因这些名机电路所用的电子管都被爆炒成天价,动不动就要成百上千以上一只,非我辈所能承受。
6N3这只本来设计用于电视广播VHF/UHF放大双三极管,这是一只非常好的电子管,声音介于6N11和12AX7之间既有音乐性也有音响性。
最主要是价格非常低廉,进口同类管5670邮购价亦只8元一只非常超值。
价格低廉并不代表就是垃圾,价格高昂亦不代表音色就顶呱呱,一是物以希为贵,二是商家的炒作。
6N3及同类管至今未炒作主要原因是在引脚排列上不通用和6N3及其同类管产量实在太大。
6N3特性曲线见图1,从6N3特性曲线可以看出这不是一只大动态的电子管,屏极供电电压最好不要超150V,最大栅负压不超过-4V 时才有较好的放大线,超过-4V曲线将明弯曲。
工作点宜在-1.5V--2.0V之间选取,并且输入电压最好不要超过0.7V。
本机整机电路见图2,V1用1/2 6N3作共阴放大,V1阳极负载电阻取值较少为18K,以取得较大的阳极电流变动范围,同时失真较少,经计算放大倍数约等于14.5倍。
V2用1/2 6N3作阴极输出,令电路带动不同复杂的负载都有恒定的电压增益。
V1、V2之间采用直接耦合,使整机频响较宽,减少了耦合电容带来的不利影响。
放大电路非常简单,算上电阻电容零件亦只有几只,这样做目的是尽量简化电路降低制作成本。
LA3161立体声前置放大器电路
LA3161立体声前置放大器电路
在电路中的内置放大器部分使用。
电容C8和C9输入耦合电容。
电容C3和C6噪音滤波电容器。
较低的截止频率取决于C3和C6网络的价值,包括元件R1,R2和C1定义的左声道和R3的组成网络的频率特性,R4和C2定义的右声道的频率特性。
C4和C5是输出耦合电容。
C7是电源滤波电容必须尽可能靠近IC的电源输入引脚(引脚4)连接。
该IC不具有短路保护,以及引脚之间可能会造成损坏。
C10和C11是为防止无线电干扰,干扰发动机等
LA3161立体声放大器
LA3161是一个集成了2声道前置放大器,用于汽车音响应用。
LA3161有一个内置稳压器,在提高纹波抑制了巨大的作用。
IC需要的外部元件数最少,噪音水平是很低的。
该集成电路具有高输入阻抗(约100K),是一个8针的SIL包。
说明
在电路中的内置放大器部分使用。
电容C8和C9输入耦合电容。
电容C3和C6噪音滤波电容器。
较低的截止频率取决于C3和C6网络的价值,包括元件R1,R2和C1定义的左声道和R3的组成网络的频率特性,R4和C2定义的右声道的频率特性。
C4和C5是输出耦合电容。
C7是电源滤波电容必须尽可能靠近IC的电源输入引脚(引脚4)连接。
该IC不具有短路保护,以及引脚之间可能会造成损坏。
C10和C11是为防止无线电干扰,干扰发动机等
电路图
LA3161立体声前置放大器注意事项
使用12V直流供电电路。
LA3161最大供电电压是18V。
电磁超声换能器的前置放大电路设计韩娜;李松松;李响【期刊名称】《现代电子技术》【年(卷),期】2011(34)20【摘要】Because the signal received by electromagnetic acoustic transducer (EMAT) is very weak, two weak signal amplifying circuits which respectively adopted NJM4580 and AD620 were designed. The virtual simulation for the two pre-ampli-fication circuits were conducted by Bode plotter and oscilloscope in MultisimlO produced by NI and the simulated results of the two circuits were compared. The results show that the circuit with AD620 is better than the one with NJM4580. The structure of the former one is more simple and the amplification capability is more superior.%针对电磁超声换能器接收线圈接收到的信号通常十分微弱的特点,设计了分别应用NJM4580和AD620的微小信号放大电路,并通过美国国家仪器公司的Multisim 10软件中波特图仪和示波器对两前置放大电路进行虚拟仿真,并对仿真结果进行比较,验证了应用AD620的放大电路在微小信号放大上不仅电路构成简单,而且在放大性能上更加优于应用NJM4580运算放大器构成的差分级联放大电路.【总页数】3页(P156-158)【作者】韩娜;李松松;李响【作者单位】大连海洋大学,辽宁大连 116023;大连海洋大学,辽宁大连 116023;大连海洋大学,辽宁大连 116023【正文语种】中文【中图分类】TN919-34【相关文献】1.新型微弱电流检测前置放大电路设计 [J], 胡红钱;高奇峰;沈姗姗2.一种低噪声前置放大器的电路设计 [J], 王彬;李健;肖姿逸3.红外探测器的低噪声前置放大电路设计 [J], 江婷;李胜;高闽光;童晶晶;李妍4.CSNS中子辐射剂量监测器前置放大电路设计 [J], 李论; 刘琼瑶; 吴青彪; 马应林; 王宇飞; 叶榕; 张刚5.一种具有高动态范围的前置放大电路设计及实现 [J], 刘松;吴先梅;孔超因版权原因,仅展示原文概要,查看原文内容请购买。
前置音频放大器实验报告院系名称信息工程学院电子系班级07普本电信(1)班学号070102015姓名何秦指导教师王照平肜瑶一、实验电路前置音频放大器实验电路原理图和PCB版图图1 前置音频放大器实验电路原理图图2 前置音频放大器电路PCB版图二、实验分析本次前置音频放大器实验采用的电路比较典型,是音响放大器中常见的标准前级系统,该电路放大器中加有大反馈量的交直流负反馈,使非线性失真度限制在0.15%以内,同时负反馈还平抑了元器件数值误差对性能的影响。
前级放大系统由四级组成,其中第一、二级为两级共射级直藕放大器,同时设有五种输入信号的幅度和频率特性校正电路。
在这种组合电路中,第二级集电极输出信号经频率校正RC网络反馈到第一级发射级,是输入阻抗得以提高,同时负反馈包括了两级放大器,即使负反馈系数不大也有足够的反馈量,而较小的负反馈系数可使放大器输出阻抗不致降到过低的程度。
但是,这种组合电路中,由于两级放大处于整个音响放大器的最前端(即最低输入电平端),因而必须选用低噪声三极管。
因为负反馈的需要,应尽量选择H FE较大、V CEO较小的小功率硅NPN三极管。
在图1所示的前级放大系统中,后两级为TR3和TR4,TR3为射级输出器,电压增益最大为0.9左右,TR4为负反馈式音调控制补偿放大器,在音频中段增益近似为1。
所以,前级系统增益主要由前两级TR1和TR2为主。
按一般标准功放后级的输入电平额定值为1V p-p,而信号选择输出电平额定值为5mV,因此,要求TR1、TR2的电压增益K V约为46dB(200倍)。
上述指标还需留有必要的余量,以使后级功率放大器有足够的驱动电压。
为此,电压增益可以定为50dB。
在输入电平较高的压电唱头输入端、调谐器输入端均加入R1~R6组成的分压器,对信号进行衰减。
同时,当双刀选择开关S1b中无须频率校正输入时,由R16、R17随可能输入大信号状态下改变负反馈系数,以稳定放大器的增益。
项目支持:北京市科技攻关项目,农业节水灌溉监测与控制设备研制与开发(D0706007040191)国家“十一五”科技支撑计划农产品流通过程信息化关键技术与系统研发(2006BAD10A04)国家“十一五”科技支撑计划灌区地下水开发利用关键技术(2006BAD11B05)微弱信号检测的前置放大电路设计张石锐1,2,郑文刚2*,黄丹枫1,赵春江2(1.上海交通大学农业与生物学院上海市 2002402.国家农业信息化工程技术研究中心北京市 100097)摘要:针对精准农业中对微弱信号检测的技术需求,论文设计了以电流电压转换器,仪表放大器和低通滤波器为主要结构的微弱信号检测前置放大电路。
结合微弱信号的特点讨论了电路中噪声的抑制和隔离,提出了电路元件的选择方法与电路设计中降低噪声干扰的注意事项。
本文利用集成程控增益仪表放大器PGA202设计了微弱信号检测前置放大电路,并利用微弱低频信号进行了测试,得到了理想的效果。
关键字:精准农业、微弱信号检测、仪表放大器、前置放大电路中图分类号:TN721.5 文献标识码:AThe design of preamplifier circuit based on weak signal detection ZHANG Shi-rui1,2,ZHENG Wen-gang2,HUANG Dan-feng1,ZHAO Chun-jiang2(1. School of Agriculture and Biology, Shanghai Jiao Tong University, Shanghai 200240, China2. National Engineering Research Center for Information Technology in Agriculture, Beijing,100097, China)Abstract:Combined with the demand of the detection of weak signal in precision agriculture, the article introduced the circuit principle of deigning preamplifier circuit whit I/V Conversion level, instrumentation amplifier level and low-pass filter level. At the same time the article discussed the circuit's noise suppression and isolation according to the characteristics of the weak signal, and gave the method of choosing elements and noise reduction. Finally, gave the design of the weak signal detection pre-amplifier using the program-controlled integrated instrumentation amplifier PGA202.Key words: precision agriculture ,weak signal detection, instrumentation amplifier, preamplifier 1、引言精准农业主要是依据实时获取的农田环境和农作物信息,对农作物进行精确的灌溉、施肥、喷药,最大限度地提高水、肥和药的利用效率,减少环境污染,获得最佳的经济效益和生态效益[1]。
农田环境和农作物信息的准确获取取决于可靠的生物传感技术。
如常规精准灌溉主要关注空气的温度、湿度和土壤的含水量,利用这些参数的变化控制对农作物的灌溉,而作物自身产生的一些信号能够更准确的反映其自身的生理状况,通过检测这些信号控制灌溉可以使灌溉更精确。
目前精准灌溉技术正朝着以环境信息和农作物生理信息相结合为控制依据的方向发展,为此各种生物传感器如植物电信号传感器、植物茎流传感器等应运而生。
但一般作物自身生理状况产生的信号极其微弱,往往电流信号只能达到纳安级,电压信号也只能达到微伏级。
为有效的利用这些信号,应首先对其进行调理,本文根据植物生理信号的特点设计了适合此类微弱信号检测的前置放大电路。
2、电路基本结构生物传感器所产生的信号一般为频率较低的微弱信号,检测不同的植物生理参数,可能得到电压或电流信号。
对于电流信号,应首先把电流信号转换成为电压信号,通过放大电路的放大,最后利用低通滤波器,滤除混杂在信号中的高频噪声。
微弱信号检测前置放大电路的整体结构如图1。
考虑到传感器产生的信号非常微弱,很容易受到噪声的污染,所以放大电路选择仪表放大器结构。
仪表放大器拥有差分式结构,对共模噪声有很强的抑制作用,同时拥有较高的输入阻抗和较小的输出阻抗,非常适合对微弱信号的放大。
另外为了使输出电压在高频段以更快的速度下降,提高低通滤波器滤除噪声的能力,这里选择了二阶低通滤波器。
微弱信号检测前置放大电路原理图如图2。
生物传感器产生的生物信号通常具有很大的动态范围,达到几个数量级,原理图中R2为可变电阻,通过改变R2的阻值,可以改变仪表放大器的放大倍数,从而适应放大不同大小的微弱信号。
图2 微弱信号检测前置放大电路原理图3、噪声的抑制和屏蔽在微弱信号检测的过程中,噪声的抑制和屏蔽至关重要,由于信号微弱,很容易受到噪声污染,这些噪声主要由环境噪声、电路元器件自身产生的噪声和电源的工频噪声组成,因此在噪声的抑制和屏蔽上要综合考虑这几方面的因素。
3.1 元器件的选择在进行微弱信号检测过程中,为了减少集成运算放大器对电路的干扰,应选择接近理想运算放大器的芯片。
主要参数的要求是具有较小的输入偏执电流、输入偏执电压和零漂,具有较大的共模抑制比和输入电阻。
特别是电流电压转换级对集成运放的要求较高,一般需要运放的输入偏执电流在pA 级。
目前市面上有很多满足条件的集成运算放大器,如AD8571、LMC6482、LF351和OPA2703等。
电路中的仪表放大级通常设计为程控放大倍数的结构,通过程控开关调整反馈电阻的大小,从而改变放大倍数。
为了对数字电路和模拟电路进行隔离,程控开关应选用光偶开关。
为了提高仪表放大器的性能,可以选用集成仪表放大器。
很多公司提供了不同类型的集成仪表放大器,如INA127,它内部集成了仪表放大器的主要结构,有很好的对称性,可通过改变外接电阻的大小改变放大倍数。
PGA202是一款可程控放大倍数的仪用放大器,应用它可以简化电路结构,但PGA202需要搭建差分输入级,这样就降低了共模抑制能力。
2007年模数转换图1 微弱信号检测前置放大电路的整体结构末ADI 公司推出的AD8253芯片集以上两种芯片的优点于一身,不但集成了完整的仪表放大电路,还集成了程控放大倍数的逻辑电路,是微弱信号检测前置放大电路的理想选择。
3.2 工频噪声和环境噪声的隔离工频噪声是影响电路的主要噪声,通常可通过电路的电源传递到电路中。
为了减少这种影响,在电路设计时应在连接电源处增加旁路电容,隔离电源的交流噪声。
除了这些措施外,为了滤除50Hz 的工频干扰,还可以在模数转换时采用具有50Hz 陷波的模数转换器。
另外,数字电路部分与模拟电路部分分别接地,尽量减少模拟电路的接地点同时采用画圈接地的方法都可以有效的隔离噪声。
4、电路的设计与实现综合考虑微弱信号检测的需要和市场上芯片的供应情况,本文选用PGA202搭建仪表放大器,对微弱信号检测前置放大电路进行了整体设计。
4.1 PGA202简介这里所选用的PGA202是由BURR-BROWN 公司生产的,PGA202是一种程控仪表放大器,它内部集成了程控的增益改变逻辑电路。
由于省去了增益控制部分,利用PGA202搭建仪表放大器可以使电路结构得到很大的简化,并且它的放大倍数稳定精确,为后续的数据处理提供了方便。
PGA202的内部结构如图3。
图3 PGA202的内部结构在图 3中可以看到, A 0和A 1为数字程控信号的输入端,控制PGA202中集成的前置逻辑电路,通过改变A 0、A 1的值可以使仪表运算放大器的倍数在1、10、100和1000之间改变。
4.2 滤波器的设计为了加强滤波器滤除噪声的能力,笔者采用了二阶低通滤波器,并在滤波器的设计过程中选择了同样的电容电阻组合。
滤波器的截止频率可通过公式RCf 1200==πω来进行计算,由于生物传感器的信号多为低频信号,因此可以将低通滤波器的截止频率设计的低一些。
在笔者所设计的电路中,电阻值100k Ω,电容值33nF ,截止频率为48Hz 。
4.3 电路设计为了提高仪表放大器差分输入级的对称性,同时满足零漂、输入偏执电流、输入偏执电压等参数的需求,选用了性能参数较好并且同一芯片中含有两个运算放大器的OPA2277作为仪表放大器的差分输入级。
在电压电流转换级采用了性能参数更为理想的集成运放AD8571,AD8571的输入偏执电流为20-70pA ,输入偏执电压为1uV ,共模抑制比达到120-140dB ,可以满足I/V 转换输入级对运放性能的要求。
在实际的电路设计中还考虑了噪声的隔离,为减少电源的工频噪声对电路的影响,芯片连接电源处分别并联了0.1uF 的旁路电容。
另外为降低环境噪声对输入信号的污染,将电路的输入点放在了画圈接地的圈中,利用接地圈对环境噪声起到屏蔽作用。
整体电路的设计如图4所示。
图4 应用PGA202的微弱信号检测前置放大电路设计4.4 电路的测试本文按照图4制作了电路板,选择R0的大小为1k Ω,对电路的性能进行了测试。
测试过程采用TFG2300数字合成信号发生器产生20H 正弦信号,通过串联500 k Ω高精度电阻分压后接入电路。
设信号发生器产生信号的振幅为A ,仪表放大器的输入信号的振幅可以通过公式00500R R k AA in +=计算。
采用TDS1002数字示波器观察到电路输出了较平滑的正弦波形。
表1中给出了A 1、A 0分别为11、10时电路的测试数据。
通过表1可以看出放大器的放大倍数稳定增益误差较小。
表1 电路测试结果A 1A 0 信号发生器产生信号振幅(mV) 输入信号振幅(uV) 输出信号振幅(V) 放大倍数(104)A 1A 0信号发生器产生信号振幅(mV) 输入信号振幅(uV) 输出信号振幅(V) 放大倍数(103) 59.98 2.16 2.16450 99.8 2.15 2.1547.5 14.97 3.23 2.15775 149.7 3.25 2.17110 19.96 4.34 2.174100 199.6 4.31 2.15911 1529.946.442.15010150299.46.482.164放大倍数均值:2.161×104增益误差:0.8% 放大倍数均值:2.162×103增益误差:0.55%5、结论本文中所讨论的微弱信号检测前置放大电路适用于精准农业中的生物传感器。