电线管敷设工程检验批质量验收记录表
- 格式:doc
- 大小:42.00 KB
- 文档页数:2
电线导管、电缆导管和线槽敷设工程检验批质量验收记录表GB50303—2002(Ⅱ)室外说明(Ⅱ)室外060104 主控项目1、金属的导管和线槽必须接(PE)或接零(PEN)可靠,并符合下列规定:1)镀锌的钢导管、可挠性导管和金属线槽不得熔焊跨接接地线,以专用接地卡跨接的两卡间连线为铜芯软导线,截面积不小于4mm2;2)当非镀锌钢导管采用螺纹连接时,连接处的两端焊跨接接地线;当镀锌钢导管采用螺纹连接时,连接处的两端用专用接地卡固定跨接接地线;2、金属导管严禁对口熔焊连接;镀锌和壁厚小于等于2mm的钢导管不得套管熔焊连接。
一般项目1、室外埋地敷设的电缆导管,埋深不应小于0。
7m。
壁厚小于等于2mm的钢电线导管不应埋没于室外土壤内.2、室外导管的管口应设置在盒、箱内.在落地式配电箱内的管口,箱底无封板的,管口应高出基础面50~80mm.所有管口在穿人电线、电缆后应作密封处理。
由箱式变电所或落地式配电箱引向建筑物的导管,建筑物一侧的导管管口应设在建筑物内.3、电缆导管的弯曲半径不应小于电缆最小允许弯曲半径,电缆最小允许弯曲半径符合本规范12。
2.1—1的规定。
4、金属导管内外壁应防腐处理;埋设于混凝土内的导管内壁应防腐处理,外壁可不作防腐处理。
5、绝缘导管敷设应符合下列规定:1)管口平整光滑;管与管、管与盒(箱)等器件采用插入法连接时,连接处结合面涂专用胶合剂,接口牢固密封;2)直埋于地下或楼板内的刚性绝缘导管,在穿出地面或楼板易受机构损伤的一段,采取保护措施;3)当设计无要求时,埋设在墙内或混凝土内的绝缘导管,采用中型以上的导管;4)沿建筑物、构筑物表面和在支架上敷设的刚性绝缘导管,按设计要求装设温度补偿装置.6、金属、非金属柔性导管敷设应符合下列规定:1)刚性导管经柔性导管与电气设备、器具连接,柔性导管的长度在动力工程中不大于0.8m。
在照明工程中不大于1。
2m;2)可挠金属管或其他柔性导管与刚性导管或电气设备、器具间的连接采用专用接头;复合型可挠金属管或其他柔性导管的连接处密封良好,防液覆盖完整无损;3)可挠性金属导管和金属柔性导管不能做接地(PE)或接零(PEN)的接续导体。
管内穿线和槽盒内敷线检验批质量验收记录
注:本表内容的填写需依据《现场验收检验批检查原始记录》。
本检验批质量验收的规范依据见本页背面。
填写说明
一、填写依据
1 《建筑电气工程质量验收规范》GB50303-2002。
2 《建筑工程施工质量验收统一标准》GB50300-2013。
二、检验批划分
可按楼层、系统、施工段、竖井等划分检验批。
三、GB50303-2002规范摘要
主控项目
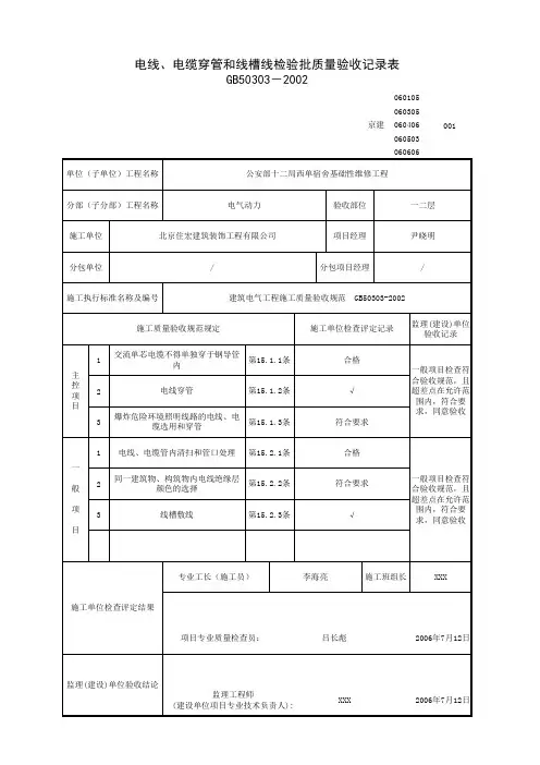
15.1.1 三相或单相的交流单芯电缆,不得单独穿于钢导管内。
15.1.2 不同回路、不同电压等级和交流与直流的电线,不应穿于同一导管内;同一交流回路的电线应穿于同一金属导管内,且管内电线不得有接头。
15.1.3 爆炸危险环境照明线路的电线和电缆额定电压不得低于750V,且电线必须穿于钢导管内。
一般项目
15.2.1 电线、电缆穿管前,应清除管内杂物和积水。
管口应有保护措施,不进入接线盒(箱)的垂直管口穿入电线、电缆后,管口应密封。
15.2.2 当采用多相供电时,同一建筑物、构筑物的电线绝缘层颜色选择应一致,即保护地线(PE线)应是黄绿相间色,零线用淡蓝色;相线用:A相-黄色、B相-绿色、C相-红色。
15.2.3 线槽敷线应符合下列规定:
1 电线在线槽内有一定余量,不得有接头。
电线按回路编号分段绑扎,绑扎点间距不应大于2m。
2 同一回路的相线和零线,敷设于同一金属线槽内。
3 同一电源的不同回路无抗干扰要求的线路可敷设于同一线槽内;敷设于同一线槽内有抗干扰要求的线路用隔板隔离,或采用屏蔽电线且屏蔽护套一端接地。
电线、电缆穿管和线槽敷设检验批质量验收记录表(一)电线、电缆穿管和线槽敷设是建筑工程中重要的一环,对于保障电气设备的正常运行、防范火灾等方面都有着至关重要的作用。
为了确保穿管和敷设质量符合规定和要求,需要进行检验批质量验收,下面是电线、电缆穿管和线槽敷设检验批质量验收记录表:一、项目名称二、施工单位三、工程地点四、质量验收内容1. 穿管和敷设过程中的隐蔽工程验收(质量问题、尺寸、位置等);2. 电线、电缆的验收(规格是否符合要求、是否有损伤等);3. 线槽、穿管管道的验收(质量问题、尺寸、位置等)。
五、质量验收标准1. 穿管和敷设过程中的隐蔽工程验收1.1 质量问题:无影响施工质量及使用的质量问题。
1.2 尺寸:管道壁厚均匀,不少于设计规定的壁厚。
1.3 位置:与设计比不超过正負 5mm 的范围内。
2. 电线、电缆的验收2.1 规格:符合设计要求。
2.2 损伤:无明显损伤。
3. 线槽、穿管管道的验收3.1 质量问题:无影响施工质量及使用的质量问题。
3.2 尺寸:管道壁厚均匀,不少于设计规定的壁厚。
3.3 位置:与设计比不超过正負 5mm 的范围内。
六、质量验收结果1. 穿管和敷设过程中的隐蔽工程验收□ 合格□ 不合格2. 电线、电缆的验收□ 合格□ 不合格3. 线槽、穿管管道的验收□ 合格□ 不合格七、质量验收结论合格□;不合格□。
八、质量验收人员签字施工单位质量验收员:_____________ 日期:_____________建设单位质量验收员:_____________ 日期:_____________以上就是电线、电缆穿管和线槽敷设检验批质量验收记录表,只有严格制定合理的检验批质量验收标准和规范的验收流程,才能确保电线、电缆穿管和线槽敷设的质量符合要求,提高工程质量水平,保障施工进度和质量。
SG-A079电线导管、电缆导管和线槽敷设安装工程
检验批质量验收记录
工程名称分项工程名称
验收部位施工单位
项目负责人专业工长施工班组长施工执行标准及编号建筑电气工程施工质量验收规范 GB50303-2002质 量 验 收 规 范 的 规 定施工单位检查评定记录监理(建设)单位验收
主控项目 1.金属导管和线槽接地或
接零
14.1.1条
2.金属导管的连接14.1.2条
3.防爆导管的连接1
4.1.3条
一般项目 1.室外埋地敷设的电缆导
管埋深
≥0.7m 4.绝缘导管在砌体上剔槽
埋设
14.1.4条
2.室外落地式配电箱内的管
口,当箱底无封板时,管
口应高出基础面
50~80mm
3.电缆导管的弯曲半径
14.2.3条
表12.2.1-1
般
-A079
2
位验收记录。
SG-A079电线导管、电缆导管和线槽敷设安装工程检验批质量验收记录工程名称遂宁市妇女儿童医院综合业务用房二次装修建设项目分项工程名称电线、电缆管线槽安装工程验收部位施工单位中晟升博集团有限公司项目负责人陈阳专业工长施工班组长杨建波施工执行标准及编号质量验收规范的规定施工单位检查评定记录监理(建设)单位验收记录主控项目1.金属导管和线槽接地或接零14.1.1条2.金属导管的连接14.1.2条3.防爆导管的连接14.1.3条4.绝缘导管在砌体上剔槽埋设14.1.4条一般项目1.室外埋地敷设的电缆导管埋深≥0.7m 2.室外落地式配电箱内的管口,当箱底无封板时,管口应高出基础50~80mm3.电缆导管的弯曲半径14.2.3条表12.2.1-1 4.室内落地式柜、台、箱、盘内的管口,应高出柜、台、箱、盘的基础面50~80mm5.暗配的导管埋设深度≥15mm 6.明配导管的管卡设置14.2.6条四川省建设厅制SG—A079填写说明一、本表适用于各种电线导管、电缆导管和线樽安装工程的施工质量验收。
二、该分顼工程检验批可按建筑物的楼层、单元和区段来划分。
三、主控项目中:1.金属的导管和线槽必须接地或接零可靠;镀锌钢管、金属软管和金属线槽不得熔焊跨接接地。
用专用接地卡跨接连线的铜芯软导线截面积不小于4mm2,非镀锌钢导管采用螺纹连接,连接的两端焊跨接接地线;金属线槽不做设备的接地导体。
2.金属导管严禁对口熔焊连接;镀锌和壁厚小于等于2mm的钢导管不得套管熔焊连接。
3.防爆导管不应采用倒扣连接,如有困难,应采用防爆活接头,其接合面应严密。
4.导管在砌体剔槽埋设应采用强度不小于M10的水泥砂浆抹面保护,其厚度大于15mm。
四、一般项目中:1.室外埋地敷设的电缆导管,埋深不应小于0.7m,壁厚≤2mm的钢导管不应室外埋地。
2.金属导管内外壁应该防腐处理,埋设于混凝土内的导管内壁应防腐处理,外壁可不防腐处理。
3.电缆导管的弯曲半径不应小于电缆的最小弯曲半径,应符合本规范表12.2.1-1的规定。