市政给排水管道验收记录表-完整版
- 格式:docx
- 大小:196.43 KB
- 文档页数:25
市政给排水管道验收记录表
单位(子单位)工程质量竣工验收记录
编号:
单位(子单位)工程质量控制资料核查表
编号:
编号:
编号:
编号:
编号:
编号:
编号:
编号:
编号
编号
编号:
编号
钢管内防腐层工程检验批质量验收记录
编号:
钢管外防腐层工程检验批质量验收记录
编号:
钢管阴极保护工程检验批质量验收记录
编号:
球墨铸铁管接口连接工程检验批质量验收记录
编号:
钢筋混凝土管、预(自)应力混凝土管、预应力钢筒混凝土管接口连接工程检验批质量验收记录
编号:
化学建材管接口连接工程检验批质量验收记录
编号:
管道铺设工程检验批质量验收记录
编号:
井室工程检验批质量验收记录
编号:
编号:
编号:
(以上未列项目执行此表格)。
单位(子单位)工程质量竣工验收记录
编号:
单位(子单位)工程质量控制资料核查表
编号:
单位(子单位)工程观感质量核查表
编号:
单位(子单位)工程结构安全和使用功能性检测记录表
编号:
分部(子分部)工程质量验收记录
编号:
分项工程质量验收记录
编号:
沟槽开挖与地基处理工程检验批质量验收记录
编号:002
沟槽支护工程检验批质量验收记录
编号:
沟槽回填(刚性管道)工程检验批质量验收记录Ⅰ
编号:
沟槽回填(刚性管道)工程检验批质量验收记录
编号: 004
编号
编号
编号:
编号
编号:
编号:
编号:
编号:
钢筋混凝土管、预(自)应力混凝土管、预应力钢筒混凝土管接口连接工程检验批质量验收记录
编号:
化学建材管接口连接工程检验批质量验收记录
编号:
管道铺设工程检验批质量验收记录
编号:002
井室工程检验批质量验收记录
编号:
雨水口及支、连管工程检验批质量验收记录
编号:
编号:
(以上未列项目执行此表格)。
沟槽开挖与地基处理工程检验批质量验收记录
编号:1
沟槽回填(柔性管道)工程检验批质量验收记录Ⅰ
编号:6-
沟槽回填(柔性管道)工程检验批质量验收记录Ⅱ
编号:7-
管道基础工程检验批质量验收记录
编号2-
管道铺设工程检验批质量验收记录
编号:3-
井室工程检验批质量验收记录
编号:4
雨水口及支、连管工程检验批质量验收记录
编号:5-
施工单位检查评定结果项目专业质量检查员:
年月日
监理(建设)单位
验收结论监理工程师
(建设单位项目专业技术负责人)年月日。
降水与排水工程检验批质量验收记录010202□□单位(子单位)工程名称分部(子分部)工程名称验收部位施工单位工程经理分包单位分包工程经理施工执行标准名称及编号施工质量验收规*的规定施工单位检查评定记录监理〔建立〕单位验收记录1排水沟坡度1~2‰2井管〔点〕垂直度1%3井管〔点〕间距〔与设计相比〕≤150%4井管〔点〕插入深度〔与设计相比〕≤200mm5过滤砂砾料填灌〔与计算值相比〕≤5mm6井点真空度:轻型井点喷射井点>60kpa>93kpa一般项目7电渗井点阴阳极距离:轻型井点喷射井点80~100mm120~150mm专业工长(施工员)施工班组长施工单位检查评定结果工程专业质量检查员:年月日监理(建立)单位验收结论专业监理工程师:〔建立单位工程专业技术负责人〕年月日渗排水、盲沟排水工程检验批质量验收记录010512□□单位(子单位)工程名称分部(子分部)工程名称验收部位施工单位工程经理分包单位分包工程经理施工执行标准名称及编号施工质量验收规*的规定施工单位检查评定记录监理〔建立〕单位验收记录1反滤层质量第6.1.8条主控项目2集水管埋深及坡度第6.1.9条1渗排水层构造第6.1.10条2渗排水层铺设第6.1.11条一般项目3盲沟构造第6.1.12条专业工长(施工员)施工班组长施工单位检查评定结果工程专业质量检查员: 年 月 日监理(建立)单位验收结论专业监理工程师:〔建立单位工程专业技术负责人〕年 月 日排〔雨〕水管道灌水试验记录质控〔水〕表-1 共 页 第 页单位〔子单位〕工程名称施工单位试验日期排水管在设计图上编号排水管灌水高度〔部位或管段〕灌水持续时间〔min〕管内液面情况外观检查处理情况结论专业监理工程师施工质检员施工员〔建立单位工程专业技术负责人〕单位试验员排水管道通水能力试验记录质控〔水〕表-2 共页第页单位〔子单位〕工程名称施工单位试验日期排水管始讫层次试验情况管路编号修复情况出现问题后结论质 检 员施 工 员专业监理工程师〔建立单位工程专业技术负责人〕施工单位试 验 员排水管道通球试验记录质控〔水〕表4.2.6-3 共 页 第 页单位〔子单位〕工程名称施工单位试验日期管道编号试验部位管径〔mm 〕球径〔mm 〕试 验 情 况出现问题后修复情况结论质 检 员施 工 员专业监理工程师〔建立单位工程专业技术负责人〕施工单位试 验 员水泵试运转测试检查记录质控〔水〕表 共 页 第 页单位〔子单位〕工程名称施工单位试运转日期设备名称型号规格安装位号制造厂名出厂日期水泵扬程出口压力间 隙轴向倾斜要求值〔滴〕径向位移联轴器用手盘动滴水情况填 料室每分钟实测值〔滴〕最高温度〔℃〕室内温度轴承温度机身温度阀门工作情况额定电压值(V)实 测I A实测电压值(V)I B 额定电流值(A)电 流值(A)I C电 动 机 绝 缘 电 阻 值相间绝缘电阻值〔MΩ〕相对地绝缘电阻值〔MΩ〕A - BB – CC – AA – EB – EC – E外 壳 接 地 电 阻 值〔Ω〕实测值其他试运转情况结论质 检 员施 工 员专业监理工程师〔建立单位工程专业技术负责人〕施工单位试 验 员雨水管道及配件安装工程检验批质量验收记录050202□□单位〔子单位〕工程名称分部〔子分部〕工程名称验收部位施工单位工程经理分包单位分包工程经理施工执行标准名称及编号施工质量验收规*的规定施工单位检查评定记录监理〔建立〕单位验收记录1室内雨水管道灌水试验第5.3.1条2塑料雨水管安装伸缩节第5.3.2条〔1〕管径50mm 20‰〔2〕管径75mm 15‰〔3〕管径100mm 8‰〔4〕管径125mm 6‰〔5〕管径150mm5‰3地下埋设雨水管道最小坡度〔6〕管径200~400mm4‰主控项目4悬吊雨水管最小坡度≤5‰1雨水管不得与生活污水管道连接第条2雨水斗管安装第条管径≤150 ≯15m 3悬吊式雨水管道检查口间距管径≥200 ≯20m焊口平直度管壁厚10mm 以内管壁厚1/4高 度焊缝加强面宽 度+1mm 深 度小于0.5mm 连续长度25mm4焊口允许偏差咬边长 度总长度〔两侧〕小于焊缝长度的10%一般项目5雨水管道安装的允许偏差同室内排水管第条专业工长〔施工员〕施工班组长施工单位检查评定结果工程专业质量检查员: 年 月 日监理〔建立〕单位验收结论专业监理工程师:〔建立单位工程专业技术负责人〕年 月 日分部工程质量验收记录〔建筑给水、排水及采暖〕质控〔水〕表4.2.9-8 05□□工程名称构造质式验收部位层 数建筑面积施工日期验收日期施工单位技术部门负责人质量部门负责人分包单位分包单位负责人分包技术负责人序号项目验收记录验收结论室内给水系统 □室内排水系统□室内热水供给系统 □卫生器具安装 □室内采暖系统□建筑中水系统及游泳池系统 □1子分部工程名称供热锅炉及辅助设备安装□共子分部,经查子分部,符合规*及设计要求子分部2质 量 控 制 资 料共项,经核查符合要求项,经核定符合规*要求项3安 全 和 功 能 检验〔检测〕报告共抽查项,符合要求项,经返工处理符合要求项4观 感 质 量共抽查项,符合要求项,不符合要求项综合验收意 见分包单位工程经理: 年 月 日施工单位工程经理: 年 月 日设计单位工程负责人:年 月 日验收单位监理〔建立〕单 位总监理工程师:〔建立单位工程负责人〕年 月 日室外给水管道安装工程检验批质量验收记录050601□□单位〔子单位〕工程名称分部〔子分部〕工程名称验收部位施工单位工程经理分包单位分包工程经理施工执行标准名称及编号施工质量验收规*的规定施工单位检查评定记录监理〔建立〕单位验收记录1埋地管道覆土深度第条2给水管道不得直接穿越污染源第条3管道上可拆和易腐件,不埋在土中第条4管井内安装与井壁的距离第条5管道的水压试验第条6埋地管道的防腐第条主控工程7管道冲洗和消毒第条1管道和支架的涂漆第条2阀门、水表安装位置第条3给水与污水管平行铺设的最小间距第条4管道连接符合规*要求第9.2.12,第9.2.13,第9.2.14,第9.2.15,第9.2.16,第埋地100mm 铸铁管敷设在沟槽内50mm 埋地100mm 坐标钢管、塑料管、复合管敷设在沟槽内或架空40mm 埋地±50mm铸铁管敷设在地沟内±30mm埋地±50mm 标高钢管、塑料管、复合管敷设在沟槽内或架空±30mm 铸铁管直段〔25m 以上〕起点~终点40mm一般项目5管道安装允许偏差水平管纵横向弯曲钢管、塑料管、复合管直段〔25m 以上〕起点~终点30mm 施工单位检查评定结果专业工长〔施工员〕施工班组长工程专业质量检查员:年月日监理〔建立〕单位验收结论专业监理工程师:〔建立单位工程专业技术负责人〕年月日管沟及井室工程检验批质量验收记录050603□□单位〔子单位〕工程名称分部〔子分部〕工程名称验收部位施工单位工程经理分包单位分包工程经理施工执行标准名称及编号施工质量验收规*的规定施工单位检查评定记录监理〔建立〕单位验收记录1管沟的基层处理和井室的地基设计要求2各类井盖的标识应清楚,使用正确第条3通车路面上的各类井盖安装第条主控工程4重型井圈与墙体结合部处理第条1管沟及各类井室的位置、坐标,沟底标高设计要求2管沟的回填要求第条一般3管沟岩石基底要求第条4管沟回填的要求第条5井室内施工要求第条项目6井室内应严密,不透水第条专业工长〔施工员〕施工班组长施工单位检查评定结果工程专业质量检查员:年月日监理〔建立〕单位验收结论专业监理工程师:〔建立单位工程专业技术负责人〕年月日室外排水管道安装工程检验批质量验收记录050701□□单位〔子单位〕工程名称分部〔子分部〕工程名称验收部位施工单位工程经理分包单位分包工程经理施工执行标准名称及编号施工质量验收规*的规定施工单位检查评定记录监理〔建立〕单位验收记录主控1管道坡度符合设计要求、严禁无坡或倒坡设计要求工程2灌水试验和通水试验第条1排水铸铁管的水泥捻口第条2排水铸铁管除锈、涂漆第条3承插接口安装方向第条4砼管或钢筋砼管抹带接口的要求第条埋地100mm 坐标敷设在沟槽内50mm 埋地±20mm 标高敷设在沟槽内±20mm 每5m 长10mm 一般项目5允许偏差水平管道纵横向弯曲全长〔两井间〕30mm专业工长〔施工员〕施工班组长施工单位检查评定结果工程专业质量检查员:年月日监理〔建立〕单位验收结论专业监理工程师:〔建立单位工程专业技术负责人〕年月日室外排水管沟及井池工程检验批质量验收记录050702□□单位〔子单位〕工程名称分部〔子分部〕工程名称验收部位施工单位工程经理分包单位分包工程经理施工执行标准名称及编号施工质量验收规*的规定施工单位检查评定记录监理〔建立〕单位验收记录1沟基的处理和井池的底板设计要求主控工程2检查井、化粪池的底板及进出口水管标高设计要求1井池的规格、尺寸和位置,砌筑、抹灰第条一般项目2井盖标识、选用正确第条施工单位检查评定结果专业工长〔施工员〕施工班组长工程专业质量检查员:年月日监理〔建立〕单位验收结论专业监理工程师:〔建立单位工程专业技术负责人〕年月日室外供热管道及配件安装工程检验批质量验收记录050801□□单位〔子单位〕工程名称分部〔子分部〕工程名称验收部位施工单位工程经理分包单位分包工程经理施工执行标准名称及编号施工质量验收规*的规定施工单位检查评定记录监理〔建立〕单位验收记录1平衡阀及调节阀安装位置及调试第条2直埋无补偿供热管道预热伸长及三通加固第条3补偿器位置和预拉伸、支架位置和构造第条4检查井、入口管道布置方便操作维修第条5直埋管道及接口现场发泡保温处理第条6管道系统的水压试验第条,第条7管道冲洗第条主控工程8通热试运行调试第条1管道的坡度设计要求2除污器构造、安装位置第条3管道的焊接第条,第条4管道安装对应位置尺寸第11.211、条5管道防腐应符合规*第条敷设在沟槽内及架空20坐标〔mm 〕埋地50敷设在沟槽内及架空±10标高〔mm 〕埋地±15管径≤100mm 1每1m管径>100m 1.5管径≤100mm ≯13水平管道纵、横方向弯曲〔mm 〕全长〔25mm 〕管径>100m ≯25管径≤100mm 8%椭圆率管径>100m 5%管径≤100mm 4一般项目6安装允许偏差折皱不平度〔mm 〕管径125~200mm 5管径250~400mm7厚度+0.1δ,-0.05δ卷材57管道保温允许偏差外表平整度〔mm 〕涂抹10专业工长〔施工员〕施工班组长施工单位检查评定结果工程专业质量检查员:年月日监理〔建立〕单位验收结论专业监理工程师:〔建立单位工程专业技术负责人〕年月日。
单位(子单位)工程质量竣工验收记录编号:工程名称 施工单位 项目经理类型 技术负责人 项目技术负责人验收记录工程造价开工日期 竣工日期 序号 项目 验收结论共 分部,经查 分部 分部1 2分部工程符合标准及设计要求质量控制 资料核查共 项,经审查符合要求 经核定符合规范规定项, 项安全和主要使共核查 项,符合要求 项,符合要求项, 用功能核查及抽查 3共抽查项, 项经返工处理符合要求结果观感质量 检验 共抽查 项,符合要求 项,4 5不符合要求项综合验收 结论建设单位设计单位 施工单位 监理单位(公章)参加 验收 单位(公章) (公章) (公章)项目负责人项目负责人 项目负责人 项目负责人年 月 日年 月 日 年 月 日 年月 日单位(子单位)工程质量控制资料核查表编号:工程名称 施工单位序 资料名称 份数 核查意见号○1管节、管件、管道设备及管配件等;○ 2防腐层材料、阴极保护设 材质质量 保证资料13 备及材料;○钢材、焊材、水泥、砂石、橡胶止水圈、混凝土、砖、 混凝土外加剂、钢制构件、混凝土预制构件○1管道接口连接质量检测(钢管焊接无损探伤检验、法兰或压兰螺2栓拧紧力矩检测、熔焊检验);○内外防腐层(包括补口、补伤)3 4 防腐检测;○预水压试验;○混凝土强度、混凝土抗渗、混凝土抗 2 施工检测冻、砂浆强度、钢筋焊接;○ 5回填土压实度;○6柔性管道环向变形7检测;○不开槽施工土层加固、支护及施工变形等测量;○ 8管道设9 10备安装测试;○阴极保护安装测试;○桩基完整性检测、地基处理 检测○1管道水压试验;○给水管道冲洗消毒;○管道位置及高程;○浅 埋暗挖管道、盾构管片拼装变形测量;○5混凝土结构管道渗漏水调7阴2 34 结构安全和使 用功能性检测3 46 查;○管道及抽升泵站设备(或系统)调试、电气设备电试;○ 8极保护系统测试;○桩基动测、静载试验○1控制桩(副桩)、永久(临时)水准点测量复核;○2施工放样复施工测量3核;○竣工测量○1施工组织设计(施工方案)、专题施工方案及批复;○2焊接工艺评定及作业指导书;○图纸会审、施工技术交底;○ 4设计变更、技 3 施工技术 管理5 6术联系单;○质量事故(问题)处理;○ 6材料、设备进场验收;计5 7量仪器校核报告;○工程会议纪要;○施工日记8○1验收批、分项、分部(子分部) 、单位(子单位)工程质量验收验收记录2记录;○隐蔽验收记录○1接口组对拼装、焊接、拴接、熔接;○ 2地基基础、地层等加固处3 理;○桩基成桩;○支护结构施工;○沉井下沉;○混凝土浇筑;45 67 8施工记录 竣工图○7管道设备安装;○顶进(掘进、钻进、夯进);○沉管沉放及桥8 9 10管吊装;○焊条烘陪、焊接热处理;○ 11防腐层补口补伤等结论: 结论:施工项目经理:总监理工程师:年月日年月日单位(子单位)工程观感质量核查表编号:工程名称 施工单位 序号 检查项目抽查质量情况好中差管道、管道附件位、 附属构筑物位置1 2 3管道设备 附属构筑物管道工程大口径管道(渠、廊);管道内部、管廊内管道安装4 5地上管道 (桥管、架空管、虹吸管 )及承重结构6 7回填土 管道结构 8防水、防腐 管缝(变形缝)进、出洞口 工作坑(井) 管道线形9 顶管、盾 构、浅埋暗 挖、定向 钻、 10 11 12 13 14 15夯管附属构筑物 下部结构地面建筑水泵机电设备、管道安装及基础支架 16抽升泵站17 18防水、防腐 附属设施、工艺观感质量综合评定结论:结论:施工项目经理:总监理工程师:年月日年月日单位(子单位)工程结构安全和使用功能性检测记录表编号:工程名称施工单位序资料核查意见功能抽查结果安全和功能检查项目号1 压力管道水压试验(无压力管道严密性试验)记录给水管道冲洗消毒记录及报告234阀门安装及运行功能调试报告及抽查检验其他管道设备安装测试报告及功能检测5 6管道位置高程及管道变形测量及汇总阴极保护安装及系统调测报告及抽查检验防腐绝缘检测汇总及抽查检验78 钢管焊接无损检测报告汇总9 混凝土试块抗压强度试验汇总10 混凝土试块抗渗、抗冻试验汇总1112131415地基基础加固检测报告桥管桩基础动测或静载试验报告混凝土结构管道渗漏水调查记录抽升泵站的地面建筑其他结论:结论:施工项目经理:总监理工程师:年月日年月日分部(子分部)工程质量验收记录编号:工程名称施工单位分包单位分部工程名称技术部门负责人分包单位负责人质量部门负责人分包技术负责人序号分项工程名称验收批数施工单位检查评定验收意见123456789质量控制资料安全和功能检验(检测)报告观感质量验收分包单位项目经理年年年月月月日日日施工单位项目经理验收单位设计单位项目负责人监理单位建设单位总监理工程师年年月月日日项目负责人(专业技术负责人)分项工程质量验收记录编号:工程名称 施工单位 分包单位分项工程名称验收批数项目经理项目技术负责人 施工班组长分包单位负责人 施工单位检查 评定结果序号 验收批名称、部位监理(建设)单位验收结论1 2 3 4 5 6 7 8 9 10 11 12 13 14 15 16 17 18 19 20验收 结 论检查 结论施工项目 监理工程师:技术负责人:(建设项目专业技术负责人)年 月 日 年月 日沟槽开挖与地基处理工程检验批质量验收记录编号:工程名称分部工程名称 专业工长分项工程名称 项目经理施工单位验收批名称、部位 分包单位分包项目经理施工班组长 施工单位检查 评定记录监理(建设) 单位验收记录GB50268-2008《给水排水管道工程施工及验收规范》 的规定1 原状地基土不得扰动、受水浸泡或受冻; 主 控 项2 3地基承载力应满足设计要求;目地基处理时,压实度、厚度应满足设计要求;应测点,实测点。
市政给排水管道验收记录表
单位(子单位)工程质量竣工验收记录
编号:
单位(子单位)工程质量控制资料核查表
编号:
编号:
编号:
编号:
编号:
编号:
编号:
编号:
编号:
编号
编号
编号:
编号
编号:
钢管外防腐层工程检验批质量验收记录
编号:
钢管阴极保护工程检验批质量验收记录
编号:
球墨铸铁管接口连接工程检验批质量验收记录
编号:
编号:
编号:
管道铺设工程检验批质量验收记录
编号:
井室工程检验批质量验收记录
编号:
编号:
编号:
(以上未列项目执行此表格)
Welcome !!! 欢迎您的下载,资料仅供参考!
Welcome !!! 欢迎您的下载,资料仅供参考!。
单位(子单位)工程质量竣工验收记录单位(子单位)工程质量控制资料核查表编号:编号:编号:编号:编号:编号:002沟槽支护工程检验批质量验收记录沟槽回填(刚性管道)工程检验批质量验收记录I编号:沟槽不得带水回填,回填应密实;符合要求回填土压实度应符合设计及或规范要求;应测10点,实测10点。
刚性管道沟槽回填土压实度检査项II 最低压实度(%检查数量检查点偏差值或实测值施工单位检查情况重型击实标准轻型击实标准范围占儿、石灰土类垫层9395两井之间或1 0 0 0 nf每层每侧组(每组3占八、、合格率%沟槽在路基范围内胸腔部分管侧8790合格率%管顶以上250 mm87 ± 2 (轻型)合格率%山路槽底算起的深度范围(mm)< 800快速路及主干路9598合格率%次干路9395合格率%支路9092合格率%>800〜1500快速路及主干路9395合格率%次干路9092合格率%支路8790合格率%>1500快速路及879089909897989294959192合格率100 %次干路879089889091929596919294合格率100 %支路37 19091929688888987919593合格率100 %平均合格率100 %检验结论符合要求施工单位检查项目专业质量检查员: 主控项目.一般项目均符合设计规范要求评定结果监理工程师监理(建设)单位(建设单位项U专业技术负责人)验收结论年月日沟槽回填(柔性管道)工程检验批质量验收记录工程名称分部工程名称分项工程名称施1】单位专业工长项目经理验收批名称、部位分包单位分包项目经理施工班组长GB50268- 2008《给水排水管道工程施工及验收规范》的规定施工单位检查评定记录监理(建设)单位验收记录回填土压实度应符合设计或规范要求; 应测点,实测点。
柔性管道沟槽回填土圧实度平均合格率检验结论施工单位检查 评定结果项LI 专业质量检查员:工程名称分部工程名称分项工程名称施匸单位专业工长项目经理验收批名称、部位分包单位分包项目经理 施工班组长GB50268- 2008《给水排水管道工程施工及验收规范》的规定施工单位检查评定记录监理(建设) 单位验收记录主 控 项目 1 原状地基的承载力符合设计要求;2混凝土基础的强度符合设计要求;3砂石基础的压实度符合设计或规范要求;应测点,实测点。
市政给排水管道工程检
验批质量验收记录表
LG GROUP system office room 【LGA16H-LGYY-LGUA8Q8-LGA162】
单位(子单位)工程质量竣工验收记录
编号:
单位(子单位)工程质量控制资料核查表
编号:
单位(子单位)工程观感质量核查表
编号:
单位(子单位)工程结构安全和使用功能性检测记录表
编号:
分部(子分部)工程质量验收记录
编号:
分项工程质量验收记录
编号:
沟槽开挖与地基处理工程检验批质量验收记录
编号:002
沟槽支护工程检验批质量验收记录
编号:
沟槽回填(刚性管道)工程检验批质量验收记录Ⅰ
编号:
沟槽回填(刚性管道)工程检验批质量验收记录
编号: 004
编号
编号
编号:
编号
编号:
编号:
编号:
钢筋混凝土管、预(自)应力混凝土管、预应力钢筒混凝土管接口连接工程检验批质量验收记录
编号:
化学建材管接口连接工程检验批质量验收记录
编号:
管道铺设工程检验批质量验收记录
编号:002
井室工程检验批质量验收记录
编号:
雨水口及支、连管工程检验批质量验收记录
编号:
编号:
(以上未列项目执行此表格)。
沟槽开挖报验申请表工程名称:太康县迎宾路污水主干管工程编号:
注:本表各相关单位各一份。
沟槽开挖与地基处理工程检验批质量验收记录
编号:
沟槽支护报验申请表工程名称:太康县迎宾路污水主干管工程编号:
注:本表各相关单位各一份。
沟槽支护工程检验批质量验收记录
编号:
沟槽回填报验申请表工程名称:太康县迎宾路污水主干管工程编号:
注:本表各相关单位各一份。
沟槽回填工程检验批质量验收记录
编号
管道铺设报验申请表工程名称:太康县迎宾路污水主干管工程编号:
注:本表各相关单位各一份。
管道基础工程检验批质量验收记录
编号
建材管接口连接工程检验批质量验收记录
编号:
管道铺设工程检验批质量验收记录
编号:
检查井工程报验申请表工程名称:太康县迎宾路污水主干管工程编号:
注:本表各相关单位各一份。
井室工程检验批质量验收记录
编号:。
单位工程竣工验收报审表工程名称:山西法官培训学院培训基地项目给水支线工程注:本表一式三份,项目监理机构、建设单位、施工单位各一份。
单位(子单位)工程质量竣工验收记录编号:单位(子单位)工程质量控制资料核查表单位(子单位)工程观感质量核查表单位(子单位)工程结构安全和使用功能性检测记录表分部工程报验表工程名称:山西法官培训学院培训基地项目给水支线工程注:本表一式三份,项目监理机构、建设单位、施工单位各一份。
土方工程分部(子分部)工程质量验收记录报审、报验表工程名称:山西法官培训学院培训基地项目给水支线工程注:本表一式二份,项目监理机构、施工单位各一份。
沟槽开挖分项工程质量验收记录报审、报验表工程名称:山西法官培训学院培训基地项目给水支线工程注:本表一式二份,项目监理机构、施工单位各一份。
沟槽开挖与地基处理工程检验批质量验收记录报审、报验表工程名称:山西法官培训学院培训基地项目给水支线工程注:本表一式二份,项目监理机构、施工单位各一份。
沟槽开挖与地基处理工程检验批质量验收记录编号:002报审、报验表工程名称:山西法官培训学院培训基地项目给水支线工程注:本表一式二份,项目监理机构、施工单位各一份。
沟槽开挖与地基处理工程检验批质量验收记录编号:003报审、报验表工程名称:山西法官培训学院培训基地项目给水支线工程注:本表一式二份,项目监理机构、施工单位各一份。
沟槽开挖与地基处理工程检验批质量验收记录报审、报验表工程名称:山西法官培训学院培训基地项目给水支线工程注:本表一式二份,项目监理机构、施工单位各一份。
沟槽开挖与地基处理工程检验批质量验收记录报审、报验表工程名称:山西法官培训学院培训基地项目给水支线工程注:本表一式二份,项目监理机构、施工单位各一份。
沟槽开挖与地基处理工程检验批质量验收记录编号:006报审、报验表工程名称:山西法官培训学院培训基地项目给水支线工程注:本表一式二份,项目监理机构、施工单位各一份。
单位工程竣工验收报审表工程名称:山西法官培训学院培训基地工程给水支线工程单位〔子单位〕工程质量竣工验收记录编号:单位〔子单位〕工程质量控制资料核查表单位〔子单位〕工程观感质量核查表单位〔子单位〕工程结构平安和使用功能性检测记录表分部工程报验表工程名称:山西法官培训学院培训基地工程给水支线工程土方工程分部〔子分部〕工程质量验收记录报审、报验表工程名称:山西法官培训学院培训基地工程给水支线工程沟槽开挖分项工程质量验收记录报审、报验表工程名称:山西法官培训学院培训基地工程给水支线工程工程名称:山西法官培训学院培训基地工程给水支线工程编号:002工程名称:山西法官培训学院培训基地工程给水支线工程编号:003工程名称:山西法官培训学院培训基地工程给水支线工程工程名称:山西法官培训学院培训基地工程给水支线工程工程名称:山西法官培训学院培训基地工程给水支线工程沟槽开挖与地基处理工程检验批质量验收记录编号:006报审、报验表工程名称:山西法官培训学院培训基地工程给水支线工程沟槽开挖与地基处理工程检验批质量验收记录报审、报验表工程名称:山西法官培训学院培训基地工程给水支线工程沟槽回填分项工程质量验收记录报审、报验表工程名称:山西法官培训学院培训基地工程给水支线工程沟槽回填〔柔性管道〕工程检验批质量验收记录报审、报验表工程名称:山西法官培训学院培训基地工程给水支线工程沟槽回填〔柔性管道〕工程检验批质量验收记录报审、报验表工程名称:山西法官培训学院培训基地工程给水支线工程沟槽回填〔柔性管道〕工程检验批质量验收记录报审、报验表工程名称:山西法官培训学院培训基地工程给水支线工程沟槽回填〔柔性管道〕工程检验批质量验收记录报审、报验表工程名称:山西法官培训学院培训基地工程给水支线工程沟槽回填〔柔性管道〕工程检验批质量验收记录报审、报验表工程名称:山西法官培训学院培训基地工程给水支线工程沟槽回填〔柔性管道〕工程检验批质量验收记录报审、报验表工程名称:山西法官培训学院培训基地工程给水支线工程沟槽回填〔柔性管道〕工程检验批质量验收记录分部工程报验表工程名称:山西法官培训学院培训基地工程给水支线工程聚乙烯PE管开槽主体结构分部〔子分部〕工程质量验收记录报审、报验表工程名称:山西法官培训学院培训基地工程给水支线工程注:本表一式二份,工程监理机构、施工单位各一份。
市政给排水管道验收记录表
单位(子单位)工程质量竣工验收记录
编号:
单位(子单位)工程质量控制资料核查表
工程名称 施工单位
序 号
检查项目
抽查质量情况
好
中
差
1 管道工程
管道、管道附件位、 附属构筑物位置
2 管道设备
3
附属构筑物
4 大口径管道(渠、廊) ;管道内部、管廊内管道安
装
5 地上管道 ( 桥管、架空管、 虹吸管 ) 及承重结
构
6 回填土
7 顶管、 盾构、浅
埋暗挖、定向 钻、 夯管
管道结构
8 防水、防腐
9
管缝(变形缝)
10 进、出洞口
11
工作坑(井)
12 管道线形
13 附属构筑物
14 抽升泵站
下部结构
15
地面建筑
16 水泵机电设备、管道安装 及基础支架
17 防水、防腐
18
附属设施、工艺
观感质量综合评定
结论: 结论:
施工项目经理:
单位(子单位)工程观感质量核查表
总监理工程师:
编号:
年月日
年月单位(子单位)工程结构安全和使用功能性检测记录表
编号:
分部(子分部)工程质量验收记录
编号:
分项工程质量验收记录
验收 单位
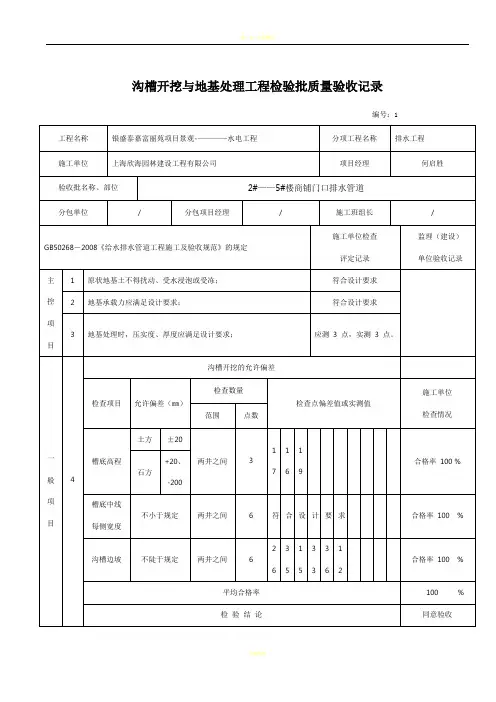
工程名称 开化县华埠镇华锋民工公寓市政配套工程
分部工程名称
排水工程 分项工程名称 沟槽 施工单位
马金建设集团有限公司
专业工长
项目经理
韩雪女
验收批名称、部位
分包单位 分包项目经理
施工班组长
施工单位检查 监理(建设)
GB50268-2008《给水排水管道工程施工及验收规范》的规定
评定记录 单位验收记录
主1 原状地基土不得扰动、受水浸泡或受冻;
控 2
地基承载力应满足设计要求;
项
目3
地基处理时,压实度、厚度应满足设计要求;
应测 点,实测 点。
沟槽开挖的允许偏差
检查数量
施工单位
检查项目 允许偏差(㎜)
检查点偏差值或实测值
检查情况
范围 点数
土方
±20
槽底高程
+20 、 两井之间
3
合格率 %
般4 石方
+20、
项
-200
槽底中线
目
不小于规定 两井之间
6
合格率 %
每侧宽度
沟槽边坡 不陡于规定 两井之间 6
合格率 %
平均合格率
%
检验结 论
检查 结论
施工项目 技术负责人:
监理工程师:
(建设项目专业技术负责人)
沟槽开挖与地基处理工程检验批质量验收
记录
年月日
沟槽支护工程检验批质量验收记录
沟槽回填(刚性管道)工程检验批质量验收记录Ⅱ
编号:
编号
工程名称分部工程名称分项工程名称施工单位专业工长项目经理验收批名称、部位
分包单位分包项目经理施工班组长
GB50268-2008《给水排水管道工程施工及验收规范》的规定施工单位检查评定记录监理(建设)单位验收记录
主控项目1 回填材料符合设计要求;
2 沟槽不得带水回填,回填应密实;
3 柔性管道的变形率不得超过设计或规范要求;
4 回填土压实度应符合设计或规范要求;应测点,实测点。
般
项目5
柔性管道沟槽回填土压实度
槽内部位
压实度
(%)
回填材料
检查数量
检查点偏差值或实测值
施工单位检查情
况
范围点数
管
道
基
础
管底基础
≥90
中、粗砂
--合格率% 管道有效支撑角
范围
≥95 每100m
每层每
侧一组
(每组
3 点)
合格率% 管道两侧≥95 中、粗砂、碎石
屑,最大粒径小
于40 ㎜的砂砾
或符合要求的原
土
两井之间
或每1000
㎡
合格率% 管顶以
上500
㎜
管道两侧≥90 合格率%
管道上部85±2 合格率%
支路
87 90 合格率%
>1500
快速路及主
干路
87 90 合格率%
次干路87 90 合格率%
支路87 90 合格率%
平均合格率%
检验结论
评定结果
年月日
监理(建设)单
位
监理工程师
(建设单位项目专业技术负责
人)
沟槽回填(柔性管道)工程检验批质量验收记录
项目专业质量检查
员:
施工单位检
年月
管道基础工程检验批质量验收记
录
编号
钢管接口连接工程检验批质量验收记录
㎜;D i > 300 ㎜时,允许偏差≤ 2 ㎜;
11
连接的法兰之间应保持平行,其允许偏差不大于法兰外径的1.5 ‰,且不大于2 ㎜;螺孔中心允许偏差应为孔径的5% 。
施工单位检查评定结果项目专业质量检查员:
年月日
监理(建设)单位验收结论监理工程师
(建设单位项目专业技术负责人)
年月日
工程名称分部工程名称分项工程名称施工单位专业工长项目经理验收批名称、部位
分包单位分包项目经理施工班组长
GB50268-2008《给水排水管道工程施工及验收规范》的规定施工单位检查评定记录监理(建设) 单位验收记录
主控项目1
内防腐层材料应符合国家相关标准及设计要求;给水管道内防腐层材料的卫生性能应符合国家相关标准的规定;
2
水泥砂浆抗压强度符合设计要求,且不低于30MPa;
3
液体环氧涂料内防腐层表面应平整、光滑,无气泡、无划痕等,湿膜应无流淌现象;
般
项目4
水泥砂浆防腐层的厚度及表面缺陷的允许偏差
检查项目允许偏差
检查数量
检查点偏差值或实测值施工单位检查情况
范围点数
裂缝宽度(mm) ≤0.8
管节
每处
合格率% 裂缝沿管道纵向长
度
≤管道的周长,且≤ 2.0m 合格率% 平整度(mm) <2 取两个截
面,每个
截面测2
点,取偏
差
合格率% 防腐层厚度
(mm)
D i≤1000 ±2 合格率%
1000<D i≤1800 ±3 合格率%
D i>1800 +4,-3 合格率%
麻点、空窝等D
i≤1000 2 合格率%
钢管内防腐层工程检验批质量验收记录
编号
钢管内防腐层工程检验批质量验收记录
钢管外防腐层工程检验批质量验收记录
钢管阴极保护工程检验批质量验收记录
球墨铸铁管接口连接工程检验批质量验收记录
般项目5 连接后管节间平顺、接口无突起、突弯、轴向位移现象;
6 接口的环向间隙应均匀,承插口间的纵向间隙不应小于3 ㎜;
7
法兰接口的压兰、螺栓和螺母等连接件应规格型号一致,采用钢制螺栓和螺母时,防腐处理应符合设计要求;
8 管道沿曲线安装时,接口转角应符合第5.5.8 条。
施工单位检查评定结果项目专业质量检查员:
年月日
监理(建设)单位验收结论监理工程师
(建设单位项目专业技术负责人)
年月日
钢筋混凝土管、预(自)应力混凝土管、预应力钢筒混凝土管
接口连接工程检验批质量验收记录
编号:工程名称
分部工程名称分项工程名称
施工单位专业工长项目经理
验收批名称、部位
分包单位分包项目经理施工班组长
GB50268-2008《给水排水管道工程施工及验收规范》的规定施工单位检查评定记
录
监理(建设)
单位验收记录
主控项目1
管及管件、橡胶圈的产品质量应符合第5.6.1 、5.6.2 、5.6.5 、5.7.1 条;
2
柔性接口的橡胶圈位置正确,无扭曲、外露现象;承口、插口无破顺、开裂;双道橡胶圈的单口水压试验合格;
3 刚性接口的强度符合设计要求,不得有开裂、空鼓、脱落现象;
一
4 柔性接口的安装位置正确,其纵向间隙应符合第 5.6.9 、5.7.2 条;
化学建材管接口连接工程检验批质量验收记录
编号:
管道铺设工程检验批质量验收记录
编号:
井室工程检验批质量验收记录
雨水口及支、连管工程检验批质量验收记录
工程检验批质量验收记录。