交通运输建筑施工企业安全生产标准化达标考评指标
- 格式:doc
- 大小:156.50 KB
- 文档页数:11
交通运输工程建设企业安全生产标准化达标考评指标
年月日名):
注:1、“★”为一级必备条件;“★★”为二级必备条件;“★★★”为三级必备条件。
必备条件为考评指标中申请相应达标级别的企业必须完全满足的指标项。
即该项不得扣分,必须得满分。
2、评为一级达标企业的考评分数不低于900分(满分1000分,下同)
且满足所有必备条件,评为二级达标企业的考评分数不低于700分且满足二、
三级必备条件,评为三级达标企业的考评分数不低于600分且满足三级必备条
件。
3、“项目”“公司”栏目是局安管部增设的,其中打“√”的项目,是表明该
项工作主要负责实施的单位。
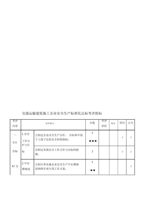
交通运输企业安全生产标准化达标考评指标三、出租汽车企业安全生产达标考评指标考评内容考评要点分值考评评价得分一、安全目标35分1.安全工作方针与目标①制定企业安全生产方针、目标和不低于上级下达的安全控制指标;5★★★②制定实现安全工作方针与目标的措施。
52.中长期规划①制订和实施企业安全生产中长期规划和跨年度专项工作方案。
5★★3.年度计划①根据中长期规划,制定年度计划和年度专项活动方案,并严格执行。
54.目标考核①将安全生产管理指标进行细化和分解,制定阶段性的安全生产控制指标;5②制定安全生产目标考核与奖惩办法; 5③定期考核年度安全生产目标完成情况,并奖惩兑现。
5二、管理机构和人员40分1.安全管理机构①成立安全生产委员会(或领导小组),下属各分支机构分别成立相应的领导机构。
安委会职责明确,实行主要领导负责制;10★★②按规定设置与企业规模相适应的安全生产管理机构;15★★★③定期召开安全生产委员会会议。
安全生产管理机构和下属各分支机构每月至少召开一次安全工作例会。
52.管理人员配备①按规定足额配备专职安全生产和应急管理人员。
10★★★三、安全责任体系45分1.健全责任制①企业主要负责人、分管领导、全体员工安全职责明确,制定并落实安全生产责任制,层层签订安全生产责任书,并落实到位;10★★★②主要负责人或实际控制人是安全生产第一责任人,按照安全生产法律法规赋予的职责,对安全生产负全面组织领导、管理责任和法律责任,并履行安全生产的责任和义务;5★★。
③分管安全生产的负责人是安全生产的重要负责人,统筹协调和综合管理企业的安全生产工作,对安全生产负重要管理责任;5④其他负责人和全体员工实行“一岗双责”,对业务范围内的安全生产工作负责;5⑤安全生产管理机构、各职能部门、生产基层单位的安全职责明确并落实到位。
102.责任制考评①根据安全生产责任进行定期考核和奖惩,公告考评和奖惩情况。
10★★四、法规和安全管理制度70分1.资质①《道路运输经营许可证》、《企业法人营业执照》合法有效,经营范围符合要求。
交通运输建筑施工企业安全生产标准化考评评分细则(1)是否有建立健全的安全生产管理制度,并能有效执行?(2)是否有健全的安全教育培训制度和安全警示教育机制?2. 安全生产责任制落实情况(15分)(1)是否明确了各级领导的安全生产责任?(2)是否建立了完善的安全生产责任追究机制?(3)是否对违规人员及时进行处理和惩罚?3. 安全生产组织机构设置情况(10分)(1)是否建立了完善的安全生产组织机构?(2)是否明确了各级安全生产管理人员的职责和权利?4. 安全生产设施、设备配备和维护情况(15分)(1)是否按照国家法律法规和标准要求,配备了完善的安全生产设施和设备?(2)是否定期对安全设施和设备进行维护和检查?5. 安全风险评估和控制情况(20分)(1)是否开展了全面的安全风险评估,并建立了安全风险控制台账?(2)是否有完善的应急预案和应急演练机制?6. 安全生产记录和档案管理情况(10分)(1)是否建立了详实的安全生产记录和档案管理制度?(2)是否能及时对事故隐患进行记录和处理?7. 安全生产意识和文化建设情况(10分)(1)是否开展了安全生产宣传教育活动,并形成了浓厚的安全生产氛围?(2)是否对员工进行了安全生产培训和考核?8. 安全生产监督检查和自查自评情况(10分)(1)是否建立了安全生产监督检查机制,并进行了定期检查?(2)是否开展了自查自评活动,并及时改正存在的问题?以上评分细则是根据建筑施工企业的实际情况进行设定,评分结果将直接影响企业的安全生产等级评定和相关奖惩措施。
希朇企业能够将安全生产工作放在首位,切实加强安全管理,保障员工的生命财产安全。
在交通运输建筑施工企业中,安全生产是关乎员工生命安全和企业持续发展的重要问题。
为了确保企业的安全生产工作能够得到有效的管理和控制,需要对安全生产标准化进行考评和评分,以便及时发现和解决安全隐患,减少安全事故的发生。
首先,安全生产管理制度规范性是考评的重要指标之一。
交通运输企业安全生产标准化达标考评指标
一、城市公共汽车客运企业安全生产达标考评指标
二、出租汽车企业安全生产达标考评指标
三、道路旅客运输企业安全生产达标考评指标
四、道路危险货物运输企业安全生产达标考评指标
五、道路交通普通货运企业安全生产达标考评指标
六、道路货物运输场站安全生产达标考评指标
七、机动车维修企业安全生产达标考评指标
八、汽车客运站安全生产达标考评指标
说明:
1.“★”为一级必备条件;“★★”为二级必备条件;“★★★”为三级必备条件。
必备条件为考评指标中申请相应达标级别的企业必须完全满足的指标项。
2.评为一级达标企业的考评分数不低于900分(满分1000分,下同)且满足所有必备条件,评为二级达标企业的考评分数不低于700分且满足二、三级必备条件,评为三级达标企业的考评分数不低于600分且满足三级必备条件。
交通运输企业安全生产标准化达标考评指标
一、城市公共汽车客运企业安全生产达标考评指标
考评员(签名):年月日
二、出租汽车企业安全生产达标考评指标
考评员(签名):年月日
三、道路旅客运输企业安全生产达标考评指标
考评员(签名):年月日
四、道路危险货物运输企业安全生产达标考评指标
考评员(签名):年月日
五、道路交通普通货运企业安全生产达标考评指标。
交通运输部关于印发交通运输企业安全生产标准化考评管理办法和达标考评指标的通知文章属性•【制定机关】交通运输部•【公布日期】2012.04.23•【文号】交安监发[2012]175号•【施行日期】2012.04.23•【效力等级】部门规范性文件•【时效性】失效•【主题分类】交通运输综合规定正文交通运输部关于印发交通运输企业安全生产标准化考评管理办法和达标考评指标的通知交安监发[2012]175号根据《关于进一步加强企业安全生产工作的通知》(国发〔2010〕23号)、《关于坚持科学发展安全发展促进安全生产形势持续稳定好转的意见》(国发〔2011〕40号)精神和《关于深入开展企业安全生产标准化建设的指导意见》(安委〔2011〕4号)的部署,起草了《交通运输企业安全生产标准化考评管理办法》和《交通运输企业安全生产标准化达标考评指标》,现印发给你们,请结合实际,抓好细化落实。
交通运输部(章)二〇一二年四月二十三日交通运输企业安全生产标准化考评管理办法第一章总则第一条为贯彻落实国务院关于加强企业安全生产工作的要求,依据《关于进一步加强企业安全生产工作的通知》(国发〔2010〕23号)和《关于坚持科学发展安全发展促进安全生产形势持续稳定好转的意见》(国发〔2011〕40号),规范交通运输企业安全生产标准化考评及其管理行为,制定本办法。
第二条本办法适用于全国交通运输企业安全生产标准化考评及其管理活动。
第三条交通运输企业安全生产标准化达标等级分为一级、二级、三级,其中城市轨道交通企业安全生产达标标准等级分为一级、二级。
评为一级达标企业的考评分数不低于900分(满分1000分,下同)且完全满足所有达标企业必备条件,评为二级达标企业的考评分数不低于700分且完全满足二、三级达标企业必备条件,评为三级达标企业的考评分数不低于600分且完全满足三级达标企业必备条件。
第四条交通运输部主管全国交通运输企业安全生产标准化工作并负责一级达标企业的考评工作。
交通运输企业安全生产标准化达标考评指标1. 引言交通运输企业是重要的基础设施建设和经济运行的支撑力量,其安全生产标准化达标考评指标是确保道路、铁路、水路和航空等交通运输环节的安全和顺畅运行的重要依据。
本文将介绍交通运输企业安全生产标准化达标考评指标的相关要点和常见指标。
2. 相关概念解析2.1 安全生产标准化安全生产标准化是指根据国家标准和行业规范,按照一定的程序和要求,对交通运输企业的安全生产管理体系进行评估和认证的过程。
其目的是提高企业的安全生产管理水平,防范和减少事故发生。
2.2 达标考评指标达标考评指标是衡量交通运输企业安全生产标准化水平的依据和工具,通过对企业安全生产管理体系的各项指标进行评估,得出达标情况的评价。
3. 交通运输企业安全生产标准化达标考评指标3.1 安全管理制度1.安全生产责任制度是否健全;2.安全管理组织机构是否完善;3.安全生产规章制度是否健全且得到有效执行;4.安全教育和培训制度是否完善;5.事故应急预案是否完备且得到及时更新。
3.2 安全生产设施1.交通工具的安全性能是否符合相关标准;2.交通工具的维护保养制度是否有效执行;3.安全生产设施的完善程度,如消防设施、监控设备等;4.交通工具的使用是否符合相关操作规程;5.设备设施的检测和维修保养记录是否完备。
3.3 安全生产操作1.司机和工作人员的安全操作意识和技能是否达标;2.安全操作规程和流程是否得到有效执行;3.交通企业对各类事故的分析和处理能力;4.驾驶员的驾驶行为是否符合交通安全法规;5.对重大事故的处理和善后措施。
3.4 安全风险防控1.对各类风险的评估和防范措施;2.应急预案的编制和演练;3.对特殊天气和路况的应对能力;4.安全管理体系的监督和改进;5.对事故隐患的排查和整改。
4. 结论交通运输企业安全生产标准化达标考评指标是保障交通运输行业安全和顺畅运行的重要手段。
通过对安全管理制度、安全生产设施、安全生产操作以及安全风险防控等方面的评估,可以有效提升交通运输企业的安全管理水平,并减少事故的发生。
关于印发交通运输企业安全生产标准化考评管理办法和达标考评指标的通知交安监发[2012]175号根据《关于进一步加强企业安全生产工作的通知》(国发〔2010〕23号)、《关于坚持科学发展安全发展促进安全生产形势持续稳定好转的意见》(国发〔2011〕40号)精神和《关于深入开展企业安全生产标准化建设的指导意见》(安委〔2011〕4号)的部署,起草了《交通运输企业安全生产标准化考评管理办法》和《交通运输企业安全生产标准化达标考评指标》,现印发给你们,请结合实际,抓好细化落实。
交通运输部(章)二〇一二年四月二十三日交通运输企业安全生产标准化考评管理办法第一章总则第一条为贯彻落实国务院关于加强企业安全生产工作的要求,依据《关于进一步加强企业安全生产工作的通知》(国发〔2010〕23号)和《关于坚持科学发展安全发展促进安全生产形势持续稳定好转的意见》(国发〔2011〕40号),规范交通运输企业安全生产标准化考评及其管理行为,制定本办法。
第二条本办法适用于全国交通运输企业安全生产标准化考评及其管理活动。
第三条交通运输企业安全生产标准化达标等级分为一级、二级、三级,其中城市轨道交通企业安全生产达标标准等级分为一级、二级。
评为一级达标企业的考评分数不低于900分(满分1000分,下同)且完全满足所有达标企业必备条件,评为二级达标企业的考评分数不低于700分且完全满足二、三级达标企业必备条件,评为三级达标企业的考评分数不低于600分且完全满足三级达标企业必备条件。
第四条交通运输部主管全国交通运输企业安全生产标准化工作并负责一级达标企业的考评工作。
省级交通运输主管部门负责本管辖范围内交通运输企业安全生产标准化工作和二、三级达标企业的考评工作。
长江航务管理局、珠江航务管理局分别负责长江干线、西江干线跨省航运企业安全生产标准化工作和二、三级达标企业的考评工作。
以上部门和单位统称为主管机关。
第五条交通运输企业安全生产标准化考评包括初次考评、换证考评和附加考评等三种形式。
交通运输建筑施工企业安全生产标准化达标考评指标考评分值考评项目公司考评要点得分内容评价一、 1.安全工作方安全针与目目标标2.中长35 分期规划①制定企业安全生产方针、目标和不低于上级下达的安全控制指标;②制定实现安全工作方针与目标的措施。
①制订和实施企业安全生产中长期规划和跨年度专项工作方案。
5★★★55★★√√√√√考评内容二、3.年度计划4.目标考核1.安全考评要点①根据中长期规划,制定年度计划和年度专项活动方案,并严格执行。
①将安全生产管理指标进行细化和分解,制定阶段性的安全生产控制指标;②制定安全生产目标考核与奖惩办法;③定期考核年度安全生产目标完成情况 ,并奖惩兑现。
①成立安全生产委员会(或领导小组),下属各分支机构分别成立相应的领导机构。
安委会职责明确,实行主要领导负责制;分值考评得分项目公司评价5√√5√√5√√5√√5√√★★管理机构和人员35分管理机构2.管理人员配备②按规定设置独立的安全生产管理机10√构;★★★③定期召开安全生产委员会会议。
安全生产管理机构和下属各分支机构每月5√√至少召开一次安全工作例会。
①按规定足额配备专职安全生产和应10√√急管理人员;★★★②公司领导班子设置专职安全生产负5★★√√责人。
考评考评要点内容①企业主要负责人、分管领导、全体员工安全职责明确,制定并落实安全生产责任制,层层签订安全生产责任书,并落实到位;②主要负责人或实际控制人是安全生产第一责任人,按照安全生产法律法规赋予的职责,对安全生产负全面组织领导、管理责任和法律责任,并履行安全三、生产的责任和义务;安全1.健全③分管安全生产的负责人是安全生产责任责任制的重要负责人,统筹协调和综合管理企体系业的安全生产工作,对安全生产负重要管理责任;分值考评得分项目公司评价10√√★★★5√√5√√45 分④其他负责人和全体员工实行“一岗双责”,对业务范围内的安全生产工作负责;⑤安全生产管理机构、各职能部门、生产基层单位的安全职责明确并落实到位。
交通运输企业安全生产标准化达标考评指标1. 是否建立了健全的安全管理组织机构,包括设置安全管理部门或安全管理员,并明确责任人和职责。
2. 是否建立了符合法律法规要求的安全生产管理制度,包括安全生产责任制、安全生产规章制度、安全操作规程等。
3. 是否建立了全面的安全培训和教育体系,包括安全培训计划、培训内容和培训记录等。
4. 是否建立了健全的安全隐患排查治理制度,包括定期安全检查、安全隐患排查报告和整改措施等。
5. 是否建立了应急预案和应急演练制度,包括定期开展应急演练、应急预案更新和演练记录等。
二、安全生产设施1. 是否配备了符合要求的安全生产设施,包括消防设施、安全防护设备等,是否定期检修和维护。
2. 是否对生产设备和工具进行定期维护,包括设备使用记录、维护记录和维修情况。
三、安全生产行为1. 是否严格执行各项安全操作规程和操作程序,是否存在违章操作行为及时纠正和处理。
2. 是否积极参与安全培训和教育,是否定期开展安全生产知识宣传和教育活动。
3. 是否依法参加安全生产督查,是否遵守相关安全生产法律法规,是否存在违反安全生产规定的行为。
以上指标是交通运输企业安全生产标准化达标考评的主要内容,企业需按照相关要求建立和完善安全管理体系,保障安全生产,避免发生安全事故。
四、事故记录及应急处置1. 是否建立了事故记录和报告制度,包括事故的报告、调查、分析和处理情况等。
2. 是否建立了应急处置和救援预案,包括定期组织应急演练、演练记录和处置方案更新等。
3. 是否及时上报相关安全事故和紧急情况,是否按照法律法规和企业规定进行处理和报告。
五、安全生产绩效评价1. 是否开展定期的安全生产绩效评价,包括事故率、伤亡率、安全生产费用等指标的收集和分析。
2. 是否建立了追责问责机制,对安全生产管理不到位或违规行为进行处理和追责。
3. 是否建立了安全生产奖惩制度,对安全生产工作中的先进个人和集体进行奖励和表彰。
六、安全生产宣传教育1. 是否定期开展安全生产宣传教育活动,包括安全知识宣传、安全生产主题教育等。
十六、交通运输建筑施工企业安全生产达标考评指标一、考评指标意义随着时代的发展,人们对于安全生产的意识越来越强烈,尤其是在一些危险性较高的行业,例如交通运输、建筑施工等,对于安全生产的考核和监管更是严格。
而企业的安全生产工作是保证生产经营稳定可持续的重要条件之一。
因此,制定一套合理的考评指标体系,可以有利于企业加强对于安全生产的管理和控制,提高员工的安全意识与责任感,进而有效的预防和减少安全事故的发生。
二、考评指标的构成交通运输建筑施工企业安全生产达标考评指标主要由以下部分组成:1.企业自身的安全管理指标企业自身的安全管理指标是围绕企业自身的安全管理情况来展开考评。
其中主要包括落实安全责任、加强职工安全教育宣传、建立健全安全管理制度、开展安全检查和隐患整改等方面。
这些方面的考核将直接反映出企业对于安全生产的重视程度,以及安全管理是否得到了恰当的执行与落实。
2.生产作业安全指标生产作业安全指标是以企业的日常生产作业为考核对象,考核生产作业是否符合国家和地方相关安全管理标准,是否存在作业风险,以及是否存在安全事故隐患等方面。
通过对于这些方面的考核,可以判断企业的生产作业安全管理和控制是否符合要求,并采取相应的对策进行预防和控制。
3.事故应急处理指标事故应急处理指标是指企业在发生安全事故时,能否迅速有效地进行应急处理和应对。
其中主要包括事故报告与处置、事故现场应急救援和事故后续整改等方面。
通过对于这些方面的考核,可以评估企业在应对突发事件时的专业素养及危机应对能力,进而强化事故预防与应急处理的管理和改进。
4.交通运输和建筑施工相关标准指标交通运输和建筑施工相关标准指标是以国家和地方相关标准规定为基础,考核企业是否符合相关要求。
其中主要包括施工环境安全要求、车辆管理标准、道路交通标志标线设置、建筑施工危险源识别和控制等方面。
通过对于这些方面的考核,可以明确规定企业应当遵照的标准要求,进而加强规范化管理和监督检查。
十六、交通运输建筑施工企业安全生产达标考评指标十六、交通运输建筑施工企业安全生产达标考评指标项目标准化指标分值自评分测评分扣分说明 1 安全目标 35 分安全工作方针与目标①制定企业安全生产方针、目标和不低于上级下达的安全控制指标;考评要点:1)企业应制定包括安全生产方针、目标的管理制度。
2)制定的目标应包括管理类目标、整改类目标和事故类目标。
评分要求:全部满足得 5 分;不满足得 0 分5★★★ ②制定实现安全工作方针与目标的措施。
考评要点:1)企业应每年制定一次年度安全生产方针与指标。
2)企业应将年度安全生产方针与目标,以企业最高行政文件下发给各基层单位和职能部门。
评分要求:满足要求得 5 分,部分满足酌情扣分,不满足得 0 分。
5 中长期规划①制订和实施企业安全生产中长期规划和跨年度专项工作方案。
考评要点:1)企业应制定安全生产中长期规划和跨年度专项工作方案 2)1/ 3企业应制定实施相关规划和各项工作方案的相关档案文件评分要求:全部满足得 5 分;不满足得 0 分5★★ 年度计划①根据中长期规划,制定年度计划和年度专项活动方案,并严格执行。
考评要点:5 1)企业应制定年度计划和年度专项活动方案的文件资料。
2)企业应制定年度计划和年度专项活动方案相关执行档案文件评分要求:满足要求得 5 分,部分满足扣 1-2 分。
目标考核①将安全生产管理指标进行细化和分解,制定阶段性的安全生产控制指标;考评要点:企业对安全生产管理指标进行细化分解,并制定阶段性安全生产控制指标档案文件。
评分要求:满足要求得 5 分,部分满足扣 1-2 分。
5 ②制定安全生产目标考核与奖惩办法;考评要点:企业应制定安全生产目标考核办法和奖惩办法的档案文件评分要求:满足要求得 5 分,部分满足扣 1-2 分。
5 ③定期考核年度安全生产目标完成情况,并奖惩兑现。
考评要点:1)企业应按照考核与奖惩办法进行考核,兑现奖惩。
2)企业如需要调整目标和实施计划,则需要提供有关决定调整目标和实施计划的会议记录或纪要 3)企业应制定调整后的目标和实施计划的文件等评分要求:满足要求得 5 分,每项不满足 2 分,扣完为止。
交通运输企业安全生产标准化达标考评指标一、城市公共汽车客运企业安全生产达标考评指标
考评员(签名):年月日
二、出租汽车企业安全生产达标考评指标
考评员(签名):年月日
三、道路旅客运输企业安全生产达标考评指标
考评员(签名):年月日
四、道路危险货物运输企业安全生产达标考评指标
考评员(签名):年月日
五、道路交通普通货运企业安全生产达标考评指标
考评员(签名):年月日
六、道路货物运输场站安全生产达标考评指标
考评员(签名):年月日。
交通运输企业安全生产标准化达标考评指标一、城市公共汽车客运企业安全生产达标考评指标考评内容考评要点分值考评评价得分一、安全目标35分1.安全工作方针与目标①制定企业安全生产方针、目标和不低于上级下达的安全控制指标;5★★★②制定实现安全工作方针与目标的措施。
52.中长期规划①制订和实施企业安全生产中长期规划和跨年度专项工作方案。
5★★3.年度计划①根据中长期规划,制定年度计划和年度专项活动方案,并严格执行。
54.目标考核①将安全生产管理指标进行细化和分解,制定阶段性的安全生产控制指标;5②制定安全生产目标考核与奖惩办法; 5③定期考核年度安全生产目标完成情况,并奖惩兑现。
5二、管理机构和人员40分1.安全管理机构①成立安全生产委员会(或领导小组),下属各分支机构分别成立相应的领导机构。
安委会职责明确,实行主要领导负责制;10★★②按规定设置与企业规模相适应且独立的安全生产管理机构;15★★★③定期召开安全生产委员会会议。
安全生产管理机构和下属各分支机构每月至少召开一次安全工作例会。
52.管理人员配备①按规定足额配备专职安全生产和应急管理人员。
10★★★三、安全责任体系1.健全责任制①企业主要负责人、分管领导、全体员工安全职责明确,制定并落实安全生产责任制,层层签订安全生产责任书,并落实到位;10★★★45分②主要负责人或实际控制人是安全生产第一责任人,按照安全生产法律法规赋予的职责,对安全生产负全面组织领导、管理责任和法律责任,并履行安全生产的责任和义务;5★★③分管安全生产的负责人是安全生产的重要负责人,统筹协调和综合管理企业的安全生产工作,对安全生产负重要管理责任;5④其他负责人和全体员工实行“一岗双责”,对业务范围内的安全生产工作负责;5⑤安全生产管理机构、各职能部门、生产基层单位的安全职责明确并落实到位。
102.责任制考评①根据安全生产责任进行定期考核和奖惩,公告考评和奖惩情况。
10★★四、法规和安全管理制度70分1.资质①《道路运输经营许可证》、《企业法人营业执照》合法有效,经营范围符合要求。