AT89S52_AVR入门与提高原件焊接顺序清单
- 格式:docx
- 大小:19.43 KB
- 文档页数:1
编写: 编号:EGWI00002 复核: 版本:0 批准: 页数:1 OF 8日期:Aug/25/2001MEC工作指引 波峰焊接机操作指引1. 目的为了保证波峰焊接机的可靠性和性能发挥良好,提高工作效率和确保产品质量稳定以及确保人身安全。
2. 适用范围2.1 生产部波峰焊接机操作员 2.2 工程部技术员。
3. 职责3.1 工程部:工程部技术员负责指导操作和监督落实操作指引。
3.2 生产部:波峰焊接机操作员负责执行操作指引进行操作。
4. 内容4.1. 通电前检查① 检查供电是否为本机额定的三相四线制电源。
② 检查设备是否良好接地。
③ 检查锡炉内锡容量是否达到要求。
④ 松香比重、容量是否适宜。
⑤ 检查气压是否调整为需要值。
⑥ 整机调整是否完成。
4.2 参数设置a . 时间制的定时设置 ① 输入当前时钟:按住 钮,同时点Day ,h+和m+钮, 输入当前的星期、小时和分钟;释放钮,即启动时钟运行。
② 设定开机/关机时间:版本:0波峰焊接机操作指引页数:2 OF 8日期:Aug/25/2001按下CH1钮直到显示一个可存储的单元为止,如:FrXX;用Day钮输入可能的天数组合,如12345,用h+和m+钮输入定时时间,如6:30h,用1钮选择开机(自动ON= )或关机(OFF= )方式,再用GH1钮存储编程数据并选择下一空闲单元,继续设置ON或OFF时间;或按钮存储编程数据,同时返回到时间状态。
b.温度表1的设定:①设置温度设定值:按下键,表面显示SP;再按键或按键,选定设置值。
②设定温度报警值:再按下键,表面显示AL,再按键或按键,选定温度报警值。
c.温度表2的设定:用旋钮设定温度限值。
温度达到设定值时,输出信号。
注意:应避免将设定值超出范围而损坏仪表;或设定值设置太低,引起误操作。
d.电子调速器①将调速器上开关拔至RUN,则电源指示灯亮。
②旋转调速旋钮至所需数值即可。
e.变频器版本:0波峰焊接机操作指引页数:3 OF 8日期:Aug/25/2001变频器参数已在机器出厂前设置好,不用重新设置。
焊接基础——电⼦元器件在线路板上的引脚顺序电⼦元器件在线路板上的引脚顺序⽂章出处:发布时间:2011/09/29 | 3361 次阅读| 29次推荐| 0条留⾔业界领先的TEMPO评估服务⾼分段能⼒,⾼性能贴⽚保险丝专为OEM设计师和⼯程师⽽设计的产品Samtec连接器完整的信号来源每天新产品时刻新体验完整的15A开关模式电源对于绝⼤多数电⼦元器件⽽⾔,它们都是有极性或者说管脚是不能焊错的。
⽐如电解电容,⼀旦焊反,通电时就会发⽣爆炸。
⼀般⽽⾔采⽤⾃动化给料机械进⾏线路板元件组装时,是不会出现放错元器件的问题的。
但是由于⽣产⼚家条件限制和元器件本⾝特点,也并不是所有元器件都可以⾃动贴装或插装的。
常见需要⼈⼯⼿动放置的有各种表⾯安装变压器、接插件、TO封装的集成电路等。
这些器件仍然有可能出现组装出错的问题。
⼀般返修是通过⼿动进⾏的,这个环节也容易出现焊接反向的问题。
因此有必要对元器件的定位⽅法和线路板上元器件焊盘及丝印的对应关系进⾏⼀下说明。
1 电容对于下图所⽰的铝通孔安装电解电容,⼀般是通过长短脚和本体上的印记来表⽰正负极的。
长脚为正极、短脚为负极。
在负极⽅的外壳上⼀般还有⽩⾊或其他平⾏于引脚的条纹。
线路板上电解电容⼀般如图所⽰进⾏标记极性。
⼀种⽅法是直接在正极侧标上⼀个“+”号。
这种⽅法的好处是焊接完成后,检查极性⽐较⽅便。
缺点是占⽤线路板的⾯积较⼤。
第⼆种⽅法是⽤丝印将负极所在区域填实。
这种极性表⽰法占⽤线路板⾯积⼩,但焊接完成后检查极性不⽅便,常见于电脑主板等线路板器件密度较⼤的场合。
通孔安装的钽电容⼀般是在正极侧的本体上标“+”号,有的品种还⽤长短脚进⼀步进⾏区分。
这种电容的线路板上的标记⽅法可以参考铝电解电容。
对于表贴铝电解电容。
被油墨涂实的⼀侧为负极,正极侧底座⼀般被切⾓处理。
它在线路板上⼀般如上图所⽰也就是在线路板上⽤丝印“+”号表⽰正极,同时把器件的外形轮廓画出来。
这样有切⾓的⼀边也可以⽤以辨认正极。
(1)焊前处理步骤焊接前,应对元器件引脚或电路板的焊接部位进行处理,一般有“刮”、“镀”、“测”三个步骤:“刮”:就是在焊接前做好焊接部位的清洁工作。
一般采用的工具是小刀和细砂纸,对集成电路的引脚、印制电路板进行清理,去除其上的污垢,清理完后一般还需要往待拆元器件上涂上助焊剂。
“镀”:就是在刮净的元器件部位上镀锡。
具体做法是蘸松香酒精溶液涂在刮净的元器件焊接部位上,再将带锡的热烙铁头压在其上,并转动元器件,使其均匀地镀上一层很薄的锡层。
“测”:就是利用万用表检测所有镀锡的元器件是否质量可靠,若有质量不可靠或已损坏的元器件,应用同规格元器件替换。
(2)焊接步骤做好焊前处理之后,就可进行正式焊接。
不同的焊接对象,其需要的电烙铁工作温度也不相同。
判断烙铁头的温度时,可将电烙铁碰触松香,若有“吱吱”的声音,说明温度合适;若没有声音,仅能使松香勉强熔化,则说明温度太低;若烙铁头一碰上松香就大量冒烟,则说明温度太高。
一般来讲,焊接的步骤主要有三步:(1)烙铁头上先熔化少量的焊锡和松香,将烙铁头和焊锡丝同时对准焊点。
(2)在烙铁头上的助焊剂尚未挥发完时,将烙铁头和焊锡丝同时接触焊点,开始熔化焊锡。
(3)当焊锡浸润整个焊点后,同时移开烙铁头和焊锡丝。
焊接过程一般以2~3s为宜。
焊接集成电路时,要严格控制焊料和助焊剂的用量。
为了避免因电烙铁绝缘不良或内部发热器对外壳感应电压而损坏集成电路,实际应用中常采用拔下电烙铁的电源插头趁热焊接的方法。
电烙铁虚焊及其防治方法焊接时,应保证每个焊点焊接牢固、接触良好,锡点应光亮、圆滑无毛刺,锡量适中。
锡和被焊物熔合牢固,不应有虚焊。
所谓虚焊,是指焊点处只有少量锡焊住,造成接触不良,时通时断。
为避免虚焊,应注意以下几点:(1)保证金属表面清洁若焊件和焊点表面带有锈渍、污垢或氧化物,应在焊接之前用刀刮或砂纸磨,直至露出光亮金属,才能给焊件或焊点表面镀上锡。
(2)掌握温度为了使温度适当,应根据元器件大小选用功率合适的电烙铁,并注意掌握加热时间。
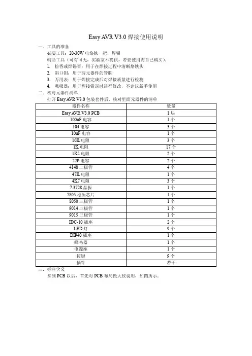
Easy A VR V3.0焊接使用说明一.工具的准备必要工具:20-30W电烙铁一把,焊锡辅助工具(可有可无,实验室不提供,若要使用需自己购买):1.松香或焊锡膏:用于在焊接过程中清晰烙铁头2.斜口钳:用于剪元器件的管脚3.万用表:用于焊接完成后对焊接质量进行检测4.吸吸器:用于焊接错误时进行修改,不建议新手使用二.核对元器件清单:打开Easy A VR V3.0包装套件后,核对里面元器件的清单器件名称数量Easy A VR V3.0 PCB 1块100uF电容1个104电容3个10uF电容1个10K电阻3个1K电阻 17个1K2电阻2个22P电容2个4148二极管4个47K电阻1个4K7电阻3个7.3728晶振1个7805稳压芯片1个8050三极管1个9014三极管1个9015三极管1个IDC-10插座2个LED灯9个DIP40插座1个蜂鸣器1个电源座1个按键9个插针若干三.标注含义拿到PCB以后,首先对PCB布局做大致说明,如图所示:区域一:电源区与蜂鸣器区域二:主控芯片区(含电源指示灯)区域三:IC扩展区区域四:串口区区域五:8路LED区域六:8路独立按键标注说明:C为电容,R为电阻,D为二极管,Q为三极管SPEAKER----蜂鸣器,ISP、JTAG----IDC-10插座VCC----扩展电源区,GND----扩展地,已和电源地相连对于三数字标注的电容和电阻,其阻值或容值的换算:如容值标注为abc,则其容值为(a*10+b)*10的c次方如:104电容的容值为:10乘以10的4次方皮法,即0.1uF对于这种标注方法,电容的单位为pF,电阻的单位为Ω四.色环的识别带有四个色环的其中第一、二环分别代表阻值的前两位数;第三环代表倍率;第四环代表误差。
快速识别的关键在于根据第三环的颜色把阻值确定在某一数量级范围内,例如是几点几K、还是几十几K的,再将前两环读出的数"代"进去,这样就可很快读出数来。
一、实习目的与要求1.平安用电常识(1) 接通电源前的检查任何新的或搬运过的以及自己不了解的用电设备,不要冒失拿起插头就往电源上插,要记住“四查而后插〞。
四查为:一查电源线有无破损;二查插头有无外露金属或内部松动;三查电源线插头两极有无短路,同外壳有无通路;四查设备所需电压值是否与供电电压相符,最简单的方法可用万用表测量。
(2) 检修、调试电子设备的考前须知①检修之前,一定要了解检修对象的电器原理,特别是电源系统。
②不要以为断开开关就没有触电危险。
只有拔下插头,并对仪器内的高电压大容量电容器放电处理后,才能认为是平安的。
③不要随便改动仪器设备的电源线。
④需要带电检查调试时,要先用试电笔检查外壳和金属件及裸露的导线是否带电,使用万用表测电压时,一定要测有关局部对地电压。
⑤洗手后或手出汗潮湿时,不要带电作业。
尽可能用单手操作,另一只手放到背后或衣袋中。
(3)常用导线的额定电流具体规那么由表1所示。
2.单片机电路板焊接及考前须知(1) 焊接工具与材料外热式电烙铁外热式电烙铁如图1所示,由烙铁头、烙铁芯、外壳、手柄等各局部组成。
由于烙铁头安装在烙铁芯里面,故称为外热式电烙铁。
烙铁芯是由电阻丝绕在用薄云母片绝缘的空心瓷管上组成的,电阻丝引出两根导线与220V交流电连接,通电后电阻丝产生的热量传送到烙铁头上,从而使烙铁头温度升高。
图1 外热式电烙铁外形外热式电烙铁的规格较多,常用的有25W,45W,75W等。
功率越大烙铁头的温度就越高。
外热式电烙铁结构简单,价格较低,使用寿命长,但其体积较大,升温较慢,热效率低。
〔2〕手工焊接要点图2 电烙铁的正确握法①焊接步骤a.加热被焊工件焊接之前应将被焊工件加热至焊料可被融化的温度,为了便于热传导,烙铁头上沾上少量的焊料,同时要掌握好烙铁头的角度,尽可能增加被焊工件的接触面积。
b.送入焊丝当焊接点到达适当温度时,利用焊锡内低温向高温流动的特点,焊丝从烙铁对面接触焊件,如图15 (a)所示。
超声波焊接机使用指导书目录一、工作原理二、产品规格及参数三、结构四、操作要领五、故障排除六、焊头设计七、塑料相熔性八、超声波应用原理九、电路图工作原理热可塑性塑料的超声波加工,是利用工件接触面间高频的磨擦使分子间急速产生热量,当此热量足够熔化工作时,停止超声波振动,此时工作接面由熔融面固化,完成加工程序。
通常用于塑料加工的频率有28KHz、20KHz和15KHz,其中28KHz和20KHz在人耳听觉范围之外,故称为超声波,但15KHz仍在耳听觉范围之内。
产品规格及参数结构本机器由超声波发生器、超声换能系统、程序控制及气动机架系统几部分组成A:组件名称(见附图1)(1)升降速度(2)焊接时间(3)保压时间(4)气压表(5)调压器(6)超声测试开关(7)焊头升降开关(8)触发开关机构(9)分水器(10)机体固定把手(11)升降手轮(12)换能器固定座(13)换能器固定螺丝(14)二级杆(15)焊头(16)触发开关(17)急停开关(18)限位螺栓(20)电源开关(21)过载指示灯(22)超声测试开关(23)负载电流表(24)调频电感(25)散热风口(26)控制插座(27)超声输出插座(28)保险丝座(29)电源线入口(30)振幅调节开关B:组件名称及功能(1)升降速度:调节此旋钮可调节焊头上下的速度,顺时针旋转减速、反之加速。
(2)焊接时间:此旋钮为一波段开关,实为一可调电阻,调节超声波焊接的时间。
(3)保压时间:此旋钮同焊接时间旋钮相同,用于调节超声波发射完后,塑料件固化的时间。
(4)气压表:指示工作气压。
(5)调压器:用于调节工作气压,将旋钮拔出即可调节,调好后再压入即可。
(6)超声测试开关:轻触开关,即可发送超声波,一般用于检测超声波是否正常。
(7)焊头升降开关:主要用于校对模具,该开关为自锁开关,按下后需重按复原。
(8)触发开关机构:用于控制自动程序下超声波的触发,如该机构是时间继电器,则表示从触发开始到超声波发出之间的延时时间;如该机构是拔盘,则是压力触发,调节拔盘,即可得到相关的触发压力。
焊前准备:1、对照电路图和元件清单仔细查对元器件。
(各元件图请看光盘内图片、)2、仔细分析电路图,预设各个元器件的摆放位置和焊接顺序。
3、准备好制作工具,万用表、镊子、吸锡器、斜口钳、剥线钳、烙铁、焊锡等。
4、插上烙铁,预热。
并将烙铁头镀上焊锡以防止烙铁头氧化。
焊接步骤:1、固定单片机插座。
最好安放在电路板的中心位置,以方便其它外围器件的安装。
焊接时,把插座稳定插入电路板中,贴紧。
焊接时,先焊两对角以固定插座,然后把其它针脚依次焊接好。
事先弄清楚焊好后单片机如何插放在插座上,以分清插座各脚序号。
单片机各脚序号如下图,针脚放在桌上,从半圆凹槽左端第一脚逆时针是1—40号脚。
2、焊接插针。
插针的焊接在电路图中未表示出来,我们在这里安装插针,是为了方便扩展单片机的外围器件。
当我们做了其它功能模块时,只需在其它电路板上焊好模块,把需要连接到单片机上的端口用导线引出,然后插在插针上,岂不很方便!这也大大提高了单片机的使用率。
在插座旁并排焊接三排插针。
第九脚,也就是你安放单片机时对应的第九脚不接插针,此脚是做复位开关用的。
除此之外,第18、19、20脚也不用焊插针,第18、19是接晶振用的,20脚接电源负极。
还有,第40脚旁焊一根(旁还有一根),40脚接电源正极,上方接负极,此种焊接有利于给其它功能模块供电。
焊盘面如图连接,直接用焊锡接上即可。
为什么这么接?还是为了方便扩展功能,用插针帽可以选择片上和片外功能模块。
3、焊接晶振晶振在强力碰撞容易损坏,所以焊接时要注意。
晶振不分级,把晶振两脚直接和19、20脚连接。
再把两个瓷片电容按电路图接好。
注意:两电容相接的脚要接地。
此时还没有焊电源模块,所以暂时搁置在那儿。
4、焊接电源模块看清电路图。
此电路才用的是双电源供电,一个是电池供电,另一个是电脑USB供电。
电池供电是四节5号电池串接,提供电压是1.5*4=6V,但单片机供电是标准的5V,所以要加7805稳压模块。
手工焊接操作步骤项目作业图操作步骤及说明相关知识及要点焊接前的准备元器件引线加工成型:元器件在印制板上的排列和安装方式有两种:一种是立式;另一种是卧式。
引线的跨距应根据尺寸优选2.5的倍数加工时,注意不要将引线齐根弯折,并用工具保护引线的根部,以免损坏元器件元器件引线表面会产生一层氧化膜,影响焊接。
要搪锡(镀锡)除少数有银、金镀层的引线外,大部分元器件引脚在焊接前必须先搪锡焊焊接准备:焊接前的准备工作是检查电烙铁,电烙铁要具有良好的接地,而且导线无破损,连接牢固。
烙铁头要保持清洁,能够挂锡并使电烙铁通电加热焊接具体操作的五步法:准备、加热、送丝、去丝、移烙铁。
焊接具体操作的五步法。
对于小热容量焊件而言,整个焊接过程不超过2~4s。
加热:加热是指加热被焊件引线及焊盘。
加热时要保证元气件引线及焊盘同时加热,同时达到焊接温度。
电烙铁头加热要沿45°方向紧贴元器件引线并与焊盘紧密接触送锡:送焊锡丝是控制焊点大小关键的一步,送锡过程要观察焊点的形成过程,控制送锡量注意:焊锡丝应从烙铁的对侧加入,而不是直接加在烙铁头上撤锡:当焊盘上形成适中的焊点后,要将焊锡丝及时撤离撤离时速度要快,且焊锡丝应始终与焊盘呈撤离电烙铁:撤离电烙铁要先慢后快,否则焊点收缩不到位容易形成拉尖,撤离方向要与焊盘呈撤离方向也要与焊盘呈45°夹角焊焊接操作手法(a)(b)(a)不正确 (b)正确采用正确的加热方法:根据焊件形状选用不同的烙铁头,尽量要让烙铁头与焊件形成面接触而不是点接触或线接触,这样能大大提高效率不要用烙铁头对焊件加力,这样地加速烙铁头的损耗和造成元件损坏(a) (b) 1-工件 2-焊锡 3-烙铁头(c) (d) (e) 采用正确的撤离烙铁方式烙铁撤离要及时。
(a)烙铁轴向45º撤离 (b)向上撤离拉尖 (c)水平方向撤离(d)垂直向下撤离、烙铁头吸除焊锡 (e)垂直向上撤离,烙铁头上不挂锡加热要靠焊锡桥。
泰勒螺柱焊接系统有限公司SYSTEM 1500拉弧式螺柱焊机使用说明书目录页序.内容.1总则3简介4设备清单5外部特征8安全11连接与焊接16焊接设定17焊接目视检查19焊接实验21螺柱焊技术与定位方法22螺柱焊接技术25控制器(电源)部件分解图及清单29前面板部件分解图30后面板部件分解图31DA2焊枪分解部件及部件清单38配件40EC合格证制造厂家详细资料泰勒螺柱焊接系统有限公司Taylor Stud Welding Systems LtdCommercial RoadDewsbury, West Yorkshire, WF13 2BD, England.电话:+44 (0)1924 452123传真:+44 (0)1924 430059电子邮件:***************************网址::CONTROLLER SERIAL No.DATE PURCHASED.技术部电话:+44 (0)1924 487703销售部电话:+44 (0)1924 487701本说明书的用途与内容本说明书用于:☞焊机操作工操作之用。
☞最终用户负责焊机安装使用人员之用。
本说明书内容包括:☞安装与连接☞操作使用☞技术数据☞备品备件☞配件更详尽的资料如果你另外需要更详尽的技术资料,请与我们(详见第1页)或我们的代理商/经销商联系。
(代理商/经销商资料可从我们索取)本说明书内容是设备安全操作运行的必备资料。
操作人员必须能够查阅本说明书。
出于安全考虑,操作人员应能随时查看本说明书。
如果本设备被售出或转让,请将本说明书一道转至新用户。
考虑到我们会为了设备的安全需要与用户联系,请立即告知我们新用户的名称和地址。
安装设备前,请仔细阅读本说明书。
请严格遵守本安全操作说明书。
简介泰勒公司SYSTEM1500螺柱焊机是一种拉弧式螺柱焊接设备。
焊接的最大直径20mm。
SYSTEM1500焊机设计紧凑,便于携带且维修保养方便。
主板维修焊接基础一、电解电容的焊接(包括小接件):拿到一块主板,如果判断此主板的电解电容已损坏,就的先把它取下,然后更换一个好的电容,大致方法如下:先用棉签棒把所取的电容引角上涂上一层焊膏,然后把烙铁放在引角上,加锡。
利用烙铁上的锡传热,把两个引角上的锡烫化,这样就可以把它取下。
把一个电容取下之后,过孔里面是有一定的锡,这样用一个好的电容是放不上去的,然后,我们就用烙铁把孔内的锡烫化,用吸锡器把锡吸出来。
然后,把所换的电容正负极和主板上的标式对齐之后,装上,然后在背面的孔上加上焊锡,这样这个电解电容就焊上去了。
小晶振、跳线插针都可用以上方法更换。
二、PCB板断线的修补PCB板的断线,大多有两种情况:1、主板上的粗线,粗线大多都是供电线,供电线是传输电压的线,电流突然变大,有可能就把此线烧断。
2、就是主板边沿的一些细线,有时候我们的主板相互磨擦时,有可能就把这种细线给碰坏了。
我们拿到一块主板,如果已经判断是部线损坏的话,就得用刀片把断线表面的绝缘层,乱去露出铜皮,在铜皮上涂上焊膏,用烙铁朝铜线上加锡,因为金属是可以沾锡(不锈钢不粘)所以铜线一旦加上锡表面就会变成银白色的,找一根细铜丝用同样方法,把铜丝加上焊锡。
然后把铜丝和断线相对应的放在主板上,用烙铁加热这样就可以把断线修补上了,之后可以涂上一层绝缘漆,起绝缘作用。
三、SMD小贴片的焊接首先将风枪温度打到5.5,风打到最小,垂直对着,所取元器件加热。
用摄子夹着元器件移动一旦元器件可以移动,就说明这个元器件可以取下来。
用棉签棒把所取元器件的焊点,抹上一层焊膏,然后把更换的元器件放到焊点上,加热,待锡溶化,这个贴片就焊上了。
四、双列SMD芯片的焊接把热风枪温度档打到“5.5”,风调到“4”左右,对着此芯片的引角垂直均匀加热,所谓的均匀加热就是:用热风枪对着芯片的引角转圈加热,因为双列的芯片两面都有引角,如果只是单面加热,是很难取下,就是取下了,这块主板有可能也被吹糊了,所以一定要均匀加热,加热一段时间,用摄子触碰一下此芯片,如果可能移动就说明可以取下,用摄子把它取下即可。
电子元件焊接技术作业指导书第1章电子元件焊接基础 (4)1.1 电子元件概述 (4)1.1.1 定义与分类 (4)1.1.2 电子元件的封装 (4)1.1.3 电子元件的标识 (4)1.2 焊接材料与工具选择 (4)1.2.1 焊接材料 (4)1.2.2 焊接工具 (4)1.3 焊接原理及分类 (5)1.3.1 焊接原理 (5)1.3.2 焊接分类 (5)第2章焊接前的准备工作 (5)2.1 元件识别与检测 (5)2.1.1 元件识别 (5)2.1.2 元件检测 (5)2.2 焊接表面处理 (6)2.2.1 清洗 (6)2.2.2 氧化层处理 (6)2.2.3 保护 (6)2.3 焊接辅助材料准备 (6)2.3.1 焊料 (6)2.3.2 助焊剂 (6)2.3.3 焊接工具 (6)2.3.4 防护用品 (6)2.3.5 焊接辅料 (6)第3章手工焊接技术 (6)3.1 焊接姿势与握笔方法 (6)3.1.1 焊接姿势 (6)3.1.2 握笔方法 (7)3.2 焊接过程控制 (7)3.2.1 预热 (7)3.2.2 焊接速度 (7)3.2.3 焊接量 (7)3.2.4 焊接时间 (7)3.3 焊点质量评价与修整 (7)3.3.1 焊点质量评价 (7)3.3.2 焊点修整 (8)第4章焊接设备的使用与维护 (8)4.1 焊接设备概述 (8)4.1.1 设备类型 (8)4.1.2 设备功能 (8)4.1.4 设备选用原则 (9)4.2 焊接设备操作流程 (9)4.2.1 设备准备 (9)4.2.2 设备调试 (9)4.2.3 焊接操作 (9)4.3 焊接设备维护与故障排除 (9)4.3.1 设备维护 (9)4.3.2 故障排除 (10)第5章常用电子元件焊接技巧 (10)5.1 表贴元件焊接 (10)5.1.1 表贴元件概述 (10)5.1.2 焊接工具与材料 (10)5.1.3 焊接步骤 (10)5.1.4 注意事项 (10)5.2 穿孔元件焊接 (11)5.2.1 穿孔元件概述 (11)5.2.2 焊接工具与材料 (11)5.2.3 焊接步骤 (11)5.2.4 注意事项 (11)5.3 焊接中的防焊措施 (11)5.3.1 防止氧化 (11)5.3.2 防止虚焊 (11)5.3.3 防止冷焊 (12)5.3.4 防止短路 (12)第6章焊接质量控制与检验 (12)6.1 焊接质量影响因素 (12)6.1.1 材料因素 (12)6.1.2 设备与工艺因素 (12)6.1.3 环境因素 (12)6.1.4 操作人员因素 (12)6.2 焊接缺陷分析 (13)6.2.1 常见焊接缺陷 (13)6.2.2 缺陷产生原因及预防措施 (13)6.3 焊接质量检验方法 (13)6.3.1 目视检验 (13)6.3.2 功能性检验 (13)6.3.3 破坏性检验 (13)6.3.4 无损检测 (13)6.3.5 质量统计分析 (13)第7章无铅焊接技术 (13)7.1 无铅焊接材料 (13)7.1.1 概述 (13)7.1.2 无铅焊锡 (13)7.1.4 焊锡膏 (14)7.2 无铅焊接工艺 (14)7.2.1 概述 (14)7.2.2 手工焊接 (14)7.2.3 波峰焊接 (14)7.2.4 回流焊接 (14)7.3 无铅焊接质量控制 (14)7.3.1 概述 (14)7.3.2 焊前检查 (14)7.3.3 过程监控 (15)7.3.4 焊后检验 (15)第8章焊接后的处理与返修 (15)8.1 焊后清洗 (15)8.1.1 清洗目的 (15)8.1.2 清洗方法 (15)8.1.3 清洗注意事项 (15)8.2 焊点加固处理 (15)8.2.1 加固目的 (15)8.2.2 加固方法 (16)8.2.3 加固注意事项 (16)8.3 焊接缺陷返修 (16)8.3.1 缺陷识别 (16)8.3.2 缺陷返修 (16)8.3.3 返修注意事项 (16)第9章特殊焊接技术 (16)9.1 气相焊接技术 (16)9.1.1 气相焊接原理 (16)9.1.2 气相焊接设备与材料 (16)9.1.3 气相焊接工艺 (17)9.1.4 气相焊接的优点与局限性 (17)9.2 激光焊接技术 (17)9.2.1 激光焊接原理 (17)9.2.2 激光焊接设备与材料 (17)9.2.3 激光焊接工艺 (17)9.2.4 激光焊接的优点与局限性 (17)9.3 焊接应用 (17)9.3.1 焊接概述 (17)9.3.2 焊接的结构及功能 (17)9.3.3 焊接的应用领域 (18)9.3.4 焊接焊接工艺 (18)9.3.5 焊接的优点与局限性 (18)第10章焊接安全与环保 (18)10.1 焊接过程中的安全防护 (18)10.1.2 环境安全 (18)10.1.3 设备安全 (18)10.2 焊接环保要求与措施 (18)10.2.1 环保材料选择 (18)10.2.2 废气处理 (18)10.2.3 污水处理 (19)10.3 焊接废弃物的处理与回收 (19)10.3.1 废弃物分类 (19)10.3.2 废弃物回收 (19)10.3.3 废弃物处理 (19)第1章电子元件焊接基础1.1 电子元件概述1.1.1 定义与分类电子元件是电子电路中的基本组成部分,按照功能可分为被动元件和主动元件两大类。
单片机开发板散装套件焊接顺序说明
序号名称型号
个
数
作用备注
1 贴片LED灯普通3
2 所有I/0输入输出指示注意正负
2 贴片电阻102 1K 6 分压限流
3 贴片电阻512 **
1 DS18B20温度传感器信号上拉可用4.7K
4 贴片电阻103 10K 4 上拉电阻
5 贴片三极管PNP 2TY 5 驱动数码管和蜂鸣器
6 排阻102 1K 4 I/O口上拉电阻带点端为公共端
7 电源指示灯红色 1 电源指示灯注意正负
8 瓷片电容30P 2 晶振起振电容
9 8P管座8脚 1 插掉电保护芯片24C02
10 16P管座16脚 1 插串口通信芯片MAX232
11 40P管座40脚 1 插四位独立共阳数码管
12 独立按键普通 6 复位和输入
13 晶振插座2脚 1 使晶振更换更方便减去中间脚
14 DS18B20插座3脚 1 使用测温程序使用
15 USB供电插座普通 1 USB供电使用
16 插头供电插座4mm 1 插头供电使用
17 下载口座10针 1 单片机下载程序用注意方向(开口向下)
18 电解电容25V10UF 7 复位电容/MAX232通信电容注意正负
19 排针单排63 电源/ I/O /跳线
20 排座单排36 液晶接口
21 可调电阻10K 1 液晶背光灯亮度调节
22 蜂鸣器5V 1 声音/报警音输出注意正负
23 电解电容50V100UF 1 电源滤波电容注意正负
24 电源开关按键开关 1 电源开关
25 电源端子AWG12-22 1 压接电源引入端子
26 9针串口座串口座 1 串口通信使用
27 单片机座40P 1 锁定单片机
28 MAX232芯片MAX232 1 串口通信使用
29 24C02芯片24C02 1 掉电保护
30 共阳数码管Cps05011bh 4 数码管显示
31 短路帽2P 8 连接相邻两个排针
32 晶振**
1 单片机提供工作时钟
33 支架塑料 4 支撑单片机板
34 单片机AT89S52 1 核心芯片。