【精选】北师大版八年级物理上册 声现象实验易错题(Word版 含答案)
- 格式:doc
- 大小:249.00 KB
- 文档页数:10
一、初二物理声现象实验易错压轴题(难)1.同学们围绕着水瓶发声的有关问题进行了以下探究。
(提出问题)敲瓶(瓶内含水)时发出的声音主要是由什么振动产生的?(猜想与假设)A.瓶子振动;B.瓶内水振动;C.瓶内空气柱振动(进行实验)(1)将瓶子装满水后用筷子敲击瓶子,瓶子仍能发出声音,故可以将猜想________排除。
(2)将瓶内水全部倒出后用筷子敲击瓶子,瓶子仍能发出声音,故可以将猜想________排除。
(得出结论)由上述实验分析可知,敲瓶发声,主要是由________振动产生的。
(提出新的问题)(1)瓶子发声的音调跟瓶内水的多少有什么关系?(2)随着瓶内水的增多,敲瓶发声的音调变化和吹瓶发声的音调变化又有何不同呢?(设计实验)(1)如图甲所示,先将8个空的玻璃瓶子放到桌子上一字摆开,再向瓶内注入不等量的水,从左到右,瓶内注入的水逐渐增多,最后用筷子从左到右依次敲击瓶口,同时用耳朵仔细听,辨别音调的高低。
(2)用嘴从左到右依次吹瓶口,同时用耳朵仔细听,辨别音调的高低。
(再得出结论)(1)敲瓶发声的音调随着瓶内水的增多而变______(选填高或低)。
(2)吹瓶发声的音调随着瓶内水的增多而变______(选填高或低)。
(拓展应用)如图乙所示. 用嘴分别对着5个高度不同的小瓶的瓶口吹气,发现瓶子越高,发出声音的音调越低。
(1)用嘴对着5个小瓶的瓶口吹气,5个小瓶均发出声音,则发出的声音是由________的振动产生的。
(2)5个小瓶产生的声音音调不同,其原因是________________。
【答案】C B瓶子低高瓶内空气柱空气柱的长短、粗细不同,导致空气柱振动的频率不同【解析】【分析】【详解】[1]将瓶子装满水后,瓶内没有空气,用筷子敲击瓶子,瓶子仍能发出声音,说明敲瓶时发出的声音不是由空气柱的振动产生的。
所以可以将猜想C排除。
[2]将瓶内水全部倒出后,瓶内没有水,用筷子敲击瓶子,瓶子仍能发出声音,说明敲瓶时发出的声音不是由瓶内水振动产生的。
一、初二物理声现象实验易错压轴题(难)1.如图所示,将塑料刻度尺的一端紧压在桌面上,另一端伸出桌面,拨动刻度尺使之振动,听塑料尺振动时发出的声音.(1)实验通过改变___________来改变声音的响度,通过改变_______来改变声音的音调.(2)换用钢尺做此实验,钢尺伸出桌面的长度、振动幅度和频率与塑料尺均相同时,听到声音的主要差异是________ (选填“响度”“音调”或“音色”)不同.(3)实验设计隐含的物理方法是比较法和_________法.(4)刻度尺振动产生的声音通过________传进耳朵,引起鼓膜______,人便听到声音.(5)实验中当刻度尺伸出桌面的部分超过一定长度时,无论如何用力拨动也听不到声音.原因是___.【答案】拨动塑料尺的力度塑料尺伸出桌面的长度音色控制变量空气振动刻度尺振动得太慢,产生的是次声波,人耳无法听到【解析】【详解】(1)响度与振幅有关,用不同大小的力拨动塑料尺,塑料尺的振幅不同,发出的声音响度不同;物体振动的快慢与物体的质量、粗细、长短等因素有关,实验要通过改变刻度尺伸出桌面的长度来改变音调.(2)钢尺和塑料尺的材料不同,当钢尺伸出桌面的长度、振动幅度和速度与塑料尺均相同时,听到声音的主要差异是音色的不同.(3)实验中研究响度与振幅关系时,应控制频率不变,而在研究音调与频率关系时,则要控制振幅相同,故实验设计隐含的物理方法除比较法外,还有控制变量法.(4)我们听到的声音,都是声波通过空气传入人耳,引起鼓膜的振动,再传给听小骨、耳蜗,传给听觉神经,引起听觉.(5) 实验中当刻度尺伸出桌面的部分超过一定长度时,无论如何用力拨动也听不到声音,原因是刻度尺振动得太慢,产生的是次声波,人耳无法听到.2.在学习吉他演奏的过程中,小华发现琴弦发出声音的音调高低是受各种因素影响的,他决定对此进行研究。
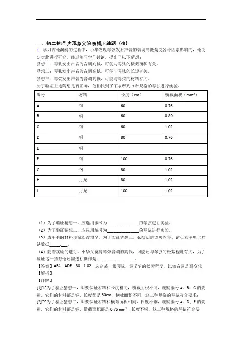
经过和同学们讨论,提出了以下猜想:猜想一:琴弦发出声音的音调高低,可能与琴弦的横截面积有关猜想二:琴弦发出声音的音调高低,可能与琴弦的长短有关猜想三:琴弦发出声音的音调高低,可能与琴弦的材料有关为了验证上述猜想是否正确,他们找到了下表所列9种规格的琴弦,因为音调高低取决于声源振动的频率,于是借来一个能够测量振动频率的仪器进行实验。
一、初二物理声现象实验易错压轴题(难)1.某同学为了探究物体发声时振动的频率高低与哪些因素有关,他选择了四根钢丝进行实验,如图所示。
具体数据如下表:编号材料长度粗细松紧甲钢丝10cm0.2mm2紧乙钢丝10cm0.1mm2紧丙钢丝5cm0.1mm2紧丁钢丝5cm0.1mm2松(1)用同样的力拨动钢丝甲和乙,发现拨动______钢丝时的音调高。
由此可以得出的结论是:在弦的长度、松紧程度相同时,振动的频率高低与弦的_________有关。
(2)为了探究发声体振动的频率高低与弦的长度的关系时,他应用同样大小的力先后拨动_______和________钢丝。
(3)先后用同样大小的力拨动钢丝丙和丁,可以得出的结论是: _____________【答案】乙粗细乙丙在钢丝的长度,粗细相同时,钢丝越紧,音调越高。
【解析】【分析】本题考查实验探究能力。
【详解】(1)[1][2]因为甲、乙两根钢丝的长度、松紧度一样,甲比乙粗,乙振动的频率大音调高,该过程是利用控制变量法来研究发声体的音调与其粗细的关系;(2)[3] [4]如果探究发声体音调高低与弦的长度的关系,必须控制两根钢丝的粗细、松紧度一样符合条件的是乙和丙两根钢丝;(3)[5]由图可以知道钢丝丙和丁长度、粗细相同,钢丝的松紧不同先后用同样大小的力拔动丙和丁两根钢丝,丙钢丝发出的音调高丁钢丝发出音调低,由此可以得出的结论是:在钢丝的长度、粗细相同时钢丝越紧音调越。
2.小明和小红想比较棉布、锡箔纸、泡沫塑料这三种材料的隔声性能.(1)小明将机械闹钟放入鞋盒内,分别盖上(不同/相同)______厚度的不同隔声材料.接着他一边听秒针走动的声音,一边向后退,直到听不见声音为止.小明在远离声源的过程中,他所听到声音的_______(响度/音调)发生改变.然后分别测量并记录此处到鞋盒的距离(如上表).分析表中数据可知:待测材料中隔声性能最好的可能是___________.(2)为了进一步验证,小红认为还可以保持__________________________相同,分别改变不同隔声材料的厚度,直到测试者听不见声音为止.然后通过比较材料的厚度来确定材料的隔声性能.若材料越厚,则说明其隔声性能越________(好/差)【答案】相同响度泡沫塑料人到声源的距离差【解析】(1)根据控制变量法,比较棉布、锡箔纸、泡沫塑料这三种材料的隔声性能,要控制不同隔声材料厚度的相同,音调大小由振动的频率决定,发出的声音音调不会改变,听到响度与听者与声源的距离有关,故小明在远离声源的过程中,他所听到声音的响度发生改变.由表可知,分析表中数据可知:泡沫塑料听不见声音的距离最小,故待测材料中隔声性能最好的可能是泡沫塑料;(2)根据控制变量法,为了进一步验证,小红认为还可以保持人到声源的距离相同,分别改变不同隔声材料的厚度,直到测试者听不见声音为止.然后通过比较材料的厚度来确定材料的隔声性能.若材料越厚,则说明其隔声性能越差.故答案为:(1). 相同 (2). 响度 (3). 泡沫塑料 (4). 人到声源的距离 (5). 差【点睛】本题比较棉布、锡箔纸、泡沫塑料这三种材料的隔声性能,控制变量法的运用及音调的决定因素及响度大小什么有关和分析数据的能力是关键.3.小华和小刚用棉线连接了两个纸杯制成了一个“土电话”.以下是他们对“土电话”的探究.()1他们用“土电话”能实现10m间的通话,这表明________.()2两人位置不变,以相同的响度讲话,改用细金属丝连接,则听到的声音就大些.这一实验表明________.()3小华和小刚利用以上两个纸杯和一些长短、粗细不同的琴弦,又进行了探究“音调和哪些因素有关”的活动.他们选用的琴弦长度、材料在如图中标出(其中琴弦的直径关==<),并且每根琴弦固定在“音箱”上的松紧程度一致.系:a c d b()4①若他们想探究“音调的高低与琴弦材料”的关系应选择琴弦_____(从“a”、“b”、“c”或“d”中选两根).②若选择琴弦a和b,则是为了研究音调的高低与________的关系.【答案】固体能够传声金属的传声效果好a、c材料粗细【解析】【分析】【详解】(1他们用“土电话”能实现10m间的通话,是因为固体能够传声,即这表明固体能够传声.()2两人位置不变,以相同的响度讲话,改用细金属丝连接,则听到的声音就大些.这一实验表明金属的传声效果好.()4①根据控制变量法的思路,若他们想探究“音调的高低与琴弦材料”的关系,应选择粗细相同,而材料不同的两根琴弦,即选择a和c;②若选择琴弦a和b,长度和材料相同,粗细不同,所以是为了研究音调的高低与材料粗细的关系.4.为了探究收音机接收电磁波的情况好坏与哪些因素有关,小明将一只袖珍收音机调好电台节目和音量后完成了以下实验:①将收音机放进一只铝锅内,发现声音明显变小,取出后又恢复了原来的音量。
一、初二物理声现象实验易错压轴题(难)1.噪声是一种严重的环境污染,李明想制作一个防噪声的耳罩,他通过比较几种材料(衣服、锡箔纸、泡沫塑料)的隔音性能,来选择一种隔音性能好的材料做耳罩的填充物。
实验器材除了待检测的材料外,还有:音叉、机械闹钟、鞋盒。
(1)在本实验中适合作声源的是_____,另一个仪器不适合作声源的理由是___(2)李明将声源放入鞋盒内,在其四周塞满待测填充材料,他设想了以下A、B两种实验方案.你认为最佳的是________方案。
A.让人站在距鞋盒一定的距离处,比较所听见声音的响度B.让人一边听声音,一边向后退,直至听不见声音为止,比较此处距鞋盒的距离实验中测得的数据如下表所示,则待测材料中隔音性能最好的是____________。
(3)实验过程中应将声源响度________(选填“调大”或“调小”),因为铃声响度越大时,人要听不到声音时与声源的距离将越_____(选填大或小),导致实验在教室中难以进行.同时在比较不同材料时铃声响度应____(选填“随材料而改变”或“保持不变”),这种物理方法叫_______。
(4)小红从家中也找出下列一些材料开始探究:一张报纸、一件羽绒服、一个薄塑料袋、一些泡沫板,李明认为小红选择这些材料直接进行实验存在一个明显问题,不能有效地说明这些材料的隔声性能,请指出这个明显的问题:_______。
(5)对材料进行科学调整后,他们通过探究得到如下实验数据:由此数据可将这些材料隔声性能最好的是____________。
【答案】机械闹钟音叉发出的声音不稳定,不能持续发声B泡沫塑料调小大保持不变控制变量法没有控制材料厚度相同羽绒服【解析】【分析】【详解】(1)[1][2]机械闹钟,发出的声音稳定,能持续发声,所以选用机械闹钟,而音叉发出的声音不稳定,不能持续发声,所以不选用音叉。
(2)[3]A方案中,由于人耳听到的响度无法测量,只能凭感觉判断,没有可靠的实验数据;在B方案中,通过比较到鞋盒的距离判断隔音效果,因为距离可以测量,有可靠地实验数据,能够较好的判断隔音效果。
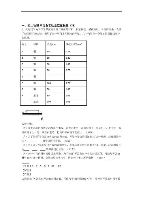
一、初二物理声现象实验易错压轴题(难)1.大海同学为了探究琴弦的音调与音弦的材料、张紧程度、横截面积、长短的关系,设计了如图所示的实验,采用了表一所列各种规格的琴弦、几个钩码和一个能够测量振动频率的仪器.编号材料长度/cm 横截面积/mm2A 铜60 0.76B 铜60 0.89C 铜60 1.02D 铜80 0.76E 铜F 铜100 0.76G 钢80 1.02H 尼龙80 1.02I 尼龙100 1.02实验步骤:(1)在大木板的两边立起两块小木板,在大木板的一端牢牢钉人一根大钉子,把弦的一端绑在钉子上,另一端垂在桌边,把钩码绑在垂下的弦上.(如图)(2)为了验证“琴弦发出声音的音调高低,可能与琴弦的粗细有关”这一猜想,应选用编号为A、____ 、____ 的琴弦进行实验.(如表)(3)为了验证“琴弦发出声音的音调高低,可能与琴弦的长短有关”这一猜想,应选用编号为____ 、____ 、____ 的琴弦进行实验.(如表)(4)表一中有的材料规格还没填全,为了验证“琴弦发出声音的音调高低.可能与琴弦的材料有关”这一猜想,必须知道该项内容.请在表中填上所缺数据.(如表)______、______【答案】B C A D F80 1.02【解析】【详解】(2)在探究“琴弦发出声音的音调高低,可能与琴弦的粗细有关”时,要控制琴弦的材料和长度相同,故选A. B. C的琴弦进行实验;(3)探究“琴弦发出声音的音调高低,可能与琴弦的长短有关”时,应控制琴弦的材料和横截面积相同,所以选A. D. F的琴弦进行实验;(4)为了验证“琴弦发出声音的音调高低。
可能与琴弦的材料有关”时,应控制琴弦的长度和横截面积相同,材料不同,符合条件的只有G、H,所以D项中应是:80;1.02.2.探究响度与什么因素有关器材:音叉,橡皮槌,铁架台,硬泡沫塑料小球,细线等.操作:(1)如图所示用细线栓在硬泡沫塑料小球,悬挂在铁架台上,小球的作用是_______________________;(2)用橡皮槌轻轻敲击音叉使它振动后,发出一个较小的声音.让音叉一臂的外侧靠近并接触小球(如图),可以看到小球被音叉弹开一个__________(填“较大”或“较小”)的角度;(3)以橡皮槌用力敲击音叉,可听到较响的声音,且让音叉一臂的外侧接触小球,可看到小球被音叉弹开一个________(填“较大”或“较小”)的角度.说明:声源发出声音的响度与_________有关.除此之外响度还与_________有关.(4)如果在真空中做这个实验,小球________(选“能”或“不能”)弹开.【答案】将微小的振动放大,便于观察较小较大振幅距离发声体的远近能【解析】【分析】【详解】(1)因为音叉的振动我们看不到,把小球悬挂在铁架台上是为了把音叉的振动传给小球,用小球可以放大音叉的振动,所以小球的作用是将微小的振动放大,便于观察;(2)当轻轻敲击音叉时因为音叉振动幅度小,所以发出较小的声音,振动的音叉接触小球会把小球弹起较小的角度;(3)当用力敲击音叉发出较响的声音,音叉振动剧烈,接触小球会把小球弹起更大的角度,这说明响度与振幅有关,响度的大小还与距离发声体的远近有关;(4)如果在真空中做这个实验,音叉能振动,小球也能被弹开,但听不到声音.3.如图所示,小明和小刚用细棉线连接了两个纸杯制成了一个“土电话”。
一、初二物理声现象实验易错压轴题(难)1.如图所示,将塑料刻度尺的一端紧压在桌面上,另一端伸出桌面,拨动刻度尺使之振动,听塑料尺振动时发出的声音.(1)实验通过改变___________来改变声音的响度,通过改变_______来改变声音的音调.(2)换用钢尺做此实验,钢尺伸出桌面的长度、振动幅度和频率与塑料尺均相同时,听到声音的主要差异是________ (选填“响度”“音调”或“音色”)不同.(3)实验设计隐含的物理方法是比较法和_________法.(4)刻度尺振动产生的声音通过________传进耳朵,引起鼓膜______,人便听到声音.(5)实验中当刻度尺伸出桌面的部分超过一定长度时,无论如何用力拨动也听不到声音.原因是___.【答案】拨动塑料尺的力度塑料尺伸出桌面的长度音色控制变量空气振动刻度尺振动得太慢,产生的是次声波,人耳无法听到【解析】【详解】(1)响度与振幅有关,用不同大小的力拨动塑料尺,塑料尺的振幅不同,发出的声音响度不同;物体振动的快慢与物体的质量、粗细、长短等因素有关,实验要通过改变刻度尺伸出桌面的长度来改变音调.(2)钢尺和塑料尺的材料不同,当钢尺伸出桌面的长度、振动幅度和速度与塑料尺均相同时,听到声音的主要差异是音色的不同.(3)实验中研究响度与振幅关系时,应控制频率不变,而在研究音调与频率关系时,则要控制振幅相同,故实验设计隐含的物理方法除比较法外,还有控制变量法.(4)我们听到的声音,都是声波通过空气传入人耳,引起鼓膜的振动,再传给听小骨、耳蜗,传给听觉神经,引起听觉.(5) 实验中当刻度尺伸出桌面的部分超过一定长度时,无论如何用力拨动也听不到声音,原因是刻度尺振动得太慢,产生的是次声波,人耳无法听到.2.在探究声音的产生和传播的条件时,同学们做了以下实验.(1)小华同学将一只通电的小电铃放在连通了抽气机的玻璃罩内,如图1所示,用抽气机把玻璃罩内的空气逐渐抽出,会发现声音的响度逐渐减小。
一、初二物理声现象实验易错压轴题(难)1.某兴趣小组计划探究“铝棒的发声”.同学们使用一根表面光滑的实心铝棒,一只手捏住铝棒的中间部位,另一只手的拇指和食指粘少许松香粉,在铝棒表面由手捏部位向外端摩擦,可以听见铝棒发出声音,而且发现在不同情况下铝棒发声的频率是不同的,为了探究铝棒发声频率的影响因素,该兴趣小组找到不同规格的铝棒、虚拟示波器等器材进行探究.实验前同学们提出了以下猜想:猜想A:铝棒发声的频率可能和铝棒的横截面积有关猜想B:铝棒发声的频率可能和铝棒的长度有关猜想C:铝棒发声的频率可能和手捏铝棒的部位有关为了验证猜想A,同学们选择4根铝棒,每次均捏住铝棒的中间部位,由手捏部位向外端摩擦,实验所得的数据记录于下面的表格中,在2%的误差允许范围内(频率相差在70Hz 以内)的测量值可以认为是相等的.(1)分析表格中数据,可知铝棒的发声频率与横截面积是______________的.(选填“有关”或“无关”)(2)为了验证猜想B,同学们选择横截面积均为2.9×10﹣5m2的铝棒,实验所得的数据记录于下面的表格中,同学们从表中前两列数据很难得出频率f与长度L之间的关系,他们利用图象法处理数据,画出了频率f与长度的倒数1/L的关系如图所示,分析可知发生频率f 与铝棒的长度L的关系是成______(正/反)比.(3)同学们又通过实验探究了铝棒发声的频率和手捏铝棒部位的关系,在实验过程中,有同学们将发声的铝棒一端插入水中,可以看到______________现象,有同学用手迅速握住正在发声的铝棒,可以听见声音很快衰减,原因是____________________________.【答案】无关反比例水花四溅振幅减小,响度减小【解析】(1)通过比较表格中的1和3(或者2和4)可知,,当铝棒长度都为0.71m时,横截面积不同,频率为3500hHz和3530Hz,由于这两个频率在2%的误差允许范围内(频率相差在70Hz以内),故频率是相同的,故结论为:铝棒的发声频率与横截面积是无关的;(2)由图象可知,频率f与长度的倒数1L的关系是一条直线,即成正比,故发生频率f与铝棒的长度L的关系是成反比; (3)有同学们将发声的铝棒一端插入水中,铝棒振动,引起水的振动,故可以看到水花四溅;有同学用手迅速握住正在发声的铝棒,可以听见声音很快衰减,原因是铝棒的振幅减小,响度减小。
一、初二物理声现象实验易错压轴题(难)1.学习吉他演奏的过程中,小华发现琴弦发出声音的音调高低是受各种因素影响的,他决定对此进行研究。
经过和同学们讨论,提出了以下猜想:猜想一:琴弦发出声音的音调高低,可能与琴弦的横截面积有关。
猜想二:琴弦发出声音的音调高低,可能与琴弦的长短有关。
猜想三:琴弦发出声音的音调高低,可能与琴弦的材料有关。
为了验证上述猜想是否正确,他们找到了下表所列9种规格的琴弦进行实验。
(1)为了验证猜想一,应选用编号为_______________的琴弦进行实验。
(2)为了验证猜想二,应选用编号为_______________的琴弦进行实验。
(3)表中有的材料规格还没填全,为了验证猜想三,必须知道该项内容。
请在表中填上所缺数据_____,___。
(4)随着实验的进行,小华又觉得琴弦音调的高低,可能还与琴弦的松紧程度有关,为了验证这一猜想他还需进行操作是__________________。
【答案】ABC ADF 80 1.02 选定某一根琴弦,调节它的松紧程度,比较音调是否变化【解析】【详解】(1)[1]为了验证猜想一,即要保证材料和长度相同,横截面积不同,观察编号A、B、C的数据,它们的材料都是铜,长度都是60cm,横截面积不同,这三种规格的琴弦符合要求;(2)[2]为了验证猜想二,即要保证材料和横截面积相同,长度不铜,观察编号A、D、F的数据,它们的材料都是铜,横截面积都是0.76 mm2,长度不铜,这三种规格的琴弦符合要求;(3)[3][4]为了验证猜想三,即要保证长度和横截面积相同,材料不同,观察G、H可知,它们长度都是80cm,横截面积都是1.02 mm2,一个是钢材料,另一个是尼龙材料,此时编号E材料是铜,只要长度也是80cm,横截面积也是1.02 mm2即可验证猜想三;(4)[5]为了验证这一猜想,他需要选定某一根琴弦,调节它的松紧程度,比较音调是否变化。
2.探究声音的特征:(1)为了探究音调与什么因素有关,小明设计了下面几个实验,如图所示,你认为能够完成探究目的是_____,通过探究可知:音调是由发声体振动的_____决定的.(2)如图所示,将一把钢尺紧按在桌面上,一端伸出桌面适当的长度,拨动钢尺,就可听到_____(选填“钢尺”或“桌面被拍打”)振动发出的声音,若改用更大的力拨动钢尺,则听到声音的_____(选填“音调”、“音色”或“响度”)变大;逐渐增加钢尺伸出桌面的长度,仔细聆听钢尺振动发出声音后,发现音调逐渐变_____(选填“高”或“低”)了,观察发现此时钢尺振动慢了,当钢尺伸出桌面超过一定长度时,虽然用同样的力拨动钢尺,却听不到声音了,这是由于_____.【答案】A、B、C 频率(快慢)钢尺响度低钢尺的振动频率低于20HZ【解析】(1)A、硬纸板接触齿数不同的齿轮,振动的频率不同,发出的声音的音调不同,符合题意;B. 改变钢尺伸出桌边的长度振动的频率不同,发出的声音的音调不同,符合题意;C. 用塑料尺子在梳子齿上快慢不同的滑动时,梳子齿振动的频率不同,发出的声音的音调不同,符合题意;D. 改变吹笔帽的力度,振幅不同,响度不同,研究响度跟振幅的关系,不符合题意;故选D.通过探究可知:音调是由发声体振动的频率决定的; (2)将一把钢尺紧紧按在桌面上,一端伸出桌面适当的长度,拨动钢尺,就可听到钢尺振动发出的声音;若改用更大的力拨动钢尺,钢尺的振幅变大,响度变大;改变钢尺伸出桌面的长度,用同样大小的力拨动其伸出桌面的一端,这样会导致钢尺振动的快慢不同,即发出声音的音调不同;钢尺伸出桌面超过一定长度,振动得很慢,即钢尺振动的频率小于20Hz,所以人耳听不到.3.小红是一个爱思考、爱观察的同学,有一次,在她欣赏了一场音乐会后,想到了如下问题,请你帮她回答一下:⑴琴声、歌声是通过传播到小红耳朵的;⑵小红能清楚的分辨出哪是提琴声、哪是小号声,原因是;⑶女高音歌唱家演唱时声音的高,男低音歌唱家演唱时声音的大。
一、初二物理声现象实验易错压轴题(难)1.同学们围绕着水瓶发声的有关问题进行了以下探究。
(提出问题)敲瓶(瓶内含水)时发出的声音主要是由什么振动产生的?(猜想与假设)A.瓶子振动;B.瓶内水振动;C.瓶内空气柱振动(进行实验)(1)将瓶子装满水后用筷子敲击瓶子,瓶子仍能发出声音,故可以将猜想________排除。
(2)将瓶内水全部倒出后用筷子敲击瓶子,瓶子仍能发出声音,故可以将猜想________排除。
(得出结论)由上述实验分析可知,敲瓶发声,主要是由________振动产生的。
(提出新的问题)(1)瓶子发声的音调跟瓶内水的多少有什么关系?(2)随着瓶内水的增多,敲瓶发声的音调变化和吹瓶发声的音调变化又有何不同呢?(设计实验)(1)如图甲所示,先将8个空的玻璃瓶子放到桌子上一字摆开,再向瓶内注入不等量的水,从左到右,瓶内注入的水逐渐增多,最后用筷子从左到右依次敲击瓶口,同时用耳朵仔细听,辨别音调的高低。
(2)用嘴从左到右依次吹瓶口,同时用耳朵仔细听,辨别音调的高低。
(再得出结论)(1)敲瓶发声的音调随着瓶内水的增多而变______(选填高或低)。
(2)吹瓶发声的音调随着瓶内水的增多而变______(选填高或低)。
(拓展应用)如图乙所示. 用嘴分别对着5个高度不同的小瓶的瓶口吹气,发现瓶子越高,发出声音的音调越低。
(1)用嘴对着5个小瓶的瓶口吹气,5个小瓶均发出声音,则发出的声音是由________的振动产生的。
(2)5个小瓶产生的声音音调不同,其原因是________________。
【答案】C B瓶子低高瓶内空气柱空气柱的长短、粗细不同,导致空气柱振动的频率不同【解析】【分析】【详解】[1]将瓶子装满水后,瓶内没有空气,用筷子敲击瓶子,瓶子仍能发出声音,说明敲瓶时发出的声音不是由空气柱的振动产生的。
所以可以将猜想C排除。
[2]将瓶内水全部倒出后,瓶内没有水,用筷子敲击瓶子,瓶子仍能发出声音,说明敲瓶时发出的声音不是由瓶内水振动产生的。
一、初二物理声现象实验易错压轴题(难)1.为了探究收音机接收电磁波的情况好坏与哪些因素有关,小明将一只袖珍收音机调好电台节目和音量后完成了以下实验:①将收音机放进一只铝锅内,发现声音明显变小,取出后又恢复了原来的音量。
②将收音机放进一只木桶内,发现声音大小不变。
③将收音机放进一只铁桶内,现象与①相似。
④将收音机放进一只塑料桶内,现象与②相似。
(1)根据以上实验,小明得出这样的结论:电磁波在传播途中,若遇到________类物体,其强度就会大大减弱。
(2)请你根据以上答案,解释为什么电视机靠室内天线接收信号效果不如用室外天线接收的信号效果好___________?(3)根据以上实验,你能做出一种有用的设想吗_________?【答案】(1)金属外壳现代房屋的墙体一般都是钢筋混凝土结构的,对电磁波有屏蔽作用,使电磁波不能进入室内,另外周围建筑群对电磁波也有一定的屏蔽作用可以发明一种金属罩,用来抗电磁波的干扰或抗电磁波对人体的辐射造成的伤害【解析】【详解】(1)由以上四步可知,影响信号接收的为金属类材料,故可知电磁波在传播过程中遇到金属类物体时强度会减弱;(2)在室内接收的信号效果差是因为建造房屋用了金属材料,比如钢筋等,对电磁波有屏蔽作用;另外周围建筑群对电磁波也有一定的屏蔽作用。
(3)金属可以减小电磁波的强度,则我们可以发明一种金属罩,而减小一些精密仪器受电磁波的影响;也可以猜想:在一些金属做成的容器内,电磁信号将无法进入,如电梯等,在其里面可能无法接打电话。
2.小兰在观察提琴、吉他、二胡等弦乐器的弦振动时,猜测:既使在弦张紧程度相同的条件下,发声的音调还可能与弦的粗细、长短及弦的材料有关,于是想通过实验来探究一下自已的猜想是否正确,下表是小兰在实验时控制的琴弦条件.(1)如果小兰想探究弦发声的音调与弦的材料关系,你认为她应该选用编号为________琴弦(只填字母代号);(2)探究过程通常采用下列一些步骤:A .实验研究; B .分析归纳; C .提出问题(或猜想); D .得出结论等.你认为小兰要完成本探究的全过程所采用的合理顺序应该是:________(只填字母代号).【答案】D、E C、A、B、D【解析】(1)探究弦发声的音调与弦的材料关系,应控制长度、横截面积一定,材料不同,故应选D、E. (2控制变量法探究的步骤:提出问题,实验研究,分析归纳,得出结论.故顺序为CABD .点睛:(1)弦发声的音调可能与弦的材料、长度、粗细有关.(2)研究音调的影响因素时,一定要采取控制变量法.3.如图所示的是小明在课余时间制作的一个竹笛,在竹管开口处①向管内吹气时,竹笛可以发出美妙的笛声,推拉铁丝环⑥时,音调可以改变,吹奏歌曲.(1)吹奏竹笛时,振动发声的物体是________.(2)当布团⑤分别位于a、b、c三个位置时,竹笛发声音调最高的位置是________,音调最低的位置是________.【答案】空气柱a c【解析】解答:(1)声音是由物体的振动产生的.吹奏竹笛时,笛声是由笛子内的空气柱振动发出的;且音调的高低取决于空气柱的长短,空气柱越长,产生的笛声的音调越低,空气柱越短,音调越高.(2)可以看出在图示的三个位置中,当布团在a位置时,管内的空气柱最短,因为空气柱越长(短)竹笛发出的声音的音调越低(高),所以此时发出的声音的音调最高;在c点是空气柱最长,发出的声音的音调最低.4.(1)由图(a)可知当线轴的甲轮刚接触到棉布时,其速度的大小将(变小/不变/变大),而乙轮的速度不变;(2)从图(a)、(b)两种类似现象可知,光由空气斜射入玻璃时而发生折射现象的原因可能是.(3)下列几个研究案例中与本题的研究方法相同的是…A.用水波来形象地认识声波;B.探究蒸发快慢与哪些因素有关;C.在探究发声的音叉是否在振动时,将一个乒乓球靠近它,观察到乒乓球被弹开;D.将闹钟放在钟罩内,通过抽气来探究声音能否在空气中传播.【答案】(1)变小;(2)光由空气进入水中的速度变慢了;(3)A.【解析】试题分析:(1)要解决此题,需要掌握阻力对物体运动的作用.同时要知道若物体不受力,将保持原来的运动状态不变.(2)分析(a)和(b),要注意从中找出相同点,总结规律.(a)发生折射是由于速度发生了变化,从(a)联想(b)的原因.(3)要解决此题需要知道类比法.将物理现象与生活现象类比,找出它们的相同点.更容易理解.解:(1)在滚动过程中,由于甲首先到达细布,受到摩擦力而速度变小;乙此时仍在光滑的木板上,由于不受摩擦,所以乙的速度不变.(2)从(a)图看,由于甲端的运动速度发生了变化,甲端的运动方向发生了偏折,所以(b)中光线的传播方向发生了变化,可能是由于光的传播速度发生了变化,即可能是光由空气进入水中的速度变慢了.(3)此题这种研究方法为类比法,在前面电学中,将水流类比为电流、水压类比为电压、通过水波认识声波等都属于此种研究方法.选项B探究蒸发快慢与哪些因素有关运用了控制变量法;选项C在探究发声的音叉是否在振动时,将一个乒乓球靠近它,观察到乒乓球被弹开,运用了转换法;选项D将闹钟放在钟罩内,通过抽气来探究声音能否在空气中传播,运用了理想实验法.故只有A符合题意.故答案为:(1)变小;(2)光由空气进入水中的速度变慢了;(3)A.【点评】此题主要考查了学生接受新知识的能力,在此题中关键要找出生活现象和物理现象的相同点,运用类比法将知识进行迁移,这也是我们学习能力的一种体现,在平时要注意总结.5.小玉所在物理实验小组首先做了如下几个实验。
一、初二物理声现象实验易错压轴题(难)1.学习吉他演奏的过程中,小华发现琴弦发出声音的音调高低是受各种因素影响的,他决定对此进行研究。
经过和同学们讨论,提出了以下猜想:猜想一:琴弦发出声音的音调高低,可能与琴弦的横截面积有关。
猜想二:琴弦发出声音的音调高低,可能与琴弦的长短有关。
猜想三:琴弦发出声音的音调高低,可能与琴弦的材料有关。
为了验证上述猜想是否正确,他们找到了下表所列9种规格的琴弦进行实验。
(1)为了验证猜想一,应选用编号为_______________的琴弦进行实验。
(2)为了验证猜想二,应选用编号为_______________的琴弦进行实验。
(3)表中有的材料规格还没填全,为了验证猜想三,必须知道该项内容。
请在表中填上所缺数据_____,___。
(4)随着实验的进行,小华又觉得琴弦音调的高低,可能还与琴弦的松紧程度有关,为了验证这一猜想他还需进行操作是__________________。
【答案】ABC ADF 80 1.02 选定某一根琴弦,调节它的松紧程度,比较音调是否变化【解析】【详解】(1)[1]为了验证猜想一,即要保证材料和长度相同,横截面积不同,观察编号A、B、C的数据,它们的材料都是铜,长度都是60cm,横截面积不同,这三种规格的琴弦符合要求;(2)[2]为了验证猜想二,即要保证材料和横截面积相同,长度不铜,观察编号A、D、F的数据,它们的材料都是铜,横截面积都是0.76 mm2,长度不铜,这三种规格的琴弦符合要求;(3)[3][4]为了验证猜想三,即要保证长度和横截面积相同,材料不同,观察G、H可知,它们长度都是80cm,横截面积都是1.02 mm2,一个是钢材料,另一个是尼龙材料,此时编号E材料是铜,只要长度也是80cm,横截面积也是1.02 mm2即可验证猜想三;(4)[5]为了验证这一猜想,他需要选定某一根琴弦,调节它的松紧程度,比较音调是否变化。
2.探究声音的特征:(1)为了探究音调与什么因素有关,小明设计了下面几个实验,如图所示,你认为能够完成探究目的是_____,通过探究可知:音调是由发声体振动的_____决定的.(2)如图所示,将一把钢尺紧按在桌面上,一端伸出桌面适当的长度,拨动钢尺,就可听到_____(选填“钢尺”或“桌面被拍打”)振动发出的声音,若改用更大的力拨动钢尺,则听到声音的_____(选填“音调”、“音色”或“响度”)变大;逐渐增加钢尺伸出桌面的长度,仔细聆听钢尺振动发出声音后,发现音调逐渐变_____(选填“高”或“低”)了,观察发现此时钢尺振动慢了,当钢尺伸出桌面超过一定长度时,虽然用同样的力拨动钢尺,却听不到声音了,这是由于_____.【答案】A、B、C 频率(快慢)钢尺响度低钢尺的振动频率低于20HZ【解析】(1)A、硬纸板接触齿数不同的齿轮,振动的频率不同,发出的声音的音调不同,符合题意;B. 改变钢尺伸出桌边的长度振动的频率不同,发出的声音的音调不同,符合题意;C. 用塑料尺子在梳子齿上快慢不同的滑动时,梳子齿振动的频率不同,发出的声音的音调不同,符合题意;D. 改变吹笔帽的力度,振幅不同,响度不同,研究响度跟振幅的关系,不符合题意;故选D.通过探究可知:音调是由发声体振动的频率决定的; (2)将一把钢尺紧紧按在桌面上,一端伸出桌面适当的长度,拨动钢尺,就可听到钢尺振动发出的声音;若改用更大的力拨动钢尺,钢尺的振幅变大,响度变大;改变钢尺伸出桌面的长度,用同样大小的力拨动其伸出桌面的一端,这样会导致钢尺振动的快慢不同,即发出声音的音调不同;钢尺伸出桌面超过一定长度,振动得很慢,即钢尺振动的频率小于20Hz,所以人耳听不到.3.在学习吉他演奏的过程中,小华发现琴弦发出的声音的音调高低是受各种因素影响的,他决定对此进行探究.经过和同学们讨论,提出了以下猜想:猜想一:琴弦发出的声音的音调高低,可能与琴弦的横截面积有关.猜想二:琴弦发出的声音的音调高低,可能与琴弦的长短有关.猜想三:琴弦发出的声音的音调高低,可能与琴弦的材料有关.为了验证上述猜想是否正确,他们找到了下表所列9种规格的琴弦,因为音调的高低取决于声源振动的频率,于是借来一个能够测量振动频率的仪器进行实验.(1)为了验证猜想一,应选用编号为_______、_______、_______的琴弦进行实验.为了验证猜想二,应选用编号为_______、_______、_______的琴弦进行实验.表中有的材料规格还没有填全,为了验证猜想三,必须知道该项内容,请你在表中填上所缺数据_________.(2)随着实验的进行,小华又觉得琴弦音调的高低,可能还与琴弦的松紧有关,为了验证这一猜想,必须进行的操作是:___________________________________.(3)探究过程通常采用下列一些步骤:①分析归纳②实验研究③提出问题④猜想假设⑤得出结论等.你认为小华要完成本探究的全过程,所采取步骤的合理顺序是__________.(4)在上述探究过程中,总要控制某些因素,使它们保持不变,进而寻找出另外一些因素间的关系,这种研究问题的方法叫做___________________________________.【答案】A B C A D F 80 1.02 一根琴弦,用一定大小的力拉紧琴弦,拨动琴弦,测出此时振动的频率;改用不同的力拉紧琴弦,拨动琴弦,分别测出相应的振动的频率,进行分析比较③④②①⑤控制变量法.【解析】(1)当研究琴弦发出声音的音调高低可能与琴弦的横截面积有关时,应控制材料和长度相同,改变琴弦的横截面积,故选A. B. C;当研究琴弦发出声音的音调高低可能与琴弦的长短有关时,应控制材料和横截面积相同,改变琴弦的长短,故选A. D. F;如果验证猜想三:琴弦发出声音的音调高低,可能与琴弦的材料有关,应控制长度和横截面积相同,改变琴弦的材料不同,故表格应该填入与G、H相同的数据,即80和1.02;(2)探究琴弦音调的高低与琴弦的松紧程度的关系时,需要使用同一根琴弦,且控制拨弦的力相同、弦的松紧程度不同,来研究音调高低和琴弦的松紧程度的关系;(3)探究实验的步骤是:提出问题、猜想假设、实验研究、分析归纳、得出结论,因此顺序为:③④②①⑤(4) 实验中用到的物理学研究方法是控制变量法.故答案为 (1)A、B. C;A、D. F(或H、J);80;1.02;(2)取任意编号的一种琴弦,调整其松紧程度,用相同的力拨动琴弦,比较音调的高低;(3)控制变量法.点睛:本题需要用好控制变量法:探究琴弦发出声音的音调高低与琴弦的横截面积的关系时,控制琴弦的长度和材料不变;探究琴弦发出声音的音调高低与琴弦的长短的关系时,控制横截面积和材料不变;琴弦发出声音的音调高低与琴弦的材料的关系时,控制横截面积和长度不变.4.声音与人的生活息息相关,为了认识声音,某实践活动小组设计了以下实验对声音进行探究:(1)用一组相同的瓶子盛上不等量的水就可以组成一个“乐器”,通过敲击瓶子就可以演奏出优美动听的乐曲。
一、初二物理声现象实验易错压轴题(难)1.用尺子来探究音调和响度分别与什么有关时,小明做了以下实验:(1)用尺子来探究决定音调高低的因素,把钢尺紧按在桌面上,一端伸出桌边,拨动钢尺,听它振动发出的声音,同时注意钢尺振动的快慢;改变钢尺伸出桌边的长度,再次拨动,使钢尺每次的振动幅度大致相同.实验发现尺子伸出桌面的长度越长,振动越_____,发出声音的音调越_____;由此可得出结论:音调的高低与_____有关.当尺子伸出桌面超过一定长度时,虽然用较大的力拨动钢尺,却听不到声音,这是由于_____.(2)用尺子来探究决定响度大小的因素,把钢尺紧按在桌面上,一端伸出桌边,拨动钢尺,听它振动发出的声音,同时保持人耳到钢尺的距离不变,接下来的操作是_____.【答案】慢低发声物体的振动频率钢尺的振动频率低于20Hz保持钢尺伸出桌面的长度不变,用大小不同的力拨动钢尺【解析】(1)尺子发出声音的音调与尺子振动快慢有关:当尺子伸出桌面的长度越长时,振动越慢,发出声音的音调越低;由此可得出结论:音调的高低与发声物体的振动频率有关;当尺子伸出桌面超过一定长度时,虽然用较大的力拨动钢尺,却听不到声音,这是由于钢尺振动频率小于20Hz;(2)用尺子来探究决定响度大小的因素,把钢尺紧按在桌面上,一端伸出桌边,拨动钢尺,听它振动发出的声音,同时保持人耳到钢尺的距离不变;保持钢尺伸出桌面的的长度不变,用大小不同的力拨动钢尺.故答案为(1)慢;低;频率;钢尺振动频率小于20Hz;(2)保持钢尺伸出桌面的的长度不变,用大小不同的力拨动钢尺.故答案为:(1). 慢 (2). 低 (3). 频率 (4). 钢尺振动频率小于20 Hz (5). 保持钢尺伸出桌面的长度不变,用大小不同的力拨动钢尺【点睛】音调指声音的高低,是由发声体振动的频率决定,物体振动越快,音调就越高,物体振动越慢,音调就越低;人能感受到的声音频率有一定的范围,大多数人能够听到的频率范围从20Hz到20000Hz;2.吉他演奏会上,小组同学发现琴弦发出声音的音调高低是受各种因素影响的,经过讨论,他们提出以下猜想.猜想1:琴弦发出声音的音调高低,可能与琴弦的横截面积有关猜想2:琴弦发出声音的音调高低,可能与琴弦的长短有关猜想3:琴弦发出声音的音调高低,可能与琴弦的材料有关.为了验证上述猜想是否正确,同学们找到如下表所列的6种规格的琴弦,以及专门测量声音频率的仪器.(1)为了验证猜想1:应选用编号为_____、_____的琴弦进行实验.(2)为了验证猜想2:应选用编号为_____、_____的琴弦进行实验.(3)为了验证猜想3,请在表中填入所缺数据_________.【答案】A B C E 100 1.1【解析】【分析】【详解】控制变量法就是控制其它的因素不变,研究物理量与该因素的关系;(1)当研究琴弦发出声音的音调高低可能与琴弦的横截面积有关时,应控制材料和长度相同,所以应选A、B;(2)当研究琴弦发出声音的音调高低可能与琴弦的长短有关时,应控制材料和横截面积相同,所以应选C、E选项;(3)如果验证猜想三:琴弦发出声音的音调高低,可能与琴弦的材料有关,应控制长度和横截面积相同,故表格应该填入与尼龙和钢的数据相同,即100、1.1.因此,本题正确答案是:(1)A、B;(2)C、E;((3)100;1.1.【点睛】猜想琴弦发出声音的音调高低,可能与琴弦的横截面积、琴弦的长短、琴弦的材料有关,在探究过程中,应用控制变量法.3.为了探究收音机接收电磁波的情况好坏与哪些因素有关,小明将一只袖珍收音机调好电台节目和音量后完成了以下实验:①将收音机放进一只铝锅内,发现声音明显变小,取出后又恢复了原来的音量。
一、初二物理声现象实验易错压轴题(难)1.某兴趣小组计划探究“铝棒的发声”.同学们使用一根表面光滑的实心铝棒,一只手捏住铝棒的中间部位,另一只手的拇指和食指粘少许松香粉,在铝棒表面由手捏部位向外端摩擦,可以听见铝棒发出声音,而且发现在不同情况下铝棒发声的频率是不同的,为了探究铝棒发声频率的影响因素,该兴趣小组找到不同规格的铝棒、虚拟示波器等器材进行探究.实验前同学们提出了以下猜想:猜想A:铝棒发声的频率可能和铝棒的横截面积有关猜想B:铝棒发声的频率可能和铝棒的长度有关猜想C:铝棒发声的频率可能和手捏铝棒的部位有关为了验证猜想A,同学们选择4根铝棒,每次均捏住铝棒的中间部位,由手捏部位向外端摩擦,实验所得的数据记录于下面的表格中,在2%的误差允许范围内(频率相差在70Hz 以内)的测量值可以认为是相等的.(1)分析表格中数据,可知铝棒的发声频率与横截面积是______________的.(选填“有关”或“无关”)(2)为了验证猜想B,同学们选择横截面积均为2.9×10﹣5m2的铝棒,实验所得的数据记录于下面的表格中,同学们从表中前两列数据很难得出频率f与长度L之间的关系,他们利用图象法处理数据,画出了频率f与长度的倒数1/L的关系如图所示,分析可知发生频率f 与铝棒的长度L的关系是成______(正/反)比.(3)同学们又通过实验探究了铝棒发声的频率和手捏铝棒部位的关系,在实验过程中,有同学们将发声的铝棒一端插入水中,可以看到______________现象,有同学用手迅速握住正在发声的铝棒,可以听见声音很快衰减,原因是____________________________.【答案】无关反比例水花四溅振幅减小,响度减小【解析】(1)通过比较表格中的1和3(或者2和4)可知,,当铝棒长度都为0.71m时,横截面积不同,频率为3500hHz和3530Hz,由于这两个频率在2%的误差允许范围内(频率相差在70Hz以内),故频率是相同的,故结论为:铝棒的发声频率与横截面积是无关的;(2)由图象可知,频率f与长度的倒数1L的关系是一条直线,即成正比,故发生频率f与铝棒的长度L的关系是成反比; (3)有同学们将发声的铝棒一端插入水中,铝棒振动,引起水的振动,故可以看到水花四溅;有同学用手迅速握住正在发声的铝棒,可以听见声音很快衰减,原因是铝棒的振幅减小,响度减小。
一、初二物理声现象实验易错压轴题(难)1.探究声音的特征:(1)为了探究音调与什么因素有关,小明设计了下面几个实验,如图所示,你认为能够完成探究目的是_____,通过探究可知:音调是由发声体振动的_____决定的.(2)如图所示,将一把钢尺紧按在桌面上,一端伸出桌面适当的长度,拨动钢尺,就可听到_____(选填“钢尺”或“桌面被拍打”)振动发出的声音,若改用更大的力拨动钢尺,则听到声音的_____(选填“音调”、“音色”或“响度”)变大;逐渐增加钢尺伸出桌面的长度,仔细聆听钢尺振动发出声音后,发现音调逐渐变_____(选填“高”或“低”)了,观察发现此时钢尺振动慢了,当钢尺伸出桌面超过一定长度时,虽然用同样的力拨动钢尺,却听不到声音了,这是由于_____.【答案】A、B、C 频率(快慢)钢尺响度低钢尺的振动频率低于20HZ【解析】(1)A、硬纸板接触齿数不同的齿轮,振动的频率不同,发出的声音的音调不同,符合题意;B. 改变钢尺伸出桌边的长度振动的频率不同,发出的声音的音调不同,符合题意;C. 用塑料尺子在梳子齿上快慢不同的滑动时,梳子齿振动的频率不同,发出的声音的音调不同,符合题意;D. 改变吹笔帽的力度,振幅不同,响度不同,研究响度跟振幅的关系,不符合题意;故选D.通过探究可知:音调是由发声体振动的频率决定的; (2)将一把钢尺紧紧按在桌面上,一端伸出桌面适当的长度,拨动钢尺,就可听到钢尺振动发出的声音;若改用更大的力拨动钢尺,钢尺的振幅变大,响度变大;改变钢尺伸出桌面的长度,用同样大小的力拨动其伸出桌面的一端,这样会导致钢尺振动的快慢不同,即发出声音的音调不同;钢尺伸出桌面超过一定长度,振动得很慢,即钢尺振动的频率小于20Hz,所以人耳听不到.2.用尺子来探究音调和响度分别与什么有关时,小明做了以下实验:(1)用尺子来探究决定音调高低的因素,把钢尺紧按在桌面上,一端伸出桌边,拨动钢尺,听它振动发出的声音,同时注意钢尺振动的快慢;改变钢尺伸出桌边的长度,再次拨动,使钢尺每次的振动幅度大致相同.实验发现尺子伸出桌面的长度越长,振动越_____,发出声音的音调越_____;由此可得出结论:音调的高低与_____有关.当尺子伸出桌面超过一定长度时,虽然用较大的力拨动钢尺,却听不到声音,这是由于_____.(2)用尺子来探究决定响度大小的因素,把钢尺紧按在桌面上,一端伸出桌边,拨动钢尺,听它振动发出的声音,同时保持人耳到钢尺的距离不变,接下来的操作是_____.【答案】慢低发声物体的振动频率钢尺的振动频率低于20Hz保持钢尺伸出桌面的长度不变,用大小不同的力拨动钢尺【解析】(1)尺子发出声音的音调与尺子振动快慢有关:当尺子伸出桌面的长度越长时,振动越慢,发出声音的音调越低;由此可得出结论:音调的高低与发声物体的振动频率有关;当尺子伸出桌面超过一定长度时,虽然用较大的力拨动钢尺,却听不到声音,这是由于钢尺振动频率小于20Hz;(2)用尺子来探究决定响度大小的因素,把钢尺紧按在桌面上,一端伸出桌边,拨动钢尺,听它振动发出的声音,同时保持人耳到钢尺的距离不变;保持钢尺伸出桌面的的长度不变,用大小不同的力拨动钢尺.故答案为(1)慢;低;频率;钢尺振动频率小于20Hz;(2)保持钢尺伸出桌面的的长度不变,用大小不同的力拨动钢尺.故答案为:(1). 慢 (2). 低 (3). 频率 (4). 钢尺振动频率小于20 Hz (5). 保持钢尺伸出桌面的长度不变,用大小不同的力拨动钢尺【点睛】音调指声音的高低,是由发声体振动的频率决定,物体振动越快,音调就越高,物体振动越慢,音调就越低;人能感受到的声音频率有一定的范围,大多数人能够听到的频率范围从20Hz到20000Hz;3.小玉所在物理实验小组首先做了如下几个实验。
一、初二物理声现象实验易错压轴题(难)1.在学习吉他演奏的过程中,小华发现琴弦发出声音的音调高低是受各种因素影响的,他决定对此进行研究,经过和同学们讨论,提出了以下猜想:猜想一:琴弦发出的声音的音调高低,可能与琴弦的横截面积有关;猜想二:琴弦发出的声音的音调高低,可能与琴弦的长短有关;猜想三:琴弦发出的声音的音调高低,可能与琴弦的材料有关。
为了验证上述猜想是否正确,他们找到了下表所列9种规格的琴弦,因为音调的高低取决于声源振动的频率,于是借来一个能够测量振动频率的仪器进行实验(1)小华选用了H、I两根琴弦,是为了研究音调的高低与_____的关系;同组的小明选用A、D、F三根琴弦来进行实验,你认为_____(选填“能”或“不能”)研究音调与该因素的关系;该实验主要的研究方法是__________。
(2)小明想选用三根琴弦来验证音调的高低与琴弦横截面积的关系,应选_____(填写编号)的三根琴弦。
(3)小华认为:如果想选用三根琴弦来验证音调的高低与琴弦的材料的关系,还要添加一根钢琴弦J,它的长度应该为________cm、横截面积为________mm2。
(4)在评估交流中,同学们一致认为采用三根琴弦进行实验较合理,理由是:____________。
【答案】琴弦长短能控制变量法 A、B、C 80 1.02实验次数较多,得出的结论具有普遍性,得出结论比较可靠【解析】【分析】【详解】(1)[1]小华选用了H、I两根琴弦,材料相同,横截面积相同,但长度不同相同,是为了研究音调的高低与琴弦长短的关系。
[2]选用A、D、F三根琴弦,它们的材料相同,横截面积相同,但长度不同相同,也可以研究音调的高低与琴弦长短的关系。
[3]实验中应用的实验方法为控制变量法。
(2)[4]选用A、B、C三根琴弦,它们的材料相同,长度相同,但横截面积不同相同,来验证音调的高低与琴弦横截面积的关系。
(3)[5][6]因为要验证音调的高低与琴弦的材料的关系,所以要求三根琴弦长度相同、横截面积相同,由表中提供的信息可知,DHJ符合条件,所以添加这根铜琴弦J,它的长度也为80cm和横截面积为1.02mm2。
一、初二物理声现象实验易错压轴题(难)1.某同学为了探究物体发声时振动的频率高低与哪些因素有关,他选择了四根钢丝进行实验,如图所示。
具体数据如下表:编号材料长度粗细松紧甲钢丝10cm0.2mm2紧乙钢丝10cm0.1mm2紧丙钢丝5cm0.1mm2紧丁钢丝5cm0.1mm2松(1)用同样的力拨动钢丝甲和乙,发现拨动______钢丝时的音调高。
由此可以得出的结论是:在弦的长度、松紧程度相同时,振动的频率高低与弦的_________有关。
(2)为了探究发声体振动的频率高低与弦的长度的关系时,他应用同样大小的力先后拨动_______和________钢丝。
(3)先后用同样大小的力拨动钢丝丙和丁,可以得出的结论是: _____________【答案】乙粗细乙丙在钢丝的长度,粗细相同时,钢丝越紧,音调越高。
【解析】【分析】本题考查实验探究能力。
【详解】(1)[1][2]因为甲、乙两根钢丝的长度、松紧度一样,甲比乙粗,乙振动的频率大音调高,该过程是利用控制变量法来研究发声体的音调与其粗细的关系;(2)[3] [4]如果探究发声体音调高低与弦的长度的关系,必须控制两根钢丝的粗细、松紧度一样符合条件的是乙和丙两根钢丝;(3)[5]由图可以知道钢丝丙和丁长度、粗细相同,钢丝的松紧不同先后用同样大小的力拔动丙和丁两根钢丝,丙钢丝发出的音调高丁钢丝发出音调低,由此可以得出的结论是:在钢丝的长度、粗细相同时钢丝越紧音调越。
2.小华和小刚用棉线连接了两个纸杯制成了一个“土电话”.以下是他们对“土电话”的探究.()1他们用“土电话”能实现10m间的通话,这表明________.()2两人位置不变,以相同的响度讲话,改用细金属丝连接,则听到的声音就大些.这一实验表明________.()3小华和小刚利用以上两个纸杯和一些长短、粗细不同的琴弦,又进行了探究“音调和哪些因素有关”的活动.他们选用的琴弦长度、材料在如图中标出(其中琴弦的直径关==<),并且每根琴弦固定在“音箱”上的松紧程度一致.系:a c d b()4①若他们想探究“音调的高低与琴弦材料”的关系应选择琴弦_____(从“a”、“b”、“c”或“d”中选两根).②若选择琴弦a和b,则是为了研究音调的高低与________的关系.【答案】固体能够传声金属的传声效果好a、c材料粗细【解析】【分析】【详解】(1他们用“土电话”能实现10m间的通话,是因为固体能够传声,即这表明固体能够传声.()2两人位置不变,以相同的响度讲话,改用细金属丝连接,则听到的声音就大些.这一实验表明金属的传声效果好.()4①根据控制变量法的思路,若他们想探究“音调的高低与琴弦材料”的关系,应选择粗细相同,而材料不同的两根琴弦,即选择a和c;②若选择琴弦a和b,长度和材料相同,粗细不同,所以是为了研究音调的高低与材料粗细的关系.3.为了探究收音机接收电磁波的情况好坏与哪些因素有关,小明将一只袖珍收音机调好电台节目和音量后完成了以下实验:①将收音机放进一只铝锅内,发现声音明显变小,取出后又恢复了原来的音量。
一、初二物理 声现象实验易错压轴题(难)1.下图为一声速测量仪器的使用说明书和实验装置图,阅读并回答问题.(1)若把铜铃放在甲、乙的中点,则液晶显示屏的示数________.(2)一同学将铜铃放到甲的左边,并与甲、乙在一条直线上,则铜铃离甲越远,液晶显示屏的数值________(选填“变大”、“变小”或“不变”).(3)一同学想验证声速与气体内部压力的关系,把铜铃固定放在甲的左边,并与甲、乙在一条直线上,然后在甲、乙之间加压,发现液晶显示屏的数值变小,则声速随气体压力的增大而________.A .变大B .变小C .不变D .无法判断(4)如图中,已知s 1=20 cm ,s 2=80 cm ,液晶显示屏上显示:1.875,则此时声速约为________m/s .【答案】为零 不变 A 320【解析】【分析】【详解】(1)液晶屏显示甲、乙接收到信号的时间差,放在中点时,声音传播的距离相等,用时相等,所以时间差为零,即液晶显示屏的示数为零.(2)设甲与铜铃的距离为s 1,甲、乙相距为s 2,铜铃放到甲的左边,则1212s s s s t v v v+=-= 因此s 1增大,△t 不变,液晶屏显示数值不变. (3)设甲与铜铃的距离为s 1,甲、乙相距为s 2.1212s s s s t v v v +=-=,增加压力时△t 变小,由于s 2不变,根据s v t=知,速度v 变大. (4)如题图中所示,显示的时间差为:21s s t v v =-,所以(8020)cm320m/s1.875msv-==.【点睛】重点是速度公式的应用,注意理解液晶屏显示数值是两接收器收到声音的时间差,利用好此差值,则题目可解.2.大海同学为了探究琴弦的音调与音弦的材料、张紧程度、横截面积、长短的关系,设计了如图所示的实验,采用了表一所列各种规格的琴弦、几个钩码和一个能够测量振动频率的仪器.编号材料长度/cm 横截面积/mm2A 铜60 0.76B 铜60 0.89C 铜60 1.02D 铜80 0.76E 铜F 铜100 0.76G 钢80 1.02H 尼龙80 1.02I 尼龙100 1.02实验步骤:(1)在大木板的两边立起两块小木板,在大木板的一端牢牢钉人一根大钉子,把弦的一端绑在钉子上,另一端垂在桌边,把钩码绑在垂下的弦上.(如图)(2)为了验证“琴弦发出声音的音调高低,可能与琴弦的粗细有关”这一猜想,应选用编号为A、____ 、____ 的琴弦进行实验.(如表)(3)为了验证“琴弦发出声音的音调高低,可能与琴弦的长短有关”这一猜想,应选用编号为____ 、____ 、____ 的琴弦进行实验.(如表)(4)表一中有的材料规格还没填全,为了验证“琴弦发出声音的音调高低.可能与琴弦的材料有关”这一猜想,必须知道该项内容.请在表中填上所缺数据.(如表)______、______【答案】B C A D F80 1.02【解析】【详解】(2)在探究“琴弦发出声音的音调高低,可能与琴弦的粗细有关”时,要控制琴弦的材料和长度相同,故选A. B. C的琴弦进行实验;(3)探究“琴弦发出声音的音调高低,可能与琴弦的长短有关”时,应控制琴弦的材料和横截面积相同,所以选A. D. F的琴弦进行实验;(4)为了验证“琴弦发出声音的音调高低。
一、初二物理声现象实验易错压轴题(难)1.噪声是一种严重的环境污染,李明想制作一个防噪声的耳罩,他通过比较几种材料(衣服、锡箔纸、泡沫塑料)的隔音性能,来选择一种隔音性能好的材料做耳罩的填充物。
实验器材除了待检测的材料外,还有:音叉、机械闹钟、鞋盒。
(1)在本实验中适合作声源的是_____,另一个仪器不适合作声源的理由是___(2)李明将声源放入鞋盒内,在其四周塞满待测填充材料,他设想了以下A、B两种实验方案.你认为最佳的是________方案。
A.让人站在距鞋盒一定的距离处,比较所听见声音的响度B.让人一边听声音,一边向后退,直至听不见声音为止,比较此处距鞋盒的距离实验中测得的数据如下表所示,则待测材料中隔音性能最好的是____________。
(3)实验过程中应将声源响度________(选填“调大”或“调小”),因为铃声响度越大时,人要听不到声音时与声源的距离将越_____(选填大或小),导致实验在教室中难以进行.同时在比较不同材料时铃声响度应____(选填“随材料而改变”或“保持不变”),这种物理方法叫_______。
(4)小红从家中也找出下列一些材料开始探究:一张报纸、一件羽绒服、一个薄塑料袋、一些泡沫板,李明认为小红选择这些材料直接进行实验存在一个明显问题,不能有效地说明这些材料的隔声性能,请指出这个明显的问题:_______。
(5)对材料进行科学调整后,他们通过探究得到如下实验数据:由此数据可将这些材料隔声性能最好的是____________。
【答案】机械闹钟音叉发出的声音不稳定,不能持续发声B泡沫塑料调小大保持不变控制变量法没有控制材料厚度相同羽绒服【解析】【分析】【详解】(1)[1][2]机械闹钟,发出的声音稳定,能持续发声,所以选用机械闹钟,而音叉发出的声音不稳定,不能持续发声,所以不选用音叉。
(2)[3]A方案中,由于人耳听到的响度无法测量,只能凭感觉判断,没有可靠的实验数据;在B方案中,通过比较到鞋盒的距离判断隔音效果,因为距离可以测量,有可靠地实验数据,能够较好的判断隔音效果。
故选B。
[4]由实验数据可知,利用泡沫塑料作为填充物时,在很短的距离时就听不到声音了,所以其隔音效果最好。
(3)[5][6]声音的响度与距离有关,铃声响度越大时,人要听不到声音时与声源的距离将越大,所以要实验在教室中进行需要适当调小声源响度。
[7]比较不同材料时,铃声响度应当控制不变,通过听不到声音时与声源的距离,反映不同材料的隔音性能。
[8]在探究不同材料隔音性能时,控制铃声响度不变的方法是控制变量法。
(4)[9]材料的厚度对隔音效果有影响,实验中没有控制隔音材料的厚度相同。
(5)[10]由表中实验数据可知,用羽绒服做隔音材料时,听不到声音的距离最小,因此,羽绒服的隔音性能最好。
2.如图所示,将塑料刻度尺的一端紧压在桌面上,另一端伸出桌面,拨动刻度尺使之振动,听塑料尺振动时发出的声音.(1)实验通过改变___________来改变声音的响度,通过改变_______来改变声音的音调.(2)换用钢尺做此实验,钢尺伸出桌面的长度、振动幅度和频率与塑料尺均相同时,听到声音的主要差异是________ (选填“响度”“音调”或“音色”)不同.(3)实验设计隐含的物理方法是比较法和_________法.(4)刻度尺振动产生的声音通过________传进耳朵,引起鼓膜______,人便听到声音.(5)实验中当刻度尺伸出桌面的部分超过一定长度时,无论如何用力拨动也听不到声音.原因是___.【答案】拨动塑料尺的力度塑料尺伸出桌面的长度音色控制变量空气振动刻度尺振动得太慢,产生的是次声波,人耳无法听到【解析】【详解】(1)响度与振幅有关,用不同大小的力拨动塑料尺,塑料尺的振幅不同,发出的声音响度不同;物体振动的快慢与物体的质量、粗细、长短等因素有关,实验要通过改变刻度尺伸出桌面的长度来改变音调.(2)钢尺和塑料尺的材料不同,当钢尺伸出桌面的长度、振动幅度和速度与塑料尺均相同时,听到声音的主要差异是音色的不同.(3)实验中研究响度与振幅关系时,应控制频率不变,而在研究音调与频率关系时,则要控制振幅相同,故实验设计隐含的物理方法除比较法外,还有控制变量法.(4)我们听到的声音,都是声波通过空气传入人耳,引起鼓膜的振动,再传给听小骨、耳蜗,传给听觉神经,引起听觉.(5) 实验中当刻度尺伸出桌面的部分超过一定长度时,无论如何用力拨动也听不到声音,原因是刻度尺振动得太慢,产生的是次声波,人耳无法听到.3.在探究声音的产生和传播的条件时,同学们做了以下实验.(1)小华同学将一只通电的小电铃放在连通了抽气机的玻璃罩内,如图1所示,用抽气机把玻璃罩内的空气逐渐抽出,会发现声音的响度逐渐减小。
如果把空气又逐渐通入玻璃罩内,将会发现_________,此实验说明_______。
(2)小丽等同学利用如图2所示的实验装置进行探究,将系在细线上的乒乓球靠近音叉。
①当小丽同学用小锤敲击音叉的时候,既能听到音叉发出的声音,又能观察到________,通过实验现象得到的结论是__________。
②乒乓球在实验中起到什么作用?_________。
③在实验操作过程中,小丽同学采用:先将音叉离开乒乓球一定距离后敲击音叉,然后再靠近乒乓球,观察现象;小刚同学采用:先将音叉贴紧乒乓球,然后再敲击音叉,观察现象。
你认为哪位同学的操作合理?________。
理由是______。
【答案】声音的响度逐渐增大声音的传播需要介质乒乓球被弹起跳动发声的音叉在振动将不易观察到的音叉的振动转化为乒乓球的弹起小丽小刚的做法分不清是音叉振动让乒乓球跳动起来,还是敲击音叉的人的动作让乒乓球跳动起来【解析】【分析】【详解】(1)[1][2]随着玻璃罩内空气的逐渐减少,声音响度逐渐减小,如果把空气逐渐通入玻璃罩,声音响度会逐渐增大。
说明声音的传播需要介质;(2)[3][4]用小锤敲击音叉时,既能听到声音又能观察到乒乓球被弹起跳动,说明发声的音叉在振动;[5]实验中利用乒乓球把音叉不易观察的微小振动转化为乒乓球的明显振动;[6][7]小丽同学先敲击音叉,然后将音叉再靠近乒乓球,若乒乓球振动,则能证明发声的音叉在振动;小刚先将音叉贴紧乒乓球,然后敲击音叉,若乒乓球振动,则分不清是因为人敲击使球振动,还是音叉引起球的振动。
所以小刚的操作不合理。
4.探究声音的特征:(1)为了探究音调与什么因素有关,小明设计了下面几个实验,如图所示,你认为能够完成探究目的是_____,通过探究可知:音调是由发声体振动的_____决定的.(2)如图所示,将一把钢尺紧按在桌面上,一端伸出桌面适当的长度,拨动钢尺,就可听到_____(选填“钢尺”或“桌面被拍打”)振动发出的声音,若改用更大的力拨动钢尺,则听到声音的_____(选填“音调”、“音色”或“响度”)变大;逐渐增加钢尺伸出桌面的长度,仔细聆听钢尺振动发出声音后,发现音调逐渐变_____(选填“高”或“低”)了,观察发现此时钢尺振动慢了,当钢尺伸出桌面超过一定长度时,虽然用同样的力拨动钢尺,却听不到声音了,这是由于_____.【答案】A、B、C 频率(快慢)钢尺响度低钢尺的振动频率低于20HZ【解析】(1)A、硬纸板接触齿数不同的齿轮,振动的频率不同,发出的声音的音调不同,符合题意;B. 改变钢尺伸出桌边的长度振动的频率不同,发出的声音的音调不同,符合题意;C. 用塑料尺子在梳子齿上快慢不同的滑动时,梳子齿振动的频率不同,发出的声音的音调不同,符合题意;D. 改变吹笔帽的力度,振幅不同,响度不同,研究响度跟振幅的关系,不符合题意;故选D.通过探究可知:音调是由发声体振动的频率决定的; (2)将一把钢尺紧紧按在桌面上,一端伸出桌面适当的长度,拨动钢尺,就可听到钢尺振动发出的声音;若改用更大的力拨动钢尺,钢尺的振幅变大,响度变大;改变钢尺伸出桌面的长度,用同样大小的力拨动其伸出桌面的一端,这样会导致钢尺振动的快慢不同,即发出声音的音调不同;钢尺伸出桌面超过一定长度,振动得很慢,即钢尺振动的频率小于20Hz,所以人耳听不到.5.如图所示,某同学用尺子探究音调和响度分别与什么有关时,做了以下实验:(1)该同学把钢尺紧按在桌面上,一端伸出桌边,拨动钢尺,听它振动发出的声音,同时注意钢尺振动的快慢;改变钢尺伸出桌边的长度,再次拨动,使钢尺每次振动的幅度大致相同.实验发现:尺子伸出桌面的长度越长,振动越慢,发出声音的音调越________;由此可得出结论:音调的高低与发声体振动的________有关;(2)又把钢尺紧按在桌面上,一端伸出桌边,拨动钢尺,听它振动发出的声音,同时注意钢尺振动幅度;改变拨动钢尺的力度,再次拨动,使钢尺每次的振动快慢大致相同.实验发现拨动尺子的力度越大,尺子________越大,发出声音的________越大;(3)在实验中会发现:当尺子伸出桌面超过一定长度时,虽然用较大的力拨动钢尺,却听不到声音,这是由于________【答案】低频率振动的幅度响度尺子伸出桌面的长度越长时,振动频率越低,发出声音的音调越低,当尺子伸出桌面超过一定长度时,发出声音的音调低于20Hz,属于次声波,低于人类听觉的下限.【解析】【分析】(1)音调指声音的高低,是由发声体振动的频率决定,物体振动越快,音调就越高,物体振动越慢,音调就越低;(2)响度指声音的强弱,是由发声体振动的振幅决定,振幅越大,响度越大;(3)大多数人能够听到的频率范围从20Hz到20000Hz.【详解】(1)当尺子伸出桌面的长度越长时,振动越慢,发出声音的音调越低;当尺子伸出桌面的长度越短时,振动越快,发出声音的音调越高;由此可得出结论:音调的高低与发声物体的振动频率有关;(2)拨动尺子的力度越大尺子振动幅度越大,发出声音的响度越大;拨动尺子的力度越小尺子振动幅度越小,发出声音的响度越小;由此可得出结论:响度的大小与发声物体的振动幅度有关;(3)尺子伸出桌面的长度越长时,振动频率越低,发出声音的音调越低,所以当尺子伸出桌面超过一定长度时,虽然用较大的力拨动钢尺,但发出声音的频率低于20Hz,属于次声波,人听不到声音.6.在学习二胡演奏过程中,小明发现琴弦发出的声音音调高低受各种因素的影响,他决定对此进行研究,经过和同学们讨论提出了以下几种猜想:猜想一:琴弦发出声音的音调高低,可能与琴弦的横截面积有关猜想二:琴弦发出声音的音调高低,可能与琴弦的长短有关猜想三:琴弦发出声音的音调高低,可能与琴弦的材料有关猜想四:琴弦发出声音的音调高低,可能与琴弦的松紧有关为了验证上述猜想是否正确,他和同学们找到了表所列4种规格的琴弦,进行实验.(1)为了验证_____,应选编号A,C的两种规格的琴弦进行实验.(2)为了验证猜想一,应选编号_____的两种规格的琴弦进行实验.(3)在验证猜想三时,小明发现粗心的同学没有把表中的数据填全,表中①的位置所缺数据是_____.(4)小明在这个探究实验中,选编号B,C的两种规格的琴弦进行实验,同组同学说不能证明以上猜想,其理论依据是没有采用_____的研究方法..(5)综上分析,同样用力时,琴弦的长短,横截面积,材料和松紧都影响弦振动的_____,因此琴弦发出声音的音调高低不同.【答案】二 A、B 55 控制变量法频率【解析】(1)因A、C材料相同,横截面积相同,长度不同,选编号A,C的两种规格的琴弦进行实验是为了验证猜想二:琴弦发出声音的音调高低,可能与琴弦的长短有关;(2)为验证猜想一,应选择长度和材料都相同,而横截面积不同的琴弦A. B进行研究.(3)如果验证猜想三,即琴弦发出声音的音调高低,可能与琴弦的材料有关;应控制长度和横截面积相同,而琴弦的材料不同,故应选B. D进行探究,则表格①的位置所缺数据是55;(4)本实验中有三个变量,应用控制变量法研究,即控制两个变量相同,研究与第三个变量的关系,编号B,C的两种规格的琴弦,材料相同,长度和横截面积都不同,三个变量中有两个不同,不符合控制变量法,故不能证明以上猜想.(5)综上分析,同样用力时,琴弦的长短,横截面积,材料和松紧都影响弦振动的频率,因此琴弦发出声音的音调高低不同.点睛:解决此类多因素问题时,常采用控制变量法进行分析解答,即当研究与其中一个因素的关系时,要控制其他因素不变.7.现在大多数房屋的门窗玻璃是“双层中空(接近真空)”的,能起到“隔音保温”的作用.小明在敲玻璃时,感觉双层玻璃与单层玻璃的振动情况不一样,产生了探究“受敲击时,双层玻璃和单层玻璃的振动强弱情况”的想法.为此,进行了以下实验:①如图所示,将单层玻璃板固定在有一定倾角的斜面底端,把玻璃球A靠在玻璃板的右侧,把橡胶球B悬挂在支架上靠在玻璃板的左侧.②把橡胶球B向左拉开一定的高度,放手后让其撞击玻璃板,玻璃球A被弹开,在下表中记下玻璃球没斜面向上滚动的距离,共做3次.③换成双层玻璃板重复②的实验.⑴实验时,把橡胶球B向左拉开“一定的高度”,目的是为了保证橡胶球B与玻璃撞击时的________能保持不变;⑵受到橡胶球B的撞击后,玻璃板振动的强弱是通过__________来反映的;⑶分析表中的实验数据,可以得出的结论是__________;⑷中空双层玻璃具有“隔音和保温”作用,是因为①隔音:___________;②保暖:___________.【答案】速度玻璃球滚动的距离大小单层玻璃比双层玻璃的振动幅度大真空不能传播声音真空传导热量的能力比玻璃差【解析】解答:(1)根据控制变量法应保持橡胶球B与玻璃撞击时的动能相同,由于是同一个橡胶球,则应保持橡胶球B向左拉开“一定的高度”,从同一高度落下;(2)当玻璃板受到橡胶球的敲击时,玻璃板振动的强弱是通过玻璃球被弹开的距离来反映的,这是转换的研究方法;(3)同样的撞击下,单层玻璃后的玻璃球比双层玻璃后的玻璃球运动的距离远;所以结论是:受敲击时,单层玻璃比双层玻璃的振动强;(4)两层玻璃之间接近真空,中空双层玻璃具有“隔音和保温”作用,①由于声音的传播是需要介质的,而真空不能传声,所以这种窗户能起到较好的隔音效果;②由于真空传导热量的能力比玻璃差,所以这种窗户能起到较好的保温效果。