特种设备焊工项目考试合格项目代号编制方法及其适用范围
- 格式:doc
- 大小:118.00 KB
- 文档页数:6
特种设备焊工项目考试合格项目代号编制方法及其适用范围A9 焊工操作技能考试项目代号焊工操作技能考试项目代号,应按每个焊工、每种焊接方法分别表示。
A9.1 焊工操作技能考试项目表示方法A9.1.1 手工焊焊工操作技能考试项目表示方法A9.1.1.1 手工焊焊工操作技能考试项目表示为○1-○2-○3-○4/○5-○6 -○7,其含义如下:○1焊接方法代号,见表A-1,耐蚀堆焊加代号:(N及试件母材厚度);表A-1 焊接方法及其代号2表A-2 金属材料类别及示例○3试件位置代号,见表A-4,带衬垫加代号:(K);表A-4 试件类别、位置及代号续表○4焊缝金属厚度(对于板材角焊缝试件为试件厚度T);○5外径;○6填充金属类别代号,见表A-3;表A-3 填充金属类别、示例及适用范围○7焊接工艺要素代号,见表A-5。
表A-5 焊接工艺因素及代号A9.1.1.2 操作技能考试项目中不出现某项时,则不填。
A9.1.2 焊机操作工操作技能考试项目表示方法A9.1.2.1 焊机操作工操作技能考试项目表示为○1-○2-○3,其含义如下:○1焊接方法代号,见表A-1,耐蚀堆焊加代号:(N与试件母材厚度);○2试件位置代号,见表A-4,带衬垫加代号:(K);○3焊接工艺要素代号,见表A-5。
A9.1.2.2 操作技能考试项目中不出现某项时,则不填。
A9.2 项目代号应用举例(1)厚度为14mm的Q345R钢板对接焊缝平焊试件带衬垫,使用J507焊条手工焊接,试件全焊透。
项目代号为SMAW-FeⅡ-1G(K)-14-Fef3J;(2)壁厚为8mm、外径为60mm的Q245R钢管对接焊缝水平固定试件,背面不加衬垫,用手工钨极氩弧焊打底,背面没有保护气体,填充金属为实芯焊丝,采用直流电源,反接施焊,焊缝金属厚度为3mm。
然后采用J427焊条手工焊填满坡口。
项目代号为GTAW-FeⅠ-5G-3/60- FefS-02/11/13和SMAW-FeⅠ-5G(K)-5/60- Fef3J;(3)板厚为10mm的Q345R钢板对接焊缝立焊试件无衬垫,采用半自动BO2气体保护焊,填充金属为药芯焊丝,背面无气体保护,采用喷射弧施焊,试件全焊透。
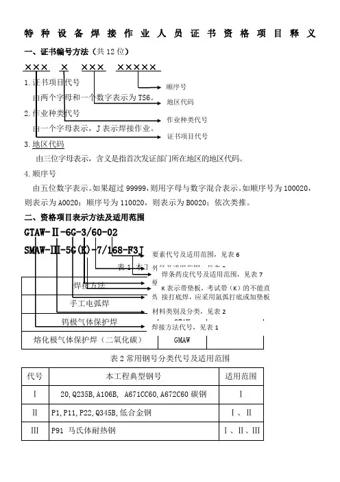
特种设备焊接作业人员证书资格项目释义一、证书编号方法(共12位)
3.地区代码
由三位字母表示,含义是指首次发证部门所在地区的地区代码。
4.顺序号
由五位数字表示。
如果超过99999,则用字母与数字混合表示。
如顺序号为100020,则表示为A0020;顺序号为110020,则表示为B0020;依次类推。
二、资格项目表示方法及适用范围
表2常用钢号分类代号及适用范围
表3焊接位置及适用范围
表5 手工焊对接焊缝试件适用于金属厚度范围(mm)
表6管材对接焊缝试件适用于对接焊缝焊件外径范围(mm)
表7焊条药皮代号及适用范围。
焊工考试方法与项目代集团标准化工作小组 [Q8QX9QT-X8QQB8Q8-NQ8QJ8-M8QMN]焊工考试方法与项目代号(2011新细则)为了便于使特种设备检验人员,能够尽快掌握理解新《考核细则》的焊接方法的编制及内容。
我根据《考核细则》的宣贯会的要求,及标准释义解释,对焊接方法及编制进行了细化分解,便于理解和认识。
解释如下;一、焊工考试方法分类1、焊条电弧焊:SMAW;2、钨极气体保护焊:GTAW;3、气焊:OFW;4、埋弧焊:SAW;5、熔化极气体保护焊:GMAW(实芯焊丝);6、熔化极气体保护焊:CFAW(药芯焊丝);7、电渣焊:ESW8、等离子焊:PAW9、气电立焊:EGW10、摩擦焊:FRW11、螺柱电弧焊:SW二、试件钢号及代号1、FeⅠ类(碳素钢):Q235、20#、20g、20R、L210、S205、HP265等。
2、FeⅡ类(低合金钢):16MnR、12Cr1MoV、20MnMoD、S240、L245、HP295等。
3、FeⅢ类(马氏体、铁素体不锈钢):1Cr5Mo、0Cr13、1Cr17、1Cr9Mo等。
4、FeⅣ类(奥氏体、双相不锈钢):5、铜与铜合金:CuⅠ~ CuⅤ6、镍与镍合金:NiⅠ~NiⅤ7、铝与铝合金:AI~AIⅤ8、钛与钛合金:TiⅠ~TiⅡ0Cr18Ni9Ti、0Cr19Ni13Mo3、0Cr25Ni20、1Cr23Ni18等。
三、试件形式、位置及代号1、板状试件位置及代号:1G(平焊);2G(横焊);3G(立焊);4G(仰焊)。
2、管状试件位置及代号:1G(水平转动);2G(垂直固定);5G(水平固定);6G(45°向上焊)。
3、管板角接头试件位置及代号:2FRG(水平转动);2FG(垂直固定平焊);4FG(垂直固定仰焊);5FG(水平固定);6FG(45°向上焊)。
四、焊条类型、代号及应用范围1、Fe f1:钛钙型包括E4303、E5003、E5503-B1等。
焊工考试方法与项目代号(2011新细则)为了便于使特种设备检验人员,能够尽快掌握理解新《考核细则》的焊接方法的编制及内容。
我根据《考核细则》的宣贯会的要求,及标准释义解释,对焊接方法及编制进行了细化分解,便于理解和认识。
解释如下;一、焊工考试方法分类1、焊条电弧焊:SMAW;2、钨极气体保护焊:GTAW;3、气焊:OFW;4、埋弧焊:SAW;5、熔化极气体保护焊:GMAW(实芯焊丝);6、熔化极气体保护焊:CFAW(药芯焊丝);7、电渣焊:ESW8、等离子焊:PAW9、气电立焊:EGW10、摩擦焊:FRW11、螺柱电弧焊:SW二、试件钢号及代号1、FeⅠ类(碳素钢):Q235、20#、20g、20R、L210、S205、HP265等。
2、FeⅡ类(低合金钢):16MnR、12Cr1MoV、20MnMoD、S240、L245、HP295等。
3、FeⅢ类(马氏体、铁素体不锈钢):1Cr5Mo、0Cr13、1Cr17、1Cr9Mo等。
4、FeⅣ类(奥氏体、双相不锈钢):5、铜与铜合金:CuⅠ~ CuⅤ6、镍与镍合金:NiⅠ~NiⅤ7、铝与铝合金:AI~AIⅤ8、钛与钛合金:TiⅠ~TiⅡ0Cr18Ni9Ti、0Cr19Ni13Mo3、0Cr25Ni20、1Cr23Ni18等。
三、试件形式、位置及代号1、板状试件位置及代号:1G(平焊);2G(横焊);3G(立焊);4G(仰焊)。
2、管状试件位置及代号:1G(水平转动);2G(垂直固定);5G(水平固定);6G(45°向上焊)。
3、管板角接头试件位置及代号:2FRG(水平转动);2FG(垂直固定平焊);4FG(垂直固定仰焊);5FG(水平固定);6FG(45°向上焊)。
四、焊条类型、代号及应用范围1、Fe f1:钛钙型包括E4303、E5003、E5503-B1等。
2、Fe f 2:纤维素型包括E4310、E5011等。
3、Fe f 3;钛型、钛钙型包括G202、G302等。
锅炉压力容器压力管道焊工证(特种设备作业人员证)项目代号含义焊工考试项目代号,应按每个焊工、每种焊接方法分别表示。
(一)手工焊焊工考试项目表示方法为:①一②一③一④一⑤一⑥一⑦,其中:①表示焊接方法代号,见表1,耐蚀堆焊代号加:(N及试件母材厚度)。
②表示试件钢号分类代号,见表2,有色金属材料按相应标准规定的代号。
异种钢号用X/X表示。
③表示试件形式代号,见表3,带衬垫代号加:(K)。
④试件焊缝金属厚度。
⑤试件外径。
⑥焊条类别代号,见表4。
⑦焊接要素代号,见表5。
考试项目中不出现某项时,则不填。
表1 焊接方法及代号表2试件钢号分类及代号表(二)焊机操作工考试项目表示方法为:①一②一③,其中:①焊接方法代号,见表1,耐蚀堆焊代号加:(N及试件母材厚度)。
②试件形式代号,见表3,带衬垫代号加(K)。
③焊接要素代号,见表5,存在两种以上要素时,用“/”分开。
考试项目中不出现该项时,则不填。
(三)项目代号应用举例如下:(1)厚度为12mm的16MnR钢板对接焊缝平焊试件带衬垫,使用J507焊条手工焊接,试件全焊透,项目代号:SMAW-Ⅱ-lG(K)-12-F3J。
(2)壁厚为8mm、外径为60mm的20g钢管对接焊缝水平固定试件,背面不加衬垫,用手工钨极氩弧焊打底,填充金属为实芯焊丝,焊缝金属厚度为3mm,然后采用J427焊条手工焊填满坡口,项目代号为:GTAW-Ⅰ-5G-3/60—02和SMAW一Ⅰ一5G(K)一5/60一F3J。
(3)板厚为10mm的16MnR钢板立焊试件无衬垫,采用半自动C02气体保护焊,填充金属为药芯焊丝,试件全焊透。
项目代号:GNAW一Ⅱ一3G一10。
(4)管材对接焊缝无衬垫水平固定试件,壁厚为8mm,外径为70mm,钢号为16Mn,采用自动熔化极气体保护焊,使用实芯焊丝,在自动跟踪条件下进行多道焊全焊透,项目代号:GMAW一5G一06/09。
(5)在壁厚为10mm、外径为86mm的16Mn钢制管材垂直固定试件上使用A312焊条手工堆焊,项目代号:SMAW(N10)-Ⅱ-2G-86-F4。
焊工考试方法与项目代号
焊工考试方法分类
1、焊条电弧焊:SMAW;
2、钨极气体保护焊:GTAW;
3、气焊:OFW;
4、埋弧焊:SAW;
5、熔化极气体保护焊:GMAW(实芯焊丝);
6、熔化极气体保护焊:CFAW(药芯焊丝);
7、电渣焊:ESW
8、等离子焊:PAW
9、气电立焊:EGW
10、摩擦焊:FRW
11、螺柱电弧焊:SW
试件钢号及代号
1、FeⅠ类(碳素钢): Q235、20#、20g、20R、L210、S205、HP265
等。
2、FeⅡ类(低合金钢): 16MnR、12Cr1MoV、20MnMoD、S240、L245、HP295等。
3、FeⅢ类(马氏体、铁素体不锈钢):1Cr5Mo、0Cr13、1Cr17、1Cr9Mo
等。
4、FeⅣ类(奥氏体、双相不锈钢)
5、铜与铜合金:CuⅠ~ CuⅤ
6、镍与镍合金:NiⅠ~NiⅤ
7、铝与铝合金:AI~AIⅤ
8、钛与钛合金:TiⅠ~TiⅡ 0Cr18Ni9Ti、0Cr19Ni13Mo3、0Cr25Ni20、1Cr23Ni18等。
试件形式、位置及代号
1、板状试件位置及代号: 1G(平焊);2G(横焊);3G(立焊);4G(仰焊)。
2、管状试件位置及代号:1G(水平转动);2G(垂直固定);5G(水平固定);6G(45°向上焊)。
3、管板角接头试件位置及代号: 2FRG(水平转动);2FG(垂直固定平焊);4FG(垂直固定仰焊);5FG(水平固定);6FG(45°向上焊)。
特种设备金属材料焊工考试范围、内容、方法和结果评定A1 适用范围本附件规定了特种设备金属材料焊工考试范围、内容、方法、结果评定与项目代号。
适用于特种设备用金属材料的气焊、焊条电弧焊、钨极气体保护焊、熔化极气体保护焊、埋弧焊、等离子弧焊、气电立焊、电渣焊、摩擦焊、螺柱焊和耐蚀堆焊的焊工考试。
A2 术语A2.1 焊工从事焊接操作的人员。
焊工分为手工焊焊工、机动焊焊工和自动焊焊工。
机动焊焊工和自动焊焊工合称焊机操作工。
A2.2 手工焊焊工用手进行操作和控制工艺参数而完成的焊接,填充金属可以由人工送给,也可以由焊机送给。
A2.3 机动焊焊工操作焊机进行调节与控制工艺参数而完成的焊接。
A2.4 自动焊焊机自动进行调节与控制工艺参数而完成焊接。
A2.5 焊机操作工操作机动焊、自动焊设备的焊工。
A3 基本知识考试范围(1)特种设备的分类、特点和焊接要求;(2)金属材料的分类、牌号、化学成分、使用性能、焊接特点和焊后热处理;(3)焊接材料(包括焊条,焊丝、焊剂和气体等)类型、型号、牌号、性能、使用和保管;(4)焊接设备、工具和测量仪表的种类、名称、使用和维护;(5)常用焊接方法的特点、焊接工艺参数、焊接顺序、操作方法与焊接质量的影响因素;(6)焊缝形式、接头形式、坡口形式、焊缝符号与图样识别;(7)焊接缺陷的产生原因、危害、预防方法和返修;(8)焊缝外观检查方法和要求,无损检测方法的特点、适用范围;(9)焊接应力和变形的产生原因和防止方法;(10)焊接质量控制系统、规章制度、工艺纪律基本要求;(11)焊接作业指导书、焊接工艺评定;(12)焊接安全和规定。
(13)特种设备法律、法规和标准;(14)法规、安全技术规范有关焊接作业人员考核和管理规定。
A4 焊接操作技能考试A4.1焊接操作技能的要素与焊接操作技能的要素如下:(1)焊接方法;(2)焊接方法的机动化程度;(3)金属材料类别;(4)填充金属类别;(5)试件位置;(6)衬垫;(7)焊缝金属厚度;(8)管材外径;(9)焊接工艺因素。
焊工项目考试合格项目代号编制方法及其适用范围一、目的《民用核安全设备焊工焊接操作工资格管理规定》(HAF603 )的附件1、附件2和附件3确定了针对特定的核安全设备焊接活动的操作技能考试的考试、检验要求和考试合格项目代号。
为便于聘用单位核安全设备焊接活动管理,保证核安全设备焊接监督的顺利进行,本文件根据HAF603及其附件确定的原则,给出焊工项目考试合格项目代号(简称项目代号)编制方法和适用范围。
本文件是对HAF603的补充和解释,适用于聘用单位选择焊工项目考试申请项目代号、考核中心确定考试项目代号以及聘用单位为持证焊工、焊接操作工安排焊接活动。
聘用单位、考核中心在焊工项目考试时应根据HAF603和本文件确定焊工项目考试代号。
二、技能变素与适用原则与焊接活动有关,其变化会影响焊工项目考试结果适用性的近似因素或参数的综合叫做技能变素,在HAF603中简称变素。
为了便于管理,HAF603将技能变素归纳为八个类别:焊接方法、试件形式、焊缝形式、母材类别、焊接材料、焊缝金属厚度与管材外径、焊接位置和焊接要素。
本文件通过规定变素代号或变量的表示方法以及适用原则确定焊工项目考试项目代号编制方法和适用范围。
在HAF603附件1和附件3中所用的“可免考”、“适用于”、“等效”、“可代替”等均是适用原则的不同表述。
三、焊工项目考试分类焊工项目考试是民用核安全设备焊工、焊接操作工专项理论知识考试和操作技能考试的简称。
除普通焊工项目考试外,焊工项目考试还包括焊工专项考试和专用焊工项目考试。
焊工专项考试以下三类有特殊要求的焊工项目考试称为焊工专项考试:(1)X类专项考试—HAF603附件1表1中未列的特殊焊接方法以及HAF603附件1表2所列区类母材的特种金属焊接活动为X类专项焊接。
与此相关的焊工项目考试称为X类专项考试;参加X类专项考试的焊工、焊接操作工,在参加操作技能考试前,还应参加专项理论知识考试,并成绩合格。
(2)Y类专项考试一由于焊接设备的原因,不宜在考核中心或考核中心申请单位内进行操作技能考试的焊接活动为Y类专项焊接。
特种设备焊接作业人员证书资格项目释义一、证书编号方法(共 12 位) ××××××××××××由两个字母和一个数字表示为 TS6 。
2. 作业种类代号由一个字母表示, J 表示焊接作业。
3. 地区代码由三位字母表示,含义是指首次发证部门所在地区的地区代码。
4.顺序号由五位数字表示。
如果超过 99999 ,则用字母与数字混合表示。
如 顺序号为 100020 ,则表示为 A0020 ;顺序号为 110020 ,则表示为 B0020 ; 依次类推。
二、资格项目表示方法及适用范围GTAW-Ⅱ-6G-3/60-02要素代号及适用范围,见表 6 外径及适用范围,见表 5 壁厚及适用范围,见表 4 焊接位置及适用范围,见表 3 材料类别及分类,见表 2焊接方法代号,见表 1顺序号地区代码 作业种类代号证书项目代号1.证书项目代号焊接方法代号备注手工电弧焊SMAW改变焊接方法钨极气体保护焊GTAW要重新考试熔化极气体保护焊(二氧化碳)GMAW型式代号位置简图适用范围板材对接1G平焊1G平焊SMAW-Ⅲ-5G(K)-7/168-F3J焊条药皮代号及适用范围,见表7K 表示带垫板,考试带(K)的不能直接打底焊,应采用氩弧打底或加垫板表 1 本工程常用焊接方法代号表 2 常用钢号分类代号及适用范围代号本工程典型钢号适用范围Ⅰ20,Q235B,A106B, A671CC60,A672C60 碳钢ⅠⅡP1,P11,P22,Q345B, 低合金钢Ⅰ、ⅡⅢP91 马氏体耐热钢Ⅰ、Ⅱ、ⅢⅣTP304H,TP321,TP316,TP347 奥氏体不锈钢Ⅳ表 3 焊接位置及适用范围表 5 手工焊对接焊缝试件适用于金属厚度范围( mm )适用于对接适用于角焊缝试件母材焊缝形式焊件金属厚度金属厚度 厚度 T最小值最大值 厚度范围 ﹤12不限2t厚度不限对接焊缝≥12不限不限厚度不限板材对接 2G 横焊2G 、3G 平焊、横焊板材对接 3G 立焊1G 、3G 平焊、立焊板材对接 4G 仰焊1G 、4G 平焊、仰焊管材对接 1G水平转动 (平焊) 1G 平焊管材对接 2G垂直固定 (横焊) 1G 、2G 平焊、横焊管材对接 5G水平固定 (平立仰) 1G 、5G平焊、立焊、仰焊管材对接 6G45°固定 (全位置)任何位置适用于管材焊件外径范围注:管材考试合格的可以焊接板材, 但应在相应的位置和壁厚范围内表 6 管材对接焊缝试件适用于对接焊缝焊件外径范围( mm )管材焊缝外径 D最小值最大值 ﹤25D 不限 25≤D﹤7625 不限 ≥7676 不限 板材试件600不限表 7 焊条药皮代号及适用范围焊条类别 代号 本工程典型焊条牌号适用范围钛钙型 F1 J422、J502F1钛型、钛钙型 F3 低氢型、碱性 F3JF4 -J427、J507、R307、R407、E8016-B2、E9015-B9A002、A102、A132、A022、 A302、A402F1、F3F1、F3、F3J钛型、钛钙型F4 碱性F4JA107、A137、A307、A407F4F 、4J。
焊工考试项目代号,应按每个焊工、每种焊接方法分别表示。
㈠手工焊焊工考试项目表示方法为:① - ② - ③ - ④ / ⑤ - ⑥ - ⑦其中:①焊接方法代号,见表1,耐蚀堆焊代号加:(N及试件母材厚度)。
②试件钢号分类代号,见表3,有色金属材料按相应标准规定的代号。
异种钢号用X / X表示③试件形式代号,见表4,带衬垫代号加:(K)。
④试件焊缝金属厚度。
⑤试件外径。
⑥焊条类别代号,见表2。
⑦焊接要素代号,见表5。
考试项目中不出现某项时,则不填。
㈡焊机操作工考试项目表示方法为:① - ② - ③,其中:①焊接方法代号,见表1,耐蚀堆焊代号加:(N及试件母材厚度)。
②试件形式代号,见表4,带衬垫代号加:(K)。
③焊接要素代号,见表5,存在两种以上要素时,用“ / ”分开。
考试项目中不出现该项时,则不填。
㈢项目代号应用举例如下:⑴厚度为12mm的16MnR钢板对接焊缝平焊试件带衬垫,使用J507焊条手工焊接,试件全焊透,项目代号:SMAW-Ⅱ-1G(K)-12-F3J。
⑵壁厚为8mm、外径为60 mm的20g钢管对接焊缝水平固定试件,背面不加衬垫,用手工钨极氩弧焊打底,填充金属为实芯焊丝,焊缝金属厚度为3mm然后采用J427焊条手工填满坡口,项目代号为:GTAW-Ⅰ-5G-3/60-02和SMAW-Ⅰ-5G(K)-5/60-F3J。
⑶板厚为10mm的16MnR钢板立焊试件无衬垫,采用半自动CO2气体保护焊,填充金属为药芯焊丝,试件全焊透。
项目代号:GMAW-Ⅱ-3G-10。
⑷管材对接焊缝无衬垫水平固定试件,壁厚为8mm,外径为70 mm,钢号为16Mn,采用自动熔化极气体保护焊,使用实芯焊丝,在自动跟踪条件下进行多道焊全焊透,项目代号:GMAW-5G-06/09。
⑸壁厚为10mm,外径为86 mm的16Mn钢管管材垂直固定试件上使用A312焊条手工堆焊,项目代号:SMAW(N10) -Ⅱ-2G-86-F4。
焊工项目代号诠释和选用方法为解决项目现场压力管道工程施工中焊工项目代号能够对施工内容的覆盖,满足质检局对特种设备工程安全监督检查的要求,顺利办理特种设备工程开工告知和竣工验收,本文根据《TSG Z6002-2010 特种设备安全技术规范》的要求对焊工项目代号进行了诠释并结合公司的实际业务情况对项目现场如何选择进行了总结。
1. 概述根据《特种设备安全监察条例》的规定,从事特种设备工程施工(对于我公司主要是压力管道安装)的焊接操作人员必须要持有质量技术监督部门通过考核颁发的《中华人民共和国特种设备作业人员证》方可从事相关相关的焊接工作。
对于现场非压力管道的焊接操作没有要求必须要有此证,只需要具备操作证且具备相应的技术能力即可。
通常所说的焊工持证上岗项目代号,实际指代的是焊工参加特种设备焊接考试所考的项目内容,它决定着该焊工能够从事的焊接方法、焊接材料、焊缝位置、管径大小和焊缝尺寸等。
焊工项目代号分为手工焊焊工操作和焊机操作工操作两种,本文只介绍公司业务中常用到的手工焊焊工操作项目代号的含义。
2. 焊工项目代号的表示方法手工焊焊工操作技能考试项目表示为①-②-③-④-⑤-⑥-⑦,如果操作技能考试项目中不出现其中某项时,则不包括该项。
考试项目代号中的每个节代号都有着不同的含义且种类繁多,本文结合公司实际施工中常接触到的内容对每个节代号所包含的代码进行了解释和总结归纳。
①:焊接方法代号;在规范中总共有7种焊接方法,但是在公司的施工中只涉及到其中的两种焊接方法,如表1。
表1 焊接方法及代号②:金属材料类别代号;此代号表示的就是被焊接管道的材质,公司业务中常用到的管道材质通常为碳钢管和不锈钢管,对应的代号如表2.表2 金属材料类别及代号③:试件位置代号;公司业务中涉及到的代号如表3。
表3 试件类别、位置及代号④:焊缝金属厚度;表示焊工考试所焊母材焊缝的厚度,这里要区别焊缝的厚度不等于母材的厚度,只有当采用一种焊接方法全焊透时焊缝的厚度才等于母材的厚度。
特种设备焊工项目考试合格项目代号编制方法及其适用围
A9 焊工操作技能考试项目代号
焊工操作技能考试项目代号,应按每个焊工、每种焊接方法分别表示。
A9.1 焊工操作技能考试项目表示方法
A9.1.1 手工焊焊工操作技能考试项目表示方法
A9.1.1.1 手工焊焊工操作技能考试项目表示为○1-○2-○3-○4/○5-○6 -○7,其含义如下:
○1焊接方法代号,见表A-1,耐蚀堆焊加代号:(N及试件母材厚度);
表A-1 焊接方法及其代号
2
表A-2 金属材料类别及示例
○3试件位置代号,见表A-4,带衬垫加代号:(K);
表A-4 试件类别、位置及代号
续表
○4焊缝金属厚度(对于板材角焊缝试件为试件厚度T);○5外径;
○6填充金属类别代号,见表A-3;
表A-3 填充金属类别、示例及适用围
○7焊接工艺要素代号,见表A-5。
表A-5 焊接工艺因素及代号
A9.1.1.2 操作技能考试项目中不出现某项时,则不填。
A9.1.2 焊机操作工操作技能考试项目表示方法
A9.1.2.1 焊机操作工操作技能考试项目表示为○1-○2-○3,其含义如下:○1焊接方法代号,见表A-1,耐蚀堆焊加代号:(N与试件母材厚度);
○2试件位置代号,见表A-4,带衬垫加代号:(K);
○3焊接工艺要素代号,见表A-5。
A9.1.2.2 操作技能考试项目中不出现某项时,则不填。
A9.2 项目代号应用举例
(1)厚度为14mm的Q345R钢板对接焊缝平焊试件带衬垫,使用J507焊条手工焊接,试件全焊透。
项目代号为SMAW-FeⅡ-1G(K)-14-Fef3J;
(2)壁厚为8mm、外径为60mm的Q245R钢管对接焊缝水平固定试件,背面不加衬垫,用手工钨极氩弧焊打底,背面没有保护气体,填充金属为实芯焊丝,采用直流电源,反接施焊,焊缝金属厚度为3mm。
然后采用J427焊条手工焊填满坡口。
项目代号为GTAW-FeⅠ-5G-3/60- FefS-02/11/13和SMAW-FeⅠ-5G(K)-5/60- Fef3J;
(3)板厚为10mm的Q345R钢板对接焊缝立焊试件无衬垫,采用半自动BO2气体保护焊,填充金属为药芯焊丝,背面无气体保护,采用喷射弧施焊,试件全焊透。
项目代号为FBAW-FeⅡ-3G-10-FefS-11/15;
(4)管材对接焊缝无衬垫水平固定试件,壁厚为8mm,外径为70mm,钢号为16Mn,采用自动熔化极气体保护焊,使用实芯焊丝,脉冲弧施焊,在自动跟踪条件下进行多道焊,试件全焊透,项目代号为GMAW-5G-06/09;
(5)壁厚为10mm、外径为86mm的16Mn钢制管材垂直固定试件,使用A312焊条沿圆周方向手工堆焊,项目代号为SMAW(N10)-FeⅡ-2G-86-Fef4;
(6)管板角接头无衬垫水平固定试件,管材壁厚为3mm,外径为25mm,材质为20号钢,板材厚度为8mm,材质为Q345R,手工钨极氩弧焊打底不加填充焊丝,采用直流电源反接,背面无气体保护,焊缝金属厚度为2mm。
然后采用自动钨极氩弧焊药芯焊丝多道焊,填满坡口,焊机无稳压系统,无自动跟踪系统,目视观察、控制。
项目代号为GTAW-FeⅠ/FeⅡ-5FG-2/25-01/11/13和GTAW-5FG(K)-05/07/09/19;
(7)S290钢管外径为320mm,壁厚为12mm,水平固定位置,使用EXX10焊条手工向下焊打底,背面没有衬垫,焊缝金属厚度为4mm。
然后采用药芯焊丝自动向上焊,无自动跟踪系统,进行多道多层焊填满坡口。
项目代号为SMAW-Fe Ⅱ-5GX-4/320- Fef2和FCAW-5G(K)-07/09;
(8)板厚为16mm的06Cr19Ni10钢板,采用埋弧自动焊平焊,背面加焊剂垫,焊机无自动跟踪系统,焊丝为H08Cr21Ni10Ti,焊剂为HJ260,单面施焊二层,填满坡口,项目代号为SAW-1G(K)-07/09;
(9)厚度12mm的1060铝板对接焊缝平焊试件,采用半自动熔化极气体保护焊、焊丝用AlfS3焊丝,采用直流反接,熔滴弧施焊,单面多道焊全焊透,背面有保护气体。
项目代号为GMAW-A1Ⅰ-1G-12-AlfS3-10/15;
(10)板厚为10mm的Q345R钢板角焊缝试件,立焊。
采用半自动BO2气体保护焊,背面无保护气体,填充金属为药芯焊丝,喷射弧过渡,完成试件的焊接。
项目代号为FCAW-FeⅡ-3F-10-FefS-11/15。