晶体三极管与场效应管
- 格式:ppt
- 大小:1.78 MB
- 文档页数:48
第二章晶体三极管和场效应晶体管一、是非题(1)为使晶体管处于放大工作状态,其发射结应加反向电压,集电结应加正向电压。
()(2)无论是哪种晶体三极管,当处于放大状态时,b极电位总是高于e极电位,c极电位也总是高于b极电位。
()(3)晶体三极管的发射区和集电区是由同一类半导体(N型或P型)构成的,所以e极和c极可以互换使用。
()(4)晶体三极管的穿透电流I CEO的大小不随温度而变化。
()(5)晶体三极管的电流放大系数β随温度的变化而变化,温度升高,β减少。
()(6)对于NPN三极管,当V BE>0,V BE>V CE,则该管的工作状态是饱和状态。
()(7)已知某三极管的射极电流I E=1.36mA,集电极电流I C=1.33mA,则基极电流I B=30微安。
()(8)某晶体三极管的射极电流I B=10微安时,I C=0.44mA;当I B=20微安时,I C=0.89mA 则它的电流放大系数β=45。
()(9)可以用两个二极管连接成一个三极管。
()(10)晶体三极管具有电压放大作用。
()二、填空题1、晶体三极管的三个电极分别称为、、。
三极管在放大电路中,PNP管电位最高的一极是,NPN管电位最高的一极是。
此时,三极管发射结为偏置,集电结为偏置。
晶体三极管工作在饱和区和截止区时,具有特性,可应用于脉冲数字电路中。
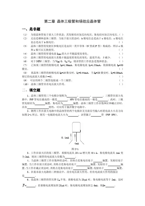
2、测得工作在放大电路中的晶体管的两个电极在无交流信号输入时的电流大小及方向如图2-1所示,则另一电极的电流大小为,该管属于管(PNP NPN)。
0.1mA4mA-++ 10K20K1V图2-13、工作在放大区的某三极管,基极电流从20μA增大到40μA,集电极电流从1mA变为2mA,则该三极管的电流放大倍数为。
4、当晶体三极管工作在饱和状态时,其特点是集电结处于偏置,发射结处于偏置。
当工作在放大状态时,其特点是集电结处于偏置,发射结于偏置。
当工作在截止状态时,其特点是集电结处于偏置,发射结于偏置。
放大电路的工作原理和三种基本放大组态放大电路里通常是晶体三极管、场效应管、集成运算放大器等,这些器件也称为有源器件。
共射放大电路如图所示。
V cc是集电极回路的直流电源,也是给放大电路提供能量的,一般在几伏到几十伏范围,以保证晶体三极管的发射结正向偏置、集电结反向偏置,使晶体三极管工作在放大区。
R c是集电极电阻,一般在几 K 至几十K 范围,它的作用是把集电极电流i C的变化变成集电极电压u CE的变化。
V BB是基极回路的直流电源,使发射结处于正向偏置,同时通过基极电阻R b提供给基极一个合适的基极电流I BQ,使三极管工作在放大区中适当的区域,这个电流I BQ常称为基极偏置电流,它决定着三极管的工作点,基极偏置电流I BQ是由V BB和基极电阻R b共同作用决定的,基极电阻R b一般在几十KΩ至几百KΩ范围。
如在输入端加上一个较小的正弦信号u i , 通过电容C1加到三极管的基极,从而引起基极电流i B在原来直流I BQ的基础上作相应的变化,由于u i是正弦信号,使i B随u i也相应地按正弦规律变化,这时的i B实际上是直流分流I BQ和交流分量i b迭加后的量。
同时i B的变化使集电极电流 i C 随之变化,因此i C也是直流分量I C和交流分量i c的迭加,但i C要比i B大得多(即β倍)。
电流i C在电阻R C上产生一个压降,集电极电压u CE =V CC-i C R L,这个集电极电压u CE也是由直流分量I C和交流分量 i C两部分迭加的。
这里的 u CE和 i C相位相反,即当 i C增大时, u CE减少。
由于C 2的隔直作用,使只有 u CE的交流分量通过电容C2作为放大电路的输出电压u O。
如电路参数选择适当,u O要比 u I的幅值要大得多,同时 u I与 u O的相位正好相反。
电路中各点的电流、电压波形如图所示。
放大电路的图解法放大电路有三种主要分析方法:一是图解法,二是微变等效电路法,三是计算机辅助分析法。
mos管分四种,N沟道增强型和耗尽型,P沟道增强型和耗尽型。
箭头指向g 的且带虚线的为N增强,没有虚线的为N耗尽。
箭头背向g端的且带虚线的为P增强,不带虚线则为P耗尽。
希望说的你能明白,小妹新手,多多关照!有没说清楚的继续,呵呵···场效应管三极管开关电路基础发布时间:2008-12-08 23:08:32三极管简介:三极管的种类很多,并且不同型号各有不同的用途。
三极管大都是塑料封装或金属封装,常见三极管的外观,有一个箭头的电极是发射极,箭头朝外的是NPN型三极管,而箭头朝内的是PNP型。
实际上箭头所指的方向是电流的方向。
图1双极面结型晶体管有两个类型:npn和pnp。
npn类型包含两个n 型区域和一个分隔它们的p型区域;pnp类型则包含两个p型区域和一个分隔它们的n型区域,图2和图3分别是它们的电路符号。
以下的说明将集中在npn BJT。
图2: npn BJT 的电路符号图3: pnp BJT 的电路符号BJT工作于三种不同模式:截止模式、线性放大模式及饱和模式,见图4。
图4 四种工作模式BJT在电子学中是非常重要的元件。
它们被广泛应用在其他展品中,特别是模拟电路里的放大器和数码电路里的电子开关。
开关电路原则a. BJT三极管Transistors只要发射极e 对电源短路就是电子开关用法N管发射极E 对电源负极短路. 低边开关;b-e 正向电流饱和导通P管发射极E 对电源正极短路. 高边开关 ;b-e 反向电流饱和导通b. FET场效应管MOSFET只要源极S 对电源短路就是电子开关用法N管源极S 对电源负极短路. 低边开关;栅-源正向电压导通P管源极S 对电源正极短路. 高边开关;栅-源反向电压导通总结:低边开关用 NPN 管高边开关用 PNP 管三极管b-e 必须有大于C-E 饱和导通的电流场效应管理论上栅-源有大于漏-源导通条件的电压就就OK假如原来用NPN 三极管作ECU 氧传感器加热电源控制低边开关则直接用N-Channel 场效应管代换;或看情况修改下拉或上拉电阻基极--栅极集电极--漏极发射极--源极NPN和PNP 开关三极管(1)我把NPN三极管看成一个三个脚继电器.基极-----就是一个小电流的.继电器的信号吧集电极-----可以说是正极吧发射极------可以说负极吧有一个小电流流入了基极的话那么集电极和发射极就会通.(2)PNP三极管看成一个三个脚继电器.基极-----就是一个小电流的继电器信号集电极-----可以说是正极吧发射极------可以说负极吧有一个小电流流出了基极的话,那么集电极和发射极就会通.三极管VS场效应管三极管BJT--------TRANSISTORS ----------- 电流驱动场效应管----- FET ------------------------- 电压驱动MOS场效应管MOSFET ................ 电压驱动2N70022n7002 IC产品型号的一种描述:晶体管极性:N沟道漏极电流, Id 最大值:280mA电压, Vds 最大:60V开态电阻, Rds(on):5ohm电压@ Rds测量:10V电压, Vgs 最高:2.1V功耗:0.2W工作温度范围:-55to 150封装类型:SOT-23针脚数:3SVHC(温度关注物质):Cobalt dichloride (18-Jun-2010) SMD标号:702功率, Pd:0.2W外宽:3.05mm外部深度:2.5mm外部长度/高度:1.12mm封装类型:SOT-23带子宽度:8mm晶体管数:1晶体管类型:MOSFET温度@ 电流测量:25°C满功率温度:25°C电压Vgs @ Rds on 测量:10V电压, Vds 典型值:60V电流, Id 连续:0.115A电流, Idm 脉冲:0.8A表面安装器件:表面安装通态电阻, Rds on @ Vgs = 10V:5ohm通态电阻, Rds on @ Vgs = 4.5V:5.3ohm阈值电压, Vgs th 典型值:2.1V阈值电压, Vgs th 最高:2.5VSVHC(高度关注物质)(附加):Bis (2-ethyl(hexyl)phthalate) (DEHP) (18-Jun-2010)MOS管的基本知识(转载)2011-05-07 06:39:32| 分类:电路硬件设计| 标签:|字号大中小订阅现在的高清、液晶、等离子电视机中开关电源部分除了采用了PFC技术外,在元器件上的开关管均采用性能优异的MOS 管取代过去的大功率晶体三极管,使整机的效率、可靠性、故障率均大幅的下降。
电子元器件知识:二极管、三极管与场效应管。
一、半导体二极管2、半导体二极管的分类分类:a 按材质分:硅二极管和锗二极管;b按用途分:整流二极管,检波二极管,稳压二极管,发光二极管,光电二极管,变容二极管。
3、半导体二极管在电路中常用“D”加数字表示,如:D5表示编号为5的半导体二极管。
4、半导体二极管的导通电压是:a;硅二极管在两极加上电压,并且电压大于0.6V时才能导通,导通后电压保持在0.6-0.8V之间.B;锗二极管在两极加上电压,并且电压大于0.2V时才能导通,导通后电压保持在0.2-0.3V之间.5、半导体二极管主要特性是单向导电性,也就是在正向电压的作用下,导通电阻很小;而在反向电压作用下导通电阻极大或无穷大。
6、半导体二极管可分为整流、检波、发光、光电、变容等作用。
7、半导体二极管的识别方法:a;目视法判断半导体二极管的极性:一般在实物的电路图中可以通过眼睛直接看出半导体二极管的正负极.在实物中如果看到一端有颜色标示的是负极,另外一端是正极.b;用万用表(指针表)判断半导体二极管的极性:通常选用万用表的欧姆档(R﹡100或R﹡1K),然后分别用万用表的两表笔分别出接到二极管的两个极上出,当二极管导通,测的阻值较小(一般几十欧姆至几千欧姆之间),这时黑表笔接的是二极管的正极,红表笔接的是二极管的负极.当测的阻值很大(一般为几百至几千欧姆),这时黑表笔接的是二极管的负极,红表笔接的是二极管的正极.c;测试注意事项:用数字式万用表去测二极管时,红表笔接二极管的正极,黑表笔接二极管的负极,此时测得的阻值才是二极管的正向导通阻值,这与指针式万用表的表笔接法刚好相反。
8、变容二极管是根据普通二极管内部“PN结”的结电容能随外加反向电压的变化而变化这一原理专门设计出来的一种特殊二极管。
变容二极管在无绳电话机中主要用在手机或座机的高频调制电路上,实现低频信号调制到高频信号上,并发射出去。
在工作状态,变容二极管调制电压一般加到负极上,使变容二极管的内部结电容容量随调制电压的变化而变化。
三极管与结型场效应管概述及解释说明1. 引言1.1 概述三极管和结型场效应管是现代电子技术中最常用的两种电子元件。
它们在电子设备中扮演着重要的角色,起到放大、开关和调节电流等功能。
本文将对三极管和结型场效应管进行概述,并比较它们之间的区别和应用范围。
1.2 文章结构本文共分为五个部分:引言、三极管的概述、结型场效应管的概述、三极管与结型场效应管之间的比较以及结论和总结。
在接下来的内容中,我们将详细介绍这些内容以帮助读者更好地理解三极管和结型场效应管。
1.3 目的本文旨在全面介绍三极管和结型场效应管的原理、特点和应用,并通过比较它们之间的差异来帮助读者了解如何选择合适的元件来满足特定的需求。
此外,本文还会展望未来这两种元件在电子领域中可能存在的发展趋势和研究方向。
通过阅读本文,读者将能够对三极管和结型场效应管有更深入的认识,以在实际应用中做出明智的选择和决策。
2. 三极管的概述:2.1 原理及特点:三极管是一种电子器件,由PNP或NPN型晶体管构成。
它的基本原理是通过不同控制信号的变化来改变电流和电压的放大作用。
三极管具有增益高、工作稳定等特点,被广泛应用于放大、开关以及时钟电路等领域。
2.2 三极管的分类:根据结构和工作原理,三极管可分为常规PNP和NPN型三极管、功率三极管以及场效应晶体管。
常规PNP和NPN型三极管中,PNP型在基区加正电压时控制主流进入集电区,而NPN型则是通过负电压控制主流。
功率三极管通常用于高频放大器、发射机及功率放大器等需要处理较大功率信号的场合。
场效应晶体管是另一类重要的三极管类型, 它根据结构和工作原理分为增强型场效应晶体管(n-channel MOSFET)和耗尽型场效应晶体管(p-channel MOSFET)两种。
2.3 三极管的应用:由于其高度可控性和放大能力,在电子领域中广泛应用。
三极管可作为放大器使用,将弱信号放大到足够的大小以便驱动其他元件。
此外,它们还常用于开关电路中,通过控制输入信号来控制输出电流的通断。
场效应晶体管与三极管基础知识根据三极管的原理开发出的新一代放大元件,有3 个极性,栅极,漏极,源极,它的特点是栅极的内阻极高,采用二氧化硅材料的可以达到几百兆欧,属于电压控制型器件概念:场效应晶体管(Field Effect Transistor缩写(FET))简称场效应管.由多数载流子参与导电,也称为单极型晶体管.它属于电压控制型半导体器件.特点:具有输入电阻高(108~109Ω)、噪声小、功耗低、动态范围大、易于集成、没有二次击穿现象、安全工作区域宽等优点,现已成为双极型晶体管和功率晶体管的强大竞争者.场效应管的作用1、场效应管可应用于放大。
由于场效应管放大器的输入阻抗很高,因此耦合电容可以容量较小,不必使用电解电容器。
2、场效应管很高的输入阻抗非常适合作阻抗变换。
常用于多级放大器的输入级作阻抗变换。
3、场效应管可以用作可变电阻。
4、场效应管可以方便地用作恒流源。
5、场效应管可以用作电子开关。
场效应管的测试1、结型场效应管的管脚识别:场效应管的栅极相当于晶体管的基极,源极和漏极分别对应于晶体管的发射极和集电极。
将万用表置于R×1k档,用两表笔分别测量每两个管脚间的正、反向电阻。
当某两个管脚间的正、反向电阻相等,均为数KΩ时,则这两个管脚为漏极D 和源极S(可互换),余下的一个管脚即为栅极G。
对于有 4 个管脚的结型场效应管,另外一极是屏蔽极(使用中接地)。
2、判定栅极用万用表黑表笔碰触管子的一个电极,红表笔分别碰触另外两个电极。
若两次测出的阻值都很小,说明均是正向电阻,该管属于N 沟道场效应管,黑表笔接的也是栅极。
制造工艺决定了场效应管的源极和漏极是对称的,可以互换使用,并不影响电路的正常工作,所以不必加以区分。
源极与漏极间的电阻约为几千欧。
注意不能用此法判定绝缘栅型场效应管的栅极。
因为这种管子的输入电阻极高,栅源间的极间电容又很小,测量时只要有少量的电荷,就可在极间电容上形成很高的电压,容易将管子损坏。
场效应晶体管与晶体三极管
场效应晶体管与晶体三极管是现代电子元器件中最为常见的两
种晶体管。
场效应晶体管由于其具有高输入电阻、低噪声、低功耗等优点,被广泛应用于信号放大、开关和数字电路等领域。
晶体三极管则因其具有高电流放大倍数、大功率、高可靠性等特点,被广泛应用于功率放大、开关和稳压等领域。
场效应晶体管和晶体三极管都是半导体电子器件,其原理和结构有所不同。
场效应晶体管是一种基于场效应原理的晶体管,它由栅、源、漏三个电极组成,其中栅极用来控制源漏之间的电流,根据栅极电压的不同,可将其分为N型和P型场效应晶体管。
晶体三极管是一种基于PN结原理的晶体管,由发射极、基极、集电极三个电极组成。
其中,发射极和集电极之间的区域构成PN结,基极用来控制PN结区域的电流,根据基极控制PN结电流的方向和大小,可将其分为NPN型和PNP型晶体三极管。
总体来说,场效应晶体管和晶体三极管在电路设计中各有其应用的优势和限制,需要根据具体应用场景进行选择和优化设计。
- 1 -。
晶体三极管一、三极管的电流放大原理晶体三极管(以下简称三极管)按材料分有两种:锗管和硅管。
而每一种又有NPN和PNP两种结构形式,但使用最多的是硅NPN和PNP两种三极管,两者除了电源极性不同外,其工作原理都是相同的,下面仅介绍NPN硅管的电流放大原理。
图1、晶体三极管(NPN)的结构图一是NPN管的结构图,它是由2块N型半导体中间夹着一块P型半导体所组成,从图可见发射区与基区之间形成的PN结称为发射结,而集电区与基区形成的PN结称为集电结,三条引线分别称为发射极e、基极b 和集电极。
当b点电位高于e点电位零点几伏时,发射结处于正偏状态,而C点电位高于b点电位几伏时,集电结处于反偏状态,集电极电源Ec要高于基极电源Ebo。
在制造三极管时,有意识地使发射区的多数载流子浓度大于基区的,同时基区做得很薄,而且,要严格控制杂质含量,这样,一旦接通电源后,由于发射结正确,发射区的多数载流子(电子)极基区的多数载流子(控穴)很容易地截越过发射结构互相向反方各扩散,但因前者的浓度基大于后者,所以通过发射结的电流基本上是电子流,这股电子流称为发射极电流Ie。
由于基区很薄,加上集电结的反偏,注入基区的电子大部分越过集电结进入集电区而形成集电集电流Ic,只剩下很少(1-10%)的电子在基区的空穴进行复合,被复合掉的基区空穴由基极电源Eb重新补纪念给,从而形成了基极电流Ibo根据电流连续性原理得:Ie=Ib+Ic这就是说,在基极补充一个很小的Ib,就可以在集电极上得到一个较大的Ic,这就是所谓电流放大作用,Ic与Ib是维持一定的比例关系,即:β1=Ic/Ib式中:β--称为直流放大倍数,集电极电流的变化量△Ic与基极电流的变化量△Ib之比为:β= △Ic/△Ib式中β--称为交流电流放大倍数,由于低频时β1和β的数值相差不大,所以有时为了方便起见,对两者不作严格区分,β值约为几十至一百多。
三极管是一种电流放大器件,但在实际使用中常常利用三极管的电流放大作用,通过电阻转变为电压放大作用。
晶体三极管和场效应管试题及答案一、单选题1.如图所示各特性曲线中,N沟道增强型MOS管的转移特性曲线是A、B、C、D、【正确答案】:D2.某单管共射放大电路在处于放大状态时,三个电极A、B、C对地的电位分别是,则此三极管一定是A、PNP硅管B、NPN硅管C、PNP锗管D、NPN锗管【正确答案】:A3.用万用表测量某放大电路中三极管各个极的电位如下,处于放大状态的三极管是A、B、C、D、【正确答案】:B4.某场效应管的符号如图所示,可判断该管为A、N沟道结型场效应管B、P沟道结型场效应管C、N沟道耗尽型场效应管D、P沟道耗尽型场效应管【正确答案】:A5.下列说法中正确的是A、体现晶体三极管电流放大特性的公式是B、硅材料晶体三极管的导通电压是0.3VC、锗材料晶体三极管的饱和压降是0.1VD、晶体三极管具有能量放大作用【正确答案】:C6.射极输出器的主要特点是A、电压放大倍数略大于1,输入电阻高,输出电阻低B、电压放大倍数略大于1,输入电阻低,输出电阻高C、电压放大倍数略小于1,输入电阻高,输出电阻低D、电压放大倍数略小于1,输入电阻低,输出电阻高【正确答案】:C7.把射极输出器用作多级放大器的第一级,是利用它的A、电压放大倍数略小于1,电压跟随特性好B、输入电阻高C、输出电阻低D、有一定的电流和功率放大能力【正确答案】:B8.万用表测得三极管时,;时,,则该管的交流电流放大系数为A、100B、80C、75D、60【正确答案】:D9.NPN型三极管处于放大状态时,下列各极电位或电压关系正确的是A、B、C、D、【正确答案】:D10.测得晶体三极管=30μA时,=2.4mA;=40μA时,=3mA;则该管的交流电流放大系数为A、75B、80C、60D、100【正确答案】:C11.硅材料三极管的饱和压降是A、0.1vB、0.3vC、0.5vD、0.7v【正确答案】:B12.场效应管的极限参数的有A、最大漏极电流B、击穿电压C、最大耗散功率D、低频跨导【正确答案】:A13.某放大管的三极电流参考方向都是流入管内,大小分别为:。
场效应管 与 三极管场效应管是在三极管的基础上而开发出来的。
三极管通过电流的大小控制输出,输入要消耗功率。
场效应管是通过输入电压控制输出,不消耗功率。
场效应管和三极管的区别是电压和电流控制,但这都是相对的。
电压控制的也需要电流,电流控制的也需要电压,只是相对要小而已。
就其性能而言,场效应管要明显优于普通三极管,不管是频率还是散热要求,只要电路设计合理,采用场效应管会明显提升整体性能。
1、三极管是双极型管子,即管子工作时内部由空穴和自由电子两种载流子参与。
场效应管是单极型管子,即管子工作时要么只有空穴,要么只有自由电子参与导电,只有一种载流子;2、三极管属于电流控制器件,有输入电流才会有输出电流;场效应管属于电压控制器件,没有输入电流也会有输出电流;3、三极管输入阻抗小,场效应管输入阻抗大;4、有些场效应管源极和漏极可以互换,三极管集电极和发射极不可以互换;5、场效应管的频率特性不如三极管;6、场效应管的噪声系数小,适用于低噪声放大器的前置级;7、如果希望信号源电流小应该选用场效应管,反之则选用三极管更为合适。
场效应管是场效应晶体管(Field Effect Transistor,FET)的简称。
它属于电压控制型半导体器件,具有输入电阻高、噪声小、功耗低、没有二次击穿现象、安全工作区域宽、受温度和辐射影响小等优点,特别适用于高灵敏度和低噪声的电路,现已成为普通晶体管的强大竞争者。
普通晶体管(三极管)是一种电流控制元件,工作时,多数载流子和少数载流子都参与运行,所以被称为双极型晶体管;而场效应管(FET)是一种电压控制器件(改变其栅源电压就可以改变其漏极电流),工作时,只有一种载流子参与导电,因此它是单极型晶体管。
场效应管和三极管一样都能实现信号的控制和放大,但由于他们构造和工作原理截然不同,所以二者的差异很大。
在某些特殊应用方面,场效应管优于三极管,是三极管无法替代的,三极管与场效应管区别见下表。
《电子技术基础》单元练习(二)晶体三极管与场效应管一、填空题1、三极管按导电类型可分为和。
它属于控制器件,即通过来控制。
2、三极管具有作用,应使发射结,集电结。
3、晶体三极管的内部特点是和。
4、晶体三极管各极电流的分配关系是。
5、某晶体三极管的管压降保持不变,基极电流I B=30微安时,I C=1.2毫安,则发射极电流I E=,如果基极电流I B增大到50微安时,I C增加到2毫安,则三极管的电流放大系数β=。
6、工作在放大状态的三极管可作为器件;工作在截止状态和饱和状态的三极管可作为器件。
7、三极管的I CEO与I CBO间的关系式为,它们反映了管子的性能,在选用管子时,希望I CEO尽量。
8、一般情况下,三极管的电流放大系数随温度的增加而。
9、晶体管有、和三种工作状态。
10、晶体管的β大小应适当,β太小则,β太大则。
11、三极管的三个主要极限参数是、、。
12、晶体三极管的反向饱和电流I CBO随温度升高而;穿透电流I CEO随温度升高而;β值随温度升高而。
13、场效应管从结构上可分为和;从导电类型上可分为沟道和沟道。
场效应管属于控制器件,即通过来控制,它的控制能力用参数来表示。
14、场效应管有三个电极,即极,极和极。
用字母表示分别为、和。
15、场效应管相对于晶体三极管而言最大的特点是高。
其中结型场效应管的输入电阻可达,而绝缘栅型场效应管的输入电阻可达。
16、绝缘栅型场效应管简称MOS管,M是指,O是指,S是指。
17、NMOS管是指,PMOS管是指。
18、绝缘栅型场效应管在存放时极不能悬空,一般极和极要短接。
二、是非题1、三极管处在放大状态时,C极电位总是高于B极电位,B极电位总是高于E极电位。
()2、对于NPN型三极管,当V BE>0,V BE>V CE,则该三极管一定工作在饱和状态。
()3、一般来说硅三极管理的穿透电流小于锗三极管的穿透电流,故硅管的热稳性能比锗三极管的热稳性能要好。
()4、晶体三极管有发射结和集电结,它相当于两个二极管反向连接,所以我们可以用两个三极管来代替一个三极管。