混凝土强度回弹检测方案14192
- 格式:doc
- 大小:263.50 KB
- 文档页数:10
混凝土强度回弹实施方案一、背景介绍。
混凝土是建筑工程中常用的一种材料,其强度是评定混凝土质量的重要指标之一。
而混凝土强度的测试方法有多种,其中回弹法是一种简便快捷的测试方法,被广泛应用于工程现场。
本文将针对混凝土强度回弹实施方案进行详细介绍。
二、回弹法原理。
混凝土强度回弹法是利用回弹仪对混凝土表面进行冲击,通过测定回弹仪的弹出值来间接推断混凝土的强度。
其原理是根据弹性冲击波在混凝土中传播的速度与混凝土的强度成正比的关系来进行推断。
三、实施方案。
1. 设备准备。
在进行混凝土强度回弹测试之前,首先需要准备好回弹仪、标尺、砂浆砂轮、橡皮锤等测试设备,并对这些设备进行检查和校准,确保其正常使用。
2. 测试准备。
在进行混凝土强度回弹测试时,需要对待测混凝土表面进行清理,去除松散的颗粒和污物,保持表面干净整洁。
同时,还需要将测试点进行编号,并在测试点周围进行标记,以便后续的测试记录和分析。
3. 测试方法。
在进行混凝土强度回弹测试时,需要按照一定的规范和标准进行操作,保证测试结果的准确性和可比性。
测试人员应按照标准操作程序,采用均匀分布、相互垂直的方法对混凝土表面进行回弹测试,每个测试点至少进行三次测试,取平均值作为最终测试结果。
4. 数据处理。
在完成混凝土强度回弹测试后,需要对测试数据进行处理和分析,计算出混凝土的回弹值,并根据相应的标准曲线或公式,推断出混凝土的强度等级。
四、注意事项。
1. 在进行混凝土强度回弹测试时,需要注意测试仪器的使用和维护,确保测试结果的准确性和可靠性。
2. 测试人员需要具备一定的操作技能和经验,遵守测试操作规程,保证测试过程的规范和标准化。
3. 在进行混凝土强度回弹测试时,需要注意安全问题,避免因测试操作不当而造成人身伤害或设备损坏。
五、总结。
混凝土强度回弹测试是一种简便快捷的测试方法,可以有效地评定混凝土的强度等级。
在实际工程中,正确的实施方案和规范的操作流程对于测试结果的准确性和可靠性至关重要。
混凝土强度回弹检测方案混凝土强度回弹检测是一种非破坏性试验方法,常用于评估混凝土的强度。
这种方法通常通过在混凝土表面施加一定冲击力,然后根据回弹的弹性变形来推断混凝土的强度。
混凝土强度回弹检测广泛应用于工程质量检测、结构评估、施工质量监督和工程资料编制等方面。
一、仪器设备选择1.仪器的精度和准确度:仪器的精确度和准确度是衡量仪器性能的重要指标,选择精度和准确度较高的仪器可提高测试结果的准确性。
2.仪器的稳定性和可靠性:仪器应具有较好的稳定性和可靠性,以保证测试过程的可重复性和数据的准确性。
3.仪器的操作简便性:仪器应具有简单易用的操作界面和明确的操作步骤,以方便测试人员进行操作和维护。
4.仪器的适应性:仪器应能适应不同规格和形态的混凝土,以满足不同测试需求。
二、试验方法1.准备工作:在进行回弹检测前,应首先将混凝土表面清理干净,以确保回弹仪与混凝土表面之间的接触良好。
2.选点测量:根据混凝土的实际情况,在需要测量的位置选取一定数量的测点。
通常,每平方米选取4-6个测点进行测试。
3.测量操作:将回弹仪的测量头紧密贴附于混凝土表面,并施加冲击力使其产生弹性变形。
然后,仪器会通过内部传感器记录回弹过程中的变形并显示测试结果。
4.数据处理:根据回弹的弹性变形,通过回弹指数和经验公式来推断混凝土的强度。
常见的数据处理方法包括根据测点的平均回弹值计算混凝土的强度等级和评估结构的整体强度。
三、数据处理在混凝土强度回弹检测中,数据处理是十分重要的一步。
根据测量结果,可以利用经验曲线、回弹指数表、回弹-强度关系曲线等方法将回弹值转换为混凝土的强度等级。
数据处理的主要步骤如下:1.建立回弹-强度关系曲线:通过收集一定数量的回弹和强度数据,利用回归分析方法建立回弹-强度关系曲线。
该曲线可用于将回弹值转换为混凝土的强度等级。
2.计算回弹指数:回弹指数是回弹值与强度等级的比值,是评估混凝土强度的重要参数。
根据经验公式计算回弹指数,然后根据回弹指数表将回弹指数转换为混凝土的强度等级。
混凝土强度回弹检测方案混凝土强度回弹检测是一种常用的非破坏性测试方法,用于评估混凝土的强度。
该方法使用回弹锤对混凝土表面进行敲击,通过回弹锤弹回的高度与混凝土强度之间的关系来推测混凝土的强度。
以下是一种常用的混凝土强度回弹检测方案。
1.仪器准备回弹锤:选择合适的回弹锤,应注意其质量和相对回弹系数是否符合相关标准要求。
确保回弹锤的各项技术指标满足检测要求。
2.试件准备采样:根据需要进行采样,确保试件像混凝土整体一样代表性。
3.试件表面处理试件表面处理应磨平和清洁,以去除任何可能影响回弹锤敲击效果的因素,如油污、灰尘等。
4.回弹锤校准选择代表性试件,使用万能试验机等标准检测方法测定其真实抗压强度,并记录。
然后使用回弹锤进行敲击测试,并记录相应的回弹指数。
5.回弹测定对试件进行回弹测定时,应遵循以下步骤:-将回弹锤置于垂直于试件表面的位置上,确保回弹锤与试件表面垂直接触。
- 用手 firmly握住回弹锤的手柄,确保回弹锤在敲击时垂直移动。
-用适当的力道快速敲击试件表面,以获得准确的回弹高度。
-进行多次测试,至少在同一位置进行三次测量,并记录每次敲击的回弹高度。
-每次敲击后应随时通过观察试件处理后的伤痕状况来判断表面是否有明显的剥落和损伤。
6.数据处理和分析将回弹高度的平均值与回弹锤经校准后的回弹指数相对应,根据相关经验公式或标准表格进行混凝土抗压强度的估算。
需要注意的是,混凝土强度回弹检测方法是一种经验式方法,对于不同的混凝土配比和材料性质有一定的限制。
因此,在进行混凝土强度回弹检测时,应注意以下几点:-仪器准确可靠,符合相关标准要求。
-试件制备要规范,尽量保证试件的均匀性和代表性。
-测量时应注意回弹锤的垂直敲击和均匀力道,以减小测量误差。
-数据处理时参考相关标准和经验公式,并结合实际情况进行合理判定。
总之,混凝土强度回弹检测是一种常用的非破坏性测试方法,通过回弹锤敲击试件表面来推测混凝土的强度。
在进行混凝土强度回弹检测时,应注意仪器准备、试件准备、回弹锤校准、回弹测定、数据处理和分析等步骤,并结合相关标准和经验公式进行合理判定。
混凝土强度回弹检测方案设计一、仪器选择混凝土强度回弹检测需要使用回弹锤和回弹计进行测试。
回弹锤通常有两种类型:模拟回弹锤和数字回弹锤。
模拟回弹锤是传统的机械式锤头,通过量感器测量回弹锤头的回弹距离,并通过刻度表提供回弹指数。
数字回弹锤采用电子技术,能够直接显示回弹指数。
在仪器选择时,需要考虑以下几个因素:测试范围、准确性和可靠性。
测试范围是指仪器能够覆盖的混凝土强度范围,通常可选择50-100Mpa的范围。
准确性和可靠性是指仪器测试结果与强度试验结果的一致性和稳定性。
因此,应选择精度高、重复性好的仪器。
二、试件制备混凝土强度回弹检测需要使用具有代表性的试件进行测试。
试件制备时应遵循相关标准和规范。
通常采用标准圆柱试件,直径100mm,高度200mm。
在试件制备过程中,需要注意以下几点:材料选取、拌和工艺、养护和试件表面处理。
试件的材料应与实际施工相符,拌和比例和工艺应符合现场施工要求,养护条件应符合标准要求。
试件表面应平整、光滑,以确保回弹锤在试件表面的回弹能量传递均匀。
三、测试方法混凝土强度回弹检测方法通常有两种:定向法和随机法。
定向法是指回弹锤应按特定的方向进行敲击,如平行于试件轴向或垂直于试件轴向。
定向法适用于特定区域进行强度评估。
随机法是指回弹锤可以在试件表面的任意位置进行敲击,通过大量的测试数据进行统计得出强度评估。
随机法通常适用于对整个结构的强度进行评估。
测试过程中需要注意以下几点:试件几何形状和位置、测试次数、回弹力度和回弹位置。
试件几何形状和位置应符合标准要求,以确保测试结果的可比性和代表性。
测试次数应根据试件数量和结构特点确定,一般要求每个试件进行3-5次测试并取平均值。
回弹力度和回弹位置应注意选择合适的力度和位置,以减小测试误差。
四、数据分析混凝土强度回弹测试得到的数据包括回弹指数和回弹能量。
回弹指数是指回弹锤的回弹距离与锤头初始高度之比,反映了混凝土的强度。
回弹能量是指回弹锤在试件表面的回弹能量大小,也可以作为评估混凝土强度的依据之一、通过统计和分析这些数据,可以得到混凝土强度的评估结果。
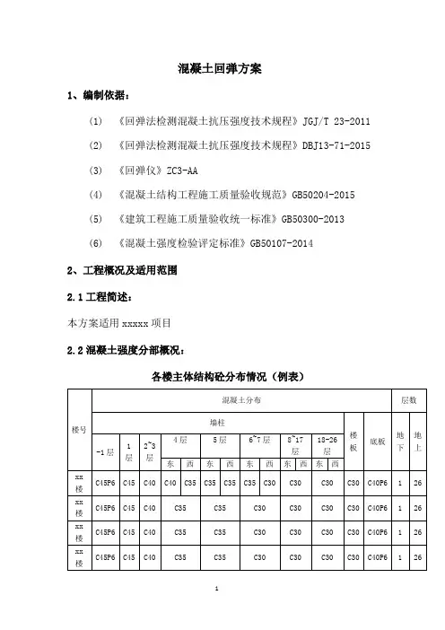
混凝土回弹方案1、编制依据:(1)"回弹法检测混凝土抗压强度技术规程"JGJ/T 23-2011(2)"回弹法检测混凝土抗压强度技术规程"DBJ13-71-2015(3)"回弹仪"ZC3-AA(4)"混凝土构造工程施工质量验收规"GB50204-2015(5)"建筑工程施工质量验收统一标准"GB50300-2013(6)"混凝土强度检验评定标准"GB50107-20142、工程概况及适用围2.1工程简述:本方案适用****x工程2.2混凝土强度分部概况:各楼主体构造砼分布情况〔例表〕3、混凝土回弹检测部署3.1混凝土回弹检测总目标及进度方案:(1)混凝土回弹检测的总目标:通过混凝土构造实体回弹检测,为处理混凝土质量问题提供依据。
进一步加强混凝土质量控制,确保工程根底、主体构造平安,防止出现重大质量隐患,使得现场混凝土质量到达"混凝土构造工程施工质量验收规"〔GB50204-2002〕的要求。
现场如有混凝土回弹检测抗压强度不能满足设计有要求的,应请有资质的检测单位进展扩大检查,并及时报告监视机构。
①根据现场根底及各主体构造实际施工进度,对到达28d龄期的构造实体构件进展混凝土抗压强度回弹检测。
②对现场混凝土浇筑质量存在疑议的构造构件进展回弹检测。
3.2 回弹人员组成;回弹人员由总监任组长,各土建专业监理工程师任各小组队长,组员由总包质检员,分包质检员及技术人员组成。
3.3混凝土回弹检测的构件取样数量和具体部位确定:现场构件按混凝土生产工艺、强度等级一样,原材料、配合比、养护条件根本一致且龄期相近的一批同类构件作为一检验批。
取样时,应随机抽取构件,。
剪力墙每层不少于构件总数20%或不少于10件, 框架梁、柱每层所有构件的30%〔裙房每层为10%〕.每一个剪力墙上选取的测区数不宜少于3个〔上中下分布〕,在构件上部1/3,中部,下部1/3各设一个测区。
湖里区第二实验幼儿园混凝土回弹检测方案福建广安达建设工程有限公司二0—六年四月十日混凝土回弹检测方案目录1、编制说明 (1)1.1编制依据: (1)1.2主要现行施工规范、规程与标准: (1)2、工程概况 (1)2.1工程简述: (1)2.2参建单位概况: (1)2.3混凝土强度分部概况: (1)3、混凝土回弹检测部署 (2)S.1混凝土回弹检测总目标及进度计划: (2)S.2混凝土回弹检测的构件取样数量和具体部位确定: (2)斗、混凝土回弹检测施工准备 (2)±1技术准备: (2)±2现场准备: .................................................................................................................. S 5、混凝土回弹检测技术....................................................................................................... 勺5.1回弹值测量: (5)5.2混凝土回弹值的计算: (5)5.3混凝土抗压强度推定值的计算: (6)6、质量、环境和安全文明施工保证措施 (6)6.1质量保证措施: (6)6.2甘;境保证措•施: (7)6$安全文明施工保证措施: (7)1、编制说明1.1编制依据:(1)湖里区第二实验幼儿园招标文件及施工合同:(2)湖里区第二实验幼儿园工程施工图纸;(5)施工范用内的现场条件及周国环境的实际情况;(士)现行国家有关施工规范、规程及技术标准:(5)我司相关类似工程施工经验。
1.2主要现行施工规范、规程与标准:(1)《回弹法检测混凝土抗压强度技术规程》JGJ/T2S-2011(2)《混凝上结构工程施工质虽:验收规范》GB502042015(S)《建筑工程施工质量验收统一标准》GB50300-2001(士)《混凝上强度检验评泄标准》GB5O1O7-2O1O2、工程概况2.1工程简述:本工程包括教学楼、体育馆及食堂、门卫三个单位工程,英中教学楼为地上45层,建筑而积为7SOO.6O2m2:体冇馆及食堂为地下1层地上2层,建筑而积为1959•廿6m2:门卫为地上1层,建筑而积为2S.152m20教学楼为教学及教学辅助用房,体育馆及食堂地下一层为水泵房,地上一层为食堂地上二层为体育馆•2.2参建单位概况:建设单位:厦门市翔安区马巷中心小学:代建单位:厦门翔发地产有限公司设计单位:万地联合(厦门)工程设计有限公司:勘察单位:福建省水文地质工程地质勘察研究院:监理单位:厦门协建工程咨询监理有限公司:施工单位:厦门市银城建筑工程有限公司2.8混凝土强度分部概况:教学楼混凝上强度分部概况教学楼基础垫层C15,基础承台C25,地梁短柱CS5 3、混凝土回弹检测部署3.1混凝土回弹检测总目标及进度计划:⑴混凝上回弹检测的总目标:通过混凝上结构实体回弹检测,为处理混凝上质量问题提供依据。
混凝土回弹检测方案混凝土是一种广泛应用于建筑行业的重要材料,其质量和性能对工程的安全和耐久性至关重要。
在混凝土施工过程中,回弹检测是一种常用的质量控制方法,能够评估混凝土的强度和密实性。
本文将介绍混凝土回弹检测的原理、方法及其在工程实践中的应用。
一、混凝土回弹检测原理混凝土回弹指的是使用回弹锤对混凝土表面进行敲击后,锤头弹回的程度。
回弹的幅度可以反映混凝土的强度,即回弹越小,混凝土强度越高。
混凝土回弹检测的原理基于弹性力学的基本原理,即回弹锤在敲击混凝土表面后会受到混凝土的阻力,阻力大小与混凝土的强度相关。
通过测量回弹锤的回弹幅度,可以间接评估混凝土的强度。
二、混凝土回弹检测方法1. 仪器选择混凝土回弹检测通常使用的仪器是回弹锤(也称为Schmidt锤)。
回弹锤由一个锤头和一个测量指针组成,锤头在敲击混凝土表面后会回弹,测量指针会相应指示出回弹幅度。
2. 检测位置选择在进行混凝土回弹检测前,首先需要确定检测位置。
通常选择混凝土构件表面的平坦部位进行检测,避免选择有裂缝、空鼓或其他表面缺陷的位置。
3. 检测操作步骤具体的混凝土回弹检测操作步骤如下:(1)将回弹锤贴近要检测的混凝土表面,保持锤头与表面垂直,并用手指轻轻按住测量指针,以避免在敲击时发生错误的位移。
(2)用适当的力量垂直快速敲击混凝土表面,一般每个位置敲击3-5次,并记录回弹幅度。
(3)在同一位置进行多次敲击时,应将敲击点错开一些,避免相互干扰,同时要记录每次回弹幅度的差异。
(4)进行足够数量的回弹测量以获取准确的数据,并对结果进行平均。
三、混凝土回弹检测实践应用混凝土回弹检测广泛应用于建筑工程、道路工程、桥梁工程等领域。
主要应用于以下方面:1. 混凝土强度评估通过混凝土回弹检测,可以快速评估混凝土的强度。
在施工过程中,工程师可以根据回弹测量值调整施工参数,以保证混凝土的强度达到设计要求。
2. 混凝土质量控制混凝土回弹检测可以用于混凝土质量控制,及时发现混凝土施工过程中的问题。
混凝土回弹方案1 、编制依据:(1) 《回弹法检测混凝土抗压强度技术规程》 JGJ/T23-2022(2) 《回弹法检测混凝土抗压强度技术规程》 DBJ13-71-2022(3) 《回弹仪》 ZC3-AA(4) 《混凝土结构工程施工质量验收规范》 GB50204-2022(5) 《建造工程施工质量验收统一标准》 GB50300-2022(6) 《混凝土强度检验评定标准》 GB50107-20221.2 程概况及合用范围2.1 工程简述:本方案合用 xxxxx 项目2.2 混凝土强度分部概况:各楼主体结构硅分布情况(例表)混凝土分布墙柱楼号6~7 层2~318-26 层层东 西 C4C35 C30楼xxC40P6 楼xxC40P6 楼xxC40P6楼 8~17 层 东西1层C4 东西C30 西C35 东 西C35 C35 东C4 地 下地 上C40P6 -1 层楼板 底板层数4 层5 层 C45P C45P C45P C45P C30 C30 C30C30 C30 C30 C30 C30 C30 C35C30C35C30C30 C35 C35 C35 C30 C30 C35 xxC4 C4 C4 C4C4 C4 26 26 2626 00 0 0 0 66 6 6 5 5 5 5 1 1 1 13、混凝土回弹检测部署3.1 混凝土回弹检测总目标及进度计划:(1)混凝土回弹检测的总目标:通过混凝土结构实体回弹检测,为处理混凝土质量问题提供依据。
进一步加强混凝土质量控制, 确保工程基础、 主体结构安全, 避免浮现重大质量隐患, 使得现场混凝土质量达到《混凝土结构工程施工质量验收规范》 (GB502042002 的要求。
现场如有混凝土回弹检测抗压强度不能满足设计有要求的,应请有资质的检测单位进行扩大检查,并及时报告监督机构。
①根据现场基础及各主体结构实际施工进度,对达到 28d 龄期的结构实体构件进行 混凝土抗压强度回弹检测。
混凝土回弹方案1、编制依据:(1)《回弹法检测混凝土抗压强度技术规程》JGJ/T 23-2011(2)《回弹法检测混凝土抗压强度技术规程》DBJ13-71-2015(3)《回弹仪》ZC3-AA(4)《混凝土结构工程施工质量验收规范》GB50204-2015(5)《建筑工程施工质量验收统一标准》GB50300-2013(6)《混凝土强度检验评定标准》GB50107-20142、工程概况及适用范围2.1工程简述:本方案适用xxxxx项目2.2混凝土强度分部概况:各楼主体结构砼分布情况(例表)楼号混凝土分布层数墙柱楼板底板地下地上-1层1层2~3层4层5层6~7层8~17层18-26层东西东西东西东西东西xx楼C45P6 C45 C40 C40 C35 C35 C35 C35 C30 C30 C30 C30 C40P6 1 26 xx楼C45P6 C45 C40 C35 C35 C30 C30 C30 C30 C40P6 1 26 xx楼C45P6 C45 C40 C35 C35 C30 C30 C30 C30 C40P6 1 26 xx楼C45P6 C45 C40 C35 C35 C30 C30 C30 C30 C40P6 1 26xxC35P6 C35 C30 C30 C30 C30 C30 C30 C35P6 1 17 楼xxC35P6 C35 C30 C30 C30 C30 C30 C30 C35P6 1 17 楼地下C30P6 C30 C30P6 1 0 车库3、混凝土回弹检测部署3.1混凝土回弹检测总目标及进度计划:(1)混凝土回弹检测的总目标:通过混凝土结构实体回弹检测,为处理混凝土质量问题提供依据。
进一步加强混凝土质量控制,确保工程基础、主体结构安全,避免出现重大质量隐患,使得现场混凝土质量达到《混凝土结构工程施工质量验收规范》(GB50204-2002)的要求。
现场如有混凝土回弹检测抗压强度不能满足设计有要求的,应请有资质的检测单位进行扩大检查,并及时报告监督机构。
晋江市XX安置房公租房工程混凝土强度回弹检测方案XX建筑集团总公司二〇一二年三月目录1、编制说明 .............................................................................................1.1总说明:...........................................................................................................1.2编制依据:.......................................................................................................1.3主要现行施工规范、规程与标准:...............................................................2、工程概况 .............................................................................................2.1工程简述: (2)2.2参建单位概况:...............................................................................................2.3混凝土强度分部概况:...................................................................................3、混凝土回弹检测部署..........................................................................3.1混凝土回弹检测总目标及进度计划:...........................................................3.2混凝土回弹检测组织机构及岗位职责:.......................................................3.3混凝土回弹检测的构件取样数量和具体部位确定:...................................4、混凝土回弹检测施工准备..................................................................4.1技术准备:.......................................................................................................4.2现场准备:.......................................................................................................4.3劳动力配置计划: (11)4.4主要器具和材料配置计划:...........................................................................4.5主要安全防护用品配置计划:.......................................................................5、混凝土回弹检测技术..........................................................................5.1回弹值测量:...................................................................................................5.2碳化深度值测量:...........................................................................................5.3混凝土回弹值的计算:...................................................................................5.4混凝土抗压强度推定值的计算:...................................................................6、质量、环境和安全文明施工保证措施 ..............................................6.1质量保证措施:...............................................................................................6.2环境保证措施:...............................................................................................6.3安全文明施工保证措施:...............................................................................7、附件.....................................................................................................7.1回弹仪检定证书复印件:...............................................................................7.2混凝土抗压强度检测原始记录表:...............................................................7.3回弹法检测混凝土抗压强度报告表:...........................................................1、编制说明1.1总说明:为进一步加强现场管理,保证混凝土的质量稳定,确保工程基础、主体结构安全,避免出现重大质量隐患,确实落实泉质安监【2011】18号“泉州市建设工程质量监督站关于实施房屋建筑工程基础、主体结构和市政工程主体结构混凝土强度采用回弹法检测的通知”和晋建综【2012】27号“晋江市住房和城乡规划建设局关于进一步加强现浇混凝土及钢筋直螺纹连接质量管理的通知”两份文件要求。
晋江市XX安置房公租房工程混凝土强度回弹检测方案XX建筑集团总公司二〇一二年三月目录1、编制说明 .............................................................................................1.1总说明:...........................................................................................................1.2编制依据:.......................................................................................................1.3主要现行施工规范、规程与标准:...............................................................2、工程概况 .............................................................................................22.1工程简述:.....................................................................................................2.2参建单位概况:...............................................................................................2.3混凝土强度分部概况:...................................................................................3、混凝土回弹检测部署..........................................................................3.1混凝土回弹检测总目标及进度计划:...........................................................3.2混凝土回弹检测组织机构及岗位职责:.......................................................3.3混凝土回弹检测的构件取样数量和具体部位确定:...................................4、混凝土回弹检测施工准备..................................................................4.1技术准备:.......................................................................................................4.2现场准备:.......................................................................................................4.3劳动力配置计划:.......................................................................................114.4主要器具和材料配置计划:...........................................................................4.5主要安全防护用品配置计划:.......................................................................5、混凝土回弹检测技术..........................................................................5.1回弹值测量:...................................................................................................5.2碳化深度值测量:...........................................................................................5.3混凝土回弹值的计算:...................................................................................5.4混凝土抗压强度推定值的计算:...................................................................6、质量、环境和安全文明施工保证措施 ..............................................6.1质量保证措施:...............................................................................................6.2环境保证措施:...............................................................................................6.3安全文明施工保证措施:...............................................................................7、附件.....................................................................................................7.1回弹仪检定证书复印件:...............................................................................7.2混凝土抗压强度检测原始记录表:...............................................................7.3回弹法检测混凝土抗压强度报告表:...........................................................1、编制说明1.1总说明:为进一步加强现场管理,保证混凝土的质量稳定,确保工程基础、主体结构安全,避免出现重大质量隐患,确实落实泉质安监【2011】18号“泉州市建设工程质量监督站关于实施房屋建筑工程基础、主体结构和市政工程主体结构混凝土强度采用回弹法检测的通知”和晋建综【2012】27号“晋江市住房和城乡规划建设局关于进一步加强现浇混凝土及钢筋直螺纹连接质量管理的通知”两份文件要求。
混凝土强度回弹检测方案设计混凝土强度是指混凝土中各组成部分的粘结强度,也是混凝土在外力作用下抵抗变形和破坏的能力。
混凝土强度回弹检测是一种常用的非破坏性检测方法,通过测量混凝土表面回弹的程度来评估混凝土的强度。
本文将详细介绍混凝土强度回弹检测方案设计。
一、仪器选择:混凝土强度回弹检测主要使用回弹锤,回弹锤是一种手持式的仪器,通过锤击混凝土表面,然后测量回弹锤弹回的程度来判断混凝土的强度。
市场上有多种型号的回弹锤可供选择,如LC型回弹锤、HT型回弹锤等。
在选择回弹锤时,应考虑其精度、可靠性以及操作的方便程度等因素。
二、样品制备:1.样品的选择:应根据需要测定的具体区域和结构,选择典型代表性的样品进行回弹测试。
样品应尽量避免混凝土表面有明显的不平整、裂缝或损坏。
2.样品的制备:将样品修整为平整、光滑的表面,确保样品的几何尺寸符合测试要求。
对于不规则形状的样品,可以选取代表性的部位进行测试。
三、测试方法:1.回弹点的选择:-测试网格法:将待测试的混凝土表面网格化划分,并选择网格交叉点作为回弹点,确保回弹点均匀分布在整个测试区域内。
-随机法:根据混凝土表面的实际情况,随机选择回弹点进行测试。
2.测试操作:-清理表面:用刷子或风扇等工具将待测试表面的杂物清除,确保回弹测试时的准确性。
-固定仪器:将回弹仪器垂直置于回弹点上,用手指保持仪器的稳定。
-进行回弹测试:用适当的力量、高度和角度敲击回弹锤,使其与混凝土表面发生弹性碰撞。
记录回弹锤弹回的距离,并重复测试3-5次,取平均值作为回弹指数。
-记录数据:将回弹指数和相应回弹点的位置标注在测试区域的图纸上,以便后续分析。
四、数据处理:1.校准回弹仪器:在开始测试前,应对回弹锤进行校准,以保证测试结果的准确性。
校准方法一般由仪器厂商提供。
2.计算强度:通过回弹指数与混凝土强度之间的经验关系,可以计算出混凝土的强度。
不同地区和不同类型的混凝土其回弹指数与强度的关系不尽相同,需要根据当地的经验数据进行相应的换算。
编号:HF140001 回弹法检测混凝土抗压强度检测方案具体工程名称单位名称一、工程概况二、检测依据《回弹法检测混凝土抗压强度技术规程》(JGJ/T 23-2011)。
三、适用范围适用于普通混凝土抗压强度的检测,不适用于表层与内部质量有明显差异或内部存在缺陷的混凝土强度检测。
四、检测数量4.1 单构件检测构件数量:委托方要求检测的数量;4.2批量检测构件数量:应随机抽取构件,抽检数量不宜少于同批构件的30%且不宜少于10件,当检验批构件数量大于30个时,抽样构件数量可适当调整,并不得少于国家现行有关标准规定的最少抽样数量;4.3 测区数量:对于一般构件,测区数不宜少于10个;当受检构件某一方向尺寸不大于4.5m且另一方向尺寸不大于0.3m时,每个构件的测区数量可适当减少,但不能少于5个,另外当受检构件数量较多且混凝土质量较均匀时,可以适当减少测区数量,但不得少于5个测区。
五、检测前准备工作5.1 使用仪器:编号为12051909的ZC3-D型数字式回弹仪,校准证号:813007972;编号为12051834的ZC3-D型数字式回弹仪,校准证号为:813007971;5.2 仪器状态要正常:在检定有效期内使用,且在构件测试前后的率定值为80±2;5.3 收集委托检测工程的相关信息:工程名称、施工单位、设计单位、构件名称、混凝土类型和强度等级、混凝土配合比、混凝土浇筑、养护情况及浇筑日期等;5.4 了解委托检测原因;5.5 确定受检构件数量及具体构件同时确定构件表面是否满足检测要求。
六、检测过程6.1 混凝土回弹检测的测区,应由检测人员依据检测规程确定;6.2 测区的位置6.2.1相邻两测区的间距不应大于2m,测区离构件端部或施工缝边缘的距离不宜大于0.5m,且不宜小于0.2m;6.2.2测区宜选在能使用回弹仪处于水平方向的混凝土浇筑侧面,当不能满足这一要求时,也可选在使用回弹仪处于非水平方向的混凝土浇筑表面或底面,检测泵送混凝土强度时,测区应选在混凝土浇筑侧面;6.2.3测区宜布置在构件的两个对称的可测面上,当不能布置在对称的可测面上时,也可布置在同一可测面上,且应均匀分布,在构件的重要部位及薄弱部位应布置测区,并应避开预埋件;6.2.4测区的面积不宜大于0.04㎡;6.3回弹值测量应准确使用回弹仪并合理布置测区6.4 碳化深度值测量6.4.1回弹值测量完毕后,应在有代表性的测区上测量碳化深度值,测点数不应少于构件测区数的30%,应取其平均值作为该构件每个测区的碳化深度值,当碳化深度值极差大于2.0mm时,应在每一测区分别测量碳化深度值;6.4.2碳化深度值的测量应符合下列规定:1 可采用工具在测区表面形成直径约15mm的空洞,其深度应大于混凝土的碳化深度;2应清除孔洞中的粉末和碎屑,且不得用水擦洗;3应采用浓度为1%~2%的酚酞酒精溶液滴在孔洞内壁的边缘处,当已碳化与未碳化界线清晰时,应采用碳化深度测量仪测量已碳化与未碳化混凝土交界面到混凝土表面的垂直距离,并应测量3次,每次读数应精确至0.25mm;4 应取三次测量的平均值作为检测结果,并应精确至0.5mm。
混凝土回弹方案1、编制依据:(1)《回弹法检测混凝土抗压强度技术规程》JGJ/T 23-2011(2)《回弹法检测混凝土抗压强度技术规程》DBJ13-71-2015(3)《回弹仪》ZC3-AA(4)《混凝土结构工程施工质量验收规范》GB50204-2015(5)《建筑工程施工质量验收统一标准》GB50300-2013(6)《混凝土强度检验评定标准》GB50107-20142、工程概况及适用范围2.1工程简述:本方案适用xxxxx项目2.2混凝土强度分部概况:各楼主体结构砼分布情况(例表)3、混凝土回弹检测部署3.1混凝土回弹检测总目标及进度计划:(1)混凝土回弹检测的总目标:通过混凝土结构实体回弹检测,为处理混凝土质量问题提供依据。
进一步加强混凝土质量控制,确保工程基础、主体结构安全,避免出现重大质量隐患,使得现场混凝土质量达到《混凝土结构工程施工质量验收规范》(GB50204-2002)的要求。
现场如有混凝土回弹检测抗压强度不能满足设计有要求的,应请有资质的检测单位进行扩大检查,并及时报告监督机构。
①根据现场基础及各主体结构实际施工进度,对达到28d龄期的结构实体构件进行混凝土抗压强度回弹检测。
②对现场混凝土浇筑质量存在疑议的结构构件进行回弹检测。
3.2 回弹人员组成;回弹人员由总监任组长,各土建专业监理工程师任各小组队长,组员由总包质检员,分包质检员及技术人员组成。
3.3混凝土回弹检测的构件取样数量和具体部位确定:现场构件按混凝土生产工艺、强度等级相同,原材料、配合比、养护条件基本一致且龄期相近的一批同类构件作为一检验批。
取样时,应随机抽取构件,。
剪力墙每层不少于构件总数20%或不少于10件, 框架梁、柱每层所有构件的30%(裙房每层为10%).每一个剪力墙上选取的测区数不宜少于3个(上中下分布),在构件上部1/3,中部,下部1/3各设一个测区。
每一个剪力墙上选取的测区数不宜少于3个(左中右分布),在构件左部1/3,中部,右部1/3各设一个测区。
湖里区第二实验幼儿园混凝土回弹检测方案福建广安达建设工程有限公司二O一六年四月十日混凝土回弹检测方案目录1、编制说明 (1)1.1编制依据: (1)1.2主要现行施工规范、规程与标准: (1)2、工程概况 (1)2.1工程简述: (1)2.2参建单位概况: (1)2.3混凝土强度分部概况: (1)3、混凝土回弹检测部署 (2)3.1混凝土回弹检测总目标及进度计划: (2)3.2混凝土回弹检测的构件取样数量和具体部位确定: (2)4、混凝土回弹检测施工准备 (2)4.1技术准备: (2)4.2现场准备: (3)5、混凝土回弹检测技术 (4)5.1回弹值测量: (5)5.2混凝土回弹值的计算: (5)5.3混凝土抗压强度推定值的计算: (6)6、质量、环境和安全文明施工保证措施 (6)6.1质量保证措施: (6)6.2环境保证措施: (7)6.3安全文明施工保证措施: (7)1、编制说明1.1编制依据:(1)湖里区第二实验幼儿园招标文件及施工合同;(2)湖里区第二实验幼儿园工程施工图纸;(3)施工范围内的现场条件及周围环境的实际情况;(4)现行国家有关施工规范、规程及技术标准;(5)我司相关类似工程施工经验。
1.2主要现行施工规范、规程与标准:(1)《回弹法检测混凝土抗压强度技术规程》JGJ/T 23-2011(2)《混凝土结构工程施工质量验收规范》GB50204-2013(3)《建筑工程施工质量验收统一标准》GB50300-2001(4)《混凝土强度检验评定标准》GB50107-20102、工程概况2.1工程简述:本工程包括教学楼、体育馆及食堂、门卫三个单位工程,其中教学楼为地上4-5层,建筑面积为7300.602m2;体育馆及食堂为地下1层地上2层,建筑面积为1959.476m2;门卫为地上1层,建筑面积为23.152m2。
教学楼为教学及教学辅助用房,体育馆及食堂地下一层为水泵房,地上一层为食堂地上二层为体育馆.2.2参建单位概况:建设单位:厦门市翔安区马巷中心小学;代建单位:厦门翔发地产有限公司设计单位:万地联合(厦门)工程设计有限公司;勘察单位:福建省水文地质工程地质勘察研究院;监理单位:厦门协建工程咨询监理有限公司;施工单位:厦门市银城建筑工程有限公司2.3混凝土强度分部概况:教学楼混凝土强度分部概况教学楼基础垫层C15,基础承台C25,地梁短柱C353、混凝土回弹检测部署3.1混凝土回弹检测总目标及进度计划:(1)混凝土回弹检测的总目标:通过混凝土结构实体回弹检测,为处理混凝土质量问题提供依据。
进一步加强混凝土质量控制,确保工程基础、主体结构安全,避免出现重大质量隐患,使得现场混凝土质量达到《混凝土结构工程施工质量验收规范》(GB50204-2002)的要求。
(2)混凝土回弹检测的进度计划:根据现场基础及各主体结构实际施工进度,对达到28d 龄期的结构实体构件进行混凝土抗压强度回弹检测。
3.2混凝土回弹检测的构件取样数量和具体部位确定:现场构件按混凝土生产工艺、强度等级相同,原材料、配合比、养护条件基本一致且龄期相近的一批同类构件作为一检验批。
取样时,应随机抽取构件,抽检数量不少于同批构件总数的30%且不少于10个。
若检验批构件数量大于30个时,抽样构件数量可适当调整,并不得少于国家现行有关标准规定的最少抽样数量。
4、混凝土回弹检测施工准备4.1技术准备:(1)资料准备:1)工程名称、设计单位、施工单位;2)构件名称、数量及混凝土类型、强度等级;3)水泥安定性,外加剂、掺合料品种,混凝土配合比等;4)施工模板,混凝土浇筑、养护情况及浇筑日期等;5)必要的设计图纸和施工记录;6)检测原因。
(2)回弹仪在检测前后,均应在钢砧上做率定试验,并应符合《回弹法检测混凝土抗压强度技术规程》(JGJ/T 23-2011)第3.1.3条的规定。
(3)检测方法:现场混凝土抗压强度回弹检测按批量进行检测,对于存在质量疑议的构件进行单个构件检测。
1)批量检测:对于混凝土生产工艺、强度等级相同,原材料、配合比、养护条件基本一致且龄期相近的一批同类构件的检测应采用批量检测。
按批量进行检测时,应随即抽取构件,抽检数量不宜少于同批构件总数的30%且不宜少于10件。
当检验批构件数量大于30个时,抽样构件数量可适当调整,并不得少于国家现行有关标准规定的最少抽样数量。
现场混凝土构件按批量进行检测的抽样数量及部位具体详本方案第3.3节2)对质量存在疑议的混凝土构件应进行单个构件检测,具体要求如下:①对于一般构件,测区数不宜少于10个。
当受检构件数量大于30个且不需提供单个构件推定强度或受检构件某一方向尺寸不大于4.5m且另一方向尺寸不大于0.3m时,每个构件的测区数量可适当减少,但不应少于5个。
②相邻两测区的间距不应大于2m,测区离构件端部或施工缝边缘的距离不宜大于0.5m,且不宜小于0.2m。
③测区宜选在能使回弹仪处于水平方向的混凝土浇筑侧面。
当不能满足这一有要求是,也可以选在使回弹仪处于非水平方向的混凝土浇筑表面或地面。
④测区宜布置在构件的两个对称的可侧面上,当不能布置在对称的可侧面上时,也可布置在同一可侧面上,且应均匀分布。
在构件的重要部位及薄弱部位应布置测区,并应避开预埋件。
⑤测区的面积不宜大于0.04m2。
⑥测区表面应为混凝土原浆面,并应清洁、平整,不应有疏松层、浮浆、油垢、图层以及蜂窝、麻面。
⑦对于弹击时产生颠动的薄壁、小型构件,应进行固定。
(4)测区应标有清晰的编号,并宜在记录纸上绘制测区布置示意图和描述外观质量情况。
4.2现场准备:为了保证回弹检测的数值准确、稳定、可靠,应确保受检构件处于一个良好且稳定的环境中,有便捷的安全通道,构件周围无障碍物,温度应为(-4~40)℃范围内,避开潮湿天气进行检测。
为了保证回弹检测的真是性,现场回弹检测应在监理人员见证下进行。
5、混凝土回弹检测技术5.1回弹值测量:(1)每次进行回弹检测前和检测结束时,回弹仪均应在钢砧上进行率定,确保回弹检测数值的准确性及可靠性。
(2)测量回弹值前,应用砂石将构件待测面表面的浮浆抹掉,并用毛刷清扫干净。
(3)测量回弹值时,回弹仪的轴线应始终垂直于混凝土检测面,并应缓慢施压、准确读书、快速复位。
(4)每一测区应读取16个回弹值,每一测点的回弹值读书应精确至1。
测点宜在测区范围内均匀分布,相邻两测点的净距离不宜小于20mm;测点距外露钢筋、预埋件的距离不宜小于30mm;测点不应在气孔或外露石子上,同一测点应只弹击一次。
(5)检测泵送混凝土强度时,测区应选在混凝土浇筑侧面。
5.2混凝土回弹值的计算:(1)计算测区平均回弹值时,应从该测区的16个回弹值中剔除3个最大值和3个最小值,其余的10个回弹值按下式计算:式中:—测区平均回弹值,精确至0.1;第i个测点的回弹值。
(2)非水平方向检测混凝土浇筑侧面时,测区的平均回弹值应按下式修正:=+式中:—非水平方向检测时测区的平均回弹值,精确至0.1;—非水平方向检测时回弹值修正值,应按《回弹法检测混凝土抗压强度技术规程》(JGJ/T 23-2011)附录C取值。
(3)水平方向检测混凝土浇筑表面或浇筑底面时,测区的平均回弹值应按下列公式修正:式中:—水平方向检测混凝土浇筑表面、底面时,测区的平均回弹值,精确至0.1;—混凝土浇筑表面、底面回弹值的修正值,应按《回弹法检测混凝土抗压强度技术规程》(JGJ/T 23-2011)附录D取值。
(4)当回弹仪为非水平方向且测试面为混凝土的非浇筑侧面时,应先对回弹值进行角度修正,并应对修正后的回弹值进行浇筑面修正。
5.3混凝土抗压强度推定值的计算:(1)构件第i个测区混凝土强度换算值(),可按本章第5.3节所求得的平均回弹值()及本章第5.2节所求得的平均碳化深度值()由《回弹法检测混凝土抗压强度技术规程》(JGJ/T 23-2011)附录A、附录B查表或计算得出。
(2)构件的测区混凝土强度平均值应根据各测区的混凝土强度换算值计算。
当测区数为10个及以上时,还应计算强度标准差。
平均值及标准差应按下列公式计算:式中:—构件测区混凝土强度换算值的平均值(MPa),精确至0.1 MPa。
n—对于单个检测的构件,取该构件的测区数;对批量检测的构件,取所有被抽检构件测区数之和;—结构或构件测区混凝土强度换算值的标准差(MPa),精确至0.01MPa。
(3)构件的现龄期混凝土强度推定值()应符合下列规定:1)当构件测区数少于10个时,应按下式计算:式中:—构件中最小的测区混凝土强度换算值。
2)当构件的测区强度值中出现小于10.0MPa时,应按下式确定:3)当构件测区数不少于10个时,应按下式计算:4)当批量检测时,应按下式计算:式中:k—推定系数,宜取1.645。
当需要进行推定强度区间时,可按国家现行有关标准的规定取值。
(4)对按批量检测的构件,当该批构件混凝土强度标准差出现下列情况之一时,该批构件应全部按单个构件检测:1)当该批构件混凝土强度平均值小于25MPa、大于4.5MPa时;2)当该批构件混凝土强度平均值不小于25MPa且不大于60MPa、大于5.5MPa时。
(5)回弹法检测混凝土抗压强度报告按《回弹法检测混凝土抗压强度技术规程》(JGJ/T 23-2011)附录F的格式编写。
6、质量、环境和安全文明施工保证措施6.1质量保证措施:(1)维修保养:当回弹仪存在下列情况之一时,应进行养护:1)回弹仪弹击数超过2000次;2)在钢砧上的率定值不合格;3)对检测值有怀疑。
(2)操作的规范性:进行回弹检测时,检测人员应正确操作仪器,做到“轻压慢放、准确读数”,操作人员应持证上岗。
6.2环境保证措施:应在气候相对干燥,温度在(-4~40)℃的环境内进行测量,禁止在表面湿润的构件上进行回弹检测。
6.3安全文明施工保证措施:进行回弹检测时,所测构件应有安全通道可以抵达,且构件周围环境应处于安全状态下。
测量人员进入施工现场应佩戴安全帽。