地源热泵供暖系统使用常识和维护保养注意事项
- 格式:docx
- 大小:8.35 KB
- 文档页数:2
地源热泵维保方案地源热泵是一种高效节能的供暖方式,不仅对于环保和节能有着重要作用,而且在家庭使用中也具有较高的经济性和实用性。
但是,在日常使用中,地源热泵也需要进行维护和保养,以确保其长期有效运行。
下面,我们将为大家介绍地源热泵的维保方案。
1. 日常维护保养1.1 清洗过滤器地源热泵在使用中需要通过空气过滤器来过滤空气中的杂质和灰尘,以确保供暖空气的质量。
因此,定期清洗地源热泵的过滤器成为日常维护保养中的必备环节。
每月检查一次过滤器是否需要更换或清洗,若过滤器变脏,则需将其拆下清洗或更换。
1.2 确保通风正常地源热泵需要连续运行数月甚至数年,在这个过程中,如果机器内部积聚了过多的灰尘或杂物,那么就会影响热泵机组的正常工作。
因此,在日常维护保养期间,需要检查地源热泵的排气口和通风口是否存在积尘或杂物,定期清理或吹扫这些部位,以确保通风顺畅。
1.3 检查电器设备地源热泵的运行依靠电力,因此我们需要定期检查电源及电力线路是否正常,如有异常发现及时处理。
同时检查电机的运行状态,是否有异响、是否有异常震动等情况。
如有发现异常,及时联系专业技术人员进行处理。
1.4 定期维护地源热泵机组在运行中由于不断的热传输和循环,会导致机组内部各个部件受到一定的磨损。
因此,在日常使用中,我们需要对热泵机组进行定期维护,检查各部位的磨损情况,及时更换或维修。
2. 季节性维护保养2.1 室外机器保护地源热泵的室外机器在运行期间容易受到自然环境的影响,例如雨水和日晒等,因此在使用前和季节更替时需要对室外机器进行检查和保养。
定期检查室外机器的噪音和振动,以及管道连接情况是否紧固。
此外,需要调节环境温度和湿度,避免雨雪天气造成机器、电路、器材受损的风险。
2.2 供暖制热系统维护地源热泵的供暖系统是整个系统的核心,它在长期使用中经受着大量热能和压力的变化,因此需要定期进行维护和保养。
检查冷凝器、蒸发器、热交换器等部位是否存在污垢和水垢,如有发现及时清洗,以确保热力传导效率。
中央空调系统维护保养方案
中央空调经过长时间运行后空调系统,制冷主机及风机散热盘片不可避免的出现了水垢、锈蚀、淤泥、细菌、藻类和粉尘问题将直接导致制冷能力减弱,使用寿命缩短、运行可靠性降低、能耗提高导致运行费用增加等。
为了节约能源、降低运行成本特制订中央空调系统维护保养计划。
一、热泵机组的维护保养:
二、室内及机房水循环管道部分的维护保养:
三、水箱及水处理设备的维护保养:
四、末端风柜部分的维护保养:
五、所有控制柜的维护保养:
六、室外部分的维护保养:
七、外委维保:
1、在日常维持保养过程中如有需更换备件,先处理再查明原因区分责任。
2、质保期外产生费用由双方协商另外计收。
2011年中央空调机组保养计划
说明:以下计划只列出主要保养项目,具体内容按维护保养方案操作。
中央空调系统维护保养方案
中央空调经过长时间运行后空调系统,制冷主机及风机散热盘片不可避免的出现了水垢、锈蚀、淤泥、细菌、藻类和粉尘问题将直接导致制冷能力减弱,使用寿命缩短、运行可靠性降低、能耗提高导致运行费用增加等。
为了节约能源、降低运行成本特制订中央空调系统维护保养计划。
一、热泵机组的维护保养:
二、室内及机房水循环管道部分的维护保养:
三、水箱及水处理设备的维护保养:
四、末端风柜部分的维护保养:
五、所有控制柜的维护保养:
六、室外部分的维护保养:
七、外委维保:
1、在日常维持保养过程中如有需更换备件,先处理再查明原因区分责任。
2、质保期外产生费用由双方协商另外计收。
2011年中央空调机组保养计划
说明:以下计划只列出主要保养项目,具体内容按维护保养方案操作。
百度文库地源热泵空调系统使用手册及日常维护湖南省第三建筑工程有限公司目录第一部分日常注意事项及维护步骤 (3)一、技术分析 (3)(一)、地源热泵机组使用注意事项及日常维护 (4)(二)、风机盘管的日常维护 (9)(三)、组合式空调机组的日常维护 (12)(四)、循环水泵的日常维护 (15)(五)、加湿器的日常维护 (16)第二部分、空调运行记录表 (17)第一部分日常注意事项及维护步骤一、技术分析中央空调系统日常运行时、外部系统影响及使用质量等方面工作因素,其系统内部循环系统、传热系统、控制系统、运转部件、气密性元件等可能或多或少会发生一些偏差或改变。
此时,使用时日常保养工作显得尤为重要,如系统不能得到及时的调整、清洗和处理,轻者可能造成设备或部件无法最佳工作,严重的将导致系统运行可靠性与使用寿命受到影响,并引起设备故障率与系统运行能耗的增加。
主要表现在以下几个方面:(一):地源热泵机组使用注意事项及日常维护(二):风机盘管的日常维护(三):组合式空调机组的日常维护(四):循环水泵的日常维护(五):加湿器的日常维护(一)、地源热泵机组使用注意事项及日常维护1、日常检查及保养周期、日常检查项目表时间位置检查项正确值启动前1油加热器停止时检查电加热器是否通电打开电加热器2油分离器视镜检查油位保证油位在视油镜1/3处以上3喷液管上的手动截止阀检查阀是否全开将阀打开4电源电压用电压表检查不超过额定值的±10%5环境温度(室外温度)检查温度计≤40℃启动1边盖上的视镜检查星轮旋转按(MC)EY正常接线2喷液管上的电磁阀在启动时检查是否打开3振动和噪声感觉、听无异常振动和噪音运行1油分离器视镜检查油位补充冷冻机油 * 2边盖上的视镜检查是否喷油3排气压力检查高压表(排气) ~4吸气压力检查低压表(吸气) ~5 吸气压力差检查低压表(吸气)≤1热水出口温度(制热时)检查温度计30 ~ 45℃2冷冻水出口温度(制冷时)检查温度计 5 ~ 10℃3 高低压差检查高压表(排气)≤每季1.制冷剂注入量检查视液镜管路液体无气泡2.润滑油注入量检查油位计在规定范围内、机体保养周期表时间项目1000hrs2500hrs5000hrs10000hrs15000hrs20000hrs25000hrs30000hrs电气绝缘△△△油过滤器△△△△△进气过滤器△△△容调活塞环△○油位△△△△△△△△电机线圈保护器△△△△△△日常注意事项A.冷冻出水温度一般设定在7度。
地下水源热泵的应用及应注意的问题近几年,我国城乡建筑发展迅速,与气候条件接近的发达国家相比,我国居住建筑单位面积供暖能耗为他们的3倍左右。
现在,这些高能耗建筑冬季供暖与夏季空调的使用正日益普遍,解决它们所造成的能源浪费和环境污染问题已成为紧迫的需要。
现在我国禁止在城镇建设中小型燃煤锅炉房。
因此,除了集中供热的形式以外急需发展其它的替代供热方式。
热泵(包括地下水源热泵)就是这样一种可以有效节约能源、减少大气污染和CO排放的供热和空调新技术。
1.基本工作原理地下水源热泵系统的低位热源是从水井或废弃的矿井中抽取的地下水,热泵机组冬季从生产井提供的地下水中吸热,提高品位后对建筑物供暖,把低位热源中的热量转移到需要供热和加湿的地方,取热后的地下水通过回灌井回到地下。
夏季,则生产井与回灌井交换,而将室内余热转移到低位热源中,达到降温或制冷的目的,另外还可以起到养井的作用。
如果是水质良好的地下水,可以直接进入热泵进行换热,这样的系统我们称为开式环路。
实际工程中更多采用闭式环路形式的热泵循环水系统,即采用板式换热器把地下水和通过热泵的循环水分隔开,以防止地下水中的泥沙和腐蚀性杂质对热泵机组的影响,同时防止对地下水造成污染。
由于较深的地层不会受到大气温度变化的干扰,故能常年保持恒定的温度,远高于冬季的室外空气温度,也低于夏季的室外空气温度,且具有较大的热容量,因此地下水源热泵系统的效率比空气源热泵高,COP值一般在3和4.5之间,并且不存在结霜等问题。
此外,冬季通过热泵吸收大地中的热量提高空气温度后对建筑物供热,同时使大地中的温度降低,即蓄存了冷量,可供夏季使用;夏季通过热泵把建筑物的热量传输给大地,对建筑物降温,同时在大地中蓄存热量以供冬季使用。
这样,在地下水源热泵系统中大地起到了蓄能器的作用,进一步提高了系统全年的能源利用效率。
地下水源热泵系统还可以产出生活热水,其水路连接方式大致有四种。
最简单的方式有空调水系统与生活热水水系统完全分开和相关联且井水系统串级连接这两种,但是前者冷凝温差太小,后者也不能解决生活热水用的水源热泵机组停机时空调系统容量减小的问题。
地源热泵空调系统使用手册及日常维护1目录第一部分日常注意事项及维护步骤 (3)一、技术分析 (3)(一)、地源热泵机组使用注意事项及日常维护 (4)(二)、风机盘管的日常维护 (9)(三)、组合式空调机组的日常维护 (12)(四)、循环水泵的日常维护 (15)(五)、加湿器的日常维护 (16)第二部分、空调运行记录表 (17)2第一部分日常注意事项及维护步骤一、技术分析中央空调系统日常运行时、外部系统影响及使用质量等方面工作因素,其系统内部循环系统、传热系统、控制系统、运转部件、气密性元件等可能或多或少会发生一些偏差或改变。
此时,使用时日常保养工作显得尤为重要,如系统不能得到及时的调整、清洗和处理,轻者可能造成设备或部件无法最佳工作,严重的将导致系统运行可靠性与使用寿命受到影响,并引起设备故障率与系统运行能耗的增加。
主要表现在以下几个方面:一):地源热泵机组使用注意事项及日常维护((二):风机盘管的日常维护(三):组合式空调机组的日常维护(四):循环水泵的日常维护(五):加湿器的日常维护3(一)、地源热泵机组使用注意事项及日常维护1、日常检查及保养周期1.1、日常检查项目表时位检查正确停止时检查电加热器是打开电加热油加热通检查油保证油位在视油1/油分离器视以喷液管上的手动截检查阀是否全将阀打10%用电压表检不超过额定值的电源电4环境温度(室外温度检查温度正常MEY30294检查星轮旋按边盖上的视在启动时检查是否打喷液管上的电磁无异常振动和噪振动和噪感觉、 *补充冷冻机油分离器视检查油检查是否喷边盖上的视1.1 ~ 1.8MPa检查高压表(排气排气压0.3 ~ 0.6MPa检查低压表(吸气吸气压0.05MPa5吸气压力检查低压表(吸气热水出口温度(制检查温度30 ~ 45 时)℃冷冻水出口温度(制冷检查温度计5 ~ 102 时) 0.1MPa ≤高低压差检查高压表(排气) 3检查视液镜管路液体无气泡1.制冷剂注入量每季检查油位计在规定范围内2.润滑油注入量1.2、机体保养周期表时间 1000 2500 5000 10000 15000 20000 2500030000hrs hrs hrs hrs hrs hrs 项目 hrs hrs△△△电气绝缘△△△油过滤器△△△△△进气过滤器○△容调活塞环△△△△油位△△△△△电机线圈保护器△△△△△41.3日常注意事项A.冷冻出水温度一般设定在7度。
地源热泵空调系统运行注意事项一、地源热泵空调主机供热、制冷原理1、夏季制冷模式时,高温高压的制冷剂气体从压缩机出来进入冷凝器,循环动态的地埋管换热器内的水流过凝器壳管时把制冷剂释放的热量(低品位热源)载入输送到地下土壤层内。
制冷剂再经节流装置节流成低温低压液体,进入蒸发器吸收循环流经管壳的所载建筑制冷用水中的热量,液体气化,并使冷冻水水温降低。
低压制冷剂蒸汽又进入压缩机压缩成高温高压气体往复循环做功。
这样往复循环在蒸发器管壳内的建筑物空调用循环水获得冷水,通过管道系统输送到达建筑内进行空调制冷。
2、冬季制热模式时,高温高压的制冷剂气体从压缩机出来进入冷凝器,制冷剂向建筑物供暖用的流经冷凝器管壳的循环水释放出热量而冷却成高压液体,并使供热水水温升高。
制冷剂再经过膨胀阀膨胀成低温低压液体,进入蒸发器吸收流经蒸发器管壳地埋管换热器循环水的热量,蒸发成低压蒸汽,并使地源水水温降低。
低压制冷剂蒸汽又进入压缩机压缩成高温高压气体继续往复循环做功。
这样往复循环在冷凝器管壳内的建筑物空调用循环水获得热水。
通过管道系统输送到达建筑内进行空调制热。
二、滨州曹王供电所地源热泵空调项目简介该工程为国网山东聊城供电公司凤凰供电所地源热泵工程,开工日期2016年8月21日,竣工日期2016年9月16日。
投入使用期2016年10月20日。
本项目位于滨州博兴县曹王镇,总建筑面积为980㎡,地上3层,建筑高度12m。
该建筑主要为办公室、会议室、餐厅等房间类型。
1、该工程风机盘管为麦克维尔品牌,风机盘管总数量32台,其中型号FP—51盘管8台,FP—68盘管2台,FP-85盘管9台,FP-102盘管13台,送风方式为下回侧吹风。
2、室外地埋管换热器钻井埋管区域为办公楼西侧小院,竖直地埋管换热器为单U形式钻井竖直埋设。
地埋管的材质:高密度聚乙烯PE100管,φ32mm、承压为1.6Mpa。
地下地埋管钻孔直径φ150mm,井孔间距为4米,数量26眼,钻井下管有效深度100米(其中2口井为120米),总共2640延米。
地源热泵的保养与维护地源热泵则是利用水源热泵的一种形式,它是利用水与地能(地下水、土壤或地表水)进行冷热交换来作为水源热泵的冷热源,冬季把地能中的热量“取”出来,供给室内采暖,此时地能为“热源”;夏季把室内热量取出来,释放到地下水、土壤或地表水中,此时地能为“冷源”。
但是怎么样对地源热泵机组进行日常维护工作呢?本文就PHNIX地源热泵在使用工程中提供一些保养方法。
1.压缩机的保养1)压缩机的外观检查检查方法:目测检查标准:检查压缩机进出口阀门的连接可靠性,是否有泄露情况;试验时应该注意压缩机运行的声音来判断是否有异常2)电压及电流测量测量工具:钳形电流表用钳形电流表工作电压,运行电流。
测量运行电流时电缆应该位于测量环路的中心。
测量标准:运行电压范围为380V(±10%),运行电流不应该大于电机铭牌的额定输入电流。
3)绝缘电阻的测量测量工具:兆欧表测量方法:在机组切断电源的情况下,用兆欧表检测压缩机的三相对地阻值是否符合标准。
如果机组长时间未启用,则应该先将机组的曲轴箱电加热启动,加热机组的油腔,使机组机油内的氟利昂蒸发,提高测量电阻的准确度测量注意:严禁在真空状态下测量绝缘度,防止绝缘层被击穿引起事故测量标准:压缩机电机的绝缘标准为不低于500兆欧,实际测量值应大于100兆欧为合格,热态和冷态下绝缘值大于8兆欧才允许运行。
4)油品的测定方法:可从机组内提取少许冷冻油装入容器,取一滴装入酸试剂瓶观察酸度,与比色卡进行对照。
符合比色卡对照颜色的不需要更换冷冻油可从机组内提取少许冷冻油装入容器,尽量减少在空气中的暴露时间,然后用PH试纸判别油的酸度。
符合油酸度要求的不需要更换冷冻油用吸水纸检查油中的杂质,如有碳析出或其它杂质,应更换冷冻油。
2.冷凝器的保养保养工具:管路清洗机或者化学清洗剂保养方法:水冷机组的冷凝器使用壳管式水冷冷凝器,冷凝器的清洁保养工作非常重要,应保持冷却水质良好,冷却水应该定期进行化学处理,保证传热管内不结垢,保养可以分机械清洗保养和化学清洗保养(可参考化学清洗规程)。
如何对地源热泵进行日常维护与保养?
室内及机房部分同普通中央空调,室外部分就是注意不要被压坏或者被挖坏,具体的根据使用情况即可
根据机组的使用要求,每年四月及十月对每台设备提供一次供暖结束或制冷结束后的机组检查服务或制冷开始前的机组调试服务。
服务内容包括:
—检查油压后,如有需要更换过滤器;
—检查冷冻油质后,如有需要更换冷冻油;
—检查制冷剂系统,如有需要更换干燥过滤器;
—压缩机电机、油泵电机测试;
—检查机组保护元件;
—检查机组启动柜、电脑控制柜;
—检查滑阀工作是否正常;
—检查温度、压力、流量传感器精度;
—检查冷凝器是否需要清洗;
—如有制冷剂不足现象,补充制冷剂;
—机组试运行;
填写机组检测报告。
、根据机组的使用要求,每年对每台设备提供一次制暖结束后的机组检查服务或供冷开始前的机组调试服务。
服务内容同上。
、对设备进行检查和维护一至两次,定期检查的工作内容有:
—检查机组的机油温度、油位、油质,如有需要补充机油;
—检查传感器是否工作正常;
—检查油压油泵是否工作正常;
—检查压缩机起停时差;
—检查机组是否存在不正常震动与噪音;
—检查冷冻水温度设定点与实际出水温度是否符合;
—检查冷冻水、冷却水进、出口水温差及压差;
—检查机组是否有制冷剂的不正常泄漏;
—检查机组工作电流是否与滑阀开度相符;
检查机组喷液阀是否正常。
浅谈地源热泵运行系统维护发布时间:2021-06-28T14:44:12.953Z 来源:《工程管理前沿》2021年6期作者:凌东园1 尤东军2 [导读] 地源热泵是利用土壤所储藏的太阳能源作为冷热源,凌东园1 尤东军2 1河北省水利工程局一处 2河北供水有限责任公司廊涿干渠(廊坊)管理处摘要:地源热泵是利用土壤所储藏的太阳能源作为冷热源,进行能量转换的供暖冷空调系统。
地源热泵具有高效节能,绿色环保等特点。
地源热泵空调系统主要分为三个部分:室外地能换热系统、热泵机组系统和室内采暖空调末端系统,在运行过程中常见的故障分析及处理方法,制定出相应的保养办法。
关键词:地源热泵;机组;风机盘管引言:随着我国经济的快速持续发展,能源消耗也逐年上升,地源热泵空调系统作为一种节能环保新型技术很快被社会各界接受。
地源热泵虽然具有高效节能等优点,但在机组运行过程当中存在的问题,影响地源热泵正常工作,导致室内不制冷(或制热),需要系统的维护保养,延长使用寿命。
一、地源热泵系统介绍1.1工作原理地源热泵则是利用水源热泵的一种形式,它是利用水与地能(地下水、土壤或地表水)进行冷热交换来作为水源热泵的冷热源,冬季把地能中的热量“取”出来,供给室内采暖,此时地能为“热源”;夏季把室内热量取出来,释放到地下水、土壤或地表水中,此时地能为“冷源”。
1.2优点①地源热泵技术属可再生能源利用技术。
由于地源热泵是利用了地球表面浅层地热资源(通常小于400米深)作为冷热源,进行能量转换的供暖空调系统。
地表浅层地热资源可以称之为地能,是指地表土壤、地下水或河流、湖泊中吸收太阳能、地热能而蕴藏的低温位热能。
地表浅层是一个巨大的太阳能集热器,收集了47%的太阳能量,比人类每年利用能量的500倍还多。
它不受地域、资源等限制,真正是量大面广、无处不在。
这种储存于地表浅层近乎无限的可再生能源,使得地能也成为清洁的可再生能源一种形式。
②地源热泵属经济有效的节能技术。
地热供热站房运行、维护及保养地热供热站房作为地热供热系统的心脏须遵守安全规定,改善操作条件,讲求经济效益,使运行符合安全生产、技术先进和经济合理的要求。
当出现故障时应尽快组织抢修,同时也要做好日常的保养工作。
1 运行过程中易出现的故障1.1 井下设备发生故障地热站井下设备包括潜水泵及其配用电机,无论哪个发生故障,都需打开井口盖,提出设备,进行维修。
按规定,一般井下设备正常检修的周期为半年,限于资金(每次提泵、下泵约需4000元左右),一般都等设备发生故障后才打开井口进行维修,发生故障的周期一般为一年左右,花费为10000元左右,需2~3天时间。
1.1.1 潜水泵的故障潜水泵因长期浸泡在高温地热水中,且地热水还卷杂有沙子,工作条件十分恶劣,轴及其轴承、轴套及叶轮都有可能发生故障,发生故障后,工作人员可以从其运转声音判断出来。
1.1.2 潜水泵电机的故障潜水泵电机的工作条件也十分恶劣,其线圈的绝缘程度为零时,表明电机已烧坏。
1.2 换热器发生故障1.2.1 换热器换热量不足地热站内换热器一般采用占地面积小,换热性能好的板式换热器。
换热器的换热量不足一般有两个原因,一为水垢太多,应该清洗,二为潜水泵提水量不足。
1.2.2 换热器泄漏换热器泄漏一般为超压所致。
在换热器冷水侧的进水管道上即供暖的主回水管道上设有电接式压力表,其寿命不是很长,比不上机械式的压力表。
当电接式的压力表失灵后,如果是下限失灵则补水泵不会开启,如果是上限失灵则补水泵不会停转,从而使板式换热器内水压超过允许值而造成泄漏。
解决的办法是停止供暖,拆开板式换热器,对受损的垫片进行更换。
1.3 循环水泵发生故障循环水泵一般都有备用泵,当正在运行的泵发生故障后,只需将备用泵投入使用。
1.4 管网突然失压管网突然失压的原因可能是室外管网破裂或泵房内自来水补不上水或循环水泵突然停转,应先检查泵房以内是否有故障然后再检查室外管道。
1.5 自控系统发生故障自控系统发生故障率最高的为变频水泵用的变频器和控制补水泵启动的接触器。
百度文库地源热泵空调系统使用手册及日常维护湖南省第三建筑工程有限公司目录第一部分日常注意事项及维护步骤 (3)一、技术分析 (3)(一)、地源热泵机组使用注意事项及日常维护 (4)(二)、风机盘管的日常维护 (9)(三)、组合式空调机组的日常维护 (12)(四)、循环水泵的日常维护 (15)(五)、加湿器的日常维护 (16)第二部分、空调运行记录表 (17)第一部分日常注意事项及维护步骤一、技术分析中央空调系统日常运行时、外部系统影响及使用质量等方面工作因素,其系统内部循环系统、传热系统、控制系统、运转部件、气密性元件等可能或多或少会发生一些偏差或改变。
此时,使用时日常保养工作显得尤为重要,如系统不能得到及时的调整、清洗和处理,轻者可能造成设备或部件无法最佳工作,严重的将导致系统运行可靠性与使用寿命受到影响,并引起设备故障率与系统运行能耗的增加。
主要表现在以下几个方面:(一):地源热泵机组使用注意事项及日常维护(二):风机盘管的日常维护(三):组合式空调机组的日常维护(四):循环水泵的日常维护(五):加湿器的日常维护(一)、地源热泵机组使用注意事项及日常维护1、日常检查及保养周期、日常检查项目表时间位置检查项正确值启动前1油加热器停止时检查电加热器是否通电打开电加热器2油分离器视镜检查油位保证油位在视油镜1/3处以上3喷液管上的手动截止阀检查阀是否全开将阀打开4电源电压用电压表检查不超过额定值的±10%5环境温度(室外温度)检查温度计≤40℃启动1边盖上的视镜检查星轮旋转按(MC)EY正常接线2喷液管上的电磁阀在启动时检查是否打开3振动和噪声感觉、听无异常振动和噪音运行1油分离器视镜检查油位补充冷冻机油 * 2边盖上的视镜检查是否喷油3排气压力检查高压表(排气) ~4吸气压力检查低压表(吸气) ~5 吸气压力差检查低压表(吸气)≤1热水出口温度(制热时)检查温度计30 ~ 45℃2冷冻水出口温度(制冷时)检查温度计 5 ~ 10℃3 高低压差检查高压表(排气)≤每季1.制冷剂注入量检查视液镜管路液体无气泡2.润滑油注入量检查油位计在规定范围内、机体保养周期表时间项目1000hrs2500hrs5000hrs10000hrs15000hrs20000hrs25000hrs30000hrs电气绝缘△△△油过滤器△△△△△进气过滤器△△△容调活塞环△○油位△△△△△△△△电机线圈保护器△△△△△△日常注意事项A.冷冻出水温度一般设定在7度。
地热能热利用运维服务的设备检修与维护地热能是一种清洁、可再生的能源,其热利用对实现可持续发展和能源转型具有重要意义。
地热能的热利用设备在运营过程中需要进行定期的检修与维护,以确保其高效稳定地运行。
在本文中,我将介绍地热能热利用设备检修与维护的重要性、常见的问题及其解决方案,以及维护过程中应注意的事项。
地热能热利用设备检修与维护的重要性地热能热利用设备是将地下的热能转换为可供人们使用的热水或蒸汽的装置。
这些设备通常由地热井、换热器、泵组、控制系统等组成。
这些设备在长期运行中,由于承受高温高压、频繁启停等因素,容易出现问题,导致设备性能下降、能耗增加、安全隐患等。
因此,定期的设备检修与维护对于确保设备的正常运行至关重要。
常见的问题及解决方案1. 地热井问题:地热井是地热能热利用系统的关键部分,其中的井筒、支撑结构等易受腐蚀、堵塞等问题影响。
此外,地热井的封固往往在长时间使用后出现老化、破损等情况。
解决方案:定期对地热井进行检查,发现腐蚀、堵塞等问题及时清理处理。
对于老化、破损等问题,可采用修复或更换地热井的方式来解决。
2. 换热器问题:地热能热利用设备中的换热器往往承受高温高压,容易受到水垢、结垢的影响,导致换热效果下降。
解决方案:定期对换热器进行清洗和除垢,以保证其正常的热传导效果。
此外,可以采取防垢措施,如使用防垢剂、控制水质等方法,减少换热器出现水垢、结垢的情况。
3. 泵组问题:地热能热利用设备中的泵组是输送热水或蒸汽的关键设备,长期运行容易受到磨损、轴封泄漏等问题的影响。
解决方案:定期对泵组进行润滑、检查轴封等,确保其良好的工作状态。
对于磨损严重的泵组,可进行维修或更换,以提高设备的可靠性和运行效率。
维护过程中应注意的事项1. 定期维护计划:制定合理的维护计划,根据设备的运行时间、负荷情况等因素进行维护,并确保维护工作及时有效地进行。
2. 定期检查设备状态:定期检查设备的工作状态,发现问题及时处理,避免小问题演变成大问题。
地源热泵供暖系统使用常识和维护保养注意事项很多人觉得地源热泵管道埋在地下,即使清洗保养也是很件很麻烦的事情,所以就放任不管了。
其实地源热泵对管路内密闭循环的介质水的质量有较高的要求,常见的管路循环不畅、局部堵塞、金属件被腐蚀、微生物滋生影响换热效果等问题,根源就是管路水质不良。
传统的中央空调为了延长使用寿命,都需定期进行清理保养,地源热泵管道也不例外,也是需要清洗保养的。
地源热泵空系统机械清洗需要注意以下问题:1、清洗完后用清水冲洗,直到达到标准,然后盖好端盖2、拆开冷凝器前后端盖3、关闭冷却水进出口阀门4、用管路清洗机清洗传热管路5、清理冷凝器端盖、水室腔内结垢和锈蚀热泵压缩机的保养问题很重要:1、压缩机的外观检查检查压缩机进出口阀门的连接可靠性,是否有泄露情况;试验时应该注意压缩机运行的声音来判断是否有异常。
2、电压及电流测量工具钳形电流表用钳形电流表工作电压,运行电流。
测量运行电流时电缆应该位于测量环路的中心。
3、油品的测定方法可从地源热泵机组内提取少许冷冻油装入容器,取一滴装入酸试剂瓶观察酸度,与比色卡进行对照。
符合比色卡对照颜色的不需要更换冷冻油可从机组内提取少许冷冻油装入容器,尽量减少在空气中的暴露时间,然后用PH 试纸判别油的酸度。
符合油酸度要求的不需要更换冷冻油用吸水纸检查油中的杂质,如有碳析出或其它杂质,应更换冷冻油。
4、绝缘电阻的测量测量工具在地源热泵机组切断电源的情况下,用兆欧表检测压缩机的三相对地阻值是否符合标准。
如果机组长时间未启用,则应该先将机组的曲轴箱电加热启动,加热机组的油腔,使机组机油内的氟利昂蒸发,提高测量电阻的准确度测量注意:严禁在真空状态下测量绝缘度,防止绝缘层被击穿引起事故。
冬季使用地源热泵的注意事项问题,要注意的点:1、冬季家用地源热泵是制热运行的,在使用之前应检查制冷循环管道,确保全部阀门的关闭,然后开启制热循环管道阀门。
2、在使用前应先检查机组线路,避免出现缺相、反相等问题的发生;检查外接地线是否可靠连接,若有异常,请及时更换。
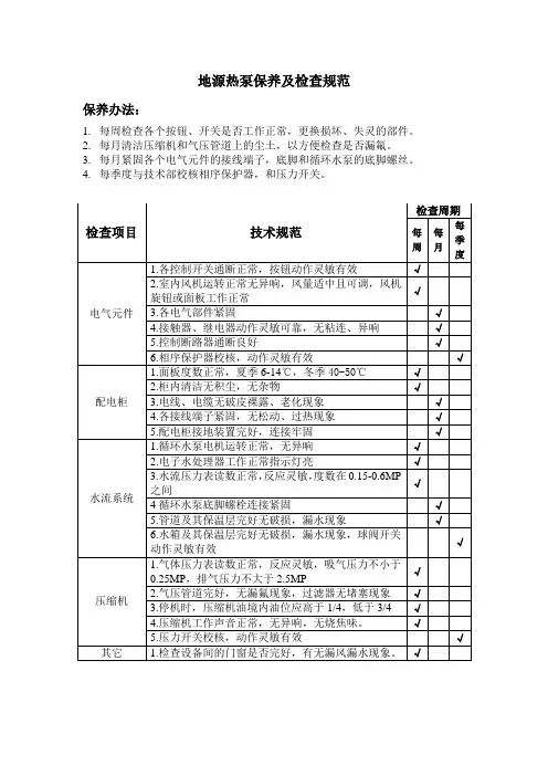
地源热泵系统日常维护常识一、日常维护与保养知识1. 机组调整后已达最佳工作状态,请用户不要随意更改已设置的运行参数。
2. 机组在试车运行24小时后,必须清洗水泵进水端之水过滤器。
3. 日常运行时应做好记录,特别要记录不正常运行时出现的各种现象、时间和工况等参数,便于对故障进行分析、检查。
4. 机组应由专人操作管理,发现异常及时停机并查明原因、排除故障,严禁带故障运行。
5. 严禁频繁操作各开关,开机次数不得超过6次/小时,且开机运行时间应在5分钟以上。
6. 主电路电源开关在正常使用期内不能断开,以保持压缩机油加热器的正常运行。
7. 正常使用期内应每月进行一次全机检查,项目为:①电源接线的紧固螺栓有无松动;②机组各运动部件有无杂音,运行是否正常;③制冷/热系统的高、低压力值是否正常;④各压缩机的运行电流、机组的绝缘电阻是否正常;⑤干燥过滤器及视镜是否正常,如过滤器出口结霜,表明过滤器脏堵,需清洁滤网,如视镜有湿度显示(颜色变红),则需更换干燥过滤器芯。
⑥压缩机润滑油是否正常,运转时如油位低于视油镜的2/3,应添加润滑油;如有脏物或已变质,应更换润滑油,并清洗或更换油过滤器,同时更换干燥过滤器芯。
8. 季节性停机:①主电路电源开关断开,机组空气开关断开;②在水泵停转后关闭靠近机组的水系统截止阀;③放尽循环水管路和地下水管路的存水;④放尽冷凝器、蒸发器内部存水。
9. 季节性停机后再开机:①主电路电源开关接通,机组空气开关接通;②将压缩机润滑油预热8小时以上;③检查膨胀水箱的地源,打开循环水管路的排气阀,排尽管道内空气。
以上工作完成后,按规定的操作步骤开启空调主机,即可进入正常制冷/热运行。
10. 每两年应对冷凝器和蒸发器至少清洗一次,可采用机械或化学法。
此项工作应由专业人员完成。
二、地源热泵安装的前期准备工作1. 用户在收到货物后,应对其进行仔细检查,以确认机组型号是否正确,在运输过程中是否出现损坏,并确认所有预定的零配件是否均已收到。
地源热泵管理制度地源热泵(Ground Source Heat Pump,简称GSHP)是一种高效节能的供暖和制冷系统,利用地下热能来提供室内热量或冷空气。
为了保证地源热泵系统的正常运行和提高能效,制定一套科学的地源热泵管理制度至关重要。
本文将从系统维护、能源管理和设备监测等方面,详细介绍地源热泵管理制度的相关内容。
1. 系统维护地源热泵系统的正常维护对于保持系统的高效能运行至关重要。
为了确保系统的可靠性和长期稳定性,以下是地源热泵系统的维护要点:1.1 清洁过滤器地源热泵系统中的过滤器用于阻止灰尘和杂质进入系统,防止对设备和水循环系统造成损害。
定期检查并清洗过滤器,确保其畅通无阻。
1.2 检查循环泵地源热泵系统的循环泵负责将热量或冷空气传输到室内。
定期检查循环泵的运转情况,确保其正常工作。
1.3 定期检查换热器和蓄能器换热器是地源热泵系统中热量或冷气的传递介质,蓄能器用于储存能量。
定期检查换热器和蓄能器的状态,及时发现并修复任何问题。
2. 能源管理地源热泵系统是一种能源高效的供暖和制冷方式,但合理的能源管理仍然十分重要。
以下是地源热泵系统的能源管理要点:2.1 温度控制地源热泵系统的温度控制是提高能源利用效率的关键。
根据室内外温度和人员活动情况,合理设置温控系统,避免过度消耗能源。
2.2 定期检查绝缘系统绝缘是减少能量损失的有效手段。
定期检查地源热泵系统的绝缘情况,及时修复和更换受损的绝缘材料。
2.3 合理利用热量余量地源热泵系统在供暖期间可能会产生一定量的热量余量。
通过合理利用热量余量,如供给其他设备或储存热水等方式,最大程度地节约能源。
3. 设备监测定期的设备监测是地源热泵系统管理中重要的一环。
以下是地源热泵系统的设备监测要点:3.1 温度和压力监测地源热泵系统中的温度和压力是关键参数,直接影响系统的运行状态。
定期检测和监测系统的温度和压力,确保其在正常范围内工作。
3.2 故障报警系统安装启动故障报警系统是保证地源热泵系统平稳运行的有效手段。
地源热泵供暖系统使用常识和维护保养注意事项
很多人觉得地源热泵管道埋在地下,即使清洗保养也是很件很麻烦的事情,所以就放任不管了。
其实地源热泵对管路内密闭循环的介质水的质量有较高的要求,常见的管路循环不畅、局部堵塞、金属件被腐蚀、微生物滋生影响换热效果等问题,根源就是管路水质不良。
传统的中央空调为了延长使用寿命,都需定期进行清理保养,地源热泵管道也不例外,也是需要清洗保养的。
地源热泵空系统机械清洗需要注意以下问题:
1、清洗完后用清水冲洗,直到达到标准,然后盖好端盖
2、拆开冷凝器前后端盖
3、关闭冷却水进出口阀门
4、用管路清洗机清洗传热管路
5、清理冷凝器端盖、水室腔内结垢和锈蚀
热泵压缩机的保养问题很重要:
1、压缩机的外观检查
检查压缩机进出口阀门的连接可靠性,是否有泄露情况;试验时应该注意压缩机运行的声音来判断是否有异常。
2、电压及电流测量工具
钳形电流表用钳形电流表工作电压,运行电流。
测量运行电流时电缆应该位于测量环路的中心。
3、油品的测定方法
可从地源热泵机组内提取少许冷冻油装入容器,取一滴装入酸试剂瓶观察酸度,与比色卡进行对照。
符合比色卡对照颜色的不需要更换冷冻油可从机组内提取少许冷冻油装入容器,尽量减少在空气中的暴露时间,然后用PH试纸判别油的
酸度。
符合油酸度要求的不需要更换冷冻油用吸水纸检查油中的杂质,如有碳析出或其它杂质,应更换冷冻油。
4、绝缘电阻的测量测量工具
在地源热泵机组切断电源的情况下,用兆欧表检测压缩机的三相对地阻值是否符合标准。
如果机组长时间未启用,则应该先将机组的曲轴箱电加热启动,加热机组的油腔,使机组机油内的氟利昂蒸发,提高测量电阻的准确度测量注意:严禁在真空状态下测量绝缘度,防止绝缘层被击穿引起事故。
冬季使用地源热泵的注意事项问题,要注意的点:
1、冬季家用地源热泵是制热运行的,在使用之前应检查制冷循环管道,确保全部阀门的关闭,然后开启制热循环管道阀门。
2、在使用前应先检查机组线路,避免出现缺相、反相等问题的发生;检查外接地线
是否可靠连接,若有异常,请及时更换。
3、开启地源热泵时要检查冷凝器,冷凝器中的水需可正常流动,同时还要观察冷凝器与蒸发器的出口压力差,必要时进行清理。
4、及时添加防冻液。
供热信息网了解到如果地源热泵在冬季使用的过程中没有把机组内的水排干净是一定要添加防冻液的,否则将会对地源热泵机组造成危害。
5、定期检查室内机进出风口有没有阻塞,请专业维修人员定期清洗室内机过滤网。
6、在冬季使用地源热泵时,应避免拉闸断电、缺水或使用不当所造成的空调系统的损坏,以免影响正常使用。
7、若机组长时间闲置,请切断电源。
地源热泵机组出现故障,请及时向售后服务部报修,并告知故障代码,以便及时派人维修。
在接触接线装置之前,必须切断机组电源。
地源热泵制热效果不好是什么原因?
有些使用了地源热泵的人可能会问,为什么我家的地源热泵制热效果并没有说的那么好?造成地源热泵能耗降低的原因有很多,但其实大部分都是施工不善造成的。
换热不均匀
一般来说正常井深在80-85 米,但有一些施工企业在施工过程中由于管理不当,造成井深不到位,致使采源效果不佳,当然也就无法满足家庭基本的采暖需求。
还有一些商家没有测量好打井角度,致使打井时产生倾斜,同样也无法较好的采集到地下热源。
很多时候,我们按照常规计算出井深和井数量时,为了更加稳妥,我们要增加部分井的数量。
根据实际情况选择主机功率配置大小
在北方地区,热需求大于冷需求的情况下,要考虑用户使用面积的最大值,而南方地区,如果只是单纯的风机盘管方式,夏季制冷效果好,但冬季制热效果未必就好,所以还要重点考虑地暖作为辅助末端施工。
另外根据使用面积和用户人数合理匹配主机大小也很重要。
正常情况下,主机的开机率设定在70%以上,然而有些商家为了吸引消费者,暗自降低主机开机率。
表面上看功率降低好像资源消耗会比较少,但从长远角度来看,这样的做法造成的损失无疑是巨大的。
井间间距至少 4 米以上
我们要求井间距至少达 4 米以上,不光能满足近期的使用效果,并且使用的时间越久,其优势就越突出。