幕墙构件组件加工制作记录
- 格式:xls
- 大小:25.50 KB
- 文档页数:1
1、幕墙工程的竣工图、结构计算书、设计变更文件及其他设计文件(结构设计单位认可书);
2、幕墙工程所用各种材料、附件及紧固件、构件及组件的产品合格证书、性能检测报告、进场验收记录及复验报告;
3、国家指定检测机构出具的硅酮结构胶相容性和剥离粘结性试验报告;
4、后置埋件的现场拉拔检测报告;
5、幕墙的风压变形性能、气密性能、水密性能检测报告及其他设计要求的性能检测报告;
6、打胶、养护环境的温度、湿度记录;双组份硅酮结构胶的混匀性试验记录及拉断试验记录;
7、防雷装置测试记录;
8、隐蔽工程验收文件;
9、幕墙构建和组件的加工制作记录;幕墙安装施工记录;
10、张拉杆索体系预拉力张拉记录;
11、淋水试验记录;
12、其他质量保证资料;
1、设计图纸、计算书、文件、设计更改的文件等(结构设计单位认可书);
2、材料、零部件、构件出厂质量合格证书,硅酮结构胶相容性试验报告及幕墙的物理性能检验报告;
3、石材的冻融性试验报告;
4、金属板材表面氟碳树脂涂层的物理性能试验报告;
5、隐蔽工程验收文件;
6、施工安装自检记录;
7、预制构件出厂质量合格证书;
8、其他质量保证资料;
网架结构验收需提交资料;
1、网架施工图、竣工图、设计更改文件、施工组织设计、所用钢材及其他材料的质量证明书和试验报告;
2、网架的零部件产品合格证书和试验报告、网架拼装各工序的验收记录、焊工考试合格证明、焊缝质量和高强度螺栓质量检验资料、总拼就位后几何尺寸误差和挠度记录;
3、结构设计单位认可书;。
图纸会审记录
鲁MQ—002
设计变更(洽商)记录
—003
鲁MQ
施工组织设计(施工)方案报审卡
鲁MQ-005
技术(安全)交底记录
鲁MQ-006
安装施工日志
鲁MQ-007
记录人:
幕墙工程成品半成品材料合格证(试验报告)汇总表
鲁MQ-008
设备进场开箱检查记录
鲁MQ-009
注:本表由施工单位填写并保存。
材料、构配件进场检验记录表
鲁MQ-010
幕墙等电位联结测试记录
鲁MQ-011
幕墙接地电阻测试记录
鲁MQ-012
幕墙工程施工控制网测量记录
鲁MQ-013
注:本表由测量单位提供,城建档案馆、建设单位、施工单位各保存一份。
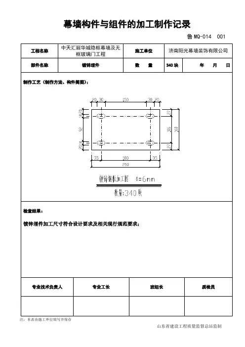
幕墙构件和组件的加工制作记录
鲁MQ-014
注:本表由施工单位填写并保存。
打胶、养护环境的温度、湿度记录
鲁MQ-015
幕墙工程安装施工检验记录
鲁MQ-016
建设(监理)单位专业技术质检员:XXX 记录员:XXX 项目负责人:XXX 负责人:XXX XX年XX月XX日
幕墙淋水试验记录
鲁MQ-017
隐蔽工程验收记录
鲁MQ-018
注:本表由施工单位填写
幕墙等电位联结工程隐蔽工程验收记录
鲁MQ-019
幕墙分部(子分部)工程质量验收记录
鲁MQ-020
金属幕墙分项工程质量验收记录
鲁MQ-021
(玻璃、金属、石材)幕墙工程施工技术文件核查记录
鲁MQ-022
续表①
续表②
.
幕墙工程安全和主要功能抽测记录
鲁MQ-023。
建筑幕墙工程检测项目包括:1、根据《建筑装饰装修工程质量验收规范》GB50210-2001的相关内容,幕墙工程应对下列材料及其性能指标进行复检:1)、铝塑复合板的剥离强度。
2)、石材的弯曲强度;寒冷地区石材的耐冻融性;室内用花岗石的放射性。
3)、玻璃幕墙用结构胶的邵氏硬度、标准条件拉伸粘结强度、相容性实验;石材用结构胶的粘结强度;石材用密封胶的污染性。
4)、后置埋件的现场拉拔强度检测报告。
2、根据《建筑节能工程施工质量验收规范》GB50411-2007的相关内容,幕墙节能工程使用的材料构件等进场时,应对其下列性能进行复验,复验应为见证取样送检:1)、保温材料:导热系数、密度。
2)、幕墙玻璃:可见光透射比、传热系数、遮阳系数、中空玻璃露点。
3)、隔热型材:抗拉强度、抗剪强度。
4)、幕墙的气密性能应符合设计规定的等级要求。
当幕墙面积大于3000m2或建筑外墙面积50%时,应现场抽取材料和配件,在检测试验室安装制作试件进行气密性能检测(气密性能检测试件应包括幕墙的典型单元、典型拼缝、典型可开启部分),试件应按照幕墙工程施工图进行设计。
试件设计应经建筑设计单位项目负责人、监理工程师同意并确认,检测结果应符合设计规定的等级要求。
强制性条文(GB50210-2001)9.1.8 隐框、半隐框幕墙所采用的结构粘结材料必须是中性硅酮结构密封胶,其性能必须符合《建筑用硅酮结构密封胶》的规定;硅酮结构密封胶必须在有效期内使用。
9.1.13主体结构与幕墙连接的各种预埋件,其数量、规格、位置和防腐处理必须符合设计要求。
9.1.14幕墙的金属框架与主体结构预埋件的连接、立柱与横梁的连接及幕墙面板的安装必须符合设计要求,安装必须牢固。
强制性条文(GB50411-2007)幕墙节能工程使用的保温隔热材料,其导热系数、密度、燃烧性能应符合设计要求。
幕墙玻璃的传热系数、遮阳系数、可见光透射比、中空玻璃露点应符合设计要求。
检验方法:核查质量证明文件和复验报告。
1
允许
偏差实际偏差允许偏差实际偏差允许偏差实际偏差允许偏差实际偏差允许偏差实际偏差允许偏差
实际偏差允许偏差实际偏差允许偏差实际偏差允许偏差实际偏差允许偏差实际偏差允许偏差实际偏差允许偏差实际偏差LZ1铝合金
0.50.50.50.50.50.50.50.5符合要求
0.50.50.50.5
0.5
0.5
0.5
0.5
0.5
0.5
0.5
0.5
0.5
0.5
0.5
0.5
长度尺寸(mm)型材角度(mm)
记录人:×××
构件名称编号
材质
表面
质量
弯曲度(mm)
扭拧度(mm)
专业监理工程师
(建设单位项目专业技术负责
×××施工专业工长:×××专业质检员:×××施工班组长:×××宽度中心线实际偏差允许偏差0.5
0.5
槽口(mm)豁口(mm)榫头(mm)长度
宽度中心线长度宽度中心线长度施工单位广东电白建设集团有限公司
检验批编号GD-C5-711113001分部/子分部/分项
主体结构/铝合金结构/铝合金零部件加工检查时间
年 月 日幕墙构件制作加工记录
GD-C4-6358单位(子单位)工程名称商住楼(和平碧桂园二标段)。
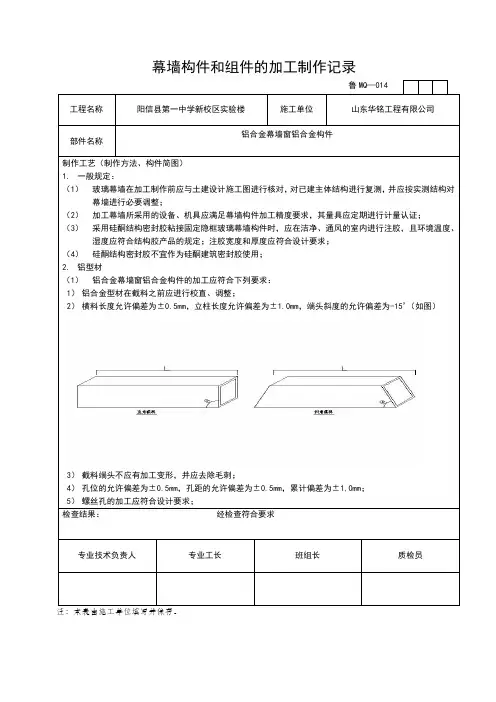
幕墙构件和组件的加工制作记录
鲁MQ—014
工程名称阳信县第一中学新校区实验楼施工单位山东华铭工程有限公司
铝合金幕墙窗铝合金构件
部件名称
制作工艺(制作方法、构件简图)
1.一般规定:
(1)玻璃幕墙在加工制作前应与土建设计施工图进行核对,对已建主体结构进行复测,并应按实测结构对幕墙进行必要调整;
(2)加工幕墙所采用的设备、机具应满足幕墙构件加工精度要求,其量具应定期进行计量认证;
(3)采用硅酮结构密封胶粘接固定隐框玻璃幕墙构件时,应在洁净、通风的室内进行注胶,且环境温度、湿度应符合结构胶产品的规定;注胶宽度和厚度应符合设计要求;
(4)硅酮结构密封胶不宜作为硅酮建筑密封胶使用;
2.铝型材
(1)铝合金幕墙窗铝合金构件的加工应符合下列要求:
1)铝合金型材在截料之前应进行校直、调整;
2)横料长度允许偏差为±0.5mm,立柱长度允许偏差为±1.0mm,端头斜度的允许偏差为-15’(如图)
3)截料端头不应有加工变形,并应去除毛刺;
4)孔位的允许偏差为±0.5mm,孔距的允许偏差为±0.5mm,累计偏差为±1,0mm;
5)螺丝孔的加工应符合设计要求;
检查结果:经检查符合要求
专业技术负责人专业工长班组长质检员
山东省建设工程质量监督总站监制。
建筑幕墙施工技术选修课作业1、建筑幕墙的分类有哪些?一、按面板材料的不同,建筑幕墙可分为玻璃幕墙、金属板幕墙、石材版幕墙和彩色混凝土挂板幕墙灯几种类型。
1、玻璃幕墙:玻璃幕墙装饰于建筑物的外表,如同罩在建筑物外的一层薄薄的帷幕,可以说是传统的玻璃墙被无限扩大,以致形成整个外壳的结果。
以原来采光、保温、防风雨等较为单纯的功能,发展为多功能的装饰品。
其主要部分的构造可分为两方面,一是饰面的玻璃,二是固定玻璃的骨架。
只有将玻璃与骨架连结,将玻璃的自身荷载及墙体所受到的风荷载及其他荷载传递给主体结构,使之与主体结构成为一体。
玻璃幕墙分框支承玻璃幕墙、无框全玻璃幕墙和点支承玻璃幕墙。
框支承玻璃幕墙又分为明框玻璃幕墙、隐框玻璃幕墙和半隐框玻璃幕墙(竖隐横明或横隐竖明)。
无框全玻璃幕墙又分为座底式全玻璃幕墙和吊挂式全玻璃幕墙。
点支承玻璃幕墙由玻璃面板、点支承装置和点支承结构构成。
和框支承玻璃幕墙不同,点支撑玻璃幕墙具有独立的支撑体系。
由于幕墙的钢化玻璃面板与支承结构通过不锈钢爪连接件分离开来,钢化玻璃面板之间只有防水胶,没有铝合金框架,因此,点支承玻璃幕墙建筑产生了更加通透的建筑效果。
大量的采用透明玻璃又增强了建筑物内外交融的美感,更好的将结构美展现在人们面前。
2、金属板幕墙:在我国,目前大型建筑外墙装饰多采用玻璃幕墙、干挂石板及金属板幕墙,且常为其中两种或三种组合形式共同完成装饰及维护功能。
其中金属板幕墙与玻璃幕墙从设计原理、安装方式等方面很相似。
大体可分为明框幕墙、隐框幕墙及半隐框幕墙(竖隐横明或横隐竖明)。
从结构体系划分为型钢骨架体系、铝合金型材骨架体系及无骨架金属板幕墙体系等。
3、石材板幕墙:石材板幕墙是一种独立的维护结构体系,它是利用金属挂件将石材饰面板直接悬挂在主体结构上。
当主体结构为框架结构时,应先将专门设计的独立金属骨架体系悬挂在主体结构上,然后通过金属挂件将石材饰面板吊挂在金属骨架上。
石材板幕墙又是一个完整的维护结构体系,它应该具有承受重力荷载、风荷载、地震荷载和温度应力的作用,还应能适应主体结构位移的影响,所以必须按照有关设计规范进行计算和刚度验算。
幕墙工程构件工厂化加工制作施工工艺及方法幕墙工程是建筑领域中常见的一种外墙装饰工程。
传统的幕墙工程通常需要现场施工,存在工期长、工艺复杂、施工质量难以保证等问题。
为了提高施工效率和工程质量,越来越多的幕墙工程开始采用工厂化加工制作的方法。
工厂化加工制作是指将幕墙工程所需的构件在工厂中进行预制、加工和装配,然后再将整个构件运至现场进行安装。
这种方法可以最大限度地减少现场施工的工作量,提高施工效率。
同时,在工厂化加工制作的过程中,质量可以得到有效保证,由于构件在工厂中加工精细,在安装时能够更好地满足设计要求。
此外,工厂化加工制作还可以减少对现场环境的依赖,避免了施工现场带来的噪音、尘埃等问题,对环境友好。
幕墙工程的工厂化加工制作需要经过以下几个步骤:1.设计与工艺规划:在开始工程前,需要对幕墙工程进行设计和工艺规划。
这包括确定构件的材料、型号、规格等,并制定相应的生产工艺流程。
2.材料准备:根据设计要求,在工厂中准备所需的材料。
这需要确保材料的质量符合国家标准,并进行相应的检验。
3.加工与装配:在工厂中对构件进行加工和装配。
加工包括切割、打磨、冲孔、焊接等工艺,装配包括将加工好的构件进行拼接、固定等。
4.检验与测试:在加工和装配完成后,需要对构件进行检验和测试,确保其质量符合设计要求。
这包括外观检查、尺寸测量、强度测试等。
不合格的构件需要进行调整或重新加工。
5.包装与运输:加工完成的构件需要进行包装,以确保其在运输过程中不受损。
不同的构件可能有不同的包装要求,可以使用木箱、托盘等包装方式。
6.现场安装:包装好的构件通过运输工具运至施工现场后,进行安装。
在安装过程中,需要按照设计要求进行拼接、固定等操作,确保施工质量。
通过工厂化加工制作的方法,可以减少现场施工的工作量,提高施工效率和质量。
同时,也可以减少对现场环境的依赖,保护环境。
因此,在幕墙工程中广泛采用工厂化加工制作的方法将是未来的发展趋势。
一玻璃幕墙技术交底记录一、施工工艺(幕墙)1 、加工制作:A、(1)、幕墙在加工前应对设计施工图进行认真的校核,并对已建建筑物的主体结构进行复测,按实际尺寸调整幕墙并经设计单位同意后方可加工组装。
(2)、用于加工的幕墙构件的设备、机具应使产品达到幕墙构件加工要求,量具定期进行检测。
(3)、严禁使用过期的耐侯硅酮密封胶。
B、加工精度(1)、幕墙结构杆件截料前应进行校直调整。
(2)、幕墙结构杆件截料长度尺寸的允许偏差,竖杆±1。
0mm,横杆±0。
5mm。
(3)、截料端头不应有明显加工变形,毛刺不大于0。
2mm。
(4)、孔位允许偏差为±0。
5mm;孔距允许偏差为±0.5mm;累计偏差不大于±1。
0mm。
(5)、螺纹孔的加工应符合设计要求。
(6)、各种构配件尺寸应符合规范要求。
二、幕墙安装A、安装施工准备(1)、构件搬运、吊装时不得碰撞和损伤。
(2)、构件应按品种和规格堆放在特种架子或垫子上;在室外堆放时,应采用保护措施。
(3)、构件安装前应进行检验与校正;构件应平直、规方,不得有变形和刮痕,不合格的构件不得使用. (4)、构件进行钻空、装配接头芯管,安装连接附件等辅助加工时,其加工位置尺寸应正确。
(5)、玻璃幕墙与主体结构连接的锚固件,应在主体结构施工完成,混凝土其强度达到要求后方可进行。
锚固件应牢固、位置准确,锚固件的标高偏差不应大于10mm,锚固件的位置与设计偏差不应大于20mm。
B、施工工序(1)工艺流程检验、分类堆放构件-——测量放线———楼层紧固件安装———安装固定支座(竖杆)并抄平、调整-——安装固定支座(横杆)一——安装玻璃密封条、卡———安装玻璃———打耐候胶密封———清扫———验收、交工(2)测量放线主龙骨(竖杆)由于与主体结构锚固,所以位置必须准确,次龙骨(横杆)以竖杆为依托,在竖杆布置完毕后再安装,所以对横杆的弹线可以推后进行。
在工作层上放出x、y轴线,用经纬仪定出轴线。
幕墙工程最全验收要求一、验收标准建筑幕墙工程质量验收应符合《建筑工程施工质量验收统一标准》(GB 50300—2013)和相关专业验收规范的规定。
相关专业验收规范主要有:《建筑装饰装修工程质量验收规范》(GB 50210—2018)《玻璃幕墙工程技术规范》(JGJ 102—2003)《金属与石材幕墙工程技术规范》(JGJ 133—2001)《玻璃幕墙工程质量检验标准》(JGJ/T 139—2020)《建筑幕墙通用技术要求及构造》(13J103-1—2013)二、验收程序建筑幕墙工程质量验收的划分1.建筑幕墙工程是建筑装饰装修分部工程中的一个子分部工程,由玻璃幕墙、金属幕墙、石材幕墙等主要分项工程组成。
2.分项工程可由一个或若干个检验批组成。
检验批是按同一生产条件、由一定数量样本组成的检验体。
3.建筑幕墙工程检验批的划分规定如下:(1)相同设计、材料、工艺和施工条件的幕墙工程每500~1000m2为一个检验批.不足500m2应划分为一个检验批;每个检验批每100m2应至少抽查一处,每处不得少于10m2;(2)同一单位工程的不连续的幕墙工程应单独划分检验批;(3)对于异形或有特殊要求的幕墙,检验批的划分和每个检验批的检查数量应根据幕墙的结构、工艺特点及幕墙工程的规模,由监理单位、建设单位和施工单位协商确定。
4.检验批质量验收在施工单位自检和评定的基础上,由建设(监理)单位组织项目专业质量检查员等进行验收,并按规定表格,做好检验批质量验收记录。
隐蔽工程验收1.幕墙工程应对下列隐蔽工程项目进行验收:(1)预埋件或后置埋件;(2)构件的连接节点(包括构件与主体结构的连接节点);(3)变形缝及墙面转角处的构造节点;(4)幕墙防雷装置;(5)幕墙防火构造;(6)幕墙四周、内表面与主体结构之间的封堵;(7)隐框玻璃幕墙玻璃板块的固定;(8)单元式幕墙的封口节点。
2.隐蔽工程在隐蔽以前,施工单位应及时通知建设(监理)单位检查验收。
9 幕墙工程9.1 一般规定9.1.1 本章适用于玻璃幕墙、金属幕墙、石材幕墙等分项工程的质量验收。
说明:9.1.1 由金属构件与各种板材组成的悬挂在主体结构上、不承担主体结构荷载与作用的建筑物外围护结构,称为建筑幕墙。
按建筑幕墙的面板可将其分为玻璃幕墙、金属幕墙、石材幕墙、混凝土幕墙及组合幕墙等。
按建筑幕墙的安装形式又可将其分为散装建筑幕墙、半单元建筑幕墙、单元建筑幕墙、小单元建筑幕墙等。
9.1.2 幕墙工程验收时应检查下列文件和记录:1 幕墙工程的施工图、结构计算书、设计说明及其他设计文件。
2 建筑设计单位对幕墙工程设计的确认文件。
3 幕墙工程所用各种材料、五金配件、构件及组件的产品合格证书、性能检测报告、进场验收记录和复验报告。
4 幕墙工程所用硅酮结构胶的认定证书和抽查合格证明;进口硅酮结构胶的商检证;国家指定检测机构出具的硅酮结构胶相容性和剥离粘结性试验报告;石材用密封胶的耐污染性试验报告。
5 后置埋件的现场拉拔强度检测报告。
6 幕墙的抗风压性能、空气渗透性能、雨水渗漏性能及平面变形性能检测报告。
7 打胶、养护环境的温度、湿度记录;双组份硅酮结构胶的混匀性试验记录及拉断试验记录。
8 防雷装置测试记录。
9 隐蔽工程验收记录。
10 幕墙构件和组件的加工制作记录;幕墙安装施工记录。
9.1.3 幕墙工程应对下列材料及其性能指标进行复验:1 铝塑复合板的剥离强度。
2 石材的弯曲度;寒冷地区石材的耐冻融性;室内用花岗石的放射性。
3 玻璃幕墙用结构胶的邵氏硬度、标准条件拉伸粘结强度、相容性试验;石材用结构胶的粘结强度;石材用密封胶的污染性。
9.1.4 幕墙工程应对下列隐蔽工程项目进行验收:1 预埋件(或后置埋件)。
2 构件的连接节点。
3 变形缝及墙面转角处的构造节点。
4 幕墙防雷装置。
5 幕墙防火构造。
9.1.5 各分项工程的检验批应按下列规定划分:1 相同设计、材料、工艺和施工条件的幕墙工程每500—1000m2应划分为一个检验批,不足500 m2也应划分为一个检验批。