结构实体混凝土厚度测量记录001
- 格式:doc
- 大小:285.00 KB
- 文档页数:8
SG—T055钢筋混凝土结构实体钢筋保护层厚度检验记录四川省建设厅制SG—T055填写说明一、《钢筋混凝土结构实体钢筋保护层厚度检验记录》表是混凝土结构子分部工程中结构实体检验的内容之一。
其检验范围主要是钢筋位置可能显著影响结构构件承载力和耐久性的构件,如:梁、板类构件的纵向受力钢筋。
由于悬臂构件上部受力钢筋位移可能严重削弱结构构件的承载力,故对悬臂构件上部受力钢筋保护层厚度的检验,规定其所占抽取构件数量的比例不宜小于50%。
二、钢筋保护层厚度检验的结构部位和构件数量,应符号下列要求:1.钢筋保护层厚度检验的结构部位,应由监理(建设)、施工等各方根据结构构件的重要性共同选定;2.对梁类、板类构件,应各抽取构件数量的2%且不少于5个构件进行检验;当有悬挑构件时,抽取的构件中悬挑梁类、板类构件所占比例均不宜小于50%。
三、对选定的梁类构件,应对全部纵向受力钢筋的保护层厚度进行检验;对选定的板类构件,应抽取不少于6根纵向受力钢筋的保护层厚度进行检验。
对每根钢筋,应在有代表″性的部位测量1点。
-四、钢筋保护层厚度的检验,可采用非破损或局部破损的方法,也可采用非破损方法并用局部破损方法进行校准。
当采用非破损方法检验蚶,所使用的检测仪器应经过计量检验,检验操作应符合相应规程的规定。
钢筋保护层厚度检验的检测误差不应大于1mm。
五、钢筋保护层厚度检验时,纵向受力钢筋的保护层厚度的允许偏差,对梁类构件为:+10 mm,-7mm;对选定的板类构件为:+8mm,-5mm。
六、对梁类、板类构件纵向受力钢筋的保护层厚度应分别进行验收。
结构实体保护层厚度验收合格应符合下列规定:1.当全部钢筋的保护层厚度检验的合格点率为90%及以上时,钢筋保护层厚度的检验结果应判定为合格;2.当全部钢筋的保护层厚度检验的合格点率小于90%但不小于80%时,可在抽取相同数量的构件进行检验;当按两次抽样总和计算的合格点率为90%及以上时,钢筋保护层厚度的检验结果仍应判定为合格;3.每次抽样检验结果中不合格点的最大偏差均不应大于规定允许偏差的1.5倍。
结构实体钢筋保护层厚度检验记录
结构实体钢筋保护层厚度检验记录
结构实体钢筋保护层厚度检验记录
混凝土结构子分部工程
结构实体钢筋保护层厚度验收记录
注:1、本表中梁类、板类构件数量应根据实际情况确定;
2、表中对每一构件可填写6根钢筋的保护层厚度实测值,钢筋的具体数量应根据实际情况确定;
3、钢筋保护层厚度检验的结构部位、构件数量、检验方法和验收符合规范节和附录E的规定;
4、钢筋保护层厚度检验的结构部位、构件数量、检测钢筋数量和位置等记录和资料应作为本表的附件。
厦门市建设工程质量安全监督站制
混凝土结构子分部工程
结构实体钢筋保护层厚度验收记录
注:1、本表中梁类、板类构件数量应根据实际情况确定;
2、表中对每一构件可填写6根钢筋的保护层厚度实测值,钢筋的具体数量应根据实际情况确定;
3、钢筋保护层厚度检验的结构部位、构件数量、检验方法和验收符合规范节和附录E的规定;
4、钢筋保护层厚度检验的结构部位、构件数量、检测钢筋数量和位置等记录和资料应作为本表的附件。
厦门市建设工程质量安全监督站制。
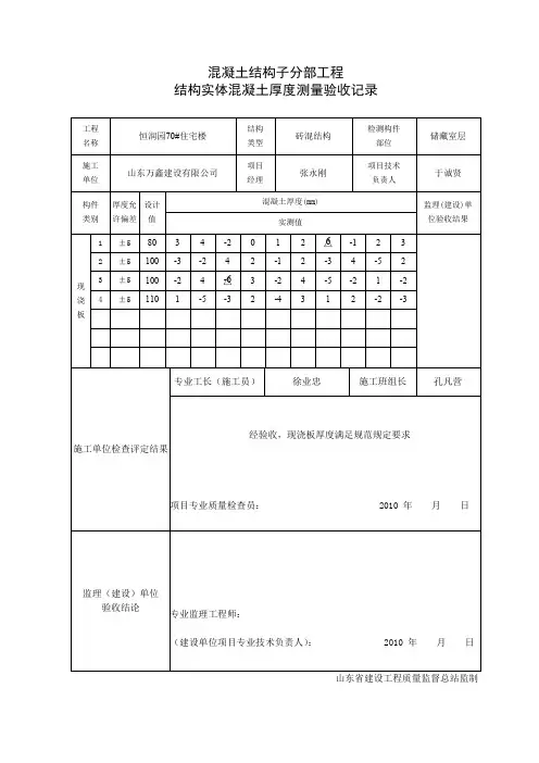
结构实体混凝土厚度测量验收记录
山东省建设工程质量监督总站监制
结构实体混凝土厚度测量验收记录
山东省建设工程质量监督总站监制
结构实体混凝土厚度测量验收记录
山东省建设工程质量监督总站监制
结构实体混凝土厚度测量验收记录
山东省建设工程质量监督总站监制
结构实体混凝土厚度测量验收记录
山东省建设工程质量监督总站监制
结构实体混凝土厚度测量验收记录
山东省建设工程质量监督总站监制
结构实体混凝土厚度测量验收记录
山东省建设工程质量监督总站监制
结构实体混凝土厚度测量验收记录
山东省建设工程质量监督总站监制。
SG—TO50 钢筋混凝土结构实体钢筋保护层厚度检验记录四川省建设厅制SG—T050填写说明一、《钢筋混凝土结构实体钢筋保护层厚度检验记录》表是混凝土结构子分部工程中结构实体检验的内容之一。
其检验范围主要是钢筋位置可能显著影响结构构件承载力和耐久性的构件,如:梁、板类构件的纵向受力钢筋。
由于悬臂构件上部受力钢筋位移可能严重削弱结构构件的承载力,故对悬臂构件上部受力钢筋保护层厚度的检验,规定其所占抽取构件数量的比例不宜小于50%。
二、钢筋保护层厚度检验的结构部位和构件数量,应符号下列要求:1.钢筋保护层厚度检验的结构部位,应由监理(建设)、施工等各方根据结构构件的重要性共同选定;2.对梁类、板类构件,应各抽取构件数量的2%且不少于5个构件进行检验;当有悬挑构件时,抽取的构件中悬挑梁类、板类构件所占比例均不宜小于50%。
三、对选定的梁类构件,应对全部纵向受力钢筋的保护层厚度进行检验;对选定的板类构件,应抽取不少于6根纵向受力钢筋的保护层厚度进行检验。
对每根钢筋,应在有代表性的部位测量1点。
-四、钢筋保护层厚度的检验,可采用非破损或局部破损的方法,也可采用非破损方法并用局部破损方法进行校准。
当采用非破损方法检验蚶,所使用的检测仪器应经过计量检验,检验操作应符合相应规程的规定。
钢筋保护层厚度检验的检测误差不应大于1mm。
五、钢筋保护层厚度检验时,纵向受力钢筋的保护层厚度的允许偏差,对梁类构件为:+10 mm,-7mm;对选定的板类构件为:+8mm,-5mm。
六、对梁类、板类构件纵向受力钢筋的保护层厚度应分别进行验收。
结构实体保护层厚度验收合格应符合下列规定:1.当仓部钢筋的保护层厚度检验的合格点率为90%及以上时,钢筋保护层厚度的检验结果应判定为合格;2.当全部钢筋的保护层厚度检验的合格点率小于90%但不小于80%时,可在抽取相同数量的构件进行检验;当按两次抽样总和计算的合格点率为90%及以上时,钢筋保护层厚度的检验结果仍应判定为合格;3.每次抽样检验结果中不合格点的最大偏差均不应大于规定允许偏差的1.5倍。
结构实体混凝土厚度测量验收记录
山东省建设工程质量监督总站监制
结构实体混凝土厚度测量验收记录
山东省建设工程质量监督总站监制
结构实体混凝土厚度测量验收记录
山东省建设工程质量监督总站监制
结构实体混凝土厚度测量验收记录
山东省建设工程质量监督总站监制
结构实体混凝土厚度测量验收记录
山东省建设工程质量监督总站监制
结构实体混凝土厚度测量验收记录
山东省建设工程质量监督总站监制
结构实体混凝土厚度测量验收记录
山东省建设工程质量监督总站监制
结构实体混凝土厚度测量验收记录
山东省建设工程质量监督总站监制。