阳光算量算消防喷淋管道操作帮助文档
- 格式:doc
- 大小:368.00 KB
- 文档页数:10
整体解决方案系列消防喷洒水喷雾系统管道安装施工方法措施(标准、完整、实用、可修改)编号: FS-QG-57117 消防喷洒水喷雾系统管道安装施工方法措施Pipeli ne in stallatio n con struct ion measures for fire spri nkler waterspray system说明:为明确各负责人职责,充分调用工作积极性,使人员队伍与目标管理科学化、制度化、规范化,特此制定消防喷洒、水喷雾系统管道安装施工方法工艺流程安装准备-干管安装-报警阀安装-立管安装-喷洒分层干支管、消火栓及支管安装-水流指示器、消防水泵、高位水箱、水泵结合器安装-管道试压-管道冲洗-喷洒头支管安装(系统综合试压及冲洗)-报警阀配件、喷洒头安装—系统通水调试技术要求(1)消防喷洒系统采用热镀锌钢管,大于DN100采用沟槽式管接头连接。
小于或等于DN100的管道采用螺纹连接,系统设计压力低区为 1.0MPa,高区为1.0MPa。
(2)水喷雾系统采用热镀锌钢管,大于DN100采用沟槽式管接头连接。
小于或等于DN10 0的管道采用螺纹连接,系统设计压力为0.7MPa,采用对夹式蝶阀(PN1.6)。
(3)沟槽式连接的要求(应符合施工验收规范GB50243- 2002 标准P64)。
沟槽式连接管道的沟槽及支、吊架的间距公称直径(mm)沟槽深度(mm)允许偏差(mm)支、吊架的间距(m)端面垂直度允许偏差(mm)65〜1002.200〜+0.33.51.0125〜1502.204.21.52002.504.2225~2502.505.03003.00~+0.55.0注:1.连接管端面应平整光滑、无毛刺;沟槽过深,应作为废品,不得使用。
2.支吊架不得支撑在连接头上,水平管的任意两个连接头之间必有支吊架。
(4)管材、管件应进行现场外观检查,并应符合下列要求:*表面应无裂纹、缩孔、夹渣、折迭和重皮;*螺纹密封面应完整、无损伤、无毛刺;镀锌钢管内外表面的镀锌层不得有脱落、锈蚀等现象;*非金属密封垫片应质地柔韧、无老化变质或分层现象,表面应无折损、皱纹等缺陷;*螺纹法兰的螺纹应完整无损伤。
阳光物业消防设备操作工作程序5.8.1消防报警:5.8.1.1发现消防柜报警后,应在消防电脑或消防柜上按“消声”键然后检查消防柜显示设备编号、和消防电脑上显示位置通知巡楼岗.5.8.1.2如遇火灾,在消防电脑上,消防泵控制柜按下“自动”键.5.8.1.3如无火灾,在消防电脑上按“主机复位”键,或在消防柜上按操作密码按下“复位”键.5.8.2系统自检:5.8.2.1消防柜按下密码和“复位”键.5.8.2.2连动柜按下“自检”键,查看设备故障、显示灯、自检总数是否正常.5.8.3消防泵:5.8.3.1自动启动:消防泵控制柜处于“自动”位置,当“火险”时在楼层击碎“消火栓报警盒”报警,联动柜发出声光报警,同时消防泵自动启动.5.8.3.2手动启动:在消防泵控制柜上把选择“自动/手动置于手动”上,按启动钮即可“手动”启动消防泵.5.8.4 喷淋泵5.8.4.1 自动启动:喷淋泵控制柜处于“自动”位置,当楼层发生火灾时喷淋头爆裂,水流掣动作联动发出声光报警,同时喷淋泵自动启动.5.8.4.2手动启动:在喷淋泵控制柜上把“自动/手动”选择开关置于“手动”位置上,按启动钮即可“手动”启动喷淋泵.5.8.5消防送风风机5.8.5.1自动启动:消防送风风机控制柜于“自动”位置,当起火时,在楼层打开送风口(也可直接在联动柜上按正压送风口按钮,开启送风口),联动柜发出声光报警,同时送风风机启动送风.5.8.5.2手动启动:在消防送风风机控制柜上把“自动/手动”选择开关置于“手动”位置上,按启动钮即可“手动”启动送风机.5.8.6消防排烟机5.8.6.1自动启动:当打开某组烟阀时,联动柜发出声光报警,同时排烟风机自动启动.5.8.6.2手动启动:在打开联动柜上直接按“启动”钮排烟风机投入运行.5.8.7消防广播5.8.7.1在消防柜上,按某楼层消防广播按钮,指示灯亮.5.8.7.2在广播开关接通,直接用话筒对该楼层广播.5.8.7.3一旦发生火警需要进行疏散时,放“疏散指挥”录音带进行广播引导疏散。
消防喷淋管道施工方案一、前言消防喷淋系统作为建筑物消防设施中的重要组成部分,其施工质量直接关系到建筑物内部火灾灭火效果。
消防喷淋管道施工方案的制定和执行至关重要。
本文将介绍一套完整的消防喷淋管道施工方案,以确保系统的稳定运行。
二、施工准备在进行消防喷淋管道的施工前,需做好以下准备工作:1.制定详细的施工计划和方案,包括施工进度、材料选用等。
2.进行现场勘查,确保施工区域无遮挡物,地面平整。
3.准备好需要使用的消防喷淋管道、接头、阀门等相关材料和设备。
4.配备施工人员,包括管道安装工、电工等具备相关资质的人员。
三、施工步骤3.1 管道铺设1.根据消防喷淋系统设计图纸确定管道的布置位置和连接方式。
2.将消防喷淋管道逐段铺设在设计位置上,连接处需采用专用接头,并保证连接牢固。
3.管道的弯曲处需采用专用弯头,并保证管道连接紧密,无漏水现象。
3.2 阀门和喷头安装1.在管道的适当位置安装阀门,根据实际情况确定开闭方向。
2.安装消防喷头,保证喷头间距均匀,覆盖范围全面。
3.3 系统试压1.安装完毕后,进行系统试压,检查管道和连接处是否存在漏水情况。
2.压力测试完成后,确认管道连接牢固且无渗漏现象。
四、质量验收完成消防喷淋管道施工后,需进行全面的质量验收,确认系统符合相关标准要求。
验收重点如下:1.检查管道连接处是否牢固,无渗水现象。
2.确认阀门和喷头安装位置准确,功能正常。
3.进行系统试运行,检查系统运行状态及功能是否正常。
五、施工总结消防喷淋管道施工是一项细致的工作,需要施工人员严格按照施工方案操作,保证施工质量。
本文所提供的消防喷淋管道施工方案是基于实际操作的总结,希望能为施工人员提供一定的参考,确保消防喷淋系统的正常运行。
关于喷淋计算的方法(适用于天正、鸿业给排水作用面积法)1、根据建筑类别,依据50014-2001(2005)版第五章设计基本参数查的设计建筑的作用面积A。
2、根据50014-2001(2005)版9.1.2 水力计算选定的最不利点处作用面积宜为矩形,其长边应平行于配水支管,其长度不宜小于作用面积平方根的1.2倍。
设矩形唱吧为a,短边为b,则有A=ab,a=1.2√A=>a=1.44b 即作用面积的长边至少是短边的1.44倍,为了便于设计,近似取a=1.5b。
3、根据查得的A及a、b的关系确定a、b值,使用CAD命令(rec)绘制矩形框,框的长边为a,短边为b,此矩形为最不利喷头的作用面积。
4、根据实际情况寻找最远最不利喷头,然后将绘制好的矩形框的一个角点放置在喷头的中心,(注意矩形的长边一定要平行于该最不利点喷头的配水支管)然后让矩形框由喷头的中心向离喷头最近的障碍物分别进行X及Y方向的移动,移动距离据均为该危险等级喷头间距(参见0014-2001(2005)版第七章喷头布置第一节内容)的0.5倍。
5、然后使用天正给排水软件在已经绘制完自喷平面图且所有管路与喷头均正确连接,喷淋系统已经预赋管径的情况下进行喷淋计算。
计算时注意流速控制(9.2.1 管道内的水流速度宜采用经济流速,必要时可超过5m/s,但不应大于10m/s。
用经济流速是给水系统设计的基础要素,本条在原规范第7.1.3条基础上调整为宜采用经济流速,必要时可采用较高流速的规定。
采用较高的管道流速,不利于均衡系统管道的水力特性并加大能耗;为降低管道摩阻而放大管径、采用低流速的后果,将导致管道重量的增加,使设计的经济性能降低。
原规范中关于“管道内水流速度可以超过5m/s,但不应大于10m /s”的规定.是参考下述资料提出的:我国《给排水设计手册》(第三册)建议,管内水的平均流速,钢管允许不大于5m/s;铸铁管为3m/s;原苏联规范中规定,管径超过40mm的管内水流速度,在钢管中不应超过10m/s,在铸铁管中不应超过3~5m/s;德国规范规定,必须保证在报警阀与喷头之间的管道内,水流速度不超过10m/s,在组件配件内不超过5m/s。
喷淋系统规范预算操作流程一、流程图二、操作说明1、如何利用天正软件将图纸导出到t3格式?答:首先,用天正软件(给排水、电气、暖通)打开原图纸;然后,用天正软件左侧导航栏【文件发布】下的【图形导出】工具,默认保存为t3格式的dwg文件。
2、如何检查图纸绘制比例与实际比例是否一致?答:在图纸中手动绘制一条直线,如果直线的长度与实际的长度一致,则说明绘制比例与实际比例一致。
一般情况下,外管网的绘制中图纸中1mm表示实际中的1m。
这时候需要使用【工具】菜单下【图样缩放】工具。
详情参考“绘图比例的调整.rar”视频。
3、如何打开喷淋图层?答:利用宇峰软件下侧快捷按钮的“关闭指定图层”,或者“关闭其它图层”控件。
【关闭指定图层】,点击该控件后,鼠标选择要关闭图层上的对象(结构、墙体等),鼠标右键。
【关闭其它图层】,点击该控件后,鼠标选择要显示的所有对象(喷淋设备、管线、标识),鼠标右键。
4、如何规范喷淋设备?答:如果原图纸中设备是用图块表示,利用【图块批量处理】工具;如果是用非图块表示,利用【图生成块】、【图块替换】工具。
参考“如何规范统计喷淋设备?.rar”视频。
5、喷头插入点不在图形中心,如果规范?答:利用【图块】菜单下【插入点居中】工具操作:点击插入点需要居中的图块设备,鼠标右键。
目的:管线在喷头处打断与对接时,打断点或对接点在喷头中心点。
6、喷头插入点不在管线上,如何规范?答:利用【图块】菜单下【喷头位置调整】、【相对位置调整】工具【喷头位置调整】:指定要调整的图块设备,然后选择调整范围,鼠标右键。
【相对位置调整】:指定要调整的图块设备,指定要调整的相对位置,然后选择调整范围,鼠标右键。
目的:管线在喷头处打断与对接时,打断点或对接点在喷头中心点。
7、对于上喷头,如何将喷头两端直线对接到喷头中心?答:利用【管线】菜单下【喷淋管道】下【设备处对接】工具,或者左侧的快捷按钮。
操作:首先指定要对接的设备,然后选择对接的范围,再鼠标右键。
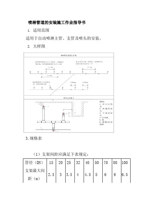
喷淋管道的安装施工作业指导书1.适用范围适用于自动喷淋主管、支管及喷头的安装。
2.大样图3.规格表(1)支架间距应满足下表规定:管径(DN)15 20 25 32 40 50 70 80 100 支架最大间2.5 33.5 44.5 5 6 6 6.5 距(m)(2)管道的中心线与梁、柱、楼板等的最小距离(mm)应符合下表规定管径(DN) 25 32 40 50 70 80 100 125 150 200 最小间距(mm)40 40 50 60 70 80 100 125 150 200 (3)喷头溅水盘高于梁底、通风管道腹面的最大垂直距离(直立与下垂喷头)喷头与梁、通风管道、排管、桥架的水平距离 a(mm)喷头溅水盘高于梁底、通风管道、排管、桥架腹面的最大垂直距离b (mm)a<300 0300≤a<600 90600≤a<900 190900≤a<1200 3001200≤a<1500 420a≥1500 4604.工艺核心要义叙述(1)闷顶、吊顶高度超过 800mm 时,设上下喷;格栅吊顶可按此条执行,下喷宜设集热盘;(2)喷头与梁的距离见喷头安装 A;(3)超过 1200mm 的成排管道或风管应设下喷,见喷头安装 B、C、D;(4)采用闭式系统场所的最大净空高度为 8m;(5)管道支架、吊架的安装位置不应妨碍喷头的喷水效果;管道支架、吊架与喷头之间的距离不宜小于 300mm;与末端喷头之间的距离不宜大于750mm;(6)配水支管上每一直管段、相邻两喷头之间的管段设置的吊架均不宜少于 1 个;当喷头之间距离小于 1.8m 时,可隔段设置吊架,但吊架的间距不宜大于 3.6m;(7)当管道的公称直径等于或大于 50mm 时,每段配水干管或配水管设置防晃支架不应少于 1 个;当管道改变方向时,应增设防晃支架;(8)竖直安装的配水干管应在其始端和终端设防晃支架或采用管卡固定,其安装位置宜在距地面或楼面的距2.0m 高处。
第一项:消防专业之喷淋系统操作流程大家有了前面电气专业操作流程和常遇问题解决方案的基础,消防专业的识别与计算可谓是小菜一碟,之前繁杂的喷头的数取只需要轻轻一按,便可以轻松实现;大量而繁琐的喷淋管道的量取只需要我们设置一下,不论是标准设计图还是按照危险等级设计的非标准图,利用我们的“标识识别”和“自动识别”便可以轻松搞定。
分图的操作和基础的操作在这里就不做赘述了,直接进入正题开始“轻轻一按,轻松识别,喷头数量全知道”。
喷头数量的识别---“轻轻一按,数量自现”首先切换到“消防专业”--“喷头”点击“图例识别”--垃框选中我们要识别的喷头右键确认,喷头数量全知道喷头数量的识别我相信大家都没有问题了。
2.喷淋管道的识别“选择识别”和“选择识别立管”是识别管线的两个基本功能,对于喷淋系统同样适用,相信大家有了前面的电气流程识别和常遇问题解决方案的积累学习,这部分都没有问题了。
重点介绍两个非常好用的功能--“标识识别”和“自动识别”(适用版本为136版本),快速实现我们图纸中喷淋支管的识别与计算。
2.1 管道识别--“标识识别”切换到消防专业--“管道”--点击“标识识别”按鼠标左键选择一个标识和对应的一段管线,右键确认弹出对话框如下图所示在第一行“请指定横管对应的构件”处,点击按钮,弹出新建构件对话框,点击“确认”,结果如图所示再次点击“确定”(第二行“请指定短立管对应的构件”默认为DN25,需要注意的短立管指的是与喷头相连的那段竖直段小管,一般均为DN25)识别结果如下图所示,所有标注有DN25的管道均可以被识别依次识别各种规格的管道,整张图很快便可以识别完。
需要说明的是:1.标识识别适用于图纸设计的比较标准的时候,每一道管道在图纸上都标注了规格型号,我们可以利用“标识识别”快速将整张图上的管道识别完毕;2.我们在识别管道之前可以把管道信息定义完毕,这样可以减少我们定义构件的时间,从而节约大家的计算时间。
消防工程算量说明一、消火栓系统1、管道分不同规格分别计算(如:DN100,DN65)2、一般情况下DN≥100为沟槽连接,采用沟槽连接的管子需要数沟槽件。
(2.1)沟槽件中卡箍的计算:数出各沟槽件(如弯头、三通、四通、变径、机械三通等)卡箍件的数量=弯头*2+三通*3+四通*4+变径*1+机三*0+管道长度/3+阀门个数*23、阀门:蝶阀、止回阀、自动排气阀、截止阀、压力表等区分不同规格按个计算(如:DN100蝶阀、DN25自动排气阀)4、消火栓箱计算时区分单栓、双栓、减压稳压与普通型的以套为计算单位,箱内带灭火器的灭火器计入箱内,有单独摆设的灭火器单独计算(如:减压稳压单栓消火栓箱(带2具3kg 灭火器);普通双栓消火栓(带2具4kg灭火器))。
5、套管的计算:穿地下式的采用刚性防水套管、穿墙及楼板的采用一般穿墙套管。
6、保温及保护层=需要保温的管道长度*系数/1007、电伴热以米计算。
二、喷淋系统1、喷淋管道、沟槽件、阀门、套管、保温、电伴热的算法同消火栓。
2、喷淋支管:楼上部分按0.5米计算,车库按0.8米计算。
三、自动报警系统1、信号线:感烟探测器、感温探测器、消火栓按钮、手动报警按钮、声光、模块、火灾显示盘。
2、电源线:模块、声光、火灾显示盘。
3、启泵线:消火栓按钮、消防泵控制箱。
4、线:手动报警按钮、。
手报特殊,看图纸是否有插孔。
5、广播线:音箱6、多线联动控制线:消火栓泵控制箱、喷淋泵控制箱、风机控制箱。
7、风机控制线、水位显示仪线单独到消防控制室。
8、回路线:各接线箱到消防控制室的所有线,一般走桥架。
以上各种线型算完后数出各设备数量,看设备连线类型,每设备按预留0.4米考虑,再乘以系数1.2。
各线的工程量=(算出来的量+设备数*0.4)*1.2例如:信号线算量120米,电源线50米,启泵线65米、感烟45个、温感20个、消火栓10个、手报15个、声光3个、火灾显示盘2个。
信号线=(120+(45+20+10+15+3+2)*0.4)*1.2电源线=(50+(3+2)*0.4)*1.2启泵线=(65+10*0.4)*1.2四、通风系统1、风管按风管中心线计算,有大小头及三通的地方算至型号大的风管里。
喷淋管道施工方案喷淋管道施工方案一、施工前准备工作:1. 确认施工图纸及相关技术要求,准备施工材料:喷淋管道、管件、支架、阀门等。
2. 清理施工现场,确保施工区域没有杂物和障碍物,确保施工安全。
3. 配置所需的施工工具和设备,包括焊接设备、切割机械、起重设备等。
二、管道细部施工方案:1. 喷淋管道的安装应按照施工图纸要求进行,保证安装的准确性和稳固性。
2. 根据施工图纸要求将管道切割成所需的长度,并进行倒角处理。
3. 进行管道的弯曲,需要使用专业的管道弯管机进行弯曲,并确保弯曲角度和半径符合要求。
4. 使用管道连接件将管道进行连接,连接处需进行螺纹或焊接处理,确保连接牢固。
5. 根据施工图纸要求,在管道上安装喷头和阀门,确保安装的准确性和稳固性。
6. 安装喷淋管道的支架,在施工过程中要注意支架的稳固性和牢固性。
三、防腐处理:1. 在管道安装完毕后对管道进行防腐处理,以延长管道的使用寿命。
2. 防腐处理可采用涂覆防腐漆或喷涂防腐剂的方式进行,根据施工要求选择合适的防腐材料。
四、安全措施:1. 在施工过程中,必须严格按照相关安全操作规程进行,穿戴好个人防护用品,确保施工人员的安全。
2. 施工现场周围要做好警示标志和防护措施,确保施工现场的安全。
3. 在进行喷淋管道的焊接作业时,必须进行明火防护,设置防火屏障,并配备灭火器材。
五、验收及保养:1. 管道安装完毕后,进行细部检查,确保管道连接处无漏水现象。
2. 进行管道试压,确保管道的强度和密封性。
3. 对已安装的喷淋管道进行清洗,确保管道内无杂物存留。
4. 完成施工后,做好相关档案整理、验收手续,确保施工质量和安全性。
5. 对已安装的喷淋管道定期进行检查和保养,保证其正常运行。
以上就是喷淋管道施工方案的具体内容,希望能对您有所帮助。
喷淋设备操作说明开启喷淋设备前的准备工作:1. 检查设备:请仔细检查喷淋设备的所有零部件,确保其完好无损。
特别要检查喷嘴、管道和电源线是否有异物堵塞或损坏。
2. 填充液体:根据实际需要,将适量的液体填充到喷淋设备的储液箱中,确保液位不超过设备规定的最大容量。
操作步骤:1. 连接电源:将喷淋设备的电源线插入正确的电源插座,并确保连接牢固。
2. 打开电源开关:将电源开关切换到“ON”(开启)位置,此时设备将开始供电。
3. 控制设备:根据操作面板上的指示,选择所需的喷淋方案。
常见的喷淋方式包括连续喷射、定时喷射和循环喷射。
请根据实际需要选择合适的模式,并按下相应的按钮开始操作。
4. 调节喷淋参数:根据实际需要,调节喷淋设备的喷射强度、角度和范围等参数。
通常可以通过旋钮或按钮进行调节,具体的操作方法可参考设备的用户手册。
5. 开启喷淋:当所有设备设置完成后,按下喷淋开关即可开始喷淋。
请注意站在安全的位置,以避免被喷淋的液体溅到身上。
6. 结束喷淋:喷淋完成后,按下停止开关或将电源开关切换到“OFF”(关闭)位置,停止供电。
等待喷淋设备冷却后,可进行下一步的维护和清洁工作。
维护和清洁:1. 切断电源:在进行维护和清洁前,务必切断喷淋设备的电源,确保安全操作。
2. 清洁喷嘴:使用清水或适当的清洁剂清洗喷嘴,去除可能堵塞的污物和杂质。
3. 检查管道:定期检查喷淋设备的管道,确保没有堵塞或损坏。
如果有需要,及时进行修复或更换。
4. 保养设备:定期检查设备的所有零部件,如电源线、开关和控制面板等。
如发现有问题或故障,请及时联系专业维修人员进行修复。
注意事项:1. 安全操作:在操作喷淋设备时,请务必穿戴好个人防护装备,如手套、护目镜和防护服等。
避免直接接触化学物质或喷淋液体。
2. 防护措施:根据实际喷淋情况,设置合适的防护屏障或收集杯,以避免喷淋液体对周围环境造成污染或损害。
3. 操作环境:请确保操作环境通风良好,避免在密闭空间中使用喷淋设备。
消防喷淋管道施工方案1. 引言消防喷淋管道是建筑物消防系统中的重要组成部分,负责在火灾发生时提供散热、冷却和灭火的功能。
本文档旨在介绍消防喷淋管道的施工方案,包括施工前准备、材料选择、施工步骤和质量控制等内容。
2. 施工前准备在进行消防喷淋管道施工之前,需要进行以下准备工作:2.1 工程规划根据建筑物的结构和消防系统设计图纸,确定消防喷淋管道的走向、分布和连接方式等,制定详细的施工方案。
2.2 施工材料准备根据施工方案,准备好所需的消防喷淋管道、管件、阀门等材料,并进行质量检查,确保符合相关标准和规范要求。
2.3 施工人员培训培训施工人员,使其熟悉消防喷淋管道的施工工艺和安全操作要求,提高工作效率和施工质量。
2.4 施工现场准备清理施工现场,确保施工区域干净整洁,确保施工过程中的安全与顺利进行。
3. 材料选择3.1 管道材料消防喷淋管道一般使用无缝钢管、焊接钢管或不锈钢管等材料。
选择管道材料时,需考虑其耐腐蚀性、抗压性能和可焊性等因素,并符合相关的国家标准和规范要求。
3.2 管件材料管件材料应与管道材料相匹配,并具有良好的密封性能。
常用的管件材料包括碳钢、铸铁和不锈钢等。
3.3 阀门材料选择阀门时,要考虑其密封性能、耐高温和耐腐蚀性能,以及操作的灵活性。
常用的阀门材料有球阀、闸阀和蝶阀等。
4. 施工步骤4.1 管道布置根据施工方案,在建筑物内部和外部选择合适的位置,布置消防喷淋管道。
布置时需注意管道的坡度、高度和间距等,确保水流畅通和均匀分布。
4.2 管道连接使用适当的管件将管道连接起来。
在焊接或连接过程中,要保证连接的牢固性和密封性,避免出现管道漏水或断裂的情况。
4.3 安装阀门按照施工方案,在管道上安装适当的阀门,包括主控阀、分支阀和放水阀等。
安装阀门时,要确保其操作灵活、密封可靠,并与管道连接紧密。
4.4 制作支架和吊架根据需要,制作并安装支架和吊架,确保消防喷淋管道的稳定性和安全性。
4.5 管道保温和防腐处理对消防喷淋管道进行保温和防腐处理,以提高其耐用性和使用寿命。
消防工程算量说明一、消火栓系统1、管道分不同规格分别计算(如:DN100,DN65)2、一般情况下DN≥100为沟槽连接,采用沟槽连接的管子需要数沟槽件。
(2.1)沟槽件中卡箍的计算:数出各沟槽件(如弯头、三通、四通、变径、机械三通等)卡箍件的数量=弯头*2+三通*3+四通*4+变径*1+机三*0+管道长度/3+阀门个数*23、阀门:蝶阀、止回阀、自动排气阀、截止阀、压力表等区分不同规格按个计算(如:DN100蝶阀、DN25自动排气阀)4、消火栓箱计算时区分单栓、双栓、减压稳压和普通型的以套为计算单位,箱内带灭火器的灭火器计入箱内,有单独摆设的灭火器单独计算(如:减压稳压单栓消火栓箱(带2具3kg灭火器);普通双栓消火栓(带2具4kg灭火器))。
5、套管的计算:穿地下式的采用刚性防水套管、穿墙及楼板的采用一般穿墙套管。
6、保温及保护层=需要保温的管道长度*系数/1007、电伴热以米计算。
二、喷淋系统1、喷淋管道、沟槽件、阀门、套管、保温、电伴热的算法同消火栓。
2、喷淋支管:楼上部分按0.5米计算,车库按0.8米计算。
三、自动报警系统1、信号线:感烟探测器、感温探测器、消火栓按钮、手动报警按钮、声光、模块、火灾显示盘。
2、电源线:模块、声光、火灾显示盘。
3、启泵线:消火栓按钮、消防泵控制箱。
4、电话线:手动报警按钮、电话。
手报特殊,看图纸是否有电话插孔。
5、广播线:音箱6、多线联动控制线:消火栓泵控制箱、喷淋泵控制箱、风机控制箱。
7、风机控制线、水位显示仪线单独到消防控制室。
8、回路线:各接线箱到消防控制室的所有线,一般走桥架。
以上各种线型算完后数出各设备数量,看设备连线类型,每设备按预留0.4米考虑,再乘以系数1.2。
各线的工程量=(算出来的量+设备数*0.4)*1.2例如:信号线算量120米,电源线50米,启泵线65米、感烟45个、温感20个、消火栓10个、手报15个、声光3个、火灾显示盘2个。
第1篇一、喷淋管施工工程量概述喷淋管施工工程量主要包括以下几部分:1. 喷淋管道长度:根据设计图纸,按照不同规格的喷淋管道长度进行计算,汇总出总长度。
2. 管道附件:包括信号蝶阀、水流指示器、减压环、末端试水阀、末端试水装置等,按照设计要求进行计算。
3. 管道支架:喷淋干管支架采用双吊架固定,支管采用单吊架固定,根据设计要求进行计算。
4. 喷淋头:喷淋头分为吊顶、无吊顶、侧壁式,其中直立式喷淋头应用最为广泛,根据设计要求进行计算。
5. 喷淋管材质:一般采用镀锌钢管,按照设计要求进行计算。
6. 喷淋管连接方式:干管和支管采用沟槽连接,支管采用螺纹连接,按照设计要求进行计算。
二、喷淋管施工工程量计算方法1. 喷淋管道长度计算:根据设计图纸,按照不同规格的喷淋管道长度进行计算,汇总出总长度。
2. 管道附件计算:根据设计图纸,按照不同规格的管道附件进行计算,汇总出总数量。
3. 管道支架计算:根据设计图纸,按照不同规格的管道支架进行计算,汇总出总数量。
4. 喷淋头计算:根据设计图纸,按照不同规格的喷淋头进行计算,汇总出总数量。
5. 喷淋管材质计算:根据设计图纸,按照不同规格的喷淋管材质进行计算,汇总出总数量。
6. 喷淋管连接方式计算:根据设计图纸,按照不同规格的喷淋管连接方式进行计算,汇总出总数量。
三、损耗系数在实际施工过程中,由于施工损耗、材料损耗等原因,喷淋管施工工程量需要考虑损耗系数。
一般规定,管道工程量的损耗系数为1.1,水的损耗系数为1.15。
例如,若图纸要求DN150镀锌钢管累计总长10000米,则实际耗用量为10000×1.15=11500米。
四、注意事项1. 在计算喷淋管施工工程量时,要严格按照设计图纸进行,确保工程量的准确性。
2. 在施工过程中,要充分考虑损耗系数,确保工程材料的充足。
3. 在施工过程中,要严格按照施工规范进行,确保工程质量和安全。
总之,喷淋管施工工程量是消防工程中的一个重要环节,需要我们认真对待。
消防喷淋管道布线方案1. 概述本文档旨在提供一种针对消防喷淋系统的管道布线方案。
消防喷淋系统是建筑物中的重要防火设备,正确的管道布线可以确保系统的正常运行和有效灭火。
2. 管道布线原则在进行消防喷淋管道布线时,应遵循以下原则:- 安全性原则:确保管道系统的安全可靠性,避免泄漏和损坏。
- 效率原则:优化布线方案,减少管道长度和连接点数量,提高系统的效率。
- 维护性原则:方便对管道进行维修和检修,确保系统的可维护性。
3. 布线方案步骤以下是针对消防喷淋管道布线的一般步骤:3.1 确定布线区域首先,需要根据建筑物的结构和使用要求确定消防喷淋系统覆盖的区域。
这些区域可以包括平面布局和垂直布局。
3.2 设计管道路径在布线区域内,需要确定管道的路径。
在确定路径时,应考虑以下因素:- 利用结构空间:尽量利用建筑物的结构空间来容纳管道,减少对使用空间的影响。
- 避免干扰:避免与其他管道、设备或电气线路相冲突。
- 管道绝缘:在需要穿越隔热层或其他障碍物时,应采取绝缘措施,防止热量传导或外部干扰。
- 垂直布局:对于多层建筑,应优先选择垂直布局,以确保各楼层的覆盖。
3.3 确定管道规格和连接方式根据设计需求和消防规范,确定管道的规格和连接方式。
管道规格应满足水流量和喷淋要求,连接方式应确保密封性和稳固性。
3.4 安装和测试按照设计方案进行管道的安装和连接,然后进行系统的测试和调试,确保系统的正常运行。
4. 管道布线方案的注意事项在进行消防喷淋管道布线时,需要注意以下事项:- 遵守消防规范和建筑法规,确保布线符合法律要求。
- 检查和维护管道系统的定期测试和检查计划。
- 形成完整的管道图纸和技术文件,方便后续维护和改造。
5. 总结消防喷淋管道布线方案是确保消防喷淋系统正常工作的重要环节。
通过遵循安全性、效率性和维护性原则,制定合理的布线方案,可以提高系统的可靠性和灭火效果。
消防喷淋管道安装指南1. 引言本文档旨在提供一份消防喷淋管道的安装指南,以确保消防系统正常运行并保障人员安全。
本指南适用于消防安全设备供应商、消防设计人员和施工人员,旨在为他们提供关于消防喷淋管道安装的基本要求和指导。
2. 设备准备在开始安装消防喷淋管道之前,请确保您准备了以下设备和材料:- 喷淋头和支架- 管道连接件和密封材料- 管道支架和吊架- 消防水泵和管道阀门- 管道布局图和相关设计文件- 建筑结构图和相关施工文件3. 安装步骤请按照以下步骤进行消防喷淋管道的安装:3.1 准备工作在安装过程中,确保以下准备工作已经完成:- 检查施工图纸和设计说明,了解管道布局和连接要求;- 检查相关设备和材料的质量和完整性,确保其符合消防安全标准;- 准备安全措施,包括佩戴相关个人防护装备和设置施工区域的警示标志。
3.2 安装管道支架按照管道布局图,在合适的位置安装管道支架和吊架。
确保各个支架间的间距符合规范要求,以提供足够的支撑和固定能力。
使用适当的螺栓和钢丝进行固定。
3.3 安装管道连接件根据管道布局图,使用适当的连接件将管道连接起来。
确保连接口处使用合适的密封材料,以保证连接点的严密性和防止漏水。
3.4 安装喷淋头和支架根据设计要求,安装喷淋头和支架。
确保喷淋头的位置符合规范要求,且喷淋角度和喷淋范围正确调整。
注意使用适当的固定装置固定喷淋头和支架。
3.5 安装消防水泵和管道阀门根据设计要求,安装消防水泵和管道阀门。
确保水泵和阀门的位置合理安排,且操作方便。
根据需要进行相应的测试和调整,确保水泵和阀门的正常运行。
3.6 完成工作完成安装后,进行必要的测试和检查,确保消防喷淋管道安装符合相关标准和规范。
对安装进行记录和归档,并留存相应的文档和报告。
4. 安全注意事项在进行消防喷淋管道安装过程中,请务必遵守以下安全注意事项:- 佩戴个人防护装备,包括安全帽、护目镜和防护手套等;- 注意施工区域的安全,设置警示标志和隔离措施,确保其他人员不会误入;- 操作设备时,遵循操作规程和使用说明,确保安全操作;- 在安装过程中,及时清理施工现场,防止杂物和碎屑对安装质量和人员安全造成影响;5. 总结本文档提供了一份消防喷淋管道安装的基本指南,以帮助消防设备供应商、设计人员和施工人员理解和执行安装要求。
喷淋管道算量操作帮助文档
第1步:打开Auto CAD,并打开图纸。
第2步:打开阳光算量快手(第一步与第二步可以互换)
第3步:测量换算比例尺(可选,按毫米画图不需要设置)。
第4步:尝试用【特殊图形提取工程量】工具直接统计工程量。
然后点击
到图纸框选图形,如果是天正画的并且是规范的给排水管,软件就会进行分类提取工程量。
如果不是天正图形,需要按下面方法进行统计。
第5步:【分类统计线长】按钮进行统计。
5.1 算量前准备工作
图层过滤,为了加快选择图形,可以把无关的图层关闭。
原图纸
关闭无关的图层后的图纸
图纸处理,图纸需要达到下图效果才可以进行准确算量:1,管线的图元类型一定要是直线,多段线的需要分解成直线;2,标识文字一定要是单行文字或多行文字;3,每种管径需要是单独的一根直线。
一条直线上面有多种管径的情况是不能准确计算的,请断开直线。
不会看CAD图元类型的,可以用这个查询(4.1版本的请用单独工具查询:CAD 图元类型查询工具,注册用户群共享文件里面有下载):
管线的工程量长度是按直线的CAD图形长度进行计算的,所以直线的中间断开或未伸至喷淋头中心的,都会造成工程量不准确,除非是你需要这样的结果。
假如出现这种情况(下图)同样的这根管线的长度软件则计算为3.5米
所以需要把图纸先处理好(可以用其它第三方cad插件工具,包括天正软件的工具,或者干脆用cad本身的功能也是可以的)。
阳光算量也提供了一些工具,你可以使用,只是这些工具不是唯一的方法,完全可以找第三方的处理工具进行处理的。
这些都是比较有效率工具,可以熟悉一下。
5.2 开始计算工程量
打开【分类统计线长】工具窗口
算量前需要进行设置
●限定管线的及管径的CAD图层。
也就是告诉电脑管线的图层是什么,除此以外图层的图形都不是管线,管径文字也是一样。
点击下图的红色箭头的按钮到图纸去拾取图形即可添加其图层。
●设定管径标识文字,软件是根据管线上下一定范围内的文字来进行管径标识的。
所以这个标识文字与线的偏移度(也就是文字离直线的远近)需要根据图纸进行调整设置,如下图,点击【测试当前设置】按钮可以直接选择一根管线进行直观查看设置的效果。
一个闪动的线框内就是标识文字与线的偏移度,默认是右框选方式选定标识文字的,也就是框内或碰到框边的标识文字都能识别到。
如果能识别到标识文字,软件就会高亮显示它。
温馨提示:标识文字与线的偏移度的值不是越大越好,这个值大小与识别率成正比与正确率成反比的。
也就是说设置太大,软件有可能识别到邻近的管径的情况。
●配置完后,点击【确定】按钮
●开始识别管线,点击【拾取直线】按钮(提示:4.1版本的为【重新拾取直线】按钮),然后到图纸上面框选要计算范围,然后确定(空格键,回车键,右键确定)
等待软件进行识别
●手工匹配无法识别到管径的管线
识别到管径的CAD线变成绿粗线,未能识别到管径的则为红细线,管径标识为
格式刷,手工匹配的方法推荐使用更正操作中的格式刷:
【忽略已识别】选项的意思指用格式刷的时候去指定管线时,
是否忽略已经识别的管线。
只要不是要修改错误的已经识别管
线,请保持打勾状态。
【格式刷(按图形R)】
就是指定标识文字或已识别的管线去匹配到指定的管线,如下图,点击DN50或者其绿色的管线,紧接着选择红色的有2个问号的管线,然后确定,如果还需要指定其它DN50管线可以一直刷下去,要么可以确定。
温馨提示,可以框选图元,在【忽略已识别】打勾情况下,即使框选到已经识
【格式刷(按手动】
就是指按下框录入的管径去匹配到指定的管线,点格式刷按钮后直接到图纸点击管线然后确定即可。
温馨提示,可以框选图元,在【忽略已识别】打勾情况下,即使框选到已经识别绿粗线,软件也会忽略,不会更改已识别绿粗线的管径的。
5.3 统计工程量
标记,为了区分不同的工程量,可以对管线进行标记,以进行区别,统计会按标记不同分别进行汇总统计,如果不需要进行区分,可以点击【清除标记】按钮。
统计,点击菜单上面的【统计】
如果管线处在不同的图层中,还可以分图层进行统计。
统计结果,点击菜单的添加可以添加到主窗口的计算表中。
温馨提示:双击表格可以批量定位到cad图纸。
方便查错
点击【添加到主表格】。