【CN209949141U】摆渡式信息隔离保密系统【专利】
- 格式:pdf
- 大小:318.20 KB
- 文档页数:6
(19)中华人民共和国国家知识产权局(12)实用新型专利(10)授权公告号 (45)授权公告日 (21)申请号 201920203787.X(22)申请日 2019.02.15(73)专利权人 河北中原铁塔制造有限公司地址 053500 河北省衡水市景县郑龙路景、故县界处
(72)发明人 郝兰军 张宝拴 刘宁 杨希奎 (74)专利代理机构 石家庄君联专利代理事务所(特殊普通合伙) 13125代理人 赵立军
(51)Int.Cl.E04H 12/00(2006.01)
E04H 12/22(2006.01)
(54)实用新型名称一种防震通讯信号塔(57)摘要本实用新型涉及通讯设备的技术领域,特别是涉及一种防震通讯信号塔,其可以提高其稳定性,减少外界震动对其的影响,提高使用可靠性;并且可以减少受到路过车辆的撞击;包括基座、塔身和多组无线部分,塔身顶部设置有避雷针;还包括缓冲座、固定板、多组螺钉、底板、多组上支撑弹簧和多组下支撑弹簧,还包括多组支腿、多组滑轮、多组左限位弹簧、多组右限位弹簧、两组左限位柱、两组右限位柱、多组左定位弹簧、多组右定位弹簧、多组左固定半环和多组右固定半环;还包括底座、多组支撑柱、多组灯座和多组指示灯,多组支撑柱底端均匀安装在底座顶部边缘区域,多组灯座分别安装在多组支撑柱顶端,多组指示灯分别安装在多组灯座顶部。
权利要求书2页 说明书5页 附图3页CN 209855341 U2019.12.27
CN 209855341 U1.一种防震通讯信号塔,包括基座(1)、塔身(2)和多组无线部分(3),多组无线部分(3)均安装在塔身(2)上半区域,塔身(2)顶部设置有避雷针(4);其特征在于,还包括缓冲座(5)、固定板(6)、多组螺钉(7)、底板(8)、多组上支撑弹簧(9)和多组下支撑弹簧,所述缓冲座(5)内设置有缓冲腔,并在缓冲座(5)顶部设置有安装口,安装口与缓冲腔相通,所述底板(8)位于缓冲腔内,所述固定板(6)中央区域设置有通孔,塔身(2)底部穿过通孔并与底板(8)顶部中央区域连接,所述多组螺钉(7)分别螺装通过固定板(6)并螺装至缓冲座(5)内,所述多组上支撑弹簧(9)和多组下支撑弹簧一端分别与固定板(6)底部和缓冲座(5)内底部连接,并且多组上支撑弹簧(9)和多组下支撑弹簧另一端分别与底板(8)顶部和底部连接,还包括多组支腿(10)、多组滑轮(11)、多组左限位弹簧(12)、多组右限位弹簧、两组左限位柱(13)、两组右限位柱、多组左定位弹簧(14)、多组右定位弹簧、多组左固定半环(15)和多组右固定半环,所述基座(1)顶部设置有缓冲槽,所述缓冲座(5)位于缓冲槽内,所述多组支腿(10)顶端分别安装在缓冲座(5)底部左前侧、左后侧、右前侧和右后侧连接,所述多组滑轮(11)分别安装在多组支腿(10)底端,并且多组滑轮(11)均与缓冲槽内底部接触,所述多组左限位弹簧(12)和多组右限位弹簧一端分别与缓冲座(5)左侧壁和右侧壁连接,并且两组左限位弹簧(12)和两组右限位弹簧另一端分别与基座(1)内左侧壁和内右侧壁连接,所述基座(1)左侧壁和右侧壁上分别设置有两组左缓冲孔和两组右缓冲孔,所述两组左限位柱(13)和两组右限位柱一端分别穿过两组左缓冲孔和两组右缓冲孔并与缓冲座(5)左侧壁和右侧壁连接,所述多组左定位弹簧(14)和多组右定位弹簧一端分别与两组左缓冲孔和两组右缓冲孔内前侧壁和内后侧壁连接,并且两组左定位弹簧(14)和两组右定位弹簧另一端分别与多组左固定半环(15)和多组右固定半环连接,所述多组左固定半环(15)和多组右固定半环分别与两组左限位柱(13)和两组右限位柱外壁接触;还包括底座(16)、多组支撑柱(17)、多组灯座(18)和多组指示灯(19),所述基座(1)安装在底座(16)顶部,所述多组支撑柱(17)底端均匀安装在底座(16)顶部边缘区域,所述多组灯座(18)分别安装在多组支撑柱(17)顶端,所述多组指示灯(19)分别安装在多组灯座(18)顶部。2.如权利要求1所述的一种防震通讯信号塔,其特征在于,还包括环形橡胶垫(20),所述环形橡胶垫(20)安装在底板(8)边缘区域,并且环形橡胶垫(20)与缓冲座(5)内壁接触。3.如权利要求2所述的一种防震通讯信号塔,其特征在于,还包括多组支撑杆(21)和限位环(22),所述多组支撑杆(21)两端分别与限位环(22)外壁和固定板(6)顶部连接,所述限位环(22)套设在塔体外部,并且限位环(22)内壁与塔体外壁接触。4.如权利要求3所述的一种防震通讯信号塔,其特征在于,还包括多组限位杆(23)和多组限位轮(24),所述两组左缓冲孔和两组右缓冲孔内顶壁和内底壁分别设置有多组滑动槽,所述多组限位杆(23)一端分别安装在多组左固定半环(15)和多组右固定半环顶部和底部,并且多组限位杆(23)另一端分别与多组限位轮(24)连接,所述多组限位轮(24)分别位于多组滑动槽内。5.如权利要求4所述的一种防震通讯信号塔,其特征在于,还包括防滑垫(25),所述防滑垫(25)安装在缓冲槽内底部,所述多组滑轮(11)均与防滑垫(25)接触。6.如权利要求5所述的一种防震通讯信号塔,其特征在于,还包括多组定位板(26)、多组固定螺栓(27)和多组固定螺母(28),所述多组定位板(26)分别安装在多组左固定半环(15)和多组右固定半环两端,所述多组固定螺栓(27)分别穿过多组定位板(26),所述多组
(19)中华人民共和国国家知识产权局(12)实用新型专利(10)授权公告号 (45)授权公告日 (21)申请号 201920476131.5(22)申请日 2019.04.10(73)专利权人 莫飞地址 558000 贵州省黔南布依族苗族自治州都匀市环西路长江花园州交通设计院宿舍(72)发明人 莫飞 (74)专利代理机构 亳州速诚知识产权代理事务所(普通合伙) 34157代理人 曾祥兵(51)Int.Cl.G01F 23/00(2006.01)(54)实用新型名称一种基于物联网桥梁涵洞雨水深度识别报警处置系统(57)摘要本实用新型属于涵洞安全技术领域,尤其为一种基于物联网桥梁涵洞雨水深度识别报警处置系统,包括导轨承重架,所述导轨承重架顶部与底部后侧均等距固定焊接有承重架底座,所述承重架底座外侧四角均通过螺纹贯穿连接有加固螺栓,且所述导轨承重架中央外侧固定焊接有中心导轨,所述中心导轨中央顶部固定连接有蓄电池,且所述中心导轨内腔滑动连接有主动移轮,所述主动移轮外侧通过转轴活动连接有承重支柱一,所述承重支柱一底部垂直固定连接有识别箱体;本实用新型就保证该系统可以实时的检测涵洞内的各个位置的雨水深度,更加全面,保护过往人员的安全,即使在夜晚或者光线差的时候一样可以对过往人员有很强的提示效果。
权利要求书1页 说明书4页 附图4页CN 209945486 U 2020.01.14C N 209945486U权 利 要 求 书1/1页CN 209945486 U1.一种基于物联网桥梁涵洞雨水深度识别报警处置系统,包括导轨承重架(1),其特征在于:所述导轨承重架(1)顶部与底部后侧均等距固定焊接有承重架底座(2),所述承重架底座(2)外侧四角均通过螺纹贯穿连接有加固螺栓(3),且所述导轨承重架(1)中央外侧固定焊接有中心导轨(4),所述中心导轨(4)中央顶部固定连接有蓄电池(5),且所述中心导轨(4)内腔滑动连接有主动移轮(6),所述主动移轮(6)外侧通过转轴活动连接有承重支柱一(7),所述承重支柱一(7)底部垂直固定连接有识别箱体(8),所述识别箱体(8)左侧顶部垂直固定连接有承重支柱二(9),所述承重支柱二(9)顶部外侧通过转轴活动连接有从动移轮(10),所述从动移轮(10)右侧设有驱动电机(11),所述驱动电机(11)外侧套接有动力输送带(12),所述动力输送带(12)右侧内壁固定覆盖于主动移轮(6)外侧,且所述识别箱体(8)左侧表面固定连接有警报喇叭(13),所述识别箱体(8)右侧表面固定连接有警报闪烁灯(14),且所述识别箱体(8)底部表面固定连接有浸水变送器(15),所述浸水变送器(15)内部电性连接有信号中继器(16),所述信号中继器(16)内部通信连接有监控室主机(17),所述监控室主机(17)内部通过VGA线连接有监控显示屏(18),且所述监控室主机(17)内部通过网线通信连接有云服务器(19)。
(19)中华人民共和国国家知识产权局(12)实用新型专利(10)授权公告号 (45)授权公告日 (21)申请号 201920629625.2(22)申请日 2019.05.06(73)专利权人 常州市信万众电子科技有限公司地址 213161 江苏省常州市武进区湖塘镇华家村 专利权人 江苏泰州大桥有限公司(72)发明人 李超 徐泽敏 阚有俊 汤海学 丁立峰 蔡彦武 (74)专利代理机构 常州市英诺创信专利代理事务所(普通合伙) 32258代理人 于桂贤(51)Int.Cl.H04N 5/225(2006.01)H04N 5/76(2006.01)H04N 5/765(2006.01)G09F 27/00(2006.01)
(54)实用新型名称联动道路安全警示系统(57)摘要本实用新型提供一种联动道路安全警示系统,包括移动警示灯模块、执法记录仪模块、肩灯模块和显示模块,通过设置无线模块进行信号传输从而实现报警信息的联动,有效的保障了执法人员、养排人员的人身安全。
权利要求书1页 说明书3页 附图1页
CN 209497526 U2019.10.15
CN 209497526 U1.一种联动道路安全警示系统,其特征在于:包括移动警示灯模块、执法记录仪模块和肩灯模块,其中,移动警示灯模块包括主控单片机、重力传感器、无线模块、警示灯和喇叭,重力传感器电连接主控单片机的输入端,监测警示灯的倾斜角度;主控单片机通过无线模块收发无线信号;警示灯和喇叭电连接主控单片机的输出端,用于报警和指示;执法记录仪模块包括主控芯片、无线模块、镜头、存储单元、喇叭和警示灯,主控芯片通过无线模块收发无线信号;镜头与主控芯片的输出端以及存储单元电连接,且用于实时记录现场影像并存储在存储单元内;警示灯和喇叭电连接主控芯片的输出端,用于报警和指示;肩灯模块包括主控芯片、无线模块、LED警示灯和喇叭,主控芯片通过无线模块收发无线信号;LED警示灯和喇叭电连接主控芯片的输出端,用于报警和指示;移动警示灯模块的无线模块通过无线信号分别与执法记录仪模块和肩灯模块的无线模块连接。2.如权利要求1所述的联动道路安全警示系统,其特征在于:还包括显示模块,所述显示模块包括主控芯片、无线模块、LED驱动电路和LED显示屏,所述显示模块的无线模块通过无线信号与移动警示灯模块的无线模块连接,所述主控芯片依次与LED驱动电路和LED显示屏电连接,所述LED驱动电路用于驱动LED显示屏。3.如权利要求2所述的联动道路安全警示系统,其特征在于:所述LED显示屏由多个LED灯珠阵列组成。4.如权利要求2所述的联动道路安全警示系统,其特征在于:所述主控单片机采用ST单片机STM8L系列超低功耗控制芯片。5.如权利要求4所述的联动道路安全警示系统,其特征在于:所述无线模块采用A7139芯片,利用的无线信号频段为433MHz。6.如权利要求1所述的联动道路安全警示系统,其特征在于:执法记录仪模块还包括用于音视频数据传输的HDMI接口、用于外接摄像头的AV IN AV OUT接口、用于充电的USB接口以及传输GPS信息的多功能接口。7.如权利要求1所述的联动道路安全警示系统,其特征在于:所述移动警示灯模块还包括USB-UART转接电路,所述USB-UART转接电路采用RS232的USB接口芯片CP2102。
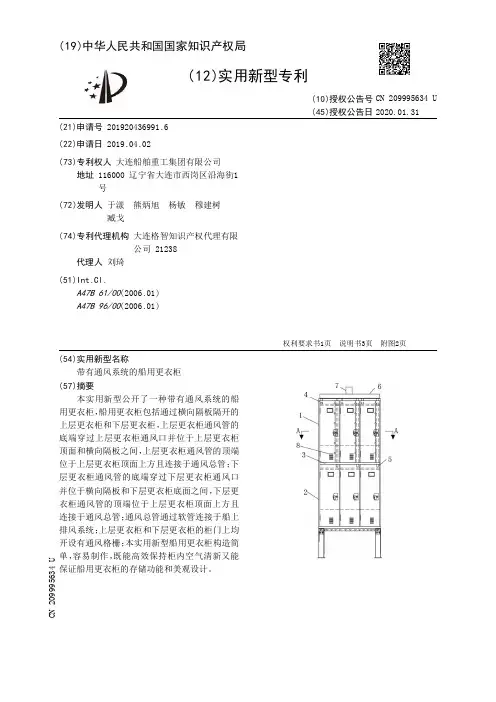
(19)中华人民共和国国家知识产权局(12)实用新型专利(10)授权公告号 (45)授权公告日 (21)申请号 201920436991.6(22)申请日 2019.04.02(73)专利权人 大连船舶重工集团有限公司地址 116000 辽宁省大连市西岗区沿海街1号(72)发明人 于漾 熊炳旭 杨敏 穆建树 臧戈 (74)专利代理机构 大连格智知识产权代理有限公司 21238代理人 刘琦(51)Int.Cl.A47B 61/00(2006.01)A47B 96/00(2006.01)(54)实用新型名称带有通风系统的船用更衣柜(57)摘要本实用新型公开了一种带有通风系统的船用更衣柜,船用更衣柜包括通过横向隔板隔开的上层更衣柜和下层更衣柜,上层更衣柜通风管的底端穿过上层更衣柜通风口并位于上层更衣柜顶面和横向隔板之间,上层更衣柜通风管的顶端位于上层更衣柜顶面上方且连接于通风总管;下层更衣柜通风管的底端穿过下层更衣柜通风口并位于横向隔板和下层更衣柜底面之间,下层更衣柜通风管的顶端位于上层更衣柜顶面上方且连接于通风总管;通风总管通过软管连接于船上排风系统;上层更衣柜和下层更衣柜的柜门上均开设有通风格栅;本实用新型船用更衣柜构造简单,容易制作,既能高效保持柜内空气清新又能保证船用更衣柜的存储功能和美观设计。
权利要求书1页 说明书3页 附图2页CN 209995634 U 2020.01.31C N 209995634U权 利 要 求 书1/1页CN 209995634 U1.一种带有通风系统的船用更衣柜,船用更衣柜包括通过横向隔板隔开的上层更衣柜和下层更衣柜,其特征在于:所述上层更衣柜的顶面开设有上层更衣柜通风口,上层更衣柜通风管的底端穿过所述上层更衣柜通风口并位于所述上层更衣柜顶面和所述横向隔板之间,所述上层更衣柜通风管的顶端位于所述上层更衣柜顶面上方且连接于通风总管;所述上层更衣柜通风管与所述上层更衣柜通风口之间密封连接;所述上层更衣柜顶面和所述横向隔板在竖直方向上对应开设有下层更衣柜通风口,下层更衣柜通风管的底端穿过所述下层更衣柜通风口并位于所述横向隔板和所述下层更衣柜底面之间,所述下层更衣柜通风管的顶端位于所述上层更衣柜顶面上方且连接于所述通风总管;所述下层更衣柜通风管与所述下层更衣柜通风口之间密封连接;所述通风总管通过软管连接于船上排风系统;所述上层更衣柜和所述下层更衣柜的柜门上均开设有通风格栅。
(19)中华人民共和国国家知识产权局(12)实用新型专利(10)授权公告号 (45)授权公告日 (21)申请号 201920213476.1(22)申请日 2019.02.18(66)本国优先权数据201920076356.1 2019.01.16 CN(73)专利权人 哈瓦国际航空技术(深圳)有限公司地址 518131 广东省深圳市龙华新区观澜街道新湖路28号哈瓦航空产业园(72)发明人 丛保卫 丛王 王明 (74)专利代理机构 广州嘉权专利商标事务所有限公司 44205代理人 唐致明 洪铭福(51)Int.Cl.H02M 1/36(2007.01)H02M 1/44(2007.01)(ESM)同样的发明创造已同日申请发明专利 (54)实用新型名称一种抗干扰延迟启动控制电路及系统(57)摘要本实用新型公开了一种抗干扰延迟启动控制电路及系统,其通过设置有主控模块输出两路控制信号并通过设置有抗干扰延迟模块对主控模块输出的两路控制信号受到干扰的情况下保证开关控制模块的关断状态或延迟开关控制模块的导通时间,从而解决了存在干扰情况下使得电路误启动和/或电路启动延迟时间无法精确控制的技术问题。
权利要求书1页 说明书4页 附图1页CN 209448649 U 2019.09.27C N 209448649U权 利 要 求 书1/1页CN 209448649 U1.一种抗干扰延迟启动控制电路,其特征在于,包括:主控模块、抗干扰延迟模块和开关控制模块;所述主控模块包括第一输出端和第二输出端,所述主控模块的第一输出端和第二输出端分别与所述抗干扰延迟模块的输入端连接,所述抗干扰延迟模块的输出端与所述开关控制模块的输入端连接。
2.根据权利要求1所述的抗干扰延迟启动控制电路,其特征在于,所述抗干扰延迟模块包括:第一开关管、第二开关管和第一储能元件;所述主控模块的第一输出端分别与所述第二开关管的负输出端、所述开关控制模块的输入端连接,所述第二开关管的控制端分别与所述第一储能元件的一端、所述第一开关管的正输出端连接,所诉主控模块的第二输出端与所述第一开关管的控制端连接,所述第一开关管的负输出端分别与所述第一储能元件的另一端、所述开关控制模块的输入端连接后共地。
(19)中华人民共和国国家知识产权局
(12)实用新型专利
(10)授权公告号
(45)授权公告日
(21)申请号 201920301504.5
(22)申请日 2019.03.10
(73)专利权人 北京双洲科技有限公司
地址 100107 北京市朝阳区安立路66号4号
楼III段11层
(72)发明人 章翔凌
(74)专利代理机构 北京誉加知识产权代理有限
公司 11476
代理人 郝颖洁
(51)Int.Cl.
H04L 29/06
(2006.01)
G11B 17/053
(2006.01)
(54)实用新型名称
摆渡式信息隔离保密系统
(57)摘要
本实用新型提供了一种摆渡式信息隔离保
密系统,涉及数据保密设备领域,解决了现有技
术的不足,提供了一种人力资源消耗小、效率高、
时效性强、安全性高、资源成本低的摆渡式信息
隔离保密系统,它包括数据采集客户端、外网服
务器、外网刻录光驱、内网只读光驱、机械臂、内
网接收服务器、内网客户端;数据采集客户端为
pc、手机、pad,与互联网连接,数据采集客户端与
外网服务器连接,外网服务器与外网刻录光驱连
接,为两次弯折成直角的条形机械臂,外网刻录
光驱位于内网只读光驱上方,机械臂位于外网刻
录光驱和内网只读光驱上方,内网只读光驱与内
网接收服务器连接,内网接收服务器连接与内网
客户端连接。
权利要求书1页 说明书3页 附图1页
CN 209949141 U
2020.01.14
C
N
2
0
9
9
4
9
1
4
1
U
1.一种摆渡式信息隔离保密系统,其特征在于:它包括数据采集客户端、外网服务器、
外网刻录光驱、内网只读光驱、机械臂、内网接收服务器、内网客户端;所述数据采集客户端
为pc、手机、pad等数据终端,与互联网连接,数据采集客户端与外网服务器连接,外网服务
器与外网刻录光驱连接,为两次弯折成直角的条形机械臂,外网刻录光驱位于内网只读光
驱上方,机械臂位于外网刻录光驱和内网只读光驱上方,内网只读光驱与内网接收服务器
连接,内网接收服务器连接与内网客户端连接。
2.根据权利要求1所述的摆渡式信息隔离保密系统,其特征在于:还包括机械臂轴、机
械臂梁、机械臂抓头、激光探头、空光盘槽、数据光盘槽,所述机械臂轴为圆柱形竖轴,位于
外网刻录光驱和内网只读光驱后方,机械臂梁为条形横梁,后端与机械臂轴顶部连接,机械
臂抓头为上部是立柱,下部是圆形凸头的形状,激光探头位于内网只读光驱下方前部,空光
盘槽位于机械臂轴侧方,数据光盘槽位于机械臂轴另一侧方。
3.根据权利要求1所述的摆渡式信息隔离保密系统,其特征在于:还包括打印喷头,所
述打印喷头为喷墨打印喷头或激光打印头,位于机械臂抓头中部位置。
4.根据权利要求3所述的摆渡式信息隔离保密系统,其特征在于:所述打印喷头为喷墨
打印喷头。
权 利 要 求 书
1/1页
2
CN 209949141 U