陶瓷砖抗热震性吸水率检测原始记录
- 格式:doc
- 大小:32.00 KB
- 文档页数:1
烧结普通砖检验检测原始记录
1.检验日期:YYYY年MM月DD日
2.检验地点:砖厂名称/工地名称
3.检验人员:姓名/职位
5.砖块尺寸和外观检验:测量砖块的尺寸,包括长度、宽度和厚度。
检查砖块的外观,如平滑度、表面平整度、颜色等。
6.砖块强度测试:采用压力机对砖块进行强度测试。
记录每个样本的破坏负荷和破坏模式。
根据标准规定的强度值判断砖块的合格性。
7.抗冻性测试:将砖块放入冷冻室中进行低温冻融循环,记录冻融循环前后砖块的质量损失情况。
根据标准规定的质量损失比例判断砖块的抗冻性能。
8.吸水率测试:将砖块放入水中浸泡一定时间后,测量砖块的质量增加量,并计算吸水率。
根据标准规定的吸水率判断砖块的吸水性能。
9.堆积密度测试:称取一定质量的砖块,测量其体积,计算砖块的堆积密度。
根据标准规定的堆积密度判断砖块的质量密度。
10.化学成分测试:采集砖块样品,进行化学成分分析。
根据标准规定的化学成分范围判断砖块的成分是否符合要求。
11.屈服强度测试:采用万能材料试验机对砖块进行屈服强度测试。
记录每个样本的屈服强度和破坏模式。
根据标准规定的屈服强度判断砖块的合格性。
12.抗压强度测试:采用压力机对砖块进行抗压强度测试。
记录每个样本的最大抗压强度和破坏模式。
根据标准规定的抗压强度判断砖块的合格性。
以上是烧结普通砖的检验检测原始记录。
通过这些测试和记录,可以确保砖块的质量和安全性,保证其在建筑物中的应用效果。
同时,这些记录也是供相关部门和客户参考的重要依据。
ZY 宁夏中测计量测试检验院(有限公司)检测细则NZC-ZY-XZ025-2015陶瓷砖抗热震性试验检测细则2015-04-01 发布 2015-04-01 实施宁夏中测计量测试检验院(有限公司)发布前言根据宁夏中测计量测试检验院(有限公司)«质量手册»和«程序文件»的要求,为了使本公司不同检测人员,不同时间所进行试验检测方法、过程保持一致性,实现检测结果的准确性,依据相关产品标准和试验方法标准,特制定本细则。
所有检测人员在检测过程中必须严格遵守本细则。
本细则由宁夏中测计量测试检验院(有限公司)负责起草。
编制:校核:批准:陶瓷砖抗热震性试验检测细则1、适用范围本细则规定了在正常使用条件下各种类型陶瓷砖抗热震性的试验方法。
除经许可,应根据吸水率的不同采用不同的试验方法(浸没或非浸没试验)。
2、规范性引用文件下列文件中的条款通过GB/T 3810的本部分的引用而成为本部分的条款。
凡是注日期的引用文件,其随后所有的修改单(不包括勘误的内容)或修订版均不适用于本部分,然而,鼓励根据本部分达成协议的各方研究是否可使用这些文件的最新版本。
凡是不注日期的引用文件,其最新版本适用于本部分。
GB/T 3810.3陶瓷砖试验方法第3部分:吸水率、显气孔率、表观相对密度和容重的测定(GB/T 3810.3-2006, ISO 10545-3;1995, MOD)3、仪具与材料3.1低温水槽(NZCS-047)3.2干燥箱(NZCS-075)4、试验方法与步骤4.1试样至少用5块整砖进行试验注:对于超大的砖(即边长大于400 mm的砖),有必要进行切割,切割尽可能大的尺寸,其中心应与原中心一致。
在有疑问时,用整砖比用切割过的砖测定的结果准确4.2步骤首先用肉眼(平常带眼镜的可戴上眼镜)在距砖25cm到30cm,光源照度约300Ix的光照条件下观察试样表面。
所有试样在试验前应没有缺陷,可用亚甲基蓝溶液对待测试样进行测定前的检验。
GBT3810.1-2006 陶瓷砖试验方法第1部分:抽样和接收条件
GBT3810.2-2006 陶瓷砖试验方法第2部分:尺寸和表面质量的检验
GBT3810.3-2006 陶瓷砖试验方法第3部分:吸水率、显气孔率、表观相对密度和容重的测定
GBT3810.4-2006 陶瓷砖试验方法第4部分:断裂模数和破坏强度的测定
GBT3810.5-2006 陶瓷砖试验方法第5部分:用恢复系数确定砖的抗冲击性
GBT3810.6-2006 陶瓷砖试验方法第6部分:无釉砖耐磨深度的测定
GBT3810.7-2006 陶瓷砖试验方法第7部分:有釉砖表面耐磨性的测定
GBT3810.8-2006 陶瓷砖试验方法第8部分:线性热膨胀的测定
GBT3810.9-2006 陶瓷砖试验方法第9部分:抗热震性的测定
GBT3810.10-2006 陶瓷砖试验方法第10部分:湿膨胀的测定
GBT3810.11-2006 陶瓷砖试验方法第11部分:有釉砖抗釉裂性的测定
GBT3810.12-2006 陶瓷砖试验方法第12部分:抗冻性的测定
GBT3810.13-2006 陶瓷砖试验方法第13部分:耐化学腐蚀性的测定
GBT3810.14-2006 陶瓷砖试验方法第14部分:耐污染性的测定
GBT3810.15-2006 陶瓷砖试验方法第15部分:有釉砖铅和镉溶出量的测定
GBT3810.16-2006 陶瓷砖试验方法第16部分:小色差的测定。
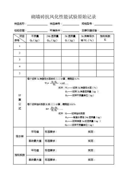
砌墙砖抗风化性能试验原始记录样品名称:样品编号:规格型号:
检验依据:环境条件:主要仪器设备:
审核:检验员:年月日砌墙砖尺寸允许偏差检验原始记录
样品名称:样品编号:规格型号:
检验依据:环境条件:检测设备:
单位:mm
审核:检验员:年月日砌墙砖抗冻性试验原始记录
样品名称:样品编号:规格型号:
检验依据:环境条件:主要仪器设备:
审核:检验员:年月日砌墙砖外观质量检验原始记录
样品名称:样品编号:规格型号:
检验依据:环境条件:主要仪器设备:
审核:检验员:年月日砌墙砖孔洞率试验原始记录
样品名称:样品编号:规格型号:
检验依据:环境条件:主要仪器设备:
审核: 检验员: 年 月 日
砌墙砖石灰爆裂、泛霜试验原始记录
样品名称: 样品编号: 规格型号: 检验依据:
环境条件: 主要仪器设备:。
XXXXXXXXXXXXXXXX有限公司
陶瓷砖试验记录
管理编号:XXXXXXXXXXXXXXX 共页第页
校核:试验:
XXXXXXXXXXXXXXX有限公司
陶瓷砖试验记录
管理编号:XXXXXXXXXXXXXXXX 共页第页
校核:试验:
XXXXXXXXX有限公司
陶瓷砖试验记录
管理编号:XXXXXXX 共页第页
管理编号:XXXXXXXXXXXX 共页第页
管理编号:XXXXXXXXXXXXX 共页第页
XXXXXXXXXXXXXX有限公司
陶瓷砖试验记录
管理编号:XXXXXXXXXXXXXXXXXX 共页第页
XXXXXXXXXX有限公司
陶瓷砖试验记录
管理编号:XXXXXXXXXXXXXX 共页第页
校核:试验:
XXXXXXXX有限公司
陶瓷砖试验记录
管理编号:XXXXXXXXXXX 共页第页
管理编号:XXXXXXXXXXXX 共页第页
校核:试验:
管理编号:XXXXXXXXXXXXX 共页第页
校核:试验:
XXXXXXXXXXXXXXXXX有限公司
陶瓷砖试验记录
管理编号:XXXXXXXXXXXXXXXX 共页第页
校核:试验:
XXXXXXXXXXXXX有限公司
陶瓷砖试验记录
管理编号:XXXXXXXXXXXXX 共页第页
校核:试验:。
福建省晋江市某某陶瓷产品检测报告TEST REPORT报告编号: PW3320样品名称:干压陶瓷砖样品编号: PW3320样品规格: 300×600×9检验种类:出厂检验报告日期: 2021 年 5 月 24 日福建省晋江市某某陶瓷公司技术部福建省晋江市某某陶瓷公司技术部检测报告报告编号:PW3320第1页共7 页样品名称产品规格委托单位生产单位生产日期检测日期抽样方式检验依据检验工程检验结论干压陶瓷砖检验种类出厂检验300×600×9 产品编号PW3332福建省晋江市某某陶瓷商标诗洛克福建省晋江市某某陶瓷样品状态样品圆满2021 年 5 月 23 日样品编号2021 年 5 月 24 日样品等级优级生产线随机抽样样品数量30 片国家标准 :?陶瓷砖? GB/T4100-2021性能检测〔破坏强度、断裂模数、吸水率等共项〕经抽样检验,抽检样品的破坏强度、断裂模数、吸水率、外表质量、尺寸误差、平展度等工程的检验结果吻合国家标准?陶瓷砖?GB/T4100-2021中 BⅠb 类的技术指标要求。
检验值详见第 2、3、4、5页。
本批次产品检测工程合格。
签发日期: 2021 年 5 月 24 日附注赞同:审察:报告编号:pw3320第2页共7 页1.吸水率检测报告吸水率检测报告表表 1检测依据?陶瓷砖检验方法第 3 局部?主要检测仪器样品编号1#2#3#4#5#6#7#8#9#10#平均值接收条件样品状态样品圆满仪器名称型号生产厂数显式陶瓷吸水率测定仪TXT 湘潭湘仪仪表电热枯燥箱101 天津泰斯特仪器电子天平JZC15TSC检测结果枯燥重量吸湿重量吸水率标准要求 % 结果判断g g %合格合格合格≤ 3合格合格合格合格合格合格合格依据?陶瓷砖试验方法第一局部? GB/T3810.1 的标准规定:一次抽样 10 块,全部样品单值均≤3%,那么判断本批次产品合格。
如有 1 块及 1 块以上不合格,需要 2 次抽样加测,如第2 次全部合格那么判断本批次合格,否那么判断本批次产品为不合格。
省市某某瓷
产品检测报告TEST REPORT
报告编号:20150506PW3320
样品名称:干压瓷砖
样品编号:PW3320
样品规格:300×600×9
检验类别:出厂检验
报告日期:2016年5月24日省市某某瓷公司技术部
省市某某瓷公司技术部
检测报告
报告编号:20150506PW3320 第1页共7页
批准:审核:编制:
报告编号:20150506pw3320 第2页共7 页1.吸水率检测报告
吸水率检测报告表表1
批准:审核:测定:
报告编号:20150506pw3320 第3页共7 页2.破坏强度及断裂模数检测报告
破坏强度及断裂模数检测报告表表2
批准:审核:测定:
报告编号:20150506pw3320 第4页共7 页3.产品长度、宽度、厚度尺寸检测报告
产品长度及宽度检测报告表表3
批准:审核:测定:
报告编号:20150506pw3320 第5页共7 页
产品厚度检测报告表表4
批准:审核:测定:
报告编号:20150506pw3320 第6页共7 页
4.产品表面质量检测
产品表面质量检测报告表表5
批准:审核:测定:
报告编号:20150506pw3320 第7页共7 页
4.产品抗热震性检测
产品抗热震性检测报告表表6
批准:审核:测定:。
福建省晋江市某某陶瓷有限公司
产品检测报告
TEST REPORT
报告编号:
样品名称:干压陶瓷砖
样品编号:PW3320
样品规格:300×600×9
检验类别:出厂检验
报告日期:2016年5月24日
福建省晋江市某某陶瓷公司技术部
福建省晋江市某某陶瓷公司技术部
检测报告
报告编号:第1页共7页
批准: 审核: 编制:
报告编号:pw3320 第2页共 7 页
1.吸水率检测报告
吸水率检测报告表
表1
批准:审核:测定:报告编号:第3页共7 页
2.破坏强度及断裂模数检测报告
破坏强度及断裂模数检测报告表表2
批准:审核:测定:报告编号:第4页共7 页
3.产品长度、宽度、厚度尺寸检测报告
产品长度及宽度检测报告表表3
批准:审核:测定:报告编号:第5页共7 页
产品厚度检测报告表表4
批准:审核:测定:报告编号:第6页共7 页
4.产品表面质量检测
产品表面质量检测报告表表5
批准:审核:测定:报告编号:第7页共7 页
4.产品抗热震性检测
产品抗热震性检测报告表表6
批准:审核:测定:。