2018年TI杯大学生电子设计竞赛题E-能量回收装置
- 格式:pdf
- 大小:596.53 KB
- 文档页数:2
2018年TI杯大学生电子设计竞赛A题:电流信号检测装置(本科)1.任务如图1所示,由任意波信号发生器产生的信号经功率放大电路驱动后,通过导线连接10Ω电阻负载,形成一电流环路;设计一采用非接触式传感的电流信号检测装置,检测环路电流信号的幅度及频率,并将信号的参数显示出来。
图1 电流信号检测连接图2.要求(1)设计一功率放大电路,当输入正弦信号频率范围为50Hz~1kHz时, 要求流过10Ω负载电阻的电流峰峰值不小于1A,要求电流信号无失真。
(25分)(2)用漆包线绕制线圈制作电流传感器以获取电流信号;设计电流信号检测分析电路,测量并显示电流信号的峰峰值及频率。
(15分)(3)被测正弦电流峰峰值范围为10mA~1A,电流测量精度优于5%,频率测量精度优于1%。
(25分)(4)任意波信号发生器输出非正弦信号时,基波频率范围为50Hz~200Hz,测量电流信号基波频率,频率测量精度优于1%;测量基本及各次谐波分量的幅度(振幅值),电流谐波测量频率不超过1kHz,测量精度优于5%。
(25分)(5)其他。
(10分)(6)设计报告(20分)项目主要内容满分系统方案方案描述、比较与选择 4理论分析与计算电流测量方法谐波分量测量方法5 电路设计电路设计 5测试方案与测试结果测试方案测试结果完整性测试结果分析4设计报告结构及规范性摘要、报告正文结构、公式、图表的完整性和规范性2 总分203.说明(1)为提高电流传感器的灵敏度,可用用漆包线在锰芯磁环上绕制线圈,制作电流传感器。
(2)在锰芯磁环上绕N2匝导线,将流过被测电流的导线从磁环中穿过(N1=1),构成电流传感器。
2018年TI 杯大学生电子设计竞赛B 题:灭火飞行器(本科)1.任务基于四旋翼飞行器设计一个灭火飞行器(简称飞行器)。
飞行器活动区域示意图如图1所示。
在图1中,左下方的圆形区域是飞行器起飞及降落点;右侧正方形区域是灭火防区,防区中有4个用红色LED 模拟的火源(火源用单只0.5W 红色发光二极管来实现,建议LED 电流不超过25mA )。
2014年TI杯大学生电子设计竞赛题(多省联赛)A题:四旋翼飞行器1.任务设计制作一架能够自主飞行的四旋翼飞行器。
2.要求四旋翼飞行器能够完成以下飞行动作:(1)飞行器能够根据起飞前预置的指令起飞,飞离地面高度应超过30cm,飞行距离(水平)应超过60cm,然后飞行器应能平稳降落。
(30分)(2)飞行器能够根据指定(键盘设定)的飞行高度及降落地点(方向及距离)连续稳定地完成起飞、指定高度水平飞行、平稳降落等动作。
(20分)(3)飞行器能够根据起飞前预置的指令垂直起飞,起飞后能够在50cm以上高度平稳悬停5s以上,然后再平稳缓慢降落到起飞地点;起飞与降落地点水平距离不超过30cm。
(30分)(4)其他自主发挥设计的飞行动作。
(20分)(5)设计报告(20分)项目主要内容分数系统方案方案比较,方案描述 5设计与论证飞行器姿态测量方法飞行控制器控制方法与参数计算8测试测试方法与测试结果 5设计报告结构及规范性摘要,正文结构完整性、内容规范性 2小计203.说明(1)飞行器的姿态检测及飞行控制必须使用TI 公司的TIV A M4、C2000或MSP430等系列控制器。
(2)飞行器在完成每一项飞行动作期间不得以任何方式进行人为干预,如遥控等。
(3)飞行器的尺寸可自行选定。
(4)飞行方向以正北方向为0°、东北方向为45°、正东方向为90°等,以此类推;距离的单位为厘米(cm)。
(5)指定的降落地点是指降落地点距起飞地的水平距离及方向。
(6)平稳降落是指在降落过程中无明显的跌落、弹跳及着地后滑行等情况出现。
(7)能够完成要求(2)时,要求(1)可以免测。
(8)为确保安全,飞行器应在安全网中或在系留方式下工作(即以绳索将飞行器拴在地面固定物上)。
2014年TI 杯大学生电子设计竞赛题B 题:金属物体探测定位器4. 任务设计并制作一个可自主移动的金属物体探测定位器(以下简称探测器),可探测置于玻璃板下的金属物体并给出定位指示。
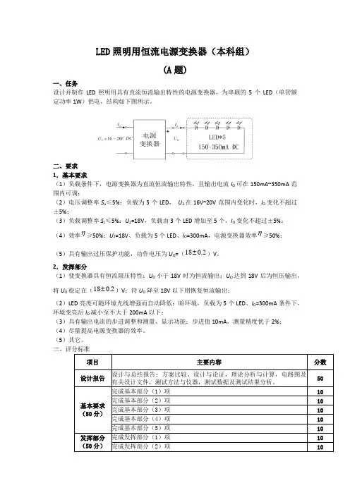
LED 照明用恒流电源变换器(本科组)(A 题)一、任务设计并制作LED 照明用具有直流恒流输出特性的电源变换器,为串联的5个LED (单管额定功率1W )供电,结构如下图所示。
二、要求 1.基本要求(1)负载条件下,电源变换器为直流恒流输出特性,且输出电流I O 可在150mA~350mA 范围内可调;(2)电压调整率S u ≤5%:负载为5个LED , U 2在16V~20V 范围内变化时,I O 变化不超过±5%;(3)负载调整率S L ≤5%:U 2=18V ,负载由3个LED 增加至5个,I O 变化不超过±5%; (4)效率η≥50%:U 2=18V 、负载为5个LED 、I O =300mA ,电源变换器效率η≥50%; (5)具有输出过压保护功能,动作电压为U O =(2.018±)V 。
2.发挥部分(1)使变换器具有恒流限压特性:U O 小于18V 时为恒流输出;U O 达到18V 后为恒压输出,将U O 稳定在(2.018±)V ;待U O 降至18V 以下则恢复恒流输出;(2)LED 亮度可随环境光线增强而自动降低:暗环境,负载为5个LED 、I O =300mA 条件下,环境变亮后I O 减小至不大于200mA 以下;(3)具有输出电流的步进调整和测量、显示功能:步进值10mA ,测量精度优于2%; (4)尽量提高电源变换器的效率。
(5)其它。
三、评分标准四、说明1. 不得采用各种电源产品改制。
整个作品由一路直流电源供电,不得使用任何其它电源为控制电路或驱动环节供电。
2. 制作时考虑测试方便,须合理设置测试点。
5支LED应安装在通用板(或PCB)上,做串联连接,并可方便改变接入个数(5个或3个)。
3.电源变换器效率指直流输出(U0处)功率与直流输入(U2处)功率之比。
4. 如果能完成发挥部分(1),基本要求(5)自然得分。
在做基本要求(5)或发挥部分(1)测试时,建议使用滑线变阻器作为负载。
光伏并网发电模拟装置(A 题)【本科组】一、任务设计并制作一个光伏并网发电模拟装置,其结构框图如图1所示。
用直流稳压电源U S 和电阻R S 模拟光伏电池,U S =60V ,R S =30Ω~36Ω;u REF 为模拟电网电压的正弦参考信号,其峰峰值为2V ,频率f REF 为45Hz~55Hz ;T 为工频隔离变压器,变比为n 2:n 1=2:1、n 3:n 1=1:10,将u F 作为输出电流的反馈信号;负载电阻R L =30Ω~36Ω。
R LU S图1 并网发电模拟装置框图二、要求1.基本要求(1)具有最大功率点跟踪(MPPT )功能:R S 和R L 在给定范围内变化时,使d S 12U U =,相对偏差的绝对值不大于1%。
(2)具有频率跟踪功能:当f REF 在给定范围内变化时,使u F 的频率f F =f REF ,相对偏差绝对值不大于1%。
(3)当R S =R L =30Ω时,DC-AC 变换器的效率η≥60%。
(4)当R S =R L =30Ω时,输出电压u o 的失真度THD ≤5%。
(5)具有输入欠压保护功能,动作电压U d (th )=(25±0.5)V 。
(6)具有输出过流保护功能,动作电流I o (th )=(1.5±0.2)A 。
2.发挥部分(1)提高DC-AC 变换器的效率,使η≥80%(R S =R L =30Ω时)。
(2)降低输出电压失真度,使THD ≤1%(R S =R L =30Ω时)。
(3)实现相位跟踪功能:当f REF 在给定范围内变化以及加非阻性负载时,均能保证u F与u REF 同相,相位偏差的绝对值≤5°。
(4)过流、欠压故障排除后,装置能自动恢复为正常状态。
(5)其他。
三、说明1.本题中所有交流量除特别说明外均为有效值。
2.U S 采用实验室可调直流稳压电源,不需自制。
3.控制电路允许另加辅助电源,但应尽量减少路数和损耗。
2018年安徽省TI杯大学生电子设计竞赛灭火飞行器(B题)设计报告目录摘要: (2)关键词: (2)一、系统方案 (3)1.1 控制系统的选择 (3)1.2 飞行姿态控制的论证与选择 (3)1.3 电机的选择 (3)1.4 高度测量模块的论证与选择 (3)1.5 边界判断模块的选择 (3)1.6 角速度与加速度测量模块选择 (4)二、设计与论证 (4)2.1 控制方法设计 (4)2.1.1降落及飞行轨迹控制 (4)2.1.2 飞行高度控制 (5)2.1.3 飞行姿态控制 (5)2.2 参数计算 (6)三、理论分析与计算 (6)3.1 Pid控制算法分析 (6)四、电路与程序设计 (9)4.1 系统组成 (9)4.2 系统框图 (9)4.3 系统各模块电路图 (10)4.4 程序流程图 (13)五、测试方案与测试条件 (13)5.1 测试方案 (13)5.2 测试条件 (14)六、结论 (16)6.1 pid控制如下图: (16)附录一:元器件明细表 (18)附录二:仪器设备清单 (18)附录三:程序 (18)摘要:本系统由数据采集、数据信号处理、飞行姿态和航向控制等部分组成。
系统选用STM32F4单片机作为主控芯片,对从STM32F4芯片读取到的一系列数据进行PID算法处理并向飞行器的电调给出相应指令,从而达到对飞行器飞行姿态的控制。
采用STM32F4芯片采集四旋翼飞行器的三轴角速度和三轴角加速度数据,用激光定高来判断“火源位置”,以保证飞行器可以直接找到“火源”。
通过使用激光判断边界区域,确保可以在相应范围内飞行;nrf51422无线通信模块用来实现遥控器和飞行器之间的通信。
关键词:STM32F4单片机激光传感器超声波测距定高 PID算法光流定点模块nrf51422无线模块一、系统方案本系统主要由控制模块、激光定高模块、电机调速模块、循迹模块、无线通信模块组成,下面分别论证这几个模块的选择。
1.1 控制系统的选择方案一:STM32F1单片机作为主控芯片来控制飞行器的飞行姿态与方向,带有摄像头采集,并把摄像头采集的数据发送给STM32F4进行处理,运用 pid算法进行姿态调整。
2018年TI杯大学生电子设计竞赛题C-无线充电电动小车2018年TI杯大学生电子设计竞赛题C无线充电电动小车1. 任务设计并制作一个无线充电电动车,包括无线充电装置一套。
电动小车机械部分可采用成品四轮玩具车改制。
外形尺寸不大于30cm;26cm,高度重量不限。
2.要求(1)制作一套无线充电装置,其发射器线圈放置在路面。
发射器采用具有恒流恒压模式自动切换的直流稳压电源供电,供电电压为5V,供电电流不大于1A。
无线充电接收器安装在小车底盘上。
每次充电时间限定1分钟。
(10分)(2)制作一个无线充电电动车。
电动车使用适当容量超级电容(法拉电容)储能,经DCDC变换给电动车供电。
车上不得采用电池等其他储能供电器件。
(10分)(3)充电1分钟后,当电动车检测到无线充电发射器停止充电时,立即自行启动,向前水平直线行驶,直至能量耗尽,行驶距离不小于1m。
(20分)(4)充电1分钟后,电动车沿倾斜木工板路面直线爬坡行驶,路面长度不大于1m,斜坡倾斜角度θ自定。
综合多方因素设计,使电动车在每次充电1分钟后,电动车爬升高度h=lsinθ最大。
式中l为小车直线行驶的距离。
(50分)(5)其他。
(10分)(6)设计报告:(20分)3.说明(1)DCDC变换建议采用TI公司TPS63020芯片。
(2)超级电容的容量可根据充电器在1分钟时间充入的电荷量及小车行驶所需电流、时间和重量等因素综合考虑。
(3)行驶距离以小车后轮触地点为定位点。
倾斜坡度θ自定。
(4)测试时,要求小车先充电、放电运行数次。
保证测试时,小车无预先额外储能。
以保证测试公平性。
正式测试允许运行两次,取最好成绩记录。
违规车辆不予测试。
(5)无线充电电动车是一个比较复杂的工程问题,通过提高充、放电效率,减轻车重,优化电机驱动,适当选取超级电容(法拉电容)容量及路面倾斜角度θ等,提高电动车的爬升高度。
(6)通过设置直流稳压电源的输出电压为5V,最大输出电流为1A,确保发射器供电为5V,电流不大于1A。
2018年度全国初中应用物理竞赛试题(时间100分钟,满分100分)一、选择题(本题共10个小题,每小题2分,共20分。
以下各题的四个选项中只有一个正确答案)。
1、图为伦敦四大地标性摩天大楼:“对讲机”、“小黄瓜”、“奶酪刨”、“碎片大厦”。
其中一座大楼的设计因考虑不周,曾经由于玻璃反光将停放在附近的小桥车某些部件烤化了,你认为这座大楼最可能是( )2、当今,世界性的能源危机在不断地加深,节约能源义不容辞.下面四种符号中,为中国节能标志的是( )A B C D3、在炎热的夏天,当我们吃冰棒的时候,常常看到在冰棒的周围有“白气”冒出,关于这个“白气”,下列说法中正确的是()A.“白气”是冰棒上的冰升华的结果,“白气”应该上升B.“白气”是冰棒上的冰升华的结果,“白气”应该下降C.“白气”是空气中的水蒸气液化的结果,“白气”应该上升D.“白气”是空气中的水蒸气液化的结果,“白气”应该下降4、如图为双并绕的螺线管,、、、为螺线管的四个接线头,其中,a.c之间连接一根较细的导线,b.d之间连接一根较粗的导线,如用同一电源供电,下列连接方式中磁性最强的接法是()。
A: 相连,、分别接在电源两极B: 相连,、分别接在电源两极C: 相连后接在电源一极,相连后接在电源另一极D: 相连后接在电源一极,相连后接在电源另一极5、5号电池因其体积小、容量适中,因此在小功率电器产品中广泛使用。
某种市售5号电池包装上写有“1.5 V 2000 mAH”字祥。
对该电池,下列说法中正确的是()A.它能提供的电能约10.8 kJB.它正常工作时的电流是2 AC.它提供的最大电功率为3 WD.它在电路中是提供电荷的装置6、在平缓的海滩上经常可以看到如图所示的情景:不论远处的海浪沿什么方向冲向海岸,到达岸边时总是大约垂直于岸的方向,发生这个现象的原因可能是:A、在海岸边,风的方向总是与海岸线垂直B、在海岸边,风的方向总是与海岸线平行C、水波在浅水中传播时,水越浅传播得越慢D、水波在浅水中传播时,水越浅传播得越快7、小明在宠物店买了淡水热带鱼,为方便带回家,商家将鱼放在装有水的轻薄的塑料袋里。
2018年TI杯大学生电子设计竞赛无线话筒扩音系统(F题)【本科及高职高专】2018年07月23日本设计是以RDA5820NS为核心的无线话筒扩音系统,采用模拟调频方式,载频范围88MHz~108MHz,可以在大于10m的距离上实现无线语音的传输。
无线话筒信号可以由调频收音机收听。
此外,无线话筒开机时可自动检测可用信道,自动避免干扰。
接收机由TI公司的MSP430F5529作为系统主控,可同时接收两个无线话筒的信号并对其进行混音处理,接收机输出功率为1W,可直接驱动8Ω喇叭。
关键词:调频,无线话筒,接收机,混音,MSP430F5529AbstractThis design is based on RDA5820NS as the core wireless microphone amplification system, using analog frequency modulation, the carrier frequency range is 88MHz~108MHz, and wireless voice transmission can be realized at a distance greater than 10m. The wireless microphone signal can be heard by the FM radio. In addition, the wireless microphone automatically detects the available channels when it is turned on, automatically avoiding interference. The receiver is controlled by TI's MSP430F5529 as the system master. It can simultaneously receive and mix the signals of two wireless microphones. The receiver output power is 1W, which can directly drive 8Ω speakers.Keyword:FM, wireless microphone, receiver, mix, MSP430F5529一.系统方案 (4)1.方案比较与选择 (4)1)发射机主芯片选择 (4)2)麦克风放大模块 (4)3)加法器模块 (4)4)混音模块 (5)5)音频功放模块 (5)2.方案描述 (5)二.理论分析与计算 (7)1.加法器模块 (7)2.发射功率计算 (7)三.电路与程序设计 (7)1.电路设计 (7)1)无线话筒电路设计 (7)2)麦克风放大电路设计 (8)3)混响电路设计 (8)4)音频功放电路设计 (9)5)加法器电路设计 (9)2.程序设计 (10)四.测试方案与测试结果 (11)1.测试仪器 (11)2.测试结果 (11)五.结论 (12)六.参考文献 (12)无线话筒扩音系统(F题)【本科及高职高专】一.系统方案1.方案比较与选择1)发射机主芯片选择方案一:采用分立元件搭建采用模拟方案。
2018年TI 杯大学生电子设计竞赛
A 题:电流信号检测装置(本科及高职高专)
1.任务
如图1所示,由任意波信号发生器产生的信号经功率放大电路驱动后,通过导线连接10Ω电阻负载,形成一电流环路;设计一采用非接触式传感的电流信号检测装置,检测环路电流信号的幅度及频率,并将信号的参数显示出来。
图1 电流信号检测连接图
2.要求
(1) 设计一功率放大电路,当输入正弦信号频率范围为50Hz~1kHz 时, 要求流过10Ω负载电阻的电流峰峰值不小于1A ,要求电流信号无失真。
(25分) (2) 用漆包线绕制线圈制作电流传感器以获取电流信号;设计电流信号检测分析电路,测量并显示电流信号的峰峰值及频率。
(15分) (3) 被测正弦电流峰峰值范围为10mA~1A ,电流测量精度优于5%,频率测量精度优于1%。
(25分) (4) 任意波信号发生器输出非正弦信号时,基波频率范围为50Hz~200Hz ,测量电流信号基波频率,频率测量精度优于1%;测量基本及各次谐波分量的幅度(振幅值),电流谐波测量频率不超过1kHz ,测量精度优于5%。
(25分) (5) 其他。
(10分) (
分)
3.说明
(1)为提高电流传感器的灵敏度,可用用漆包线在锰芯磁环上绕制线圈,制作电流传感器。
(2)在锰芯磁环上绕N2匝导线,将流过被测电流的导线从磁环中穿过(N1=1),构成电流传感器。
2012年TI杯电子设计大赛(A题)——微弱信号检测装置的设计本系统选用了MSP430G2553单片机,OPA2134双音频运放,INA2134差分运放,OPA2227低噪声高精度运放,OP07运算放大器,TL431稳压器件等6个TI器件。
摘要:本系统为一套微弱信号检测装置,用以检测在强噪声背景下已知频率的微弱正弦波信号的幅度值,并数字显示出该幅度值。
正弦波信号源可以由函数信号发生器来代替。
噪声源采用给定的标准噪声(wav文件)来产生,通过PC机的音频播放器或MP3播放噪声文件,从音频输出端口获得噪声源,噪声幅度通过调节播放器的音量来进行控制。
当输入正弦波信号V S 的频率为1 kHz、幅度峰峰值在200mV ~ 2V范围内时,,要求误差不超过5%。
采用以TI公司超低功耗单片机MSP430G2553为核心的Launchpad开发板来处理数据和驱动1602液晶屏显示正弦波信号的幅度值。
关键字:噪声,微弱信号检测,MSP430G2553.Abstract:Weak Signal Detection system is used to test the magnitude of a Sine with known frequency,in the context of heavy noise,and display the magnitude with SMC1602. The noise is produced by the .wav file,and SDG1025 provide the Sine wave.Changing the volume can control the magnitude of the noise.The error should be under 5% when the Vpp ranging from 200mV to 2V with the frequency of 1KHz.The system is based on the Launchpad,with the core of ultra-low power MSP430G2553(MCU).Then deal with the data and display the magnitude with SMC1602. Keyword:noise, Weak Signal Detection system, MSP430G2553.1.方案设计1.1理论分析(1)加法器电路分析:在加法器电路的前端,用OPA2134做两个缓冲器,对输入加法器的正弦信号和噪声信号进行一级缓冲,隔离信号源和加法电路。
电子设计竞赛报告一、实验题目:如图1所示,由任意波信号发生器产生的信号经功率放大电路驱动后,通过导线连接10Ω电阻负载,形成一电流环路;设计一采用非接触式传感的电流信号检测装置,检测环路电流信号的幅度及频率,并将信号的参数显示出来。
图1 信号检测图二、测试电流方案:任意波信号发生器产生的信号经功率放大电路驱动后,通过导线连接10Ω电阻负载,形成一电流环路,然后将导线经过一个通过用漆包线在锰芯磁环上绕制的线圈,线圈的两端接上一个8.2Ω的电阻,把电流转化为电压,然后经过一个差分放大器,把小电压转化为大电压便于测量。
最后可以得到输出电压和环路电流的线性关系,当测得输出电压过后就可以计算出环路电流了,即测得了环路电流值。
三、线圈绕制及测试结果:(1)线圈绕制:用漆包线在锰芯磁环上绕制线圈,缠绕前需要制作一个梭子帮助绕制导线,缠绕过程中需要待上线织手套防止手汗影响线圈性能,缠绕大概100圈左右,注意线圈需要缠紧,最后线圈缠绕过后用胶布缠绕上,用砂纸打磨线圈的两端。
(2)N2线圈匝数测量把函数发生器与功率放大器,10Ω电阻相连接,同时导线要绕过线圈,线圈的两端接上一个电阻。
先改变函数发生器两端的电压,然后观察电阻两端的电压的变化,最后根据V1 R1n1=V2R2n2其中n1=1,R1=10Ω。
图2 8.2Ω所接线圈比值由图2和数据可以得到在10Ω的电阻的两端的电压较小的时候,测得的数据误差较大,可以去掉前面三个误差比较大的数据,得到的数据求平均值,得到的线圈的匝数为n 2=108.3301,可得匝数约为108匝。
由数据可得,在频率大于400HZ的时候,输出电压的大小不随函数发生器频率的改变而改变,在250HZ到400HZ的时候,输出电压的大小不随函数发生器频率的改变而变化较小,在小于250HZ的时候,输出电压的大小不随函数发生器频率的改变而变化较大。
图3 7.1Ω所接线圈比值由图3和数据可以得到在10Ω的电阻的两端的电压较小的时候,测得的数据误差较大,可以去掉前面五个误差比较大的数据,得到的数据求平均值,得到的线圈的匝数为n2=107.3434,可得匝数约为107匝。
2018年江苏省大学生电子设计竞赛设计报告(一等奖)竞赛选题:E题变流器负载试验中的能量回馈装置(本科)1.任务设计并制作一个变流器及负载试验时的能量回馈装置,其结构如图1所示。
变流器进行负载试验时,需在其输出端接负载。
通常情况下,输出电能消耗在该负载上。
为了节能,应进行能量回馈。
负载试验时,变流器1(逆变器)将直流电变为交流电,其输出通过连接单元与变流器2(整流器)相连,变流器2将交流电转换成直流电,并回馈至变流器1的输入端,与直流电源一起共同给变流器1供电,从而实现了节能。
+_U1图1 变流器负载试验中的能量回馈装置2.要求(1)变流器1输出端c、d仅连接电阻性负载,变流器1能输出50Hz、25V 0.25V、2A的单相正弦交流电。
(20分)(2)在要求(1)的条件下,变流器1输出交流电的频率范围可设定为20Hz~ 100Hz,步进1Hz。
(15分)(3)变流器1与能量回馈装置按图1所示连接,系统能实现能量回馈,变流器1输出电流I1 = 1A。
(20分)(4)变流器1与能量回馈装置按图1所示连接,变流器1输出电流I1 = 2A,要求直流电源输出功率P d越小越好。
(35分)(5)其他。
(10分)(6)设计报告(20分)3.说明(1)图1所示的变流器1及能量回馈装置仅由直流电源供电,直流电源可采用实验室的直流稳压电源。
(2)图1中的“连接单元”可根据变流器2的实际情况自行确定。
(3)电路制作时应考虑测试方便,合理设置测试点。
(4)能量回馈装置中不得另加耗能器件。
(5)图1中,a、b与c、d端应能够测试,a、c端应能够测量电流;c、d 端应能够断开,另接其他阻性负载。
0摘要本设计是一种采用STC12C5A60S2单片机为主控的变流器负载试验中的能量回馈装置。
其逆变板单片机采用查表法,输出SPWM到H桥,将输入的38v直流电压,逆变到25v 交流电输出,通过按键能控制其输出20~100Hz的正弦波,1Hz步进。
2018年TI杯大学生电子设计竞赛G题:简易数字信号时序分析装置(高职高专)1.任务设计一个数字信号时序分析装置,可在示波器(X-Y模式)上同时显示8路数字信号时序,装置的系统组成如图1所示。
跳接线图1 设计作品系统组成2.要求(1)设计制作8位数字信号发生电路,可产生8位并行移位循环输出的TTL 电平信号,TTL电平的外输入移位时钟clock信号频率为100kHz,D0 ~ D7循环输出的时序波形如图2。
(20分)(2)设计制作数字信号时序分析装置,通过键盘预置8位单级触发字TW ,满足触发条件(即D 0 ~ D 7刚好为预置的TW )时,可在示波器上不重叠地自左至右同时显示8路数字信号1个移位循环周期的时序波形。
(30分)(3)8路数字信号时序波形的触发时间位置可调,可分别选择“触发开始跟踪”、“中心触发”和“触发终止跟踪”三种方式(即触发字的时间位置可分别选在示波器屏幕的左侧、中间和右侧)。
(15分)(4)在示波器屏幕上添加可手动位移的时间标志线(屏幕上的竖亮线),并用8个LED 显示时间标志线对应时刻的8路数字信号的状态字SW (状态1时LED 点亮、状态0时LED 熄灭)。
(15分)(5)在触发字时刻,分析装置对8路数字信号的逻辑状态开始采集与存储,并可在示波器上回放2个移位循环周期的8路数字信号时序波形。
(10分)(6)其他 (10分) (7)设计报告 (20分)项 目主要内容满分 方案论证 比较与选择,方案描述。
3 理论分析与计算 系统相关参数设计5 电路与程序设计系统组成,原理框图与各部分电路图,系统软5D 0 D 1 D 2 D 3 D 4 D 5 D 6 D 710µs移位循环周期80µs图2 数字信号发生电路循环输出时序波形3.说明(1)8路数字信号发生电路输出与时序分析装置输入端D0 ~ D7之间采用跳线连接,供设计作品测试时可能颠倒输入接线顺序使用。
2018年全国大学生电子设计竞赛(TI杯)无线话筒扩音系统(F题)摘要本作品制作了一个短距无线话筒扩音系统,主要包括无线话筒和无线话筒接收机两部分。
无线话筒采用FM调制方式,载波频率为88MHz~108MHz,频率间隔200kHz, 音频信号带宽为40Hz~15kHz,使用两节1.5V电池供电,同时两只无线话筒可以在开机时自动检测信道占用情况并规避干扰信号。
无线话筒接收机由成品收音机改装,可以对两只无线话筒进行扩音或混声扩音,8欧负载下最大输出功率达到0.5W,通信距离大于10米。
关键词:无线话筒,扩音,FM,收音机AbstractThis work has produced a short-range wireless microphone amplification system, which mainly includes a wireless microphone and a wireless microphone receiver. The wireless microphone adopts FM modulation mode, the carrier frequency is 88MHz~108MHz, the frequency interval is 200kHz, the audio signal bandwidth is 40Hz~15kHz, and it is powered by two 1.5V batteries. At the same time, two wireless microphones can automatically detect channel occupancy and avoid when booting. Interference signal. The wireless microphone receiver is modified by the finished radio, which can be used for sound amplification or mixed sound amplification of two wireless microphones. The maximum output power is 0.5W under a load of 8 ohms, and the communication distance is greater than 10 meters.Key Words: Wireless Microphone, Audio Amplification, FM, Radio一、方案论证(一)系统方案描述本系统主要由无线话筒和无线话筒接收机两个部分构成,两部分的结构图分别如图1和图2所示。
2018年全国统一高考物理试卷(新课标Ⅰ)一、选择题:本题共8小题,每小题6分,共48分.在每小题给出的四个选项中,第1~5题只有一顶符合题目要求,第6~8题有多项符合题目要求.全部选对的得6分,选对但不全的得3分,有选错的得0分.1.(6分)高铁列车在启动阶段的运动可看作初速度为零的匀加速直线运动,在启动阶段,列车的动能()A.与它所经历的时间成正比B.与它的位移成正比C.与它的速度成正比D.与它的动量成正比2.(6分)如图,轻弹簧的下端固定在水平桌面上,上端放有物块P,系统处于静止状态,现用一竖直向上的力F作用在P上,使其向上做匀加速直线运动,以x表示P离开静止位置的位移,在弹簧恢复原长前,下列表示F和x之间关系的图象可能正确的是()A.B.C.D.3.(6分)如图,三个固定的带电小球a,b和c,相互间的距离分别为ab=5cm,bc=3cm,ca=4cm,小球c所受库仑力的合力的方向平行于a,b的连线,设小球a,b所带电荷量的比值的绝对值为k,则()A.a,b的电荷同号,k=B.a,b的电荷异号,k=C.a,b的电荷同号,k=D.a,b的电荷异号,k=4.(6分)如图,导体轨道OPQS固定,其中PQS是半圆弧,Q为半圆弧的中点,O为圆心。
轨道的电阻忽略不计。
OM是有一定电阻。
可绕O转动的金属杆,M端位于PQS上,OM与轨道接触良好。
空间存在与半圆所在平面垂直的匀强磁场,磁感应强度的大小为B,现使OM从OQ位置以恒定的角速度逆时针转到OS位置并固定(过程Ⅰ);再使磁感应强度的大小以一定的变化率从B 增加到B′(过程Ⅱ)。
在过程Ⅰ、Ⅱ中,流过OM的电荷量相等,则等于()A.B.C.D.25.(6分)如图,abc是竖直面内的光滑固定轨道,ab水平,长度为2R;bc是半径为R的四分之一圆弧,与ab相切于b点。
一质量为m的小球,始终受到与重力大小相等的水平外力的作用,自a点处从静开始向右运动。
重力加速度大小为g。
全国大学生电子设计竞赛2018年TI杯模拟电子系统设计邀请赛数字多用表(A题)1.任务设计并制作一台具有直流电压、交流电压和电阻测量功能的数字多用表。
其中,A/D转换器要求使用ADS112C04芯片。
2.要求(1)直流电压测量(只要求测量正极性电压)(23分)①量程(有效值):0.2V、2V;②最大显示数19999;精度:±0.05%读数±2个字;③测量速度≥2次/s;输入阻抗≥10MΩ。
(2)交流真有效值电压测量。
被测信号为正弦波或非正弦波信号,直流偏移电压为0V,频率范围:10~100Hz。
(32分)①量程:0.2V、2V;②最大显示数1999;精度:±0.8%读数±2个字;③测量速度≥2次/s;输入阻抗≥10MΩ;(3)电阻测量(23分)①电阻量程:2Ω、200kΩ;②测量速度≥2次/s;③最大读数1999;精度:±0.5%读数±2个字。
(4)具有待机模式的低功耗性能。
(12分)①待机模式的低功耗性能:在测量过程中,若1分钟内无键按下,仪器能自动转入待机状态;再按任意键,仪器能返回工作状态。
②待机工作状态时的功耗≤2.5mW。
(5)其他。
(10分)(6)设计报告(10分)项目主要内容满分方案论证比较与选择,方案描述2理论分析与计算系统相关参数设计4电路与程序设计系统组成,原理框图与各部分的电路图,系统软件与流程图2测试方案与测试结果测试结果完整性,测试结果分析2总分103.说明(1)作品可采用现场提供的直流稳压电源供电。
(2)真有效值又称全波有效值,其值为被测信号的均方根值。
当采用数字取样方法时,先对被测信号在一个周期内进行等间隔采样,再计算出所有采集数据的均方根值,其计算公式为:式中,n为在一个交流电压周期T内的取样点数。
2018年TI杯大学生电子设计竞赛
E题:变流器负载试验中的能量回馈装置(本科及高职高专)
1.任务
设计并制作一个变流器及负载试验时的能量回馈装置,其结构如图1所示。
变流器进行负载试验时,需在其输出端接负载。
通常情况下,输出电能消耗在该负载上。
为了节能,应进行能量回馈。
负载试验时,变流器1(逆变器)将直流电变为交流电,其输出通过连接单元与变流器2(整流器)相连,变流器2将交流电转换成直流电,并回馈至变流器1的输入端,与直流电源一起共同给变流器1供电,从而实现了节能。
+
_U1
图1 变流器负载试验中的能量回馈装置
2.要求
(1)变流器1输出端c、d仅连接电阻性负载,变流器1能输出50Hz、25V 0.25V、2A的单相正弦交流电。
(20分)(2)在要求(1)的条件下,变流器1输出交流电的频率范围可设定为20Hz~100H,步进1Hz。
(15分)(3)变流器1与能量回馈装置按图1所示连接,系统能实现能量回馈,变流器1输出电流I1 = 1A。
(20分)(4)变流器1与能量回馈装置按图1所示连接,变流器1输出电流I1 = 2A,要求直流电源输出功率P d越小越好。
(35分)(5)其他。
(10分)(6)设计报告(20分)项目主要内容满分方案论证比较与选择,方案描述 3
理论分析与计算系统相关参数设计 5
电路与程序设计系统原理框图与各部分的电路图,系统软件流程图 5
测试方案与测试结果测试方案合理,测试结果完整性,测试结果分析 5
设计报告结构及规范性摘要,正文结构规范,图表的完整与准确性。
2
总分20 3.说明
(1)图1所示的变流器1及能量回馈装置仅由直流电源供电,直流电源可采用实验室的直流稳压电源。
(2)图1中的“连接单元”可根据变流器2的实际情况自行确定。
(3)电路制作时应考虑测试方便,合理设置测试点。
(4)能量回馈装置中不得另加耗能器件。
(5)图1中,a、b与c、d端应能够测试,a、c端应能够测量电流;c、d端应能够断开,另接其他阻性负载。