国内小C臂厂家的技术参数一览表
- 格式:doc
- 大小:46.00 KB
- 文档页数:20
一体化移动式平板C型臂X光机调研参数
一体化移动式平板C型臂X光机调研参数
一、主要技术性能、功能要求
用途:此C臂为四肢骨科及手足外科专用,满足科室不同的骨科手术需求,辐射剂量低。
1、C臂类型为一体化移动平板式迷你C型臂,
2、一体化设计,只需一人即可移动设备,可大幅节省占地空间,有效解决手术室空间拥挤以及手术间转运设备的问题。
3、C臂上下运动≥850mm,水平旋转≥90°
4、可通过脚踏曝光开关和手闸曝光开关曝光。
5、配套数字图像工作站,配备≥19寸医用显示屏。
二、配置需求:
1、一体化移动C臂系统主机1台
2、工作键盘1个。
3、配套软件1套
4、全中文操作手册、维修手册1套。
5、皮肤间隔器1个
6、激光定位器1个
7、脚踏开关1个
三、售后服务要求:
1)免费提供操作、维护、维修培训;2)提供用户操作手册(含电子版)、维修手册(电路图);3)保修期:整机保修2年(含)以上;4)注明易损件(如球管、探测器、准直器等)使用寿命、单价。
5)注明免费保修期后维保价格。
6)维护响应时间:≤24小时。
7)软件免费重装及升级。
8)提供数据采集接口协议。
移动C臂3D招标技术参数国际知名品牌移动DR技术参数国际知名品牌一、设备用途:设备为可应用于床旁、放射科和体检中心的可移动式X线摄影设备,可进行全胸、全腹、四肢、脊柱等各部位数字化X线摄影,要求定位方便快速、灵活准确,数字X射线成像装置与X线发生器高度集成,病人信息录入、X线曝光参数设定和数字成像软件均由触摸屏控制。
可即刻显示摄影资料,并可以贮存在大容量硬盘里,可以连接PACS网络或直接打印图像。
二、主要部件及性能参数:全数字、全高清三晶片关节镜技术参数国际知名品牌脊柱无创减压医治设备参数国际知名品牌双泵血液透析机技术参数国际知名品牌血液净化反渗水处置系统技术参数国际知名品牌功能要求:血液透析中心专用双级反渗水处置系统,知足透析用水需要。
技术参数:一、系统功能要求1)水处置系统为血液透析专用单台主机双级反渗系统,设计成熟,运行靠得住。
全闭路循环管路供水,循环结尾回流至反渗系统进水端。
整个系统内无反渗水储水装置(直供水型)。
2)★单台双级反渗主机的产水量在水温低至6℃时达2800L/小时,能保证≥70台血液透析机用水需要。
3)反渗机出水端口和循环管路结尾口的水质始终达到:细菌<100CFU/ml,内毒素<ml。
4)具有食物药品监督管理局颁发的《医疗器械注册证》及《医疗器械注册记录表》。
5)★反渗机主机采用3组以上高品质风冷高压离心泵,提供足够的后备冗余,保证反渗主性能够长时间持续运行。
6)★反渗主机和反渗水输送管路(包括:主管路和到血透机的次管路)可以同步进行全自动化学消毒,消毒后能全自动冲洗干净所有消毒液,保证冲洗后无任何化学消毒液的残留。
7)反渗性能在电脑(CPU)控制下全自动运行。
反渗机在不透析期间,能够按时自动冲洗反渗膜及输水环路。
8)反渗性能够自动冲洗反渗膜,避免微生物在反渗膜上附着。
9)泄漏安全性,反渗机不工作时具有反渗主机和管道的泄漏监测及报警。
10)预处置的罐体、控制头和填料都必需采用高品质的产品,且搭配合理,单套软水产水量为:8吨/小时。
移动式C形臂X射线机适用范围:适用于医疗机构急诊室、病房、手术室进行X 射线透视、摄影诊断。
1.1型号命名1.2 产品型号1.3产品组成该产品由HMC-200型高压发生器(含高压电缆)、X射线管组件、医用X射线限束器、移动式C形臂车架、动态平板探测器、监视器、数字图像系统、监视器车架组成。
该产品各部件的技术特性及产品配置见表1。
表1 产品配置表1.4 X射线发生装置基本参数a)主逆变频率:40kHz;b)最高管电压:125kV;c)最高管电流:HHMC-200D:200mA;d)最大电流时间积:250mAs;e)最大输出电功率: HHMC-200D:20kW;2.1 工作条件2.1.1 环境条件a)环境温度:+10℃~+40℃;b)相对湿度:30%~75%;c)大气压力:700hPa~1060hPa。
2.1.2 电源条件a)电源电压:单相220V±22V;b)电源频率:50Hz±1Hz;c)电源电阻:不大于1.0Ω;d)电源容量:不小于4kVA。
2.2 电功率2.2.1最大输出电功率:见表22.2.2标称电功率:见表2表2 产品最大输出电功率2.3 性能要求2.3.1 X射线管电压a)摄影管电压的调节范围:(40~125)kV,每档1kV;b)透视管电压的调节范围:(40~120)kV,每档1kV;c)X射线管电压值的偏差应符合GB9706.3-2000中50.103.1的要求;2.3.2 X射线管电流a)摄影管电流的调节范围见表,分档可调,分档数从R’10数系中选取;b)透视管电流调节范围见表,普通透视每档0.1mA,增强透视与脉冲透视每档1mA;c)管电流值的偏差应符合GB9706.3-2000中50.103.2的要求;2.3.3 电流时间积a)电流时间积的调节范围:(1~250)mAs,分档可调,分档数从R’10数系中选取;b)电流时间积值的偏差应符合GB9706.3-2000中50.103.4的要求;2.3.4 防过载X射线机应有防过载措施,保证加载因素的选择不会超过X射线管的额定容量。
移动式C形臂X射线机适用范围:OEC Elite MiniView 移动式 C 形臂 X 射线机用于提供四肢透视影像,不适用于乳腺成像。
1.1产品型号产品的基本组成包括移动式C形臂架(型号:5999100)、X射线发生器(型号:SB-80-200R)、平板探测器(型号:CD22M1111)、显像装置,限束器(型号:5999140)以及热敏打印机(选配)。
本产品主要部件技术特性和规范组成部件见表1。
表1 主要部件的技术特性和规范2.1 工作条件2.1.1环境条件a)环境温度 10℃~35℃;b)相对湿度 20% ~ 80%;c)大气压力 660hPa ~ 1060hPa。
2.1.2 电源条件a)电源电压:单相交流220V;b)电源频率:50Hz;c)电源内阻:≤0.6Ω;d)电源容量:1.2kVA。
2.2 电功率最大输出电功率:0.0128kW(80kV,160uA);2.3加载因素及控制2.3.1 X射线管电压a)调节范围:40kV ~ 80kV (连续调节)b)偏差:≤10%2.3.2X射线管电流a)调节范围b)偏差:≤20%2.4 空气比释动能、空气比释动能率、空气比释动能面积乘积指示空气比释动能指示:偏差:≤35%空气比释动能率指示:偏差:≤35%空气比释动能面积乘积指示:偏差:≤35%2.5 X射线透视用X射线平板探测器入射面的空气比释动能率应小于100mR/min2.6 配有X射线平板探测器的X射线透视入射空气比释动能率a)入射空气比释动能率应小于5R/minb)最大空气比释动能率应小于10R/min2.7 带有X射线平板探测器的X射线机的低对比度分辨率低对比度分辨率值不大于4%。
2.8 软件功能a)患者信息管理: 创建、预约、检索、删除病人信息;b)图像获取及基本图像处理功能:图像存储、黑白反相、边缘增强、亮度对比度手动和自动调节;c)图像管理:图像查看、删除、DICOM存储及打印;d)图像标注、角度及距离测量;e)图像比对、局部放大;f)曝光剂量监测及管理功能;g)系统功能设置,系统锁定。
骨科移动C臂X光机主要技术参数
一、产品特点
1.拥有较高的辐射安全性:采用实时监测技术,可检测拍片强度的变化以及不同拍片时,辐射强度将变化,对经营者及患者都有较大的安全性;
2.非常低的辐射负荷:可以根据计算机技术和管式X射线管的特点,精确控制辐射负荷,所拍摄的图像清晰;
3.采用C型支架,可达到完全不限角度的投影,便于解剖部位的拍摄;
4.通过智能计算机技术,可实时调整操作台的转速,以实现最佳的拍片品质;
5.拥有先进的数字图像处理技术,可以有效减少失焦的模糊现象;
6.采用数字强化技术,实现X光片的数字化处理,可以实现数字化图像的精确处理和显示;
7.带有液压支撑技术,使操作平台可以随患者身高和体型自动调节,提供较高的使用便利性;
8.配有优质的操作平台,可以实现快捷、高效的拍片;
9.拥有多种不同的拍片模式,可以根据病情的不同,采用不同的拍片模式,实现最优的拍片效果;
10.拥有先进的软件系统,可实现细节处理,以实现良好的拍片效果;
11.采用广谱辐射技术,可以满足实验室的不同研究需求;
12.采用数字图像处理和多种特殊拍片模式,可以满足不同病情的处理要求;。
C型臂技术参数一、主要功能及用途:多功能型C型臂,适用于血管外科、介入科、骨科、普外科、泌尿外科等二、 C型臂架构2.1 垂直升降:≥380mm2.2 水平移动:≥200mm2.3 沿轨道旋转: 132º(-42º to +90º)2.4 轴向旋转:≥±190º2.5 左右摇摆:≥±10º2.6 影像增强器到焦点距离:≥1000mm2.7 C臂开口径:≥780mm*2.8 C臂深度:≥730mm2.9 一体化、单脚刹车系统:是三、X线发生器*3.1最大输出功率:≥25KW*3.2 最大电压:≥125KV#3.3 透视最大电流≥15.2mA*3.4 脉冲透视最大电流:≥67mA3.5 数字点片(DR)最大电流≥250mA3.6 发生器频率:≥35KHZ高频/多脉冲处理器控制3.7 脉冲频率:≥8p/s4.1 双焦点(列出焦点尺寸):0.3/0.54.1.1 小焦点:≤0.3*4.1.2大焦点≤0.54.2 阳极热容量≥270KHU*4.3 球管热容量:≥2.565MHU五影像增强器及摄影系统5.1 影像增强器类型:请注明影像增强器类型*5.2影像增强器视野:≥13英寸可变野5.3 影像增强器中心分辨率:≥5.4LP/mm5.4摄影系统类型特点:CCD*5.5 图像采集矩阵:≥1000×900×12bit5.6图像处理矩阵:≥1000×900×12bit5.7 CCD旋转角度:≥±360º*5.8滤线器线帧数:≥70线*5.9 滤线器栅比:≤1:17六、准直器6.1 双准直器:具备6.2 无射线数字图像旋转:具备七、监视器#7.1监视器:≥19”TFT高分辨率医用显示器2台1.2最大分辨率:≥1280×10241.3最大亮度:≥600cd/cm21.4可视角度:≥±170º1.5对环境光亮度自动补偿功能7.6监视器可旋转,方便不同角度观察影像(注明旋转角度)≥210º7.7配备原厂显示器台车:具备八、数字图像处理8.1图像左右翻转、上下翻转、旋转、黑白旋转(负片)功能:具备8.2 实时边缘增强功能:具备8.3实时自动、手动窗位调整功能:具备8.4 实时动态降噪功能:具备8.5 实时去除运动伪影功能:具备8.6 实时金属修正功能:具备8.7 实时软组织修正功能:具备#8.9 自定义曝光程序:≥200个8.10 窗位调节功能:≥6个自定义窗位调节范围8.11 边缘增强功能:≥3个自定义边缘增强范围#8.12 图像同屏显示: 1、4、9、16幅多种模式可选8.13 图像剂量三级可调:具备8.14 最后一幅图像自动冻结功能LIH:具备8.15 窗口操作界面:具备8.16 图形化显示按键:便于理解及操作#8.17 存贮图像容量(内置工作站硬盘存储):≥60000幅8.18 光盘刻录功能:具备#8.19 UPS不间断电源:具备九、其他*9.1 整机进口原厂生产:满足*9.2 设备主机、影像增强器,球管等主要部件为同一品牌:满足。
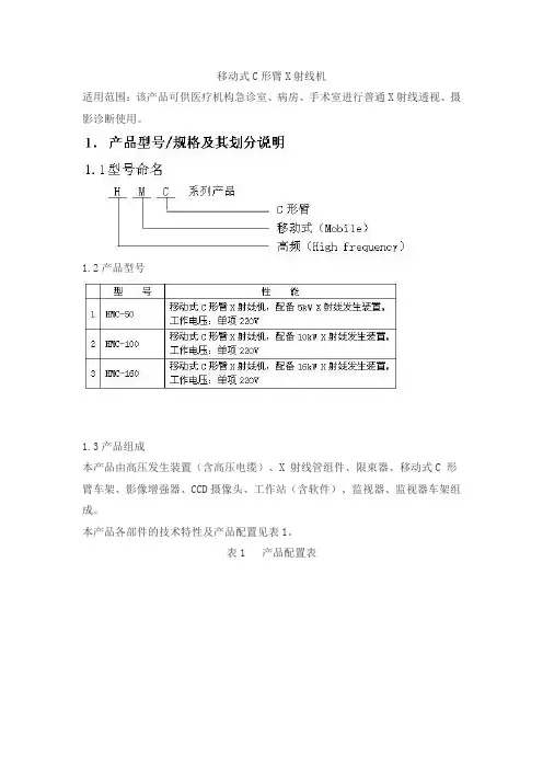
移动式C形臂X射线机适用范围:该产品可供医疗机构急诊室、病房、手术室进行普通X射线透视、摄影诊断使用。
1.2产品型号1.3产品组成本产品由高压发生装置(含高压电缆)、X 射线管组件、限束器、移动式C 形臂车架、影像增强器、CCD摄像头、工作站(含软件)、监视器、监视器车架组成。
本产品各部件的技术特性及产品配置见表1。
表1 产品配置表1.4 X射线发生装置基本参数a)主逆变频率:40kHz;b)最高管电压:125kV;c)最高管电流:HMC-50:100mA;HMC-100:160mA;HMC-160:200mA;d)最大电流时间积:250mAs;e)最大输出电功率:HMC-50:5kW;HMC-100:10kW;HMC-160:16kW;2 性能指标2.1工作条件2.1.1 环境条件a)环境温度:10℃~40℃;b)相对湿度:30%~75%;c)大气压力:700hPa~1060hPa。
2.1.2 电源条件a)电源电压:单相220V±22V;b)电源频率:50Hz±1Hz;c)电源电阻:不大于1.0Ω;d)输入功率:不小于4kVA。
2.2 电功率2.2.1最大输出电功率:见表2表2 产品最大输出电功率2.3 加载因素控制2.3.1 X射线管电压a)摄影管电压的调节范围:(40~125)kV,每档1kV;b)透视管电压的调节范围:(40~120)kV,每档1kV;c)X射线管电压值的偏差应符合GB9706.3-2000中50.103.1的要求。
2.3.2 X射线管电流a)摄影管电流的调节范围见表,分档可调,分档数从R’10数系中选取。
b)透视管电流调节范围见表,普通透视每档0.1mA,增强透视与脉冲透视每档1mA。
c)管电流值的偏差应符合GB9706.3-2000中50.103.2的要求。
2.3.3 电流时间积a)电流时间积的调节范围:(1~250)mAs,分档可调,分档数从R’10数系中选取。
性能参数尺寸参数整机全长13750整机全宽2750整机全高3650第一、第二轴距1450第二、第三轴距3850第三、第四轴距1350重量参数整机总质量(kg)42000一、二轴(kg)15600三、四轴(kg)26400动力参数发动机型号上柴SC9DK320Q3 发动机额定功率(kw/r/min)235/2200发动机最大扭矩N.m/(r/min)1250/1500-1600 行驶参数最高行驶速度(km/h)78最小转弯直径(m)24最小离地间隙(m)232接近角(°) 18离去角(°) 12爬坡度(%)35百公里油耗(L/100km)45主要性能参数最大额定起重量(t)55最小额定幅度(m) 3基本臂最大起重力矩(KN.m)1786全伸臂最大起重力矩(KN.m)956最长主臂+副臂最大起重力矩(KN.m)392纵向支腿跨距(m) 6横向支腿跨距(m)7.2基本臂长(m)11.5全伸臂长(m)42.5最长主臂+副臂长度(m)58.5基本臂起升高度(m)12最长主臂起升高度(m)43最长主臂+副臂起升高度58.8副臂安装角0°、15°、30°工作速度参数起重臂变幅时间(起幅/落幅)(s)80/60起重臂伸缩时间(伸/缩)(s)120/100最大回转速度(r/min) 2.4主卷扬单绳最大速度(m/min)135副卷扬单绳最大速度(m/min)135水平支腿同时伸/缩时间(s)45/40垂直支腿同时伸/缩时间(s)45/30。
关于国内小C臂厂家的技术参数一览表一. X射线发生器Ø 发生器类型:高频逆变组合结构机头Ø 输出功率: 3.5kWØ 高频专用X射线管:固定阳极,小焦点 0.6mm 大焦点 1.5mm阳极热容量 30KJ(40KHU)Ø 工作电压: 40 ~ 110kV 连续Ø 工作电流:普通透视 0.3 ~ 4mA连续自动透视 0.3 ~ 4mA手动脉冲透视 4.1 ~ 8mA连续摄片40~49kV(1~125mAs), 50~59kV(1~115mAs)60~69kV(1~90 mAs) 70~79kV(1~80 mAs)80~89kV(1~71 mAs) 90~99kV(1~63 mAs)100~110kV(1~40mAs)二. 影像增强电视系统Ø 日本东芝原装进口影像增强器(9”)Ø 一体化增强+CCD+CCUØ 采用原装进口超低照度的CCD摄象机Ø 逐行输出扫描方式,8级降噪,7幅图象存储Ø 图象垂直,水平镜向,正负像Ø LIH(末帧图像冻结)OSD(监视器显示)三. 监视器Ø 两台14″医用监视器Ø 水平中心分辨率1000线,边缘800线Ø 水平带宽≥12.5MHZ, 每秒图象数25帧四. 机械参数Ø 水平移动:200mmØ 垂直升降:400mmØ 左右摆动:±15°Ø C臂圆弧滑动:120°(-30°~90°)Ø 绕水平轴转动:±180°Ø C臂弧深: 600mmØ S.I.D 900mmØ 导向轮±90°旋转Ø 片夹尺寸250mm×300 mm(10″×12″)或200mm×250 mm(8″×10″)主要特点Ø 外型小巧美观,操作使用方便,主机五轮支撑设计,使用更稳定可靠;Ø 具有透视KV自动跟踪功能,使图像亮度、清晰度自动处于最佳状态;Ø 具有透视状态末幅图像自动存储功能,便于诊断;Ø 高品质组合式X射线发生器,大大减少X射线辐射量。
关于国内小C臂厂家的技术参数一览表一. X射线发生器Ø 发生器类型:高频逆变组合结构机头Ø 输出功率: 3.5kWØ 高频专用X射线管:固定阳极,小焦点 0.6mm 大焦点 1.5mm阳极热容量 30KJ(40KHU)Ø 工作电压: 40 ~ 110kV 连续Ø 工作电流:普通透视 0.3 ~ 4mA连续自动透视 0.3 ~ 4mA手动脉冲透视 4.1 ~ 8mA连续摄片40~49kV(1~125mAs), 50~59kV(1~115mAs)60~69kV(1~90 mAs) 70~79kV(1~80 mAs)80~89kV(1~71 mAs) 90~99kV(1~63 mAs)100~110kV(1~40mAs)二. 影像增强电视系统Ø 日本东芝原装进口影像增强器(9”)Ø 一体化增强+CCD+CCUØ 采用原装进口超低照度的CCD摄象机Ø 逐行输出扫描方式,8级降噪,7幅图象存储Ø 图象垂直,水平镜向,正负像Ø LIH(末帧图像冻结)OSD(监视器显示)三. 监视器Ø 两台14″医用监视器Ø 水平中心分辨率1000线,边缘800线Ø 水平带宽≥12.5MHZ, 每秒图象数25帧四. 机械参数Ø 水平移动:200mmØ 垂直升降:400mmØ 左右摆动:±15°Ø C臂圆弧滑动:120°(-30°~90°)Ø 绕水平轴转动:±180°Ø C臂弧深: 600mmØ S.I.D 900mmØ 导向轮±90°旋转Ø 片夹尺寸250mm×300 mm(10″×12″)或200mm×250 mm(8″×10″)主要特点Ø 外型小巧美观,操作使用方便,主机五轮支撑设计,使用更稳定可靠;Ø 具有透视KV自动跟踪功能,使图像亮度、清晰度自动处于最佳状态;Ø 具有透视状态末幅图像自动存储功能,便于诊断;Ø 高品质组合式X射线发生器,大大减少X射线辐射量。
关于国内小C臂厂家的技术参数一览表主要技术性能一. X射线发生器Ø 发生器类型:高频逆变组合结构机头Ø 输出功率:3.5kWØ 高频专用X射线管:固定阳极,小焦点0.6mm 大焦点1.5mm阳极热容量30KJ(40KHU)Ø 工作电压:40 ~110kV 连续Ø 工作电流:普通透视0.3 ~4mA连续自动透视0.3 ~4mA手动脉冲透视4.1 ~8mA连续摄片40~49kV(1~125mAs),50~59kV(1~115mAs)60~69kV(1~90 mAs)70~79kV(1~80 mAs)80~89kV(1~71 mAs)90~99kV(1~63 mAs)100~110kV(1~40mAs)二. 影像增强电视系统Ø 日本东芝原装进口影像增强器(9”)Ø 一体化增强+CCD+CCUØ 采用原装进口超低照度的CCD摄象机Ø 逐行输出扫描方式,8级降噪,7幅图象存储Ø 图象垂直,水平镜向,正负像Ø LIH(末帧图像冻结)OSD(监视器显示)三. 监视器Ø 两台14″医用监视器Ø 水平中心分辨率1000线,边缘800线Ø 水平带宽≥12.5MHZ, 每秒图象数25帧四. 机械参数Ø 水平移动:200mmØ 垂直升降:400mmØ 左右摆动:±15°Ø C臂圆弧滑动:120°(-30°~90°)Ø 绕水平轴转动:±180°Ø C臂弧深:600mmØ S.I.D 900mmØ 导向轮±90°旋转Ø 片夹尺寸250mm×300 mm(10″×12″)或200mm×250 mm(8″×10″) 主要特点Ø 外型小巧美观,操作使用方便,主机五轮支撑设计,使用更稳定可靠;Ø 具有透视KV自动跟踪功能,使图像亮度、清晰度自动处于最佳状态;Ø 具有透视状态末幅图像自动存储功能,便于诊断;Ø 高品质组合式X射线发生器,大大减少X射线辐射量。
主要用途对四肢整骨、复位、打钉。
外科:取体内异物、心导管、植入起博器、介入治疗、部分造影术及局部摄影等工作。
备注:可选配日本东芝一体化影像增强器,实现以下功能:32级降噪,8幅图像存贮;图像垂直、镜像翻转,正负像,重要图像锁定;电动光圈,消隐圆,γ较正本清源;LIH(末帧图像冻结)OSD(监视器显示)华东电子DG3310B高频移动式C形臂X射线机主要技术性能一. X射线发生器Ø 发生器类型:高频组合机头(IMD公司北京组装)Ø 输出功率:3.5kWØ X射线管:固定阳极,小焦点0.6mm大焦点1.5mm管套热容量500KJØ 工作电压:40 ~110kVØ 工作电流:普通透视(手动或自动)0.5 ~5mA 脉冲透视(kV手动)5mA 2次脉冲/秒脉宽250ms 单脉冲透视(kV手动)10mA 脉宽250ms摄片30mA、60mA(1~250mAs)二. 影像增强电视系统Ø 三视野影像增强器(4.5″/6″/9″)Ø 1/2”ICD-47E CCDØ 768 ×576 ×8 bit 分辨率Ø 360°图像旋转功能Ø 递归降噪、末帧冻结、6帧图象存储、正负片功能三. 监视器、影像工作站Ø 两台14″医用监视器Ø 选配8万幅图像存储器四. 机械参数Ø 水平移动:0 ~ 200mmØ 上下运动:0 ~ 400mm(电动)Ø 摆角:±12.5°Ø 沿圆弧轨道旋转:-25°~90°Ø 绕水平轴转动:±180°Ø C臂弧深:630mmØ S.I.D 900mmØ 限束器圆形多页虹膜式Ø 外型尺寸:主机1800mm ×800mm ×1850mm显示器750mm ×530mm ×1680mm主要特点Ø 意大利IMD高频发生器Ø 大屏触摸液晶显示,可左右旋转90度Ø 挡线轮北京大恒DHXC-Ι型移动式高频医用诊断X射线机主要技术性能一. X射线发生器Ø 发生器类型:高频组合机头(自产)Ø 输出功率:3kWØ X射线管:固定阳极,小焦点0.6mm大焦点2.0mmØ 工作电压:40 ~110kV (41档)Ø 工作电流:普通透视0.3 ~3mA 每档0.1mA脉冲透视最高30次/秒摄片1~100mAs (40挡)二. 影像增强电视系统Ø 东芝9″影像增强器Ø 分体或一体化40万像素CCD摄像头Ø 递归降噪、运动检出功能Ø 末帧冻结保持、4帧参考图象存储Ø 影像运动:影像上下、左右翻转,顺逆时针旋转三. 监视器、影像工作站Ø 两台14″625线医用监视器四. IBS控制/ Kv、mA控制Ø mA优先,kV控制自动亮度调整Ø 微机硬件闭环控制以保证准确的输出五. 机械参数Ø 水平移动:0 ~ 200 mmØ 上下运动:0 ~ 400 mm(电动)Ø 摆角:±12.5°Ø 沿圆弧轨道旋转:-25°~90°Ø 绕水平轴转动:±180°Ø C臂弧深:580mmØ C臂开口:750mmØ S.I.D 900mmØ 限束器双叶单向电机驱动连续可调主要特点Ø 全中文菜单操作界面Ø 大屏幕触摸液晶显示屏西安航天恒星NOVA TR60高频C臂X线机主要技术性能一. X射线发生器Ø 发生器类型:高频组合式X线球管(自产)Ø 输出功率:3.6kWØ X射线管:固定阳极,小焦点0.6mm大焦点1.5mm管套热容量76000HUØ 工作电压:40 ~110kVØ 数字点片KV 范围60-110kV / 16mA / 频率6帧/秒Ø 工作电流:普通透视(手动或自动)0.2 ~4mA 增强透视5~10mA 脉宽100ms脉冲透视参数自动控制摄片最大电流60mA(1~150mAs)二. 影像增强电视系统Ø 三视野影像增强器(4.5″/6″/9″)Ø XTV-ZHD 5403H型CCD电视设备Ø 数字动态自适应降噪Ø 44万像素高分辩率摄像机Ø 病员图像档案管理三. 监视器、影像工作站Ø 两台14″医用监视器(17”)Ø 80000幅图像存储及末帧保持四. 机械参数Ø 水平移动:0 ~ 200mmØ 上下运动:0 ~ 400mm(电动)Ø 摆角:±12°Ø 沿圆弧轨道旋转:115 °(-25°~90°)Ø 绕水平轴转动:±200°Ø C臂弧深:610mmØ S.I.D 910mmØ 限束器圆形多页虹膜式及平行光阑Ø 外型尺寸:主机1752mm ×800mm ×1800mm 主要特点Ø 专业控制计算机不易感染计算机病毒Ø 双显示器便于手术前后的对比分析主要技术性能一. X射线发生器Ø 发生器类型:高频逆变一体化结构组合机头Ø 输出功率:3.5kWØ 高频专用X射线管:固定阳极,小焦点0.6mm 大焦点1.5mm阳极热容量不小于57KJ(76KHU)Ø 工作电压:40 ~110kV 连续每档1KVØ 工作电流:普通透视0.1 ~4mA增强透视0.2 ~8mA摄片30~70mA(1~160mAs)Ø 多重安全连锁保护二. 影像增强电视系统Ø 高分辨无闪烁图像输出Ø 一体化增强+CCD+CCUØ 三视野影像增强器(4.5″/6″/9″)Ø 47万像素高分辨率数字CCDØ 360°图像自由旋转功能Ø 16级数字降噪处理存储及末帧保持,5档可调(0、2、4、8、16)Ø 运动检测功能三. 监视器Ø 双路17″高清晰专业医用监视器Ø 高分辨率、无闪烁图像显示四. 机械参数Ø C型臂机架结构全平衡设计Ø 水平移动:200mmØ 垂直升降:420mm(原装进口电动顶杆升降系统)Ø 左右摆动:±12.5°Ø C臂圆弧滑动:115°(-25°~90°)Ø 绕水平轴转动:±185°Ø C臂弧深:700mmØ S.I.D 1000mmØ 进口滤线栅Ø 限束器巩膜式+ 旋转双叶片Ø 激光十字定位器Ø 片夹尺寸250mm×300 mm(10″×12″)五. 影像工作站Ø 嵌入式操作系统Ø 10bit高清晰图像,全程32bit数字处理系统(具有图像翻转、灰度处理等功能)Ø 最大可达8万幅以上的图像存储Ø 无闪烁视频/ 50Hz视频/网络传输同步输出Ø 视频打印输出接口主要特点Ø 自主研发高频逆变X射线发生器技术Ø 采用高清晰、无闪烁图像显示,保护操作人员的眼睛Ø 标配双路17″高亮度、高清晰专业医用监视器Ø 嵌入式操作系统,简化的操作界面使手术更加快捷有效Ø 大弧深、大直径C型臂,充分满足临床操作Ø 国内率先采用高亮度无视角死区的进口VFD屏,提供各种曝光和透视控制参数Ø 十字激光定位中心方便手术中迅速定位,减少医患者的辐照伤害Ø 超大容量图像存储工作站,图像永久保存Ø 增强的机械设计和外形新工艺使系统更稳定、更美观主要用途该设备适用于医院外科、骨外、介入科、急诊室、手术室、ICU等手术中拍片和成像,同时也适用于各种检查治疗和任何科室的临床使用西安蓝港NHC-35型C形臂高频X线机主要技术性能一. X射线发生器Ø 发生器类型:高频组合机头(IMD公司北京组装)Ø 输出功率:3.5kWØ X射线管:固定阳极,小焦点0.6mm大焦点1.5mm管套热容量500KJØ 工作电压:40 ~110kVØ 工作电流:透视0.1 ~4mA摄片20mA ~65mA二. 影像增强电视系统Ø 一体化成像单元(泰雷兹+CCD)或(东芝增强器+CCD)Ø 可变三视野增强器(4.5″/6″/9″)Ø CCD 47万像素Ø 25帧/秒隔行扫描,625线Ø 16级动态降噪、4档可调(2、4、8、16)Ø 末帧冻结、IBS功能Ø 图像水平垂直翻转功能三. 监视器、影像工作站Ø 14″监视器一台Ø 高分辨率采集卡1024×768 Ø 图象处理及诊断报告软件一套Ø 计算机Ø 激光打印机四. 机械参数Ø 水平移动:0 ~ 200mmØ 上下运动:0 ~ 400mmØ 摆角:±12.5°Ø 沿圆弧轨道旋转:115°Ø 绕水平轴转动:360°Ø C臂弧深:630mmØ S.I.D 900mmØ 限束器圆形多页虹膜式Ø 外型尺寸:主机1800mm ×800mm ×1850mm 显示器750mm ×530mm ×1680mm主要特点Ø 意大利IMD高频发生器Ø 大屏触摸液晶显示,可左右旋转90度Ø 挡线轮。