MR-J3伺服新教材PPT
- 格式:ppt
- 大小:3.91 MB
- 文档页数:65
三菱伺服报警代码时间:2014-08-25来源:电工之家作者:编辑部使用三菱交流伺服系统主要由三个系列:MR-ES、MR-J2S、MR-J3。
通常故障情况可由伺服驱动器上显示代码来初步判断,以下是几种常见的故障及其排查方法:1、AL.E6 -表示伺服紧急停止。
引起此故障的原因一般有两个,一个是控制回路24V电源没有接入,另一个是CN1口EMG和SG之间没有接通。
2、AL.37-参数异常。
内部参数乱,操作人员误设参数或者驱动器受外部干扰导致。
一般参数恢复成出厂值即可解决。
3、AL.16-编码器故障。
内部参数乱或编码器线故障或电机编码器故障。
参数恢复出厂值或者更换线缆或者更换电机编码器,若故障依旧,则驱动器底板损坏。
4、AL.20-编码器故障。
电机编码器故障或线缆断线、接头松动等导致。
更换编码器线或伺服电机编码器。
MR-J3系列发生此故障时,还有一种可能是驱动器CPU 接地线烧断导致。
5、AL.30-再生制动异常。
若刚通电就出现报警,则驱动器内部制动回路元件损坏。
若在运行过程中出现,可检查制动回路接线,必要时外配制动电阻。
6、AL.50、AL.51-过载。
检查输出U、V、W三相相序接线是否正确,伺服电机三相线圈烧坏或接地故障。
监控伺服电机负载率是否长时间超过100%,伺服响应参数设置过高,产生共振等原因。
7、AL.E9-主回路断开。
检查主回路电源是否接入,若正常则主模块检测回路故障,须更换驱动器或配件。
8、AL.52-误差过大。
电机编码器故障或驱动器输出模块回路元件损坏,通常油污较多的使用场合此故障较多。
另外简单判断伺服电机故障方法:去掉电机所有接线后,转动电机轴承,如能感觉到明显的阻力,转动时不顺畅,则机身线圈烧坏,另外装配联轴器不当时很容易把编码器敲坏,可摇动电机编码器部分,若能听到编码器碎片的声音,则编码器被敲坏。
附上三菱伺服MR-J2S系列所有代码伺服报警的代码:—— AL10 欠压—— AL12 存储器异常—— AL13 时钟异常—— AL15 存储器异常2—— AL16 编码器异常1—— AL17 电路异常2—— AL19 存储器异常3—— AL1A 电机配合异常—— AL20 编码器异常2—— AL24 电机接地故障—— AL 25 绝对位置丢失—— AL 30 再生制动异常—— AL 31 超速—— AL 32 过流—— AL 33 过压—— AL 35 指令脉冲频率异常—— AL 37 参数异常—— AL 45 主电路器件过热—— AL 46 电机过热—— AL 50 过载1—— AL 51 过载2—— AL 52 误差过大—— AL 8A 串行通讯超时—— AL 8E 串行通讯异常伺服警告代码:—— AL 92 电池断线警告—— AL 96 原点设定错误警告—— AL 9F 电池警告—— AL E0 再生制动电流过大警告—— AL E1 过载警告—— AL E3 绝对位置计数器警告—— AL E5 ABS超时警告—— AL E6 伺服电机异常停止—— AL E9 主电路OFF警告—— AL EA ABS伺服ON警告。
MR-J3-TT伺服电机调试总结1、伺服基本参数设定1)驱动器站号设置:如下图拨动驱动器上站号拨码开关,给其分配正确的站号:2)通讯波特率设置:如下图拨动开关进行设置,项目采用2档。
3)驱动器所占站数设置:项目伺服采用两站,将SW1拨到右侧。
4)通过SETUP221E通过软件,对驱动器进行参数设定,需设定参数如下:基本设定参数PA:PA01指令系统选择:0.绝对指令系统1.增量指令系统,选择0;PA03位置检测系统选择:0.不使用1.使用绝对位置检测系统,选择1;PA04 AOP1,选择1;PA05进给范围及凸轮发生器比率选择,根据机械手行程调节;PA06,PA07电子齿轮,PA06为分子,PA07为分母,PA06/PA07的范围为1/10到2000,如下图,主要通过电子齿轮调节机械位移与电机位移一致,方便程序数据的写入。
PA08 增益调整模式选择;PA09 自动调整的反应时间,当机械结构齿轮噪音较大时,减小该设定值;PA10 设定RXn1(位置到达)和RXnC(移动完毕)信号输出的范围,在定位精度要求高的场合,减小该设定值;PA11 正转力矩限制,为最大力矩的百分比,根据机械设计者要求减小;PA12 反转力矩限制,为最大力矩的百分比,根据机械设计者要求减小;PA14 电机旋转方向选择;PB 增益/滤波参数(参数暂都不考虑修改)PC 扩展设置参数PC02 原点回归方式选择,选择2;PC03 原点回归方向选择PC04 原点回归速度选择PC05 滑行速度选择,探测到近点狗信号后滑行速度PC07原点回归位置值的设定PC11 粗略范围设定,影响RXn2(rough match)PC12 JOG速度设定PC31-32 软件正极限PC33-34 软件负极限PD 扩展设置参数PD01 调试时可以强制一些信号ONPD03 自动/手动选择PD04 Point Table选择PD06 输入信号选择(CN6-2),默认值002B PD07 输入信号选择(CN6-3),默认值000APD08 输入信号选择(CN6-4),默认值000BPD09输出信号选择(CN6-14),默认值0002 PD10输出信号选择(CN6-15),默认值0003 PD11输出信号选择(CN6-16),默认值0024 PD12 需修改PD14需修改PD242、伺服基本运动功能1)原点回归(OPR):具体方式有如下:0: Dog type1: Count type2: Data setting type3: Stopper type4: Home position ignorance (Servo-on position as home position) 5: Dog type rear end reference6: Count type front end reference7: Dog cradle type8: Dog type first Z-phase reference9: Dog type front end referenceA: Dogless Z-phase reference选择方式对应参数为PC02,根据设定值不同选择不同的原点回归方式,设置原点回归方向参数为PC03,设置近点狗信号极性为PD16。
MELSERVO-J3系列直线伺服放大器amp电机三菱电机株式会社名古屋制作所是获得了环境保护管理系统ISO14001和质量管理系统ISO9001认证的工厂。
实现高速高精度直线伺服电机采用直接驱动,因此具有高刚性。
全闭环系统可实现高精度运行。
可进行高速运行(2m/s)以往传统的传动机构不能达到这样高的运行速度。
当使用带SSCNETⅢ网络控制连接型的Q系列运动控制器控制直线伺服时,可轻松实现高精度同步运行和多头运行。
与MR-J3-B系列兼容,可构建高精度高响应系统,提高系统可靠性。
MR-J3-B的“鲁棒干扰补偿功能”可抑制由干扰所产生的速度偏移而导致的速度不均匀。
具有无铁芯和有铁芯两种类型兼容高性能伺服放大器MR-J3-BLM-H2 系列和LM-F系列(液冷型)具有紧凑的结构和强大的推力。
这些型号的直线伺服可应用于从半导体安装到物料传送系统等不同的领域。
LM-U2 系列属于无铁芯类型同样适用于大推力应用场合,共有9种类型电机可供选择。
该类型特别适用于在运行中要求无推力波动的系统,如丝网印刷机和检测机等。
运动控制器Q173DCPU Q172DCPUQ173HCPU Q172HCPUQD75MH直线伺服MR-J3-□B4-RJ004U□直线伺服电机LM-H2 系列LM-F 系列LM-U2 系列最大持续推力最大持续推力自冷持续推力液冷最大最大持续推力LM-H2有铁芯LM-F有铁芯LM-U2无铁芯推力(N)9 型号9 型号8型号101006096024005080060060003003000180003200100010000SSCNETⅢLM-H2LM-FLM-U21理想的多头系统同步驱动配置用于两个轴之间需要高精度同步运行的大推力场合。
在多头驱动系统中,可通过相互独立的控制指令来控制两个移动的电机线圈(初级侧线圈),因此可简化机械结构。
这种配置最适用于需要缩短运行节拍时间的系统中。
伺服设置软件-MR Configurator通过在个人电脑上安装并运行MR Configurator伺服设置软件可轻松的进行直线伺服系统的参数设置、增益调整、监视、诊断和试运行。
MR-J3S伺服驱动器整合【2 】1.接线办法请按照如下接线图接线2.参数调剂以下为供参考的建议参数值,根本参数一般不变,增益滤波器参数视不同的机台有所转变n o简称名称初始值单位设定值备注根本设定参数PA01 *STY 掌握模式0000h 0000 地位掌握模式PA02 *REG 再生选件0000h 0000 不应用PA03 *ABS 绝对地位检测体系0000h 0000 应用增量体系PA04 *AOP1 功效选择A-1 0000h 0000PA05 *FBP 一周所需的指令脉冲数0 10000PA06 CMX 电子齿轮分子(倍率分子) 1 1PA07 CDV 电子齿轮分母(倍率分母) 1 1PA08 ATU 主动调谐模式0001h 0003 见调谐解释PA09 RSP 主动调谐响应性12 19 见调谐解释PA10 INP 到位规模100 Pulse 100MR-J3伺服参数表(注:简称前面带有*的参数,设定后将电源断开,再从新接通电源,参数生效.)3.主动调谐办法和步骤a.PA08设0001,PA09先设一个初始值,如:18;b.手动或主动让该轴空跑,速度保证在让马达在1000RPM,比如螺距为5mm的,则机台该轴向线速度保证在5000MM/MIN,并且至少要有一段距离是等速活动,看机台是否会抖,有没有共振的声音发出,假如没有,则加大PA09再做;假如有,则解释PA09设定过大,则减小该值再试一次,直到测试到一个合理的不响的值,有的时刻假如认为机台刚性太低且又响,可以斟酌打开滤波功效(PB13);c.把PA08设0003,到此主动调谐以完成;d.每个轴向可以设不同的PA09做主动调谐.4.刚性调剂做好主动调谐后,就可以进行刚性调剂了,相干参数有:PB07:PG1 模子环增益PB08:PG2 地位环增益PB09:VG2 速度环增益PB10:VIC 速度微分补偿平日情形下,PB07.PB08.PB09相对换大,机台刚性高,响应快,加工好,但是过大机台会抖;PB10相对换小,机台刚性高,响应快,加工好,但是过大可能会导致机台发抖.。
三菱伺服报警代码时间:2014-08-25来源:电工之家作者:编辑部使用三菱交流伺服系统主要由三个系列:MR-ES、MR-J2S、MR-J3。
通常故障情况可由伺服驱动器上显示代码来初步判断,以下是几种常见的故障及其排查方法:1、AL.E6 -表示伺服紧急停止。
引起此故障的原因一般有两个,一个是控制回路24V电源没有接入,另一个是CN1口EMG和SG之间没有接通。
2、AL.37-参数异常。
内部参数乱,操作人员误设参数或者驱动器受外部干扰导致。
一般参数恢复成出厂值即可解决。
3、AL.16-编码器故障。
内部参数乱或编码器线故障或电机编码器故障。
参数恢复出厂值或者更换线缆或者更换电机编码器,若故障依旧,则驱动器底板损坏。
4、AL.20-编码器故障。
电机编码器故障或线缆断线、接头松动等导致。
更换编码器线或伺服电机编码器。
MR-J3系列发生此故障时,还有一种可能是驱动器CPU 接地线烧断导致。
5、AL.30-再生制动异常。
若刚通电就出现报警,则驱动器内部制动回路元件损坏。
若在运行过程中出现,可检查制动回路接线,必要时外配制动电阻。
6、AL.50、AL.51-过载。
检查输出U、V、W三相相序接线是否正确,伺服电机三相线圈烧坏或接地故障。
监控伺服电机负载率是否长时间超过100%,伺服响应参数设置过高,产生共振等原因。
7、AL.E9-主回路断开。
检查主回路电源是否接入,若正常则主模块检测回路故障,须更换驱动器或配件。
8、AL.52-误差过大。
电机编码器故障或驱动器输出模块回路元件损坏,通常油污较多的使用场合此故障较多。
另外简单判断伺服电机故障方法:去掉电机所有接线后,转动电机轴承,如能感觉到明显的阻力,转动时不顺畅,则机身线圈烧坏,另外装配联轴器不当时很容易把编码器敲坏,可摇动电机编码器部分,若能听到编码器碎片的声音,则编码器被敲坏。
附上三菱伺服MR-J2S系列所有代码伺服报警的代码:—— AL10 欠压—— AL12 存储器异常—— AL13 时钟异常—— AL15 存储器异常2—— AL16 编码器异常1—— AL17 电路异常2—— AL19 存储器异常3—— AL1A 电机配合异常—— AL20 编码器异常2—— AL24 电机接地故障—— AL 25 绝对位置丢失—— AL 30 再生制动异常—— AL 31 超速—— AL 32 过流—— AL 33 过压—— AL 35 指令脉冲频率异常—— AL 37 参数异常—— AL 45 主电路器件过热—— AL 46 电机过热—— AL 50 过载1—— AL 51 过载2—— AL 52 误差过大—— AL 8A 串行通讯超时—— AL 8E 串行通讯异常伺服警告代码:—— AL 92 电池断线警告—— AL 96 原点设定错误警告—— AL 9F 电池警告—— AL E0 再生制动电流过大警告—— AL E1 过载警告—— AL E3 绝对位置计数器警告—— AL E5 ABS超时警告—— AL E6 伺服电机异常停止—— AL E9 主电路OFF警告—— AL EA ABS伺服ON警告。
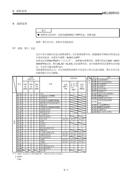
9故障处理要点●报警发生的同时,请使伺服SON处于OFF状态,切断电源。
・报警警告发生时,参照本章消除原因。
9.1报警警告一览表・运行中发生故障时会显示报警或警告。
发生报警或警告时,请遵循9.2节和9.3节所述法进行相应的处理。
如果发生报警,ALM变为OFF。
如果设定参数No.PD24为“□□□1”,能够输出报警代码。
报警代码是以bit0~bit2的ON/OFF输出的。
警告(AL.92~AL.EA) 没有报警代码。
表中的报警代码在报警发生时输出。
正常时不输出报警代码。
消除报警的原因之后,可以用报警的消除栏中任意有○的方法进行解除。
警告在发生原因被消除后会自动解除。
注 1. 消除产生原因之后等待约30分钟,直到完全冷却之后再进行。
2. 0:OFF1:ON9.2 报警的处理方法注意● 报警发生时,只有当消除报警原因并确保安全后才能解除报警,重新运行伺服电机。
否则可能导致损伤。
● 发生绝对位置消失(AL.25)时,必须再次执行原点设定。
否则可能引起机械异常工作。
● 报警发生的同时,请使伺服开启(SON)OFF ,切断电源。
要点● 发生以下报警时,不要反复解除报警重新启动运行。
否则可能造成伺服放大器・伺服电机故障。
消除产生的原因之后等待约30分钟,直到完全冷却之后再重新启动运行。
再生异常・(AL.30) 过载・1(AL.50) 过载・2(AL.51)● 报警可以通过电源的OFF →ON ,在当前报警画面下按“SET ”按钮或置复位(RES)为ON 解除。
详情请参照9.1节。
发生报警,故障信号(ALM)变为OFF ,伺服电机的动态制动器动作,电机停止,显示部分将显示报警代码。
请按照本节的方法消除报警原因。
也可参照选件的MR Configulator (伺服设置软件)中的发生原因。
显示名称内容发生原因处理方法AL.10 欠压 1.电源电圧低。
检查电源。
电源电圧低。
MR-J3-□A :AC160V 以下 MR-J3-□A1:AC83V 以下2. 控制电源瞬间停电在60ms 以上。