纳米涂料工艺手册
- 格式:doc
- 大小:54.50 KB
- 文档页数:11
纳米涂层技术的制备与应用指南纳米涂层技术是近年来快速发展的一项技术,它通过在物体表面形成纳米级的保护膜,提供了诸多优化性能和功能的可能。
本文将从纳米涂层的制备方法和应用领域两个方面,为读者提供一份关于纳米涂层技术的制备与应用指南。
第一部分:纳米涂层的制备方法纳米涂层的制备方法有很多,以下主要介绍几种常见的方法。
1. 物理气相沉积法(Physical Vapor Deposition, PVD)物理气相沉积法是一种常用的纳米涂层制备方法,包括蒸镀、磁控溅射、离子束辅助沉积等。
该方法通过将材料加热至一定温度,使其蒸发或溅射并在基底表面沉积,形成纳米级的薄膜。
该方法制备的纳米涂层具有较高的附着力和致密性,适用于金属、陶瓷等材料。
2. 化学气相沉积法(Chemical Vapor Deposition, CVD)化学气相沉积法是一种通过在气相中分解挥发性前驱体生成纳米颗粒,并在基底表面沉积的方法。
该方法具有高度可控性,可以制备出均匀、致密的纳米涂层。
常见的CVD方法有热CVD、低压CVD、气相燃烧CVD等。
3. 溶胶-凝胶法(Sol-gel method)溶胶-凝胶法是一种通过溶胶胶体化、凝胶成型和热处理得到纳米涂层的方法。
该方法可用于制备均匀、连续的纳米涂层,并且对于复杂形状的基底具有较好的适应性。
溶胶-凝胶法主要适用于氧化物和有机-无机杂化纳米涂层的制备。
第二部分:纳米涂层的应用领域纳米涂层技术在许多领域都有广泛的应用,以下是几个典型领域的介绍。
1. 表面保护纳米涂层可以在物体表面形成一层保护膜,能够有效阻隔外界环境对物体的侵蚀,提高物体的耐磨性、耐腐蚀性和耐高温性。
因此,纳米涂层广泛应用于汽车、航空航天、建筑等领域,保护金属、陶瓷等材料的表面。
2. 功能增强纳米涂层可以赋予物体新的功能和性能。
例如,通过在汽车玻璃表面涂覆纳米涂层,可以提高玻璃的防水性和自清洁性;在纺织品表面涂覆纳米涂层,则可以赋予纺织品防水、防污染等功能。
(完整版)纳米外墙涂料施工工艺纳米外墙涂料施工工艺介绍这份文档旨在提供纳米外墙涂料施工工艺的详细步骤和注意事项。
纳米外墙涂料是一种应用纳米技术的高性能涂料,具有防水、防污、耐候等特点。
正确的施工工艺对于保证其效果和性能至关重要。
施工准备在开始施工前,需要进行一些准备工作,以确保施工顺利进行。
以下是施工准备的主要步骤:1. 清洁表面:清洁外墙表面,去除任何尘土、油污或其他杂质。
2. 补充修复:检查并修复任何已存在的损坏或开裂。
3. 接口处理:对不同材料的接口进行处理,确保涂料的附着性。
4. 遮盖保护:使用塑料膜或其他适当的材料保护未涂覆的表面。
施工步骤根据涂料生产商的指导,以下是一般的纳米外墙涂料施工步骤:1. 基层处理:根据需要,先进行底漆的涂覆。
2. 第一次涂刷:使用辊刷或喷枪将第一层纳米外墙涂料均匀涂刷在墙面上。
3. 第一次修整:在第一次涂刷后,检查涂料表面是否有漏刷或不均匀现象,如果有,用刷子进行修整。
4. 第二次涂刷:等待第一层涂料干燥后,再使用同样的方法涂刷第二层纳米外墙涂料。
5. 第二次修整:在第二次涂刷后,检查涂料表面是否有漏刷或不均匀现象,如果有,用刷子进行修整。
6. 防护涂层:根据需要,可以在最后一层涂刷完后涂覆防护涂层,以增加涂层的耐用性和外观。
注意事项在施工过程中,有一些重要的注意事项需要牢记:1. 使用合适的施工工具和方法,确保涂料均匀涂刷在墙面上。
2. 注意施工环境的温度和湿度,避免施工在极端的天气条件下进行。
3. 严格按照涂料生产商的建议进行施工,以获得最佳的涂料效果。
4. 保持施工现场的清洁和整洁,防止杂质污染涂料表面。
5. 注意个人防护,使用适当的防护装备,如手套、口罩和护目镜。
结论纳米外墙涂料施工工艺的正确执行对于实现涂料的性能和效果至关重要。
遵循施工准备、施工步骤和注意事项,可以确保纳米外墙涂料的优势得到充分展现,并保证涂料的持久性和美观性。
一种纳米涂料的制备方法纳米涂料是一种具有纳米尺度粒子的材料,其具有特殊的物性和表面特征,以及优异的功能和性能,如抗腐蚀、防水、耐磨、耐高温等。
下面我将介绍一种常见的纳米涂料制备方法。
一种常用的制备方法是溶剂法。
首先需要准备好所需的溶剂和纳米材料。
溶剂通常选择有机溶剂,如乙醇、丙酮等,可以根据纳米材料的性质选择合适的溶剂。
而纳米材料的选择则有很多种类,包括金属纳米材料、碳纳米材料、氧化物纳米材料等,根据涂层的要求选择合适的纳米材料。
制备纳米涂料的过程包括悬浮纳米颗粒、调节颗粒大小和形状、控制颗粒分散性、以及添加其他添加剂等。
首先,将纳米颗粒加入到溶剂中,通过搅拌或超声处理使纳米颗粒均匀分散在溶剂中,形成纳米颗粒悬浮液。
悬浮液的浓度可以通过调节纳米颗粒的加入量来控制。
接下来,采用适当的方法控制纳米颗粒的大小和形状。
通常情况下,通过调节溶剂的浓度、pH值、搅拌速度、温度等条件来控制纳米颗粒的形成过程,从而得到所需的纳米颗粒。
同时,可以通过加入表面活性剂或分散剂来改善纳米颗粒的分散性和稳定性。
在纳米颗粒得到后,可以根据涂层的要求添加适当的添加剂,如增稠剂、溶剂剂等,以调节涂层的流变性和性能。
添加剂的选择要考虑到其与纳米颗粒和溶剂的相容性,以及对涂层性能的影响。
最后,将制备好的纳米涂料应用在所需的基材上。
这可以通过多种涂布工艺实现,如喷涂、滚涂、浸渍等。
在涂布后,需要进行适当的干燥和固化过程,以使涂层形成坚固的结构,发挥其功能和性能。
总的来说,纳米涂料的制备方法是一个多步骤的过程,需要根据纳米材料和涂层要求选择合适的溶剂和添加剂,并通过控制纳米颗粒的形成和分散来得到所需的纳米涂料。
这种方法可以制备出具有独特性能和功能的纳米涂料,用于各种应用领域。
8、U-Spray系列喷涂产品使用说明使用说明1. 设备及材料要求:以下为诺曼克U-Spray喷涂体系所需的设备及材料。
(见图1,图2和图3)筒式喷枪双筒式包装喷涂材料流量限制器混合器/喷嘴诺曼克底漆采用正确的表面预处理程序非常重要。
为确保获得最好的涂装质量和涂层表面效果,请严格按照程序的每一步进行操作。
同时需考虑到安全健康规范方面具体要求。
图一:U-Spray胶枪图二:双筒式包装喷涂材料图三:诺曼克底漆2. 表面预处理:诺曼克喷涂材料应该在经过恰当预处理的,清洁,脱脂且干燥的基材表面上进行涂装作业。
尖角以及拐角应先加工处理成半径不小于3mm的圆角。
金属/塑料:采用喷钢砂方式对基材表面进行金属白色化处理,使基材表面形成深度在50μm以上的锚纹,这样有利于达到最好的粘接效果。
详细信息请参照诺曼克表面预处理手册。
以下规格的喷砂均可以达到预期效果:SSPC-SP5Nace No. 1SSPC-SP10Nace No. 2喷砂的媒介应该为形状不规则且具有棱角的材料如如渣绒,钢砂等。
这种喷砂媒介应该能够在基材表面处理出70到100μm厚的锚纹。
对于非关键部件,可以使用数控机床清洗方式对基材表面进行预处理,如研磨和砂磨等均可以接受。
对于暴露在潮湿环境或表面沾有油、盐及其他化学物质的基材表面应该按照以下预处理步骤以达到最好的粘接效果:喷砂处理(初步净化)蒸气清洁(中和氯化氢)火焰处理(干燥处理)喷砂(表面粗燥化)真空清洗(去除灰尘)脱脂(实现最终净化)铸钢件,不锈钢铸件,铸铁件及灰口铸铁件等基材:这些基材具有多孔性,表面很容易吸附油脂以及其他一些脏污。
通过对这类基材的加热使油脂和脏污转移到基材表面,然后再用溶剂清洗去除掉这些油脂和脏污。
此步骤处理完后请立即按照上面的步骤进行喷砂处理。
如果金属表面出现一些暗淡的区域,这就说明在这些区域仍然存在油脂或脏污。
此时需要再对基材进行加热然后清洗,喷砂,直到被预处理的基材表面呈现出一致的颜色。
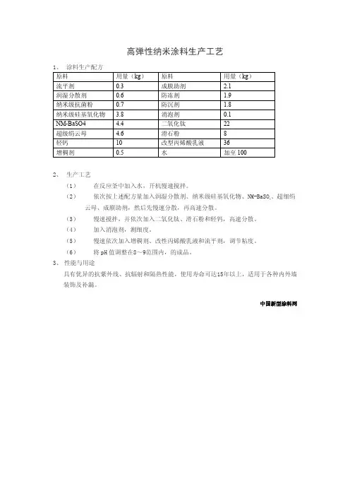
高弹性纳米涂料生产工艺
1、涂料生产配方
原料用量(kg)原料用量(kg)
流平剂0.3成膜助剂 2.1
润湿分散剂0.6防冻剂 1.9
纳米级抗菌粉0.7防沉剂 1.8
纳米级硅基氧化物 3.8消泡剂0.1
NM-BaSO4 4.4二氧化钛22
超级绢云母 4.6滑石粉8
轻钙10改型丙烯酸乳液36
增稠剂0.5水加至100
2、生产工艺
(1)在反应釜中加入水,开机慢速搅拌。
(2)依次按上述配方量加入润湿分散剂、纳米级硅基氧化物、NM-BaSO
、超细绢
4云母、成膜助剂,然后先慢速分散,再高速分散。
(3)慢速搅拌,并依次加入二氧化钛、滑石粉和轻钙,高速分散。
(4)加入消泡剂,测细度。
(5)慢速依次加入增稠剂、改性丙烯酸乳液和流平剂,调节粘度。
(6)将pH值调整在8~9范围内,的成品。
3、性能与用途
具有优异的抗紫外线、抗辐射和隔热性能,使用寿命可达15年以上,适用于各种内外墙装饰及补漏。
中国新型涂料网。
纳米喷涂工艺技术标准纳米喷涂工艺技术标准纳米喷涂是一种先进的表面涂层技术,通过在工件表面形成纳米级的涂层,可以实现防腐、耐磨、抗氧化、抗热、抗粘附等功能。
为了保证纳米喷涂的质量和稳定性,需要建立一套科学的工艺技术标准。
一、材料准备1.1 喷涂材料的选择:根据不同的使用要求,选择合适的纳米涂料。
涂料应具有良好的粘附性、耐磨性、耐腐蚀性和耐高温性。
1.2 材料处理:对待喷涂材料进行表面处理,去除杂质和氧化层,确保涂料与基材之间的粘结力。
二、喷涂设备2.1 喷涂枪:选择具有稳定喷雾和调节喷涂压力功能的喷涂枪,确保喷涂均匀和稳定。
2.2 喷涂室:喷涂室应具备良好的通风和排烟功能,保证操作者的安全和涂层质量。
三、喷涂工艺3.1 表面预处理:对待喷涂部位进行打磨、清洁和除油处理。
确保基材表面没有杂质和氧化层。
3.2 喷涂厚度控制:根据涂料的性质和使用要求,确定合适的喷涂厚度。
通过调整喷涂压力和喷涂速度,控制喷涂的厚度。
3.3 喷涂次数控制:根据涂料的性能和工件的要求,确定合适的喷涂次数。
保证每一次喷涂之间的干燥时间,确保每一层涂料之间的粘接力。
3.4 喷涂速度控制:根据涂料的粘度和喷涂要求,控制喷涂速度。
过快的喷涂速度会导致涂层不充分,过慢的喷涂速度会导致涂层过厚。
四、质量检验4.1 喷涂厚度检验:使用合适的测量工具,检测喷涂层的厚度并记录。
确保喷涂厚度符合要求。
4.2 粘附力检验:使用合适的粘附力测试设备,测试涂层的粘附力。
确保涂层与基材之间的粘结力达到要求。
4.3 耐腐蚀性检验:将喷涂的工件暴露在特定的腐蚀介质中,观察涂层的腐蚀情况。
确保涂层具有良好的腐蚀性能。
4.4 耐磨性检验:使用合适的磨损测试设备,测试涂层的耐磨性。
确保涂层具有良好的耐磨性。
五、安全措施5.1 操作者应穿戴防护服和护目镜,确保操作者的身体安全。
5.2 喷涂室内的通风和排烟设备应正常运行,确保操作环境的安全。
5.3 使用符合相关规定的喷涂设备和工具,确保操作设备的安全性能。
纳米涂层生产工艺(二)
纳米涂层生产工艺
简介
•什么是纳米涂层?
•纳米涂层的应用领域和优势
纳米涂层生产工艺的重要性
•提高产品表面性能和功能
•增强产品耐磨、耐腐蚀和防护能力
•提高产品的装饰效果和质感
纳米涂层生产工艺步骤
1.表面处理
–清洗:去除污染物和氧化物
–预处理:增强涂层与基材的附着力2.溶液配制
–纳米材料悬浮液的制备
–选用合适的溶剂和添加剂
3.涂覆过程
–喷涂:高速均匀喷涂纳米涂层
–浸涂:将基材浸入纳米溶液中
–旋涂:通过转速控制涂层均匀程度4.干燥和固化
–自然气干或热风干燥
–辐射固化(紫外线或电子束固化)5.检测和质量控制
–高端显微镜观察涂层的厚度和均匀度
–物理性能测试
6.包装和交货
–按照客户要求进行包装和标记
–完成交货手续
纳米涂层生产工艺的挑战和发展趋势
•生产工艺中存在的技术难点和挑战
•纳米涂层生产工艺的智能化和自动化趋势•新材料和新工艺的引入和发展
结论
•纳米涂层生产工艺在提高产品性能和附加值方面发挥着重要作用,随着技术的发展和创新,纳米涂层生产工艺将不断完善和优化。
纳米涂料的制备技术与应用在当今科技飞速发展的时代,纳米技术已经成为众多领域的研究热点,纳米涂料便是其中之一。
纳米涂料以其独特的性能和广泛的应用前景,逐渐受到人们的关注和青睐。
一、纳米涂料的概述纳米涂料,顾名思义,是指涂料中含有纳米级的颗粒或材料。
这些纳米级的成分赋予了涂料许多优异的性能,如超强的耐候性、耐腐蚀性、抗菌性、高硬度等。
与传统涂料相比,纳米涂料在性能上实现了质的飞跃。
二、纳米涂料的制备技术1、物理气相沉积法(PVD)物理气相沉积法是通过在真空环境中,将原材料蒸发或溅射成气相,然后在基材表面沉积形成纳米涂层。
这种方法制备的纳米涂料纯度高、结晶度好,但设备昂贵,成本较高。
2、化学气相沉积法(CVD)化学气相沉积法是利用气态的先驱反应物,通过化学反应在基材表面生成纳米涂层。
该方法可以精确控制涂层的成分和结构,但反应条件较为苛刻。
3、溶胶凝胶法溶胶凝胶法是将金属醇盐或无机盐经水解形成溶胶,然后凝胶化,再经过干燥、煅烧等处理得到纳米涂料。
此方法工艺简单、成本较低,但干燥和煅烧过程中容易产生收缩和开裂。
4、原位聚合法原位聚合法是将纳米粒子均匀分散在单体中,然后进行聚合反应,使纳米粒子与聚合物形成复合涂料。
这种方法能够有效地解决纳米粒子的团聚问题,但对纳米粒子的表面处理要求较高。
5、乳液聚合法乳液聚合法是在乳化剂的作用下,将单体在水相中进行聚合反应,形成纳米级乳液涂料。
该方法具有反应平稳、易于控制等优点。
三、纳米涂料的应用1、建筑领域在建筑领域,纳米涂料可用于外墙涂料,具有良好的耐候性和自清洁功能。
能够有效抵抗紫外线、酸雨等自然因素的侵蚀,同时表面的超亲水或超疏水特性使得灰尘、污渍难以附着,保持建筑物外观的整洁。
2、汽车工业汽车表面使用纳米涂料,不仅能够增强车身的硬度和耐磨性,还能提高抗腐蚀能力,使汽车外观长时间保持亮丽。
此外,纳米涂料的隔热性能还能降低车内温度,减少空调能耗。
3、医疗领域在医疗领域,纳米涂料可应用于医疗器械的表面处理,具有抗菌、抗病毒的特性,降低交叉感染的风险。
水性复合型纳米涂料
本品是一种用于涂装水泥、沙灰、砂浆混凝土、石板、玻璃、木材、钢铁、铅、锌,以及以碱金属硅酸盐为基料材等各种物面的水性复合型纳米涂料。
他无毒、防水、防毒、耐碱,施工性能好。
此水性复合型纳米涂料有机料110~136份、体质颜料61~79份、助剂18~31份、去离子水50~60份复配而成,基料包括:丙烯酸乳液、硅胶体。
例1
制备工艺:
将胶体硅和BA-201共聚物乳化液倒入配料桶,搅拌40~50min,混合均匀后得到基料。
在另一反应釜内先加入去离子水,再加入DA分散剂、乙二醇、消泡剂、乳化剂、搅拌均匀后,按配方顺序加入所有的体质颜料,经高速、中速、低速搅拌分散均匀后,经砂磨机研磨至60μm以下,
然后和增强纳米钛白粉和纳米钙加入基料中,边搅拌便加入纳米防霉杀菌剂和增稠剂,混溶搅拌均匀后,即为成品。
中国新型涂料网()。
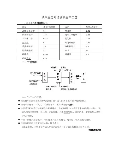
纳米生态外墙涂料生产工艺
一、纳米生态外墙涂料配方:
成分用量/质量份成分用量/质量份改性聚乙烯醇35增白剂0.02
纳米氧化锌 1.8纳米二氧化钛0.18
三氧化二铝0.42氧化镍0.15
滑石粉6聚丙烯酰胺0.03
重质碳酸钙20钠基膨润土 5.8
轻质碳酸钙8OK粉11
硫酸铝0.03钾明矾 1.8
硅丙乳液0.5
二、工艺流程:
三、生产工艺步骤:
●将基料中的改性聚乙烯醇与适量的65~70℃的水在搅拌釜中充分溶解后;
●将纳米氧化锌、三氧化二铝分别加入,搅拌均匀制成基料;
●在常温下把制作好的基料加入搅拌罐中,将硫酸铝加入4倍的水中溶解后加入基料,再
加入纳米二氧化钛、氧化镍,进行搅拌,再将增稠剂加入20倍的水,溶解后加入基料中充分搅拌;
●再加入固化剂充分搅拌,最后再加入重质碳酸钙、滑石粉、轻质碳酸钙搅拌;
●在磨砂机研磨分散至细度合格,即为成品。
纳米氧化锌、二氧化钛在加入配方之前需进行良好的分散性和相容性处理。
中国新型涂料网。
纳米涂料生产工艺纳米涂料是一种应用纳米技术制造的新型涂料,具有优异的性能和广泛的应用前景。
纳米涂料生产工艺是实现其高效生产和质量控制的重要环节,下面将介绍纳米涂料的生产工艺。
首先,纳米涂料的生产工艺开始于原材料的准备。
纳米涂料的主要原材料包括纳米粒子、稀释剂、树脂和助剂等。
其中,纳米粒子是纳米涂料的关键成分,可以用于增强涂料的硬度、耐磨性和耐腐蚀性等性能。
在选择纳米粒子时,需要考虑其尺寸、形状和表面性质等因素,以满足涂料的特定需求。
第二步是纳米粒子的制备和处理。
纳米粒子的制备方法有很多种,包括机械球磨法、溶胶凝胶法、电化学法和化学气相沉积法等。
不同的制备方法会影响纳米粒子的形貌和分散性。
在纳米粒子的制备过程中,还需要对其进行表面处理,以提高其与涂料基体的相容性和分散性。
接下来是涂料的配制和调整。
根据涂料的要求,将纳米粒子与树脂、稀释剂和助剂等混合,通过搅拌、分散和过滤等工艺步骤,将各种原材料均匀混合并消除其中的气泡和颗粒。
在涂料的配制过程中,需要严格控制各种原材料的比例和投入量,以确保涂料的质量和一致性。
之后是纳米涂料的涂覆和固化。
涂覆工艺一般包括喷涂、刷涂、滚涂和浸涂等方法,根据具体的涂料和基材要求选择适当的涂覆方法。
在涂覆过程中,需要控制涂料的厚度和均匀度,以获得理想的涂膜性能。
固化工艺一般包括自然干燥、热固化和紫外线固化等方法,根据涂料的特性选择适当的固化方法,并控制固化的时间和温度等参数。
最后是纳米涂料的检测和质量控制。
在生产过程中,需要对纳米涂料进行多项测试和检测,以确保其性能和安全性符合要求。
常用的检测方法包括粒径分析、分散性测试、粘度测量和耐磨性测试等。
根据检测结果对涂料进行调整和改进,以提高其质量和可靠性。
总之,纳米涂料的生产工艺是一个复杂而关键的过程,需要精确控制各个环节和参数,以确保涂料的性能和质量。
随着纳米技术的不断发展和应用,纳米涂料的生产工艺也将不断完善,为涂料行业的发展和创新带来更多的机遇和挑战。
纳米涂层生产工艺引言:纳米涂层是一种通过在材料表面形成纳米级的保护层,提高材料表面性能的技术。
它具有优异的耐磨、耐腐蚀、耐高温等特性,并且可以应用于各种材料的表面,如金属、陶瓷、塑料等。
本文将介绍纳米涂层的生产工艺以及其在各个领域的应用。
一、纳米涂层的生产工艺1. 表面处理:在进行纳米涂层之前,必须对材料表面进行处理,以确保涂层能够牢固附着在材料表面。
常见的表面处理方法包括机械打磨、酸洗、喷砂等。
这些处理方法可以去除材料表面的氧化层、油脂等杂质,提高涂层的附着力。
2. 涂布技术:涂布技术是纳米涂层生产的核心环节之一。
常用的涂布技术包括溶液法、浸涂法、喷涂法等。
溶液法是将纳米材料溶解于溶剂中,然后通过刷涂、滚涂等方式将溶液均匀涂布在材料表面。
浸涂法是将材料浸入含有纳米材料的溶液中,使纳米材料沉积在材料表面。
喷涂法则是通过喷枪将纳米材料以液滴或粉末的形式喷射到材料表面,形成涂层。
3. 热处理:在涂布完成后,需要对涂层进行热处理,以提高其结晶度和致密度。
热处理温度和时间的选择要根据涂层材料的特性来确定,以确保涂层能够达到预期的性能要求。
4. 表面修饰:为了进一步改善纳米涂层的性能,可以对涂层进行表面修饰。
常见的表面修饰方法包括阳极氧化、电沉积、磁控溅射等。
这些方法可以改变涂层的微观结构和化学成分,从而增加其硬度、耐磨性等性能。
5. 表面测试:在生产过程中,需要对纳米涂层进行表面测试,以确保涂层的质量和性能符合要求。
常见的表面测试方法包括厚度测量、硬度测试、耐腐蚀性测试等。
二、纳米涂层的应用领域1. 汽车工业:纳米涂层可以应用于汽车的外观件和内饰件上,提高其耐磨、耐腐蚀性能,延长使用寿命。
此外,纳米涂层还可以增加汽车玻璃的透明度和抗紫外线能力,提高驾驶安全性。
2. 电子工业:纳米涂层可以应用于电子产品的表面,提高其耐磨、耐刮擦性能。
同时,纳米涂层还可以提高电子产品的散热性能,保护电路板免受高温的损害。
3. 航空航天工业:纳米涂层可以应用于飞机的外观件和内部零部件上,提高其耐腐蚀、耐高温性能。
纳米涂层技术的制备步骤与使用注意事项引言:纳米涂层技术是一种在材料表面形成纳米级薄膜的方法,通过纳米颗粒的堆积和排列,改变材料的性能和表面特性。
纳米涂层广泛应用于各个领域,包括工业制造、电子设备、医疗器械等。
本文将介绍纳米涂层技术的制备步骤和使用注意事项。
一、纳米涂层技术的制备步骤1. 表面处理:首先,在涂层之前需要对待涂层的物体进行表面处理,以确保涂层能够牢固附着在物体表面。
常见的表面处理方法包括机械清洗、溶剂清洗、阳极氧化等。
通过表面处理,可以去除物体表面的杂质和氧化层,提高涂层的附着力。
2. 纳米颗粒选择:根据涂层要求的性能和特性,选择合适的纳米颗粒进行涂层。
常见的纳米颗粒材料包括二氧化钛、氧化锌、氧化银等。
需要根据物体的性质和使用环境选择纳米颗粒。
3. 溶液制备:将选择的纳米颗粒与合适的溶剂混合,制备成均匀的纳米溶液。
在溶液制备过程中,需要注意控制纳米颗粒的浓度和分散性,确保涂层的质量。
4. 涂层施加:将纳米溶液涂覆在物体表面,可以使用不同的涂覆方法,如刷涂、喷涂、染色等。
在涂层过程中,需要控制涂层的厚度和均匀性,以达到预期的效果。
5. 热处理:对涂层进行适当的热处理,可以提高涂层的致密性和耐磨性。
热处理温度和时间可以根据纳米涂层的材料和厚度进行调整,以确保涂层的稳定性和性能。
二、纳米涂层技术的使用注意事项1. 安全防护:在使用纳米涂层技术时,应采取必要的安全防护措施,避免对人体和环境造成伤害。
使用过程中应戴上适当的防护手套、口罩和护目镜,避免纳米颗粒对皮肤和呼吸道的直接接触。
2. 材料选择:在制备和使用纳米涂层时,需要选择适合的材料,考虑涂层的环境适应性和耐久性。
应根据实际需求选择合适的纳米颗粒和涂层材料,以提高涂层的功能和寿命。
3. 控制条件:在制备纳米涂层时,应注意控制涂层的条件,包括温度、湿度和涂层速度等。
控制条件的合理选择可以影响涂层的结构和性能,提高涂层的质量。
4. 涂层厚度:涂层的厚度对于涂层的性能有重要影响,过厚或者过薄的涂层都可能导致性能损失。
纳米防火涂料施工方法随着科技的发展,纳米材料被广泛应用于各个领域中,其中之一就是防火领域。
纳米防火涂料是一种新型的防火材料,其具有优异的防火性能和环保性能,在建筑、交通等领域中被广泛应用。
本文将详细介绍纳米防火涂料的施工方法。
一、准备工作1.材料准备纳米防火涂料的主要成分是纳米氧化铝、磷酸盐等,因此在施工前需要准备好这些材料。
此外,还需要准备好涂刷工具、搅拌器、量杯等工具。
2.表面处理在涂刷纳米防火涂料之前,需要将涂刷表面进行处理,确保表面干净、平整、无油污等杂质。
如果表面存在凹凸不平的情况,则需要进行打磨处理,以便更好地涂刷涂料。
二、涂刷工艺1.搅拌涂料在施工前,需要将纳米防火涂料进行充分的搅拌,以确保涂料中的各种成分均匀分散。
通常情况下,搅拌时间需要在10-20分钟之间。
2.稀释涂料在涂刷之前,需要将涂料稀释,以便更好地涂刷。
稀释涂料的比例通常为涂料的30%-50%。
3.涂刷涂料涂刷涂料时,需要用刷子或喷枪等工具进行涂刷。
涂刷时,需要注意刷子或喷枪的角度和力度,以便更好地涂刷涂料。
涂刷时,需要将涂料均匀地涂刷在表面上,并且要注意涂刷的厚度,一般涂刷厚度应在0.5mm以上。
三、注意事项1.温度控制在涂刷纳米防火涂料时,需要注意环境温度的控制。
通常情况下,涂刷温度应在5℃-35℃之间。
2.施工环境在施工纳米防火涂料时,需要注意施工环境的干燥程度。
如果施工环境过于潮湿,则会影响涂料的干燥效果。
3.保养涂料在涂刷纳米防火涂料之后,需要对涂层进行保养。
保养涂层的方法是定期清洗涂层表面,确保涂层表面干净无尘。
纳米防火涂料是一种新型的防火材料,其施工方法与传统的涂料施工方法类似,但有一些细节需要注意。
在施工前需要做好准备工作,搅拌涂料、稀释涂料、涂刷涂料时需要注意涂刷厚度和均匀性。
在施工时需要注意温度和施工环境的干燥程度,施工后需要定期保养涂层。
通过以上方法,可以更好地施工纳米防火涂料,提高其防火性能和环保性能。
多功能纳米涂层材料使用说明一.使用说明1、该材料为溶剂性材料,PH值约为7.5 ,无腐蚀性,但易燃易挥发,因此应注意常温密闭保存,远离火源。
2、为保证被处理表面的最佳效果,应釆取喷涂或浸涂的工艺,喷涂工艺中应采用雾化良好之喷枪将材料均匀地喷涂在被处理材料表面。
为保证效果,被处理表面在处理前,应适当进行清洁处理,务必保持材料表面的清洁和干燥,尤其不能有油污存在,以避免灰尘及油污影响材料的附着力和耐久性。
3、喷涂处理过程中,喷涂距离的远近会对外观效果及实际性能产生影响,喷涂距离在5到10厘米之内,外观效果具有较高平整度及亮度,喷涂距离在10厘米以上时,外观效果则呈亚光效果,表面膜层不够细腻,附着力较近距离喷涂略差,但疏油性能较近距离喷涂略好。
建议客户根据实际情况选择。
4、本材料可采取常规喷涂处理,无需额外增加设备,如无喷涂设备,可提供以下采购方案,普通空压机配浙江产K3或口径1. 0到1.2之间的喷枪,喷枪价格30到100之间;如需较好设备,可选用口径1.0进口日本岩田喷枪或台湾宝丽喷枪,价格在200至!]400之间。
5、本品为常温速干型产品,无须高温烘烤,常温表面干燥时间约为十分钟,效果测试最好在干燥24小时后。
干燥时间越长,疏水疏油效果越好。
未完全干燥前,请勿用手触摸以免影响膜层效果及美观。
6、具体用量根据基材不同有所区别,本材料并非喷涂厚度越高效果越好,其喷涂的均匀程度对效果有直接影响,适当的喷涂量既有利于保证效果也有利于节约贵公司的成本,请客户多进行几次测试,自行掌握最佳喷涂用量。
7、本品为溶剂型产品,易挥发,如倒出的液体长时间不用,应倒回容器密闭保存。
喷枪使用后,应用开油水(一种专业用于喷枪清洗的液体)清洗喷枪,避免喷枪堵塞,降低喷枪的使用寿命。
8、本品在喷涂处理中,会有溶剂成分挥发,因此喷涂过程中,应加戴口罩等保护,避免大量气体呼入。
9、本品不可入口,入眼,如不慎入口入眼,应即可用大量清水冲洗,严重者应送医院就诊。
超疏水纳米涂层是一种具有极端疏水性(水滴接触角大于150度)的表面处理技术,常用于制造自清洁表面、防水防污材料、生物医学器械等。
以下是一种典型的超疏水纳米涂层处理工艺:1. 表面预处理- 清洗:确保基材表面无油污、灰尘和其他杂质。
- 粗糙化:通过机械、化学或激光处理等方式增加基材表面的粗糙度,以提高涂层与基材的结合力。
2. 制备纳米分散液- 选择原料:选择合适的疏水性物质(如有机硅氧烷、氟碳化合物)和纳米填料(如二氧化硅、氧化锌等)。
- 分散:将疏水性物质和纳米填料在适当的溶剂中分散,制备成均匀的纳米分散液。
3. 涂层制备- 涂布:将纳米分散液通过涂布、喷涂、滴涂等方法均匀涂布在预处理后的基材表面。
- 干燥:在适当的温度和湿度下干燥涂层,使其在基材上形成均匀的纳米结构。
4. 固化处理- 热处理:通过加热固化涂层,提高其弹性和耐久性。
- 辐射固化:使用紫外线或电子束等辐射方式固化涂层,加快固化速度。
5. 表面修饰- 表面活性剂处理:在涂层表面引入表面活性剂,以改善涂层的润湿性和稳定性。
- 其他功能性修饰:根据需要,可以进一步引入其他功能性物质,如光催化材料、导电材料等。
6. 性能测试与评估- 接触角测量:使用接触角测量仪测试涂层的超疏水性。
- 耐久性测试:评估涂层在不同的环境条件(如温度、湿度、化学品接触)下的稳定性和耐久性。
7. 后处理- 清洗:去除表面的残留物,确保涂层的清洁和光滑。
- 包装:根据最终应用需求,进行适当的包装,以保护涂层免受污染和损坏。
在整个处理工艺中,需要严格控制工艺参数,如涂布速度、干燥温度、固化时间等,以确保涂层的质量和性能。
纳米漆施工工艺
纳米漆施工工艺一般包括以下几个步骤:
1. 准备工作:包括清洁、修复和处理基面。
首先需要将施工基面进行清洁,确保表面没有尘土、油脂和杂质。
然后对基面进行修复,如填补裂缝、修复破损等。
最后需要对基面进行处理,如打磨、抛光等,以保证漆膜的附着力和平整度。
2. 底漆涂装:按照工艺要求,选择适合的底漆进行涂装。
底漆的选择需要根据基面的性质和要求来确定。
底漆涂装需要均匀、一致地涂刷在基面上,并且需要注意涂刷的厚度和涂刷顺序。
3. 中涂涂装:根据需要,进行中涂涂装。
中涂涂装的目的是增加漆膜的厚度和涂装效果。
中涂涂装需要注意保证涂膜的平整度和一致性,避免出现涂膜厚度不均匀或者有刷痕等问题。
4. 纳米漆涂装:选择适合的纳米漆进行涂装。
纳米漆具有优异的防水、防尘、防污性能,可以提高涂装表面的光泽度和硬度。
纳米漆的涂装需要注意涂刷的顺序、涂刷的厚度和涂刷的技术要求。
5. 漆膜养护:在涂装完成后,需要对漆膜进行养护。
养护的目的是让漆膜充分固化,以提高漆膜的性能和寿命。
养护时需要避免外界物质的侵入和机械划伤,同时需注意保持适宜的温度和湿度条件。
纳米漆施工工艺的具体步骤可能会因不同厂家和产品而有所差
异,上述步骤仅供参考,实际操作需根据具体情况和产品说明进行。
纳米涂料工艺手册目录第一章纳米功能涂料的基本概况1.1概述1.2定义和特点1.2.1定义1.2.2特点1.3基本原理1.4纳米涂料分类1.5 纳米涂料组成第二章纳米涂料的历史第三章纳米涂料的应用第四章纳米功能涂料的性能第五章纳米功能涂料的发展第一章纳米功能涂料的基本概况1.1概述纳米功能涂料是一种能提供不同特殊功能的涂料。
采用不同的施工工艺涂覆在干净的工件表面,形成连续,均匀的,结合牢固的固体膜,具有一定强度和不同功能,这样形成的膜通称纳米漆膜或纳米涂层。
1.2定义和特点1.2.1定义广义上讲,纳米涂料是指含有纳米材料的的涂料统称纳米涂料。
纳米涂料是指至少含有一相尺寸在1~100nm,而且性能得到显著提高的涂料。
纳米功能涂料分为两种:纳米涂料和纳米复合涂料。
纳米涂料是指全部由纳米材料组成的一种涂覆材料。
复合纳米涂料是指至少有一相是纳米材料组成的复合涂料。
随着涂料应用的不断增加,对涂料的质量提出了更高的要求。
在生产和使用过程中造成的对环境污染也越来越引起人们的重视。
今年来,涂料的新品种、新技术不断得到了发展,特别是无溶剂、水性涂料正在逐步取代溶剂涂料,并在特殊功能上要求越来越高。
纳米涂料能提供特殊的功能,其应用越来越广泛。
且环保,安全,满足现代涂料技术要求。
1.2.2特点纳米涂料因有纳米晶相粒子,具有纳米离子的特性,能够提供不同的特色功能。
(1)、纳米材料的表面效应纳米材料的表面效应是指纳米粒子的表面原子数与总原子数之比随粒径的变小而急剧增大后所引起的性质上的变化。
粒径在10nm以下,将迅速增加表面原子的比例。
当粒径降到1nm时,表面原子数比例达到约90%以上,原子几乎全部集中到纳米粒子的表面。
由于纳米粒子表面原子数增多,表面原子配位数不足和高的表面能,使这些原子易与其它原子相结合而稳定下来,故具有很高的化学活性。
(2)、纳米材料的体积效应由于纳米粒子体积极小,所包含的原子数很少,相应的质量极小。
因此,许多现象就不能用通常有无限个原子的块状物质的性质加以说明,这种特殊的现象通常称之为体积效应。
其中有名的久保理论就是体积效应的典型例子。
久保理论是针对金属纳米粒子费米面附近电子能级状态分布而提出的。
久保把金属纳米粒子靠近费米面附近的电子状态看作是受尺寸限制的简并电子态,并进一步假设它们的能级为准粒子态的不连续能级,并认为相邻电子能级间距δ和金属纳米粒子的直径d的关系为:δ=4EF/3N ∞ V-1 ∞ 1/d3 其中N为一个金属纳米粒子的总导电电子数;V为纳米粒子的体积;EF为费米能级。
随着纳米粒子的直径减小,能级间隔增大,电子移动困难,电阻率增大,从而使能隙变宽,金属导体将变为绝缘体。
(3)、纳米材料的量子尺寸效应当纳米粒子的尺寸下降到某一值时,金属粒子费米面附近电子能级由准连续变为离散能级;并且纳米半导体微粒存在不连续的最高被占据的分子轨道能级和最低未被占据的分子轨道能级,使得能隙变宽的现象,被称为纳米材料的量子尺寸效应。
在纳米粒子中处于分立的量子化能级中的电子的波动性带来了纳米粒子的一系列特殊性质,如高的光学非线性,特异的催化和光催化性质等。
当纳米粒子的尺寸与光波波长,德布罗意波长,超导态的相干长度或与磁场穿透深度相当或更小时,晶体周期性边界条件将被破坏,非晶态纳米微粒的颗粒表面层附近的原子密度减小,导致声、光、电、磁、热力学等特性出现异常。
如光吸收显著增加,超导相向正常相转变,金属熔点降低,增强微波吸收等。
利用等离子共振频移随颗粒尺寸变化的性质,可以改变颗粒尺寸,控制吸收边的位移,制造具有一定频宽的微波吸收纳米材料,用于电磁波屏蔽、隐型飞机等。
由于纳米粒子细化,晶界数量大幅度的增加,可使材料的强度、韧性和超塑性大为提高。
其结构颗粒对光,机械应力和电的反应完全不同于微米或毫米级的结构颗粒,使得纳米材料在宏观上显示出许多奇妙的特性,例如:纳米相铜强度比普通铜高5倍;纳米相陶瓷是摔不碎的,这与大颗粒组成的普通陶瓷完全不一样。
纳米材料从根本上改变了材料的结构,可望得到诸如高强度金属和合金、塑性陶瓷、金属间化合物以及性能特异的原子规模复合材料等新一代材料,为克服材料科学研究领域中长期未能解决的问题开拓了新的途径。
因而大大改变了涂料的特性,提供了不同的功能。
粒度进入纳米尺度,材料表面活性中心的增多可提高其化学催化和光催化的反应能力,在紫外线和氧气的作用下给予涂层自清洁能力;表面活性中心与成膜物质的官能团可发生次化学键结合,大大增加涂层的刚性和强度,从而改进涂层的耐划伤性;高表面能的纳米材料表面经过改性可以获得同时憎水和憎油的特性,用于内外墙涂料可以显著提高涂层的抗污性并可提高耐候性;某些粒径小于100nm的纳米材料,对、Y射线具有吸收和散射作用,可提高涂层防辐射的能力,在内外墙涂料中可起到防氡气的作用;将纳米材料用在底漆中,可以增加底漆与基材的附着力,提高机械强度,且纳米级的颜料与底漆的强作用力及填充效果,有助于改进底漆一涂层的界面结合;纳米材料在面漆中可起到表面填充和光洁作用,提高面漆的光泽,减少阻力;纳米二氧化硅添加到外墙涂料中可提高涂料的耐擦洗性;纳米二氧化钛添加到建筑外墙涂料中,可将乳胶漆的耐候性提高到一个新的等级,同时还使乳胶漆的耐老化性能有很大的提高;纳米氧化锌添加到外墙涂料中,能使涂层具有屏蔽紫外线、吸收红外线以及杀菌防毒作用。
1.3纳米涂料的基本作用原理1.3.1黏结力和内聚力生产和使用纳米涂料的目的是为了得到满足要求的涂膜,涂膜的形成是依靠涂料中成膜物所产生的对基材的黏结力和涂料组成内部分子间的内聚力来完成的。
黏结力是涂膜和基材之间的结合力,是外向的力,涂料成膜物对基材的黏结力越强,漆膜附着力越好。
内聚力是涂料内部分子的集结力,是内向的力,内聚力越小,漆膜层间易断裂,漆膜易老化,内聚力越大,漆膜黏结力差,伸缩小或聚合物不易溶解,使涂料的各组分分散性能不好,流平性差。
1.3.2成膜机理纳米涂料的成膜机理和普通涂料的成膜机理基本相似。
物理固化成膜和化学固化成膜。
纳米涂料的成膜既可以是单一成膜机理,也可以是两种机理结合成膜。
(1)物理成膜物理固化成膜是指涂膜的形成仅仅依靠涂料中分散介质的挥发,成膜粒子在一定条件下互相凝聚(靠近、接触、挤压而聚集)而获得固化成膜的过程,没有发生化学反应,无物质的转化。
(2)化学成膜化学固化成膜是指涂膜的形成低分子化合物与基材金属离子、氧气、固化剂及自身官能团通过化学反应生成网状的不溶性物质的过程。
1.4 纳米涂料的分类前面已经讲过,纳米功能涂料分为两种:纳米涂料和复合纳米涂料。
按对环境功能作用或性能分为:特种功能涂料、特种表面性能涂料、特种装饰涂料。
1.4.1特种功能涂料(1)电功能涂料例如导电涂料、绝缘涂料、电场缓和涂料、电子曲线涂料、防静电涂料、印刷电路涂料、集成电路涂料、电波吸收涂料等。
(2)磁功能涂料例如磁性涂料。
(3)光功能涂料例如发光涂料、荧光涂料、蓄光涂料、液晶显示涂料、防伪涂料。
选波吸收涂料、道路标志涂料、红外线辐射涂料等。
(4)声波涂料例如阻尼涂料。
(5)机械物理功能例如润滑涂料、防滑涂料、膨胀涂料、应变涂料、可剥涂料、防结露涂料、防冰雪涂料、高弹性涂料等(6)热功能耐热涂料、放火涂料、示温涂料、热反射涂料、热吸收涂料、耐低温涂料、航空热控涂料等。
(7)生物功能例如防污涂料、防霉涂料、杀虫涂料等。
(8)放辐射功能例如防放射性污染涂料、防射线涂料、耐射线涂料。
(9)防腐蚀功能例如防锈涂料、防腐蚀涂料、耐酸碱涂料,耐药品涂料、耐沸水涂料等。
1.4.2特种表面性能涂料例如疏水或疏油涂料、自清洁涂料、可剥涂料、漆膜保护剂、防污涂料(耐指纹)。
1.4.3特种装饰涂料例如多彩内墙涂料、耐候外墙涂料。
1.5纳米涂料的组成纳米功能涂料一般包含成膜物质、颜料、溶剂、助剂四个部分,它们分别承担着涂料中固附成膜;着色颜料;成膜基料分散;消泡流平,润湿耐久等作用。
纳米涂料中成膜物质全部是纳米材料,复合纳米涂料中一般加入了纳米颜料,由纳米颜料赋予其纳米特性。
1.5.1纳米涂料纳米涂料一般由纳米级聚合物、溶剂、助剂组成,呈无色透明水状,成膜后亦无色透明,根据需要,也可以加入颜料呈现不同色彩。
纳米涂料溶剂为酒精和水,没有有毒溶剂,比如二甲苯、甲苯、甲醛等。
纳米涂料成膜厚度一般在1~10um。
涂料成膜后,硬度较高,在不锈钢表面最高可至6H以上。
纳米涂料的附着力普遍很高,一般在ISO标准0级。
纳米涂料的主要成分为无机材料,所以耐候性、耐酸碱性、耐温性能和耐温度突变性能都非常强。
1.5.2纳米复合涂料纳米复合涂料与一般涂料的组成结构基本一致,只是成膜物含有一相纳米晶向材料,这里不做详细说明。
第二章纳米科学的发展历史1.纳米科学发展简史1959年,著名物理学家、诺贝尔奖获得者理查德·费曼在美国加州理工学院召开的美国物理学会年会上预言:如果人们可以在更小尺度上制备并控制材料的性质,将会打开一个崭新的世界。
这一预言被科学界视为纳米材料萌芽的标志。
1974年,科学家唐尼古奇最早使用纳米技术一词描述精密机械加工。
70年代美国康奈尔大学格兰维斯特和布赫曼利用气相凝集的段制备纳米颗粒,开始了人工合成纳米材料。
1982年,研究纳米的重要工具-扫描隧道显微镜被发明。
1989年德国教授格雷特利用惰性气体凝集的方法制备出纳米颗粒,从理论及性能上全面研究了相关材料的试样,提出了纳米晶体材料的概念,成为纳米材料的创始人。
1990年7月,第一届国际纳米科学技术会议在美国巴尔的摩举行。
1991年,碳纳米管被发现,它的质量只有同体积钢的六分之一,强度却是钢的十倍。
1992年开始,两年一届的世界纳米材料会议分别在墨西哥、德国、美国夏威夷、瑞典举行。
1993年,继1989年美国斯坦福大学搬走原子团“写”下斯坦福大学英文名字。
1990年美国国际商用机器公司在镍表面用36个氙原子排出“IBM”之后,中科北京真空物理实验室操纵原子成功写出“中国”二字。
1997年,美国科学家首次成功地用单电子移动单电子,利用这种技术可望在20年后研制成功速度和存储容量比现有计算机提高成千上万倍的量子计算机。
1999年,巴西和美国科学家发明了世界上最小的“秤”,可称量十亿分之一克的物体,相当于一个病毒的重量;此后不久,德国科学家研制出能称量单个原子重量的“秤”。
2000年4月,美国能源部桑地亚国家实验室运用激光微细加工技术研制出智能手术刀,该手术刀可以每秒扫描10万个癌细胞,并将细胞所包含的蛋白质信息输入计算机进行分析判断。
2001年纽约斯隆-凯特林癌症研究中心的戴维. 沙因贝格尔博士报道了把放射性同位素锕-225的一些原子装入一个形状像圆环的微型药丸中,制造了一种消灭癌细胞的靶向药物。