【CN110692647A】一种适用于同种异体和异种异体组织及组织工程医疗器械的灭菌液和灭菌方法【专
- 格式:pdf
- 大小:467.39 KB
- 文档页数:9
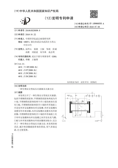
(19)中华人民共和国国家知识产权局(12)发明专利申请(10)申请公布号 (43)申请公布日 (21)申请号 201910325059.0(22)申请日 2019.04.22(71)申请人 中国科学院武汉病毒研究所地址 430071 湖北省武汉市武昌区小洪山中区44号(72)发明人 汤华山 童骁 王振 邹靖 彭诚 高歌 刘波波 宋冬林 袁志明 (74)专利代理机构 武汉宇晨专利事务所 42001代理人 李鹏 王敏锋(51)Int.Cl.A61L 11/00(2006.01)A61L 2/07(2006.01)A61L 2/24(2006.01)A61L 2/26(2006.01)(54)发明名称一种生物安全型高压灭菌器及灭菌方法(57)摘要本发明公开了一种生物安全型高压灭菌器,包括不锈钢筒状腔体,不锈钢筒状腔体两端为开口端,不锈钢筒状腔体的两个开口端均密封压设有门板,不锈钢筒状腔体的开口端的环形端面上开设有外环安装槽和内环安装槽,外环安装槽内设置有外环密封圈,内环安装槽内设置有内环密封圈,不锈钢筒状腔体的开口端的环形端面上位于外环安装槽和内环安装槽之间开设有充气槽,门板与外环密封圈和内环密封圈密封贴合,还公开了一种生物安全型高压灭菌方法,本发明控制灵活,减少密封圈破损带来的事故,尾气多级过滤,且方便更换。
权利要求书2页 说明书7页 附图2页CN 109966535 A 2019.07.05C N 109966535A权 利 要 求 书1/2页CN 109966535 A1.一种生物安全型高压灭菌器,包括不锈钢筒状腔体(28),其特征在于,不锈钢筒状腔体(28)两端为开口端,不锈钢筒状腔体(28)的两个开口端均密封压设有门板,不锈钢筒状腔体(28)的开口端的环形端面(46)上开设有外环安装槽(41)和内环安装槽(42),外环安装槽(41)内设置有外环密封圈(43),内环安装槽(42)内设置有内环密封圈(44),不锈钢筒状腔体(28)的开口端的环形端面(46)上位于外环安装槽(41)和内环安装槽(42)之间开设有充气槽(45),门板与外环密封圈(43)和内环密封圈(44)密封贴合。
医疗器械灭菌制造商提供的可重复灭菌医疗器械处置信息解读1 引言尽管越来越多的无菌使用的医疗器械都在向一次性使用方向发展,然而受制造成本、环境保护、资源分配等因素的影响,仍有相当一部分医疗器械是重复性使用的。
这类产品有像刀剪钳镊这类简单器械, 也又像体内成像这类复杂器械。
这些器械在使用后需要对其进行包括灭菌在内的一系列的处理过程,使其达到并保持良好的使用状态。
这类器械的种类繁多,结构、材料和性能也各有不同。
如果企业不能正确和完整地提供再处理信息,很有可能会导致医院在处理过程中因处置不当,使得产品的性能、寿命受到影响,丧失其功能,轻者会导致产品报废,重者会引发医疗事故。
因此,制造商为其提供足够详细的再处置信息是十分必要的。
国际标准化组织正是考虑到了提供这些信息的重要性,专门制定了国际标准ISO 17664:2004《医疗器械灭菌制造商提供的可重复灭菌医疗器械处置信息》,本文旨在介绍和推广该国际标准,希望对广大医疗器械制造商能有所帮助。
2 可重复灭菌医疗器械在医疗机构中再处理的基本过程医疗器械制造商了解医疗机构对可重复灭菌医疗器械的再处理的过程,是为可重复灭菌医疗器械提供正确和完整的再处理信息的前提。
这有这样,才能根据相应的处置过程研究器械对这些过程的适应性,从而使所提供的再处理信息更具有针对性。
医疗机构对可重复灭菌医疗器械的再处理过程可分为以下几个阶段。
2.1“准备”阶段准备阶段又分为使用地点的准备和清洗前准备。
前者一般是由使用器械的医务人员在使用完器械后和送去处理前所需进行的工作。
比如,器械使用后先用布或纸简单擦拭、装入适宜的容器等,以使器械便于进一步的处理和防止器械在运送过程中受到损坏;后者则是由处理者(医疗机构的消毒室供应部门或承包机构)在处理前的准备,如需要打开、拆开器械、刷拭等。
2.2“清洗”阶段制造商应了解医疗机构的常用的清洗消毒设备,提供确认过的自动清洗和手工清洗两种清洗方法。
有些器械结构和特性复杂,不能采用自动清洗,制造商应给出警示。
(19)中华人民共和国国家知识产权局(12)发明专利申请(10)申请公布号 (43)申请公布日 (21)申请号 201910284202.6(22)申请日 2019.04.10(71)申请人 天津中科生物科技有限公司地址 300000 天津市中新天津生态城中滨大道3667号生态产业园1号标准厂房A单元(72)发明人 韩宇 王皓 杨晓冬 李顺 刘凯 张洁 秦仲铮 (74)专利代理机构 北京三友知识产权代理有限公司 11127代理人 韩蕾 姚亮(51)Int.Cl.A01N 1/02(2006.01)G01N 33/531(2006.01)(54)发明名称细胞保存液及其制备方法和其在流式和抗体测试中的应用(57)摘要本发明提供了一种细胞保存液及其制备方法和其在流式和抗体测试中的应用。
本发明提供了一种细胞保存液组合物,其包括Na 2HPO 4、NaH 2PO 4、NaCl、KCl、封闭剂及防腐抗菌剂。
本发明还提供了一种细胞保存液,其是由所述的细胞保存液组合物与水配制而成的,其pH7.0~7.4。
本发明还提供了所述细胞保存液的制备方法,以及其在流式抗体测试中的应用。
本发明的细胞保存液可用于实验中细胞样本的长期有效保存,尤其对于流式和抗体测试的细胞样本具有长期稳定的保存效果。
权利要求书1页 说明书5页 附图3页CN 109997842 A 2019.07.12C N 109997842A权 利 要 求 书1/1页CN 109997842 A1.一种细胞保存液组合物,其包括Na2HPO4、NaH2PO4、NaCl、KCl、封闭剂及防腐抗菌剂。
2.根据权利要求1所述的细胞保存液组合物,其中:所述封闭剂为牛血清白蛋白BSA;所述防腐抗菌剂为ProClin300和NaN3。
3.根据权利要求1所述的细胞保存液组合物,其由Na2HPO4、NaH2PO4、NaCl、KCl、BSA、ProClin300和NaN3组成。
4.根据权利要求1所述的细胞保存液组合物,其中,Na2HPO4、NaH2PO4、NaCl、KCl的用量比例为:Na2HPO4 0.035~0.045molNaH2PO4 0.028~0.032molNaCl 0.148~0.153molKCl 1.0~1.1mmol。
国家⾷品药品监督管理总局关于批准发布《⼀次性使⽤离⼼式⾎浆分离器》等28项医疗器械⾏业标准的公告⽂号:国家⾷品药品监督管理总局公告2017年第49号颁布⽇期:2017-05-02执⾏⽇期:2018-04-01时效性:现⾏有效效⼒级别:部门规章YY/T 0326-2017《⼀次性使⽤离⼼式⾎浆分离器》等28项医疗器械⾏业标准已经审定通过,现予以公布。
标准⾃2018年4⽉1⽇起实施,标准编号、名称及适⽤范围见附件。
特此公告。
附件:YY/T 0326-2017《⼀次性使⽤离⼼式⾎浆分离器》等28项医疗器械⾏业标准编号、名称及适⽤范围国家⾷品药品监督管理总局2017年5⽉2⽇附件YY/T 0326-2017《⼀次性使⽤离⼼式⾎浆分离器》等28项医疗器械⾏业标准编号、名称及适⽤范围⼀、YY/T 0326-2017《⼀次性使⽤离⼼式⾎浆分离器》本标准规定了⽤于制备⾎液制品的⼀次性使⽤离⼼式⾎浆分离器的要求,以保证与所配套的离⼼式⾃动⾎浆采集机相适应。
本标准适⽤于将采集、贮存的⾎浆制备⾎液制品的离⼼式⾎浆分离器,不能⽤于临床输⾎。
本标准代替YY 0326.1-2002《⼀次性使⽤离⼼式⾎浆分离器第1部分:⾎浆分离杯》、YY0326.2-2002《⼀次性使⽤离⼼式⾎浆分离器第2部分:⾎浆管路》和YY0326.3-2005《⼀次性使⽤离⼼式⾎浆分离器第3部分:⾎浆袋》。
⼆、YY/T 0490-2017《⽓管⽀⽓管导管规格和标记》本标准规定了⽓管⽀⽓管导管的规格设计和标签的要求,包括⽀⽓管套囊及其指⽰球囊的颜⾊标识的要求。
本标准不适⽤于带⽀⽓管阻塞器的⽓管⽀⽓管导管。
本标准代替YY/T 0490-2004《⽓管⽀⽓管插管推荐的规格标识和标签》。
三、YY/T 1137-2017《⾻锯通⽤技术条件》本标准规定了⾻锯的分类、要求、试验⽅法、标志及包装、运输、贮存等内容。
本标准适⽤于截断⾻骼⽤的⾻锯及切剖⽯膏⽤的⽯膏锯。
本标准代替YY 1137-2005《⾻锯通⽤技术条件》。
环氧乙烷灭菌器确认方案编号:YZFA-2019-106确认方案批准确认小组人员名单及职责目录1、概述 (4)2、目的 (5)3、范围 (5)4、判定标准 (5)5、确认时间 (6)6、记录书写管理规范 (7)7、先决条件确认 (8)8、确认内容 (16)9、确认结论 (56)10、异常情况处理 (57)11、确认结论评审 (57)12、再确认周期 (57)13、报告出具、证书签发 (57)14、附件 (57)环氧乙烷灭菌器确认方案1、概述安装在一楼灭菌车间的环氧乙烷灭菌器主要用于本公司无菌医疗器械产品的灭菌,适用于医疗用品(注射器、输液器等)、医疗器械(内窥镜、心脏起搏器等)、医药(部分中药、西药等)、仪器仪表等物品的消毒灭菌。
环氧乙烷灭菌器是使用环氧乙烷气体,在一定的温度、压力、湿度下,对封闭在灭菌室内的物品进行熏蒸灭菌的专用设备。
环氧乙炕气体灭菌与传统的高压蒸汽灭菌相比,具有穿透力强,杀菌广谱,灭菌彻底,对物品无腐蚀无损害等特点,又能在较低的温度,压力和湿度条件下灭菌。
环氧乙烷灭菌器操作步骤包括:开机→开进料门→装箱→关进料门→预真空→加湿→加药→灭菌→清洗(换气)→开出料门→出箱→关出料门。
环氧乙烷灭菌器系统根据系统影响性评估(SIA)的方法确定为直接影响系统,系统编号SIA-2019-106。
根据YY 0503-2016《环氧乙烷灭菌器》,进行环氧乙烷灭菌器的设备确认,以满足医疗器械的无菌保证水平的要求。
确认方案由杭州优尼克消毒设备有限公司(制造商)、XXXX公司(用户)共同编制,并经用户管理者代表批准后,方可实施。
确认的实施:用户应指定相关职能部门的人员组成确认小组,并负责按照确认方案组织实施环氧乙烷灭菌过程的确认;制造商派技术人员提供协助。
确认资料:所有有关确认的资料、所取得的数据、表单和确认报告由用户妥善保管、存档。
确认类型:首次确认。
1.1 设备概况灭菌时间数字显示、自主设定生产许可证浙食药监械生产许20130154 号卫生许可证浙卫消证字(2010)第0013 号注册证编号浙械注准201825701381.2 设备示意图(不含控制系统)2、目的为确保该设备满足生产需要、GMP相关要求以及运行的稳定性,故要对该设备进行确认;从安装、运行测试、性能测试上进行确认,确保灭菌系统和灭菌过程能持续稳定地生产无菌的产品,无菌保证水平为10-6,且灭菌后产品和包装的性能符合预期的要求。
(19)中华人民共和国国家知识产权局
(12)发明专利申请
(10)申请公布号
(43)申请公布日
(21)申请号 201910371621.3
(22)申请日 2019.05.06
(71)申请人 科瑞百奥泰州生物技术有限公司
地址 225300 江苏省泰州市市辖区药城大
道北侧、华佗路西侧医疗器械区一期
10号楼4楼南
(72)发明人 宋云庆 姜来
(74)专利代理机构 南京天华专利代理有限责任
公司 32218
代理人 杜静 刘成群
(51)Int.Cl.
A01N 43/90
(2006.01)
A01N 63/10
(2020.01)
A01P 3/00
(2006.01)
A01P 1/00
(2006.01)
(54)发明名称
一种适用于同种异体和异种异体组织及组
织工程医疗器械的灭菌液和灭菌方法
(57)摘要
本发明公开一种适用于同种异体和异种异
体组织及组织工程医疗器械的灭菌液和灭菌方
法,所述的灭菌液,包括溶菌酶和抗生素。此灭菌
液和方法可在不破坏组织工程医疗器械内部活
性细胞、相关因子蛋白、基质结构的情况下,有效
的对产品进行最终灭菌。最终配合无菌包装,使
组织工程医疗器械最终达到无菌状态。
权利要求书1页 说明书6页 附图1页
CN 110692647 A
2020.01.17
C
N
1
1
0
6
9
2
6
4
7
A
1.一种适用于同种异体和异种异体组织及组织工程医疗器械的灭菌液,其特征在于,
包括质量浓度在0.01%~0.5%的溶菌酶和质量浓度在0.01%~0.7%的抗生素。
2.根据权利要求1所述的灭菌液,其特征在于,灭菌液pH为4.5~6.0。
3.根据权利要求1所述的灭菌液,其特征在于,所述的同种异体和异种异体组织及组织
工程医疗器械:
(1)不包括液体分散的和/或可溶于水、脂类或/和醇类的功能产品;
(2)不包括最终产品里不能含有水分的材料;
(3)不包括一些具有强吸附作用的组织工程材料;
(4)不包括需要附着细胞生长的基质材料、载药植入性的组织工程医疗器械;
(5)不包括用于功能性的植骨材料、用于心脏起搏器的材料。
4.根据权利要求1所述的灭菌液,其特征在于,所述溶菌酶选自动物源溶菌酶、植物源
溶菌酶和微生物源溶菌酶三类中的一种或几种;优选以下一种或几种:鸡蛋清溶菌酶、人或
哺乳动物溶菌酶、从木瓜、芜菁、无花果、萝卜等植物体内分离得到的溶菌酶、β-N-乙酰己糖
胺酶、酰胺酶、内酰胺酶、内肽酶、β-葡聚糖酶、甘露聚糖酶、壳多糖酶;更优选的,选自以下
一种或几种:β-N-乙酰己糖胺酶、β-内酰胺酶、β-葡聚糖酶、壳多糖酶。
5.根据权利要求1所述的灭菌液,其特征在于,所述抗生素选自β-内酰胺类抗生素、大
环内酯类抗生素、氨基糖苷类抗生素、四环素类抗生素、磺胺类抗生素或硝基呋喃类抗生素
中的一种或几种。
6.一种适用于同种异体和异种异体组织及组织工程医疗器械的灭菌方法,其特征在
于,将同种异体和异种异体组织及组织工程医疗器械浸泡于权利要求1所述的灭菌液中,缓
慢加入碱性溶液改变灭菌液的pH值至7.5~8.5之间。
7.根据权利要求6所述的灭菌方法,其特征在于,浸泡的温度为25~38℃。
8.根据权利要求6所述的灭菌方法,其特征在于,包括如下步骤:
(1)用pH在5.6~7.8的缓冲剂对同种异体和异种异体组织及组织工程医疗器械表面进
行冲洗;
(2)冲洗完毕后将同种异体和异种异体组织及组织工程医疗器械完全浸泡在权利要求
1所述的灭菌液中,并将温度恒定在25~38℃,并将灭菌液pH值调整至4.5~6.0之间;
(3)缓慢加入碱性溶液改变灭菌液的pH值至7.5~8.5之间。
9.根据权利要求6~8任一项所述的灭菌方法,其特征在于,所述的碱性溶液为氢氧化
钠、氢氧化钙、磷酸氢二钠、碳酸氢钠中的一种或几种。
10.根据权利要求8所述的灭菌方法,其特征在于,所述的缓冲剂选自甘氨酸-盐酸、邻
苯二甲酸-盐酸、磷酸氢二钠-柠檬酸、柠檬酸-氢氧化钠、乙酸-乙酸钠、磷酸氢二钠-磷酸氢
钾、磷酸二氢钾-氢氧化钠中的一种或几种。
权 利 要 求 书
1/1页
2
CN 110692647 A