合金的铸造性能
- 格式:ppt
- 大小:2.03 MB
- 文档页数:42
铸造合金的化学成分对性能的影响分析在铸造领域中,合金的化学成分对于最终产品的性能起着至关重要的作用。
通过调整合金的成分,可以实现对于铸件力学性能、耐蚀性、耐热性等方面的控制。
本文将对铸造合金的化学成分对性能的影响进行分析。
一、合金强度与成分关系在铸造合金中,元素及其含量会直接影响铸件的强度。
常见的合金元素包括铝、铜、锌、镁等。
铝合金是较为常见的铸造合金,其强度与铝的含量以及合金中其他元素的含量相关。
一般来说,铝合金中铝的含量越高,其强度就越高。
此外,铜作为合金元素的加入,可以有效提高铸件的强度。
二、耐蚀性与成分关系合金的耐蚀性是指合金在特定腐蚀介质下的抵抗能力。
不同成分的合金在耐蚀性方面表现出不同的特性。
例如,不锈钢合金中加入了铬元素,可以形成致密的氧化铬保护膜,提高其耐蚀性。
另外,钛合金中加入了钛元素,能够增加其在酸性介质中的耐蚀性。
三、热稳定性与成分关系热稳定性是指铸造合金在高温环境下的一系列性质表现。
从成分角度来看,钨合金是一种具有良好热稳定性的合金。
其主要成分钨的高熔点使得钨合金在高温下依然能够保持较好的强度和硬度。
此外,钼合金也是一种常用的高温合金,其成分中的钼元素能够提高合金的热稳定性。
四、导热性与成分关系导热性是指合金在传导热量方面的性能。
铝合金由于其良好的导热性能而被广泛应用于铸造领域。
铝合金中加入硅、铜等元素,能够进一步提高合金的导热性。
此外,铜合金也具有较好的导热性能,特别适用于一些导热要求较高的场合。
五、磁性与成分关系另一个需要考虑的性能是合金的磁性。
在铸造合金中,铁、镍等元素的加入会对合金的磁性产生明显影响。
铁合金是一类具有较好磁性的合金,其中的铁元素赋予了合金较高的磁导率。
而镍合金中加入镍元素能够增加合金的抗磁性能。
总结起来,铸造合金的化学成分对于最终产品的性能具有显著影响。
通过合金的成分调整,可以实现对铸件强度、耐蚀性、热稳定性、导热性以及磁性等方面性能的控制。
了解合金成分与性能之间的关系,对于优化铸造合金的设计和应用具有重要意义。
铸造铝合金的物理性能简介铝合金是一种广泛应用于工业生产和日常生活中的材料。
其特点包括轻质、高强度、耐腐蚀、导热性好以及可塑性强等。
本文将简要介绍铸造铝合金的物理性能,帮助读者更好地了解和应用该材料。
1. 密度和重量特性铸造铝合金相对于其他金属材料,具有较低的密度,约为 2.7g/cm³。
它的轻质特性使得铸造铝合金在汽车、飞机等领域中广泛应用,能够减轻整体结构的重量,提高燃油效率。
2. 强度和机械性能铸造铝合金具有较高的强度,能够满足许多工业制造的需求。
铝合金的屈服强度通常在150-380MPa之间,抗拉强度可高达300-550MPa。
此外,铸造铝合金具有良好的抗疲劳性能,在长时间的使用中仍能保持较高的强度。
3. 导热性能铸造铝合金的导热性能优异,远远超过其他常见的金属材料。
这使得铝合金在工业制冷和热交换器等领域得到广泛应用。
铝合金的高导热性能还使得它在制造高速列车和电子设备的散热器时备受青睐。
4. 耐腐蚀性能铸造铝合金具有良好的耐腐蚀性能,能够在潮湿环境中长时间保持表面的光洁和稳定。
这一特性使铝合金成为制造飞机、汽车等需求高耐腐蚀性材料的优选。
5. 可塑性和加工性能铸造铝合金具有良好的可塑性和加工性能,易于进行成型和加工。
它可以通过压铸、锻造、挤压等方法制造成各种复杂形状的零部件。
同时,铝合金也适合进行焊接、切割、钻孔等二次加工操作,能够满足不同应用领域的需求。
6. 磨损和疲劳性能铸造铝合金经过适当处理和合金化可以提高其磨损和疲劳性能。
这使得铝合金在制造高速运动部件、发动机零部件等高磨损和高应力工作环境下的应用更为广泛。
总结:铸造铝合金具有轻质、高强度、耐腐蚀、导热性好以及可塑性强等一系列优良的物理性能。
这些特点使得铝合金在汽车、航空航天、建筑等各个领域得到广泛应用。
同时,针对特定需求,通过合理的合金化和处理方法,铝合金的性能还可以进一步得到改善。
掌握铸造铝合金的物理性能,将有助于更好地应用和发展这一材料,推动创新和进步。
铸造铝合金力学性能铝合金的力学性能与其合金分类、铸造方法、热处理状态等因素有关。
合金代号是由“ZL”和三个数字组成,其中第一位数字表示合金系列,第二、三位数字表示顺序号。
优质合金在代号后附加字母“A”。
铸造方法有砂型、金属型和熔模铸造。
热处理状态包括铸态、人工时效、退火、固溶处理加自然时效、固溶处理加人工时效和稳定化处理。
不同的热处理状态可提高合金的强度、硬度、塑性和抗腐蚀性能。
铝硅系铸造铝合金的力学性能如下表所示:合金牌号为ZAlSi7MgZL101、ZAlSi7MgAZL101A、ZAlSi12ZL102和ZAlSi9MgZL104,铸造方法包括砂型、金属型和熔模铸造,热处理状态包括铸态、人工时效、退火、固溶处理加自然时效、固溶处理加人工时效和稳定化处理。
其中,ZAlSi7MgAZL101A在代号后附加字母“A”,表明是优质合金。
不同的铸造方法和热处理状态对合金的力学性能有影响,需要根据具体情况选择合适的工艺。
抗拉强度Rm/MPa、伸长率A/%、布氏硬度HBW是衡量合金材料性能的重要指标。
以下是各种合金状态下的性能参数:合金牌号合金代号铸造方法合金状态抗拉强度Rm/MPa 伸长率A/% 布氏硬度HBWZAlSi5Cu1Mg ZL105J SB、RB、KB F 155 2 50ZAlSi5Cu1Mg AZL105A S、R、K T2 135 2 45ZAlSi8Cu1Mg ZL106 JB SB、RB、KB T4 185 4 50ZAlSi7Cu4 ZL107 SB S T4 175 4 50ZAlSi12Cu2Mg ZL108 J ZAISi12Cu1Mg INil T5 205 2 50ZAlSi12Cu1Mg INil ZL109 J T5 195 2 60ZAlSi5Cu6Mg ZL110 S ZAISi5Cu6Mg T5 195 2 60ZAlSi9Cu2Mg ZL111 SB SB、R、K T6 225 2 60ZAlSi5Zn1Mg ZL115 J T7 195 1 65ZAlSi5Cu1Mg ZL116 S T8 245 4 70ZAlSi7Cu2Mg - - - 165 - -ZAlSi8MgBe ZL116 J - - 245 2 60ZAlSi7Cu2Mg - - - - 125 - 70通过表格可以看出,不同合金状态下的性能参数有所差异。
教案十八教学重点与难点1.重点合金的铸造性能2.难点熔模铸造教学方法与手段1.利用挂图等教具。
2.举典型实例,增强感性认识。
教学组织1.复习提问10分钟2.讲解75分钟3.小结5分钟教学内容第三节合金的铸造性能♦合金在铸造成形过程中获得外形准确、内部健全铸件的能力称为合金的铸造性能。
合金的铸造性能主要有吸气性、氧化性、流动性和收缩等。
一、流动性流动性是指熔融金属的流动能力。
(一)流动性对铸件质量的影响液态合金的流动性好,充型能力就强,容易获得尺寸准确、外形完整和轮廓清晰的铸件,避免产生冷隔和浇不足等缺陷。
也有利于金属液中非金属夹杂物和气体的排出,避免产生夹渣和气孔等缺陷。
同时,合金的流动性愈好,也有利于补充在凝固过程中所产生的收缩,避免产生缩孔和缩松等缺陷。
(二)影响流动性的因素合金流动性的大小与浇注温度,化学成分和铸型的充填条件等因素有关。
1.浇注温度对流动性的影响灰铸铁的浇注温度一般为1250℃~1350℃,碳素铸钢为1500℃~1550℃。
2.合金化学成分对流动性的影响化学成分不同的合金具有不同的结晶特点,其流动性也不同。
其中纯金属和共晶成分的合金流动性最好。
在常用的铸造合金中,铸铁的流动性好,铸钢的流动性差。
3.铸型的充填条件对流动性的影响铸型中凡能增加合金液流动阻力和提高冷却速度的因素均使流动性降低。
二、收缩合金在液态凝固和冷却至室温过程中,产生体积和尺寸减小的现象称为收缩。
收缩是铸造合金本身的物理性质,是铸件中缩孔、缩松、裂纹、变形、残余内应力产生的基本原因。
(一)收缩的三个阶段合金从浇注温度冷却到室温要经过液态收缩、凝固收缩、固态收缩三个阶段。
液态收缩是指熔融金属在凝固阶段的体积收缩;凝固收缩是指溶融金属在凝固阶段的体积收缩;固态收缩是指金属在固态由于温度降低而发生的体积收缩。
这两种收缩使型腔内液面降低,它们是形成铸件缩孔和缩松缺陷的基本原因。
合金的固态收缩,虽然也是体积变化,但它主要表现为铸件外部尺寸的变化,因此,通常用线收缩率来表示。
铝合金在铸造过程中的行为取决于它的物理化学性质(液相线和固相线温度、热容、导热性、气体的溶解度等)和本身的铸造性能。
合金的铸造性能,即合金在铸造过程中的工艺性能,通常指合金在铸造生产过程中所表现的液态金属的流动性、收缩现象、形成铸造裂纹的倾向性、区域偏析的倾向性等。
像所有工艺性能一样,铸造性能取决于合金的物理化学性能和力学性能的综合。
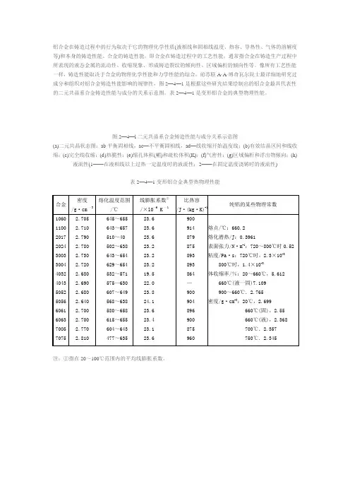
前苏联A·A·博奇瓦尔院士最详细地研究过成分和组织对铝合金铸造性能影响的规律性,图2—4—1是根据这些研究结果绘制出的铝合金最具代表性的二元共晶系合金铸造性能与成分的关系示意图。
表2—4—1是变形铝合金的典型物理性能。
图2—4—l二元共晶系合金铸造性能与成分关系示意图
(a)二元共晶状态图:ab平衡固相线,ac—不平衡固相线,ad—线收缩开始温度线;(b)有效结晶区间和线收缩;(c)完全线收缩;(d)热脆性;(e)缩孔体积(嵋)和疏松体积(K);(f)气密性;(g)区域偏析和浮出物倾向;(h)液流性(1——在液相线以上过热一定温度时的液流性;2——在固定温度浇铸时的液流性)
表2—4—1变形铝合金典型热物理性能
注:①指在20~100℃范围内的平均线膨胀系数。
合金的铸造性能合金的铸造性能--指在一定的铸造工艺条件下某种合 金获得优质铸件的能力,即在铸造生产中表现出来的工艺性 能,如充型能力、收缩性、偏析倾向性、氧化性和吸气性等等。
研究之必要--合金铸造性能的好坏,对铸造工艺过程、 铸件质量以及铸件结构设计都有显著的影响。
因此,在选择 铸造零件的材料时,应在保证使用性能的前提下,尽可能选 用铸造性能良好的材料。
但是,实际生产中为了保证使用性 能,常常要使用一些铸造性能差的合金。
此时,则应更加注 意铸件结构的设计,并提供适当的铸造工艺条件,以获得质 量良好的铸件。
因此,充分认识合金的铸造性能是十分必要的。
合金的铸造性能包括: 1.充型能力 2.凝固与收缩 3.偏析 4.吸气。
1。
● 合金的铸造性能——合金的充型能力1 合金的充型能力定义 定义--液态合金充满铸型,获得尺寸正确、轮廓清晰的铸件的能力,称为液态合金的充型能力。
液态合金充型过程是铸件形成的第一个阶段。
其间存在 着液态合金的流动及其与铸型之间 的热交换等一系列物 理、 化学变化,并伴随着合金的结晶现象。
因此,充型能 力不仅取决于合金本身的流动能力,而且受外界条件,如铸型性 质、浇注条件、铸件结构等因素的影响。
2 对铸件质量的影响对铸件质量的影响--液态合金的充型能力强,则容易获 得薄壁而复杂的铸件,不易出现轮廓不清、浇不足、冷隔等 缺陷;有利于金属液中气体和非金属夹杂物的上浮、排出, 减小气孔、夹渣等缺陷;能够 提高补缩能力, 减小产生 缩孔、缩松的倾向性。
3 影响合金充型能力的因素及工艺对策(1)合金的流动性。
2。
定义--流动性是指液态合金的流动能力。
它属于合金 的固有性质,取决于合金的种类、结晶特点和其他物理性质 (如粘度越小,热容量越大;导热率越小,结 晶潜热越大;表面张力越小,则流动性越好)。
测定方法--为了比较不同合金的流动性,常用浇注标准 螺旋线试样的方法进行测定。
在相同的铸型(一般采用砂型) 和浇注条件(如相同的浇注温度或相同的 过热温度)下获得 的流动性试样长度,即可代表被测合金的流动性。
铸造时金属成型工艺中比较常见的一种加工工艺,它主要是将液态的金属浇注到铸型空腔中,以获得所要求的毛坯或者零件,它的基本特点是液态成型。
合金在铸造的过程中所表现出来的工艺性能被称作合金的铸造性能。
铸造性能是为了保证铸件质量的主要因素,也是衡量铸造合金的指标之一。
1、合金的流动性流动性是指熔融合金的流动能力,它是主要影响充型能力的因素之一。
合金的流动性好,充型能力就会变强,易于获得尺寸准确、外形完整和轮廓清晰的铸件,不容易产生浇注不足、冷隔等缺陷;金属业中的非金属夹渣和气泡易于上浮排除,不易产生夹渣和气孔;流动性好的合金能很好地补充铸件凝固产生的收缩,不容易产生缩孔和缩松。
2、合金的收缩性(1)合金的收缩性铸件在凝固以及冷却的过程中,其体积以及尺寸的减少被称作是收缩。
收缩有两个类型,体积缩小是体收缩,尺寸的减小被叫做线收缩。
铸造合金的收缩包括液态收缩、凝固收缩以及固态收缩三个阶段。
从浇注温度到凝固开始温度之间的收缩是液态收缩;从凝固开始温度到凝固终了温度的收缩为凝固收缩;从凝固终了温度冷气到室温的收缩为固态收缩。
合金的液态收缩和凝固收缩使铸件产生体收缩,合金的固态收缩使铸件产生线收缩。
合金的收缩能使铸件产生缩孔、缩松、变形甚至裂纹等缺陷。
(2)缩孔、缩松铸件在凝固过程中,由于合金的液态收缩和凝固收缩,致使铸件最后凝固出出现孔洞,这种孔洞成为缩孔。
缩孔又被分为缩孔和缩松,它们的区别在于一个是集中的一个是分散的。
缩孔和缩松不仅可以减小铸件受力的有效面积而且在缩孔的部位易产生应力集中,使铸件力学性能显著降低。
缩松严重时会影响气密性。
碳钢的体收缩和线收缩都较大。
会扣铸铁凝固时析出石墨所产生的体积膨胀抵消了部分凝固收缩,因而体收缩较小。
浇注温度高,合金的收缩大,而铸型、型芯以及逐渐结构对收缩的阻碍会减小收缩量。
3、合金的吸气性所谓合金的吸气性就是金属液吸收气体的能力。
液态的金属对于某些气体又一定的溶解能力。
凝固时溶解度急剧下降,气体大量析出。
铸造铝合金的性能定性分析第一节、铸造Al-Si合金的性能第二节、铸造Al-Cu合金性能一,物理性能部分铸造铝合金物理性能如下表所示合金代号密度ρ/g·cm-3熔化温度范围/℃20~100℃时平均线膨胀系数α/μm·(m·K)-1100℃时比热容с/J·(kg·K)-125℃时热导率λ/W·(m·K)-120℃时电导率κ(%IACS)20℃时电阻率ρ/nΩ·m铝合金性能性能特点(物理、化学、力学和工艺性能)ZAlSi7Mg (ZL101)是Al-Si-Mg系铸造铝合金,可热处理强化,具有自然时效能力,强度较高,塑性较好。
该合金的铸造性能优良,流动性好,线收缩小,热裂倾向低,气密性高,但稍有产生气孔和缩孔的倾向。
耐腐蚀性高,焊接性能好,切削加工性一般。
ZAlSi12 (ZL102)是Al-Si系共晶型铸造铝合金,不可热处理强化。
该合金的铸造性能优良,无热裂及疏松倾向,气密性较高。
密度小,耐腐蚀性好,可在受大气,海水腐蚀的环境中使用,可承受工业气氛的环境中的浓硝、过氧化氢等得腐蚀作用;焊接性能好。
但该合金的力学性能低,耐热性和切削加工性差。
ZAlSi9Mg (ZL104)为Al-Si系铸造铝合金,可热处理强化,其强度高于ZL101,ZL102等合金。
该合金的铸造性能好,无热裂倾向,气密性高,线收缩小;形成针孔的倾向较大,熔炼工艺复杂。
耐腐蚀性好,切削加工性能和焊接性能一般。
ZAlSi5Cu 1Mg(ZL105)为Al-Si-Cu-Mg系铸造铝合金,经热处理强化后具有较高强度,其高温力学性能优于ZL101和ZL104等铸造铝合金。
优于合金中铜的存在,塑性和耐腐蚀性降低。
该合金具有良好的铸造性能和较高的气密性,切削加工性和焊接性均良好,耐腐蚀性一般。
ZAlSi7Cu 4(ZL107)为Al-Si-Cu系铸造铝合金,可热处理强化。