废水废气固废处理方案
- 格式:doc
- 大小:238.50 KB
- 文档页数:15
废气废水环保工程方案模板一、项目概述1.1 项目背景废气废水是大气和水体污染的主要来源之一,对环境和人类健康造成了严重的危害。
为了减少和控制废气废水的排放,保护环境,必须开展废气废水的环保工程。
1.2 项目目标本项目的目标是通过技术改造和设备更新,减少废气废水的排放,提高治理效率,保护环境,改善人民生活环境。
1.3 项目规划本项目包括废气治理工程和废水治理工程两部分,分别进行规划和实施。
二、废气治理工程2.1 废气监测在项目实施前,需要对废气排放口进行监测,了解排放情况,确定治理方案。
2.2 废气处理设施根据监测结果,确定废气处理设施的类型和数量,包括烟气净化器、除尘设备、脱硫脱硝装置等。
2.3 技术改造对现有的废气处理设施进行技术更新和改造,提高处理效率,减少废气排放。
三、废水治理工程3.1 废水监测对废水排放口进行监测,了解排放情况,确定治理方案。
3.2 废水处理设施根据监测结果,确定废水处理设施的类型和数量,包括污水处理设备、沉淀池、生物处理池等。
3.3 技术改造对现有的废水处理设施进行技术更新和改造,提高处理效率,减少废水排放。
四、环保设备选型4.1 选择适合的环保设备根据废气废水的特性和排放量,选择适合的环保设备,包括烟气净化器、污水处理设备等。
4.2 设备质量和性能要求对选用的环保设备有严格的质量和性能要求,确保其稳定可靠,治理效果明显。
五、施工方案5.1 施工单位选择有资质和经验的施工单位进行施工,确保施工质量。
5.2 施工进度制定详细的施工计划,合理安排施工进度,确保项目按时完工。
六、运营管理6.1 运营管理机构建立专门的运营管理机构,负责对废气废水治理设施的运行和维护。
6.2 监测和排放建立废气废水排放监测系统,定期监测排放情况,确保达标排放。
七、经济效益7.1 治理效果通过废气废水环保工程的实施,减少废气废水的排放,改善环境质量。
7.2 经济回报废气废水环保工程的实施将带来显著的经济回报,包括节能减排、降低治理成本等。
2024年废水、废气、固废管理制度引言:随着工业化进程的不断加快和人口的快速增长,环境污染问题日益突出。
废水、废气和固体废物的排放对环境造成了严重的污染,威胁人类的健康和生存环境。
为了控制和减少废水、废气和固废的排放,保护环境和人类的生活质量,制定并执行有效的废物管理制度势在必行。
本文将探讨2024年废水、废气和固废管理制度的目标、原则和具体措施。
一、目标:1. 全面落实生态文明理念,建设美丽中国。
通过有效的废水、废气和固废管理,大力推进绿色发展,减少和消除环境污染,提高环境质量。
2. 减少废水、废气和固废排放总量。
通过加强技术创新和管理措施,提高资源的利用率,减少废物排放总量,实现资源的循环利用。
3. 提高废物处理效率和环境安全。
优化废物处理设施,提高废物处理效率,减少对环境的二次污染,确保废物处理过程的环境安全。
二、原则:1. 依法治理。
制定和执行废物管理法律法规,加强执法力度,严惩违法行为,形成严格的法律制度,保护环境和人类的健康。
2. 治理源头。
加强企业和个人的废物排放管理,强化环境监测和评估,推动企业实施减量化生产,减少废物的产生。
3. 产业协同。
促进跨行业合作,实施产业链的绿色化、循环化改造,推动废物资源化利用,实现废物的最大化减排。
4. 公众参与。
加强环境保护宣传教育,提高公众环保意识,增强公众参与废物管理的积极性和主动性,形成全社会共同治理的合力。
三、具体措施:1. 废水管理:(1)严格执行废水排放标准。
制定和修订废水排放标准,加强监测和检测力度,严格执行排放限值,加大对违法排污行为的惩罚力度。
(2)推广先进的废水处理技术。
加强科技创新,研发和推广高效、环保的废水处理技术,降低废水处理成本,提高废水处理效率。
(3)加强污水处理厂建设。
加大对污水处理厂的投资力度,提高处理厂的处理能力和效率,并加强污水处理厂的监管和维护工作。
2. 废气管理:(1)加强大气污染物减排。
制定和执行严格的大气污染物排放标准,推广清洁生产技术,减少废气的排放量。
三废专项处理方案三废(废水废气或噪音固体废弃物)是指工业生产过程中产生的废水、废气和废弃固体物。
这些废物对环境和人体健康都有很大的危害,所以必须采取专项处理方案来进行处理和管理。
下面是一个针对三废的专项处理方案,包括废水、废气和固体废弃物的处理方法。
具体方案如下:一、废水处理方案1.收集与分离:首先,要将废水进行收集和分离。
不同种类的废水需要分开处理,以避免互相干扰和污染。
2.简化工艺:对于工业废水,可以采用简化工艺来处理,例如沉淀、过滤和吸附等。
通过这些方法,可以有效地去除废水中的污染物,使废水能够达到排放标准。
3.生物处理:对于有机废水,可以采用生物处理方法,如活性污泥法、人工湿地法等。
通过这些生物处理方法,可以降解和去除废水中的有机物质。
4.膜处理:对于高浓度废水,可以采用膜处理技术,例如超滤、反渗透等。
通过这些方法,可以将废水中的溶解固体和溶解有机物质去除,从而得到高质量的处理水。
5.循环利用:在处理废水时,可以考虑将处理后的水进行循环利用。
例如,将处理后的废水用于冷却循环水、灌溉和清洗等用途,减少对自然水资源的消耗。
二、废气处理方案1.收集与分离:首先要对工业废气进行收集和分离,将不同种类的废气分开处理,以避免互相交叉污染。
2.减排措施:可以采取减少废气排放的措施,例如提高生产工艺的效率,改进设备的设计和使用低污染燃料等。
3.排放标准:对于需要排放的废气,要根据国家和地方的排放标准进行处理。
可以采用物理和化学方法对废气进行净化,例如吸附、催化氧化和湿法吸附等。
4.能量回收:对于高热值的废气,可以考虑进行能量回收。
例如,将废气中的热量用于发电、加热和生产过程中的热能回收。
三、固体废弃物处理方案1.分类收集:首先要对固体废弃物进行分类收集,将可回收的废弃物与不可回收的废弃物分开。
例如,对于纸张、塑料、玻璃等可回收废弃物,可以进行再利用;对于污染严重的废弃物,可以采用特殊处理方法。
2.处理方法:对于可回收的废弃物,可以采用回收再利用的方法,例如回收再生、再利用和焚烧发电等;对于有毒有害的废弃物,可以采用特殊处理方法,例如化学处理和物理处理。
环保废气废水治理工程方案一、背景随着工业化和城市化进程的加速推进,环境污染问题日益严重。
废气和废水是污染环境的主要来源之一,其排放对大气和水体环境造成严重危害,不仅影响人们的健康,也对自然生态系统造成破坏。
因此,加强废气废水治理工程建设,降低环境污染,改善生态环境质量,已成为亟待解决的问题。
二、目标1. 制定科学、合理的废气废水治理工程方案,降低工业排放对环境的影响。
2. 提高废气废水治理工程技术水平,减少对环境的破坏。
3. 优化现有治理设施、增设新的治理设施,使废气废水治理效果更加明显。
三、方案内容1. 废气治理工程(1)技术路线根据不同的工业生产过程和废气污染特点,采用多种技术路线进行治理,包括吸收、吸附、氧化、催化等方法。
针对高浓度、高温、高湿度废气,采用高效的烟气脱硫、脱硝、除尘等技术进行处理,以达到国家标准的排放要求。
(2)设备选型选用优质、高效的废气治理设备,确保治理效果和设备稳定运行。
同时考虑设备的能耗、维护成本和后期管理等因素,综合选型,最大程度减少投资和运营成本。
(3)排放监测安装废气排放监测设备,实时监控废气排放在国家标准范围内。
建立完善的数据记录和报警机制,确保污染物排放不超标。
2. 废水治理工程(1)工艺流程通过生产流程调整和污水分流,减少生产废水排放总量,采用深度净化工艺处理工业废水,降低有机物、重金属等污染物的浓度,保证废水排放符合国家相关标准。
(2)设施建设增加污水处理设施和设备,完善处理工艺,提高处理效率。
采用生物处理、深度过滤、化学沉淀等多种技术手段,确保废水处理效果达标。
(3)再生利用对生产过程中产生的可再生废水进行处理和再利用,尽可能降低对清洁水资源的需求。
3. 环保监测与管理(1)数据监测建立完善的环境监测体系,对工业生产过程中的废气、废水排放进行全面监测,记录并分析数据,及时发现和解决问题。
(2)监管管理加强对企业环保工作的监督管理,确保企业履行环保责任,依法开展环境保护工作。
东莞废水废气工程处理方案
背景介绍
东莞市是广东省下属的一个地级市,位于珠江三角洲南端,是中国重要的制造业基地和外向型经济城市。
在快速的市场经济发展和城市化进程中,存在着大量的废水和废气排放问题。
为了保障水资源和空气质量,东莞市政府需要制定一套完善的废水废气处理方案。
废水处理方案
废水处理目标
•使得处理后的废水符合国家环境保护标准
•降低处理成本,提高资源利用效率
•提高处理工艺的稳定性和可靠性
废水处理方案
1.预处理:包括物理和化学处理,通过混凝、沉淀、过滤等方式去除悬
浮物、有机物等杂质
2.活性污泥法:通过生物技术进行处理,将废水中的有机物通过氧化还
原反应降解为二氧化碳和水
3.膜分离法:通过超滤和反渗透膜,将废水中的胶体、胶体颗粒、高分
子物质等截留在膜表面并排出,从而获得高质量的净水
废气处理方案
废气处理目标
•保障周围居民和环境的健康和安全
•减少二氧化碳等温室气体的排放,降低对气候的影响
•提高处理工艺的稳定性和可靠性
废气处理方案
1.杀菌过滤法:利用大气清洁技术,通过UV-C光线杀菌和活性碳粉末
过滤,去除废气中的有机气体和异味,提高空气质量
2.热氧化法:通过高温条件下的氧化反应,将废气中的有机物、硫化物
等物质转化为H2O和CO2等易于处理的物质。
3.催化剂法:利用表面活性物质和化学反应,在催化剂的帮助下,将废
气无害化转化,使得处理后的废气符合国家规定的排放标准。
结论
综合以上废水、废气处理方案,可以很好的实现废水和废气的净化和治理。
这不仅可以保障东莞市环境的健康和可持续发展,也为其他类似城市提供了参考和借鉴。
废水处理方案与可达性分析一、废水处理方案:1、废水处理原理:①含铬废水(表中第5类):废水中的六价铬主要以Cr2072-、Cr042-二种形式存在,在酸性条件下,主要以Cr2072-存在;在碱性条件下,主要以Cr042-存在。
含铬废水处理釆用焦亚硫酸盐还原法,其基本原理是在酸性条件(pH=2.5~3.0)下,使废水中的六价铬还原成三价铬,然后加碱调节废水pH至8~9,同时投加混凝剂,使其形成氢氧化铬沉淀而除去,达到废水净化之目的。
釆用焦亚硫酸钠处理的还原反应式如下:Na2S205+H20 — 2NaHS03H2Cr207+3NaHS03+3H2S04— Cr2(S04)3+3Na2S04+4H20 形成氢氧化铬沉淀反应为:Cr2(S04)3+6Na0H—2Cr(0H)3|+3Na2S04理论上投药比(W/W)六价铬:Na2S205为1 : 3.6,实际使用时为1 : 4~5.②含氰废水(表中第4类):废水经格栅井后进入调节池(设液位自控仪),均质均量后废水经泵提升至一级破氰池,加碱控制池内pHll~12,同时投加次氯酸钠,使CN-氧化成CNO-经一级不完全破氰反应后的废水溢流进入二级破氰池,加酸控制池内pH 8左右,同时投加次氯酸钠,使CNO-氧化成C02、N2,完全破氰后的废水汇入综合隔油调节池进行进一步的处理。
破氰反应池内均设气力搅拌系统、pH控制系统、ORP控制系统。
一级破氰池ORP 达到300mV时反应基本完成,二级破氰池OPR需达到650V。
③混合废水(表中第2类与第7类):废水中含氰、铜、镍、铬、有机污染物等,无法将各污染因子单独分出,只有先破氰再还原铬,再沉淀,原理同上。
④含镍废水(表中第3类):釆用离子交换吸附技术,利用离子交换剂与不同离子结合力强弱的差异,将溶质暂时交换到离子交换剂上,饱和后出售给有资质回收单位。
⑤含油废水与生活污水(表中第6类与第1类)该类废水中主要污染为石油类、COD等,浓度相对较髙,以有机污染为主,基本无重金属污染,为了降低总废水排放COD达标的难度,浓度相对较高,以有机污染为主,先通过一级气浮池或沉淀,经投加药剂的作用,将废水中的悬浮物与油类去除,再与生活污水一起进入生化处理系统.2、废水处理工艺项目外排废水经处理达《电镀污染物排放标准》(GB21900-2008)中表 2 (新建企业水污染物排放限值)的排放限值后排入西侧的木城河,其中废水60%以上回用于生产工艺用水。
环保工程三废处理方案随着工业化进程的加快,三废处理已经成为了当今社会中一个重要而又紧迫的问题。
三废又称为工业废渣、废水和废气,它们对环境和人类身体健康都会造成极大的危害。
因此,针对三废的处理已经成为了一项重要的环保工程项目。
下面我们将讨论一下关于三废处理的方案。
一、废水处理方案1.工业废水处理:工业废水中含有大量的有机物质和无机物质,如果直接排放到环境中会对水环境造成污染。
因此,工业废水处理成为了一项紧迫的任务。
目前采用的工业废水处理方法有物理化学处理和生物处理两种。
物理化学处理是通过沉淀、过滤、吸附等方法将废水中的污染物质去除。
而生物处理则是通过微生物生物降解有机物质。
这两种方法结合使用可以最大限度地去除工业废水中的污染物质。
2.生活废水处理:生活废水中含有各种各样的有机物质、营养物质和微生物,如果直接排放到环境中会对水质造成污染。
因此,生活废水处理也是一项非常重要的任务。
目前采用的生活废水处理方法有厌氧处理和好氧处理两种。
厌氧处理是将生活废水通过加热、搅拌等手段去除生活废水中的有机物质。
而好氧处理则是通过加入氧气,利用氧气促进微生物对有机物质的降解。
这两种方法结合使用可以最大限度地去除生活废水中的污染物质。
二、废气处理方案1. 烟气脱硫工艺:烟气中的二氧化硫会对大气造成污染,因此需要进行脱硫处理。
目前采用的烟气脱硫工艺有干法脱硫和湿法脱硫两种。
干法脱硫是通过在烟气中喷射石灰石、石膏等吸附剂来吸附二氧化硫,然后再通过过滤器等设备将吸附剂去除。
而湿法脱硫则是将烟气经过塔式吸收器,与氢氧化钙或氧化铁等吸附剂发生反应,将二氧化硫去除。
这两种方法结合使用可以最大限度地去除烟气中的二氧化硫。
2.烟气脱硝工艺:烟气中的氮氧化物也会对大气造成污染,因此需要进行脱硝处理。
目前采用的烟气脱硝工艺有选择性催化还原(SCR)和选择性非催化还原(SNCR)两种。
SCR是通过在烟气中喷射氨水,再通过催化剂促使氮氧化物与氨水发生还原反应,将氮氧化物去除。
工程废水废气处理方案1. 废水处理方案废水处理是工程建设过程中必不可少的一环,有效处理工程废水可以减少对环境的污染,保护生态环境。
根据工程的具体情况和废水的特性,可以采取多种废水处理方案,包括物理、化学和生物处理方法。
物理处理方法主要包括过滤、沉淀和膜分离等。
过滤是指通过滤网或滤器将废水中的固体颗粒物拦截下来,沉淀是利用重力将悬浮物沉淀下来,膜分离则是利用膜的特性将废水中的污染物分离出来。
这些物理处理方法适用于处理废水中的固体颗粒物和悬浮物,可以有效净化废水。
化学处理方法主要包括氧化、还原和中和等。
氧化是指使用氧化剂将有机物氧化为无害物质,还原是指使用还原剂将废水中的氧化物还原为无害物质,中和则是指使用碱性或酸性物质将废水中的酸性或碱性物质中和掉。
这些化学处理方法可以有效去除废水中的有机物、氧化物和酸碱物质,净化废水。
生物处理方法是指利用微生物将废水中的有机物降解为无害物质的方法。
生物处理方法通常包括活性污泥法、生物膜法和植物处理法等。
这些生物处理方法可以有效去除废水中的有机物、氨氮和磷等物质,净化废水。
根据工程的具体情况和废水的特性,可以选择单一的废水处理方法,也可以采用多种废水处理方法结合使用,以达到最佳的处理效果。
2. 废气处理方案废气处理是工程建设过程中的另一个重要环节,有效处理工程废气可以减少对大气环境的污染,保护人类健康。
根据工程的具体情况和废气的特性,可以采取多种废气处理方案,包括物理、化学和生物处理方法。
物理处理方法主要包括吸附、吸收、膜分离和过滤等。
吸附是利用吸附剂将废气中的污染物吸附下来,吸收是利用吸收剂将废气中的污染物吸收下来,膜分离则是利用膜的特性将废气中的污染物分离出来,过滤是指通过滤网或滤器将废气中的固体颗粒物拦截下来。
这些物理处理方法适用于处理废气中的固体颗粒物和气态污染物,可以有效净化废气。
化学处理方法主要包括氧化、还原和中和等。
氧化是指使用氧化剂将废气中的有机物氧化为无害物质,还原是指使用还原剂将废气中的氧化物还原为无害物质,中和则是指使用碱性或酸性物质将废气中的酸性或碱性物质中和掉。
废水、废气、固废管理制度模板____有限公司固体废物管理办法一、目的与适用范围为了防止固体废弃物污染环境,便于固体废弃物充分回收和合理利用,对固体废弃物进行分类、回收和处理。
公司特制定了本管理办法。
本管理办法规定了本公司固体废物的管理职责与管理方法,基本内容与要求,适用于公司产生的固体废物和危险废物的管理与控制。
二、引用政策规定《____环境保____》《____固体废物污染环境防治法》《一般工业固体废物贮存、处置场污染控制标准》《____省固体废物污染环境防治条例》三、概念(一)固体废物是指在生产、生活和其他活动中产生的丧失原有利用价值或者虽未丧失利用价值但被抛弃或者放弃的固态、半固态和置于容器中的气态的物品、物质以及法律、行政法规规定纳入固体废物管理的物品、物质。
(二)工业固体废物是指在工业生产活动中产生的固体废物。
(三)生活垃圾是指在日常生活中或者为日常生活提供服务的活动中产生的固体废物以及法律、行政法规规定视为生活垃圾的固体废物。
(四)危险废物是指列入国家危险废物____或者根据国家规定的危险废物鉴别标准和鉴别方法认定的具有危险特性的固体废物。
(五)贮存是指将固体废物临时置于特定设施或者场所中的活动。
(六)处置是指将固体废物焚烧和用其他改变固体废物的物理、化学、生物特性的方法,达到减少已产生的固体废物数量、缩小固体废物体积、减少或者消除其危险成份的活动,或者将固体废物最终置于符合环境保护规定要求的填埋场的活动。
(七)利用是指从固体废物中提取可用物质作为原材料或者燃料的活动。
四、各部门的管理职责(一)行政部负责对公司区域内固体废物污染防治工作实施统一监督管理。
(二)后勤部负责本单位生产、办公和生活过程中产生的固体废弃物的分类、收集等工作。
(三)后勤部部负责固体废物收集、贮存、运输、利用、处置过程中的安全防护工作,并对从业人员进行安全培训和提供符合要求的劳动保护用品。
(四)其他相关部门按照各自的职责,协同做好固体废物的监管及污染防治工作。
环保产业废水废气治理解决方案第一章废水治理概述 (2)1.1 废水来源与分类 (2)1.2 废水处理技术发展趋势 (3)第二章废水预处理技术 (3)2.1 物理预处理方法 (3)2.2 化学预处理方法 (4)2.3 生物预处理方法 (4)第三章生物处理技术 (4)3.1 好氧生物处理技术 (5)3.1.1 好氧生物处理技术原理 (5)3.1.2 好氧生物处理技术分类 (5)3.2 厌氧生物处理技术 (5)3.2.1 厌氧生物处理技术原理 (5)3.2.2 厌氧生物处理技术分类 (6)3.3 混合生物处理技术 (6)3.3.1 混合生物处理技术原理 (6)3.3.2 混合生物处理技术分类 (6)第四章深度处理技术 (6)4.1 膜分离技术 (6)4.2 吸附技术 (7)4.3 氧化技术 (7)第五章废水处理设施设计与运行 (7)5.1 废水处理设施设计原则 (7)5.2 废水处理设施运行管理 (8)5.3 废水处理设施维护保养 (8)第六章废气治理概述 (8)6.1 废气来源与分类 (8)6.2 废气处理技术发展趋势 (9)第七章废气预处理技术 (10)7.1 物理预处理方法 (10)7.1.1 冷却法 (10)7.1.2 过滤法 (10)7.1.3 洗涤法 (10)7.2 化学预处理方法 (10)7.2.1 吸附法 (10)7.2.2 氧化法 (10)7.2.3 还原法 (10)7.3 生物预处理方法 (11)7.3.1 生物滤池法 (11)7.3.2 生物滴滤法 (11)7.3.3 生物膜法 (11)第八章废气处理技术 (11)8.1 吸附法 (11)8.2 吸收法 (11)8.3 燃烧法 (12)8.4 生物法 (12)第九章废气处理设施设计与运行 (12)9.1 废气处理设施设计原则 (12)9.2 废气处理设施运行管理 (12)9.3 废气处理设施维护保养 (13)第十章环保产业废水废气治理案例分析 (13)10.1 废水治理案例分析 (13)10.1.1 项目背景 (13)10.1.2 治理方案 (13)10.1.3 案例效果 (13)10.2 废气治理案例分析 (13)10.2.1 项目背景 (14)10.2.2 治理方案 (14)10.2.3 案例效果 (14)10.3 综合治理案例分析 (14)10.3.1 项目背景 (14)10.3.2 治理方案 (14)10.3.3 案例效果 (14)第一章废水治理概述1.1 废水来源与分类废水是指在人类生产和生活活动中产生的含有污染物的水体。
废水、废气、固废管理制度1目的为了使本公司生产、生活的废水得到更有效的控制,防止和减少废水对水体和环境的污染,特制定本程序。
2适用范围本程序适用于本公司在活动、产品和服务过程中产生的废水的管理。
3职责3.1综合办公室负责委托环保部门对本公司的废水污染物排放进行测量。
3.2各部门负责本部门产生的废水的管理。
4程序4.1总体的要求a.公司内废水污染物排放应符合国家和地方污水污染物排放进行测量。
b.在达标的基础上,尽可能减少污水的排放量和排放的浓度。
c.对本公司不能处理的废水、废液必须送到环保要求的公司处理。
生产废水包括锅炉及喷胶排放的废水,要加强采用循环水的利用,以减少废水排放量。
a.不得在生活水龙头处清洗油桶,清理出来的设备泄漏的机油,不得倒入水沟里。
b.厕所要由专门的清洁工人进行处理,保持厕所的清洁,减少对环境的污染,并由专门人员每半年对化粪池进行清理,确保化粪池、下水道畅通,无阻塞、满溢现象。
c.洗澡间要由专门的环卫工人进行处理,保持洗澡间的清洁,减少对环境的污染。
d.食堂里的淘米水和残菜饭汤要倒入指定的泔水桶里,供给饲养牲畜户再利用。
4.3监测与监控监测过程中发现有不符合按《不符合、纠正与预防程序》处理并记录。
4.4记录各部门应对各项定期清理和检查的活动及出现不符合整改的情况进行记录。
5.相关文件5.1《信息交流程序》5.2《环境监测与测量控制程序》5.3《不符合纠正措施和预防措施程序》1目的控制和预防本公司产生的废气,明确各类废气的处理方法,减少废气中污染物的排放,从而达到控制污染的目的。
2适用范围本公司在活动、产品和服务过程中产生的废气的控制。
3职责3.1综合办公室负责全公司废气排放的归口管理并负责联系当地环保部门定期进行废气监测。
3.2各部门对废气产生部位进行控制,尽可能减少废气的产生。
负责维护本部门废气处理设备。
3.3技术质量科负责维修废气处理设备。
4程序4.1控制内容。
确保废气排放达到国家和地方废气排放标准的要求。
废水废气固废处理方案改进引言本文档旨在提出一种改进废水废气固废处理方案的建议。
废水废气固废处理对于环境保护和可持续发展至关重要。
通过改进废水废气固废处理方案,我们可以更有效地减少污染物的排放,保护环境,提高企业的可持续性。
当前问题目前,公司的废水废气固废处理方案存在一些问题。
首先,处理效率较低,废水废气的排放量仍然相对较高。
其次,处理过程中产生的固废无法得到有效利用或处理,造成资源浪费和环境污染。
此外,处理设备和技术也存在一些老化和不完善的问题,需要进行更新和改进。
改进方案为了解决以上问题,我们提出以下改进方案:1. 技术更新首先,我们建议更新废水废气固废处理设备和技术。
采用先进的处理设备和技术,可以提高处理效率,并减少废水废气排放量。
同时,更新设备还可以提高处理过程的可控性和稳定性,减少故障和停工时间。
2. 循环利用其次,我们建议在固废处理过程中加强循环利用。
通过采用合适的技术和方法,可以将一部分固废转化为可再利用的资源。
例如,可以将废水中的有机物转化为生物质能源,或将废气中的有害物质转化为有用化学品。
这样不仅可以减少废物的产生,还可以降低资源消耗和环境影响。
3. 监测与改进最后,我们建议加强废水废气固废处理过程中的监测与改进措施。
定期监测处理效果、排放标准和废物产生量,及时发现问题并采取相应的改进措施。
同时,我们建议对处理过程进行优化,提高处理效率和降低排放量。
结论通过以上的改进方案,我们可以更有效地处理废水废气固废,保护环境,同时实现资源的循环利用。
这不仅有助于提升企业形象和可持续发展能力,也符合环境保护的要求和社会责任。
以上是对废水废气固废处理方案改进的建议,希望能够对公司的环境保护工作提供一些有益的参考。
废水、废气、固废管理制度范本中国石油天然气第六建设公司废水、废气、固废管理规定第一章总则第一条为了加强项目部施工生产和生活活动过程中废水、废气、固废排放的控制,减少对地域环境及人体健康的影响,依据国家和中国石油天然气集团公司有关规定制定本规定。
第二条本规定适用于中国石油天然气第六建设公司(以下简称公司)所属各单位、项目部及其承包商。
第三条本规定规定了废水(生活污水、工业废水、废液)、废气(排气污染物、粉尘)、固废(生产垃圾、生活垃圾、危险废物)排放控制的范围、方法及管理等内容。
第四条名词解释(一)生活污水。
是指在生活活动中排放的水。
包括洗漱、炊厨、卫生间等产生的污水。
(二)工业废水。
是指工业生产过程排放的废水、污水以及废液组成的工业废水。
包括含酸污水、含碱污水、洗片污水等。
(三)废液。
是指机器试运转过程中、设备维修和保养过程中排放的汽油、柴油、煤油、润滑油(脂)等;金属理化试验废液;洗片废液;机加工乳化液。
(四)排气污染物。
是指机动车辆以及燃油设备排放出的一氧化碳、碳氢化合物及氮氧化物等。
(五)粉尘:是指生产过程中产生的悬浮在空气中的固体微粒如:细砂、水泥、泥砂、保温材料石棉尘、切割和焊接烟尘等。
(六)固废。
是指生产施工、日常生活和其他活动中产生的污染环境的固态、半固态废弃物质。
(七)生产垃圾。
是指在工业生产活动中产生的弃土、砖石、铁屑、边角下料、废焊条、包装纸箱、废材料等。
(八)生活垃圾。
是指在日常生活中或者为日常生活提供服务的活动中产生的固体废物。
包括炊厨废物、废纸、织物、家用什物、废塑料制品等。
(九)危险废物。
是指列入国家危险废物____的固体废物。
主要有石棉产品使用产生废料、涂料包装桶、报废的铅酸蓄电池、镍镉电池、废荧光屏及汞灯、废胶片及废像纸、废有机油桶及油手套等。
第二章职责第五条公司安全环保部负责____制定、管理和维护本规定。
第六条公司各单位、项目部具体负责本规定的执行并提供培训、监督与考核。
废气、废液、固体废弃物处理措施
我公司对废弃物实行分类收集,按规定处理。
针对废气、废水、废油、废弃电液、废蓄电池、废轮胎、空调制冷剂、维修垃圾处理如下:
一、废水。
我公司修理厂产生的废水为冲洗轮胎产生的清洗废水,水质较为简单,经沉淀处理后,排入下水管道。
二、废液。
废弃油料倒入固定的容器内,容器并能防止二次污染。
特委托专业回收部门定期回收。
三、固体废弃物。
生产过程中产生的固体废物,维修垃圾由环卫部门负责清运,送至垃圾处理厂填埋处理。
禄劝汽车运输公司修理厂
二0一六年三月二十九日。
废气废水环保工程方案怎么写一、前言随着工业化进程的加快,废气和废水的处理问题成为了环保工程中的一个重要课题。
废气和废水的排放对环境和人类健康都造成了严重的危害,因此需要制定有效的环保工程方案来解决这一问题。
二、废气处理工程方案1. 废气收集系统废气产生后,首先需要进行有效的收集。
为此,可以建立一套废气收集系统,将产生的废气经过管道传输到废气处理设备中进行处理。
2. 废气净化设备废气中含有大量的有害物质,例如二氧化硫、氮氧化物等。
因此,需要建立一套废气净化设备,通过吸收、吸附、催化反应等方法,将有害物质去除,使废气达到排放标准。
3. 废气再利用技术在废气处理的过程中,可以采用一些废气再利用技术,将废气中的有用成分回收利用。
例如,可以利用废气中的热能进行余热发电,实现资源的最大化利用。
4. 废气排放监测系统为了保证废气排放符合国家环保法规,需要建立一套废气排放监测系统,对废气排放进行实时监测,及时发现并解决问题。
三、废水处理工程方案1. 废水收集系统与废气处理类似,废水处理工程也需要建立废水收集系统,将产生的废水有效地收集起来进行处理。
2. 废水净化设备废水中含有大量的有机物、重金属等有害物质,需要建立一套废水净化设备,通过化学沉淀、生物处理、活性炭吸附等方法,将废水中的污染物去除,使其符合排放标准。
3. 废水综合利用技术废水中含有大量的水资源,可以采用一些废水综合利用技术,例如利用废水中的热能进行热能回收,利用中的有机物进行生物发酵等,实现废水资源的最大化利用。
4. 废水排放监测系统为了保证废水排放符合国家环保法规,需要建立一套废水排放监测系统,对废水排放进行实时监测,及时发现并解决问题。
四、综合治理工程方案1. 废气废水综合治理系统废气和废水的产生和排放通常是相互关联的,因此可以将废气和废水处理工程进行综合治理,建立一套废气废水综合治理系统,实现资源的共享和最大化利用。
2. 信息化管理系统在废气和废水处理工程中,可以建立一套信息化管理系统,对废气和废水的产生、排放、处理等全过程进行实时监测和管理,确保环保工程的有效运行。
废水处理方案及可达性分析一、废水处理方案:1、废水处理原理:①含铬废水(表中第5类):废水中的六价铬主要以Cr2072-、Cr042-二种形式存在,在酸性条件下,主要以Cr2072-存在;在碱性条件下,主要以Cr042-存在。
含铬废水处理釆用焦亚硫酸盐还原法,其基本原理是在酸性条件(pH=2.5~3.0)下,使废水中的六价铬还原成三价铬,然后加碱调节废水pH至8~9,同时投加混凝剂,使其形成氢氧化铬沉淀而除去,达到废水净化之目的。
釆用焦亚硫酸钠处理的还原反应式如下:Na2S205+H20 — 2NaHS03H2Cr207+3NaHS03+3H2S04— Cr2(S04)3+3Na2S04+4H20形成氢氧化铬沉淀反应为:Cr2(S04)3+6Na0H—2Cr(0H)3|+3Na2S04理论上投药比(W/W)六价铬:Na2S205为1 : 3.6,实际使用时为1 : 4~5.②含氰废水(表中第4类):废水经格栅井后进入调节池(设液位自控仪),均质均量后废水经泵提升至一级破氰池,加碱控制池内pHll~12,同时投加次氯酸钠,使CN-氧化成CNO-经一级不完全破氰反应后的废水溢流进入二级破氰池,加酸控制池内pH 8左右,同时投加次氯酸钠,使CNO-氧化成C02、N2,完全破氰后的废水汇入综合隔油调节池进行进一步的处理。
破氰反应池内均设气力搅拌系统、pH控制系统、ORP控制系统。
一级破氰池ORP达到300mV时反应基本完成,二级破氰池OPR需达到650V。
③混合废水(表中第2类及第7类):废水中含氰、铜、镍、铬、有机污染物等,无法将各污染因子单独分出,只有先破氰再还原铬,再沉淀,原理同上。
④含镍废水(表中第3类):釆用离子交换吸附技术,利用离子交换剂与不同离子结合力强弱的差异,将溶质暂时交换到离子交换剂上,饱和后出售给有资质回收单位。
⑤含油废水及生活污水(表中第6类及第1类)该类废水中主要污染为石油类、COD等,浓度相对较髙,以有机污染为主,基本无重金属污染,为了降低总废水排放COD达标的难度,浓度相对较高,以有机污染为主,先通过一级气浮池或沉淀,经投加药剂的作用,将废水中的悬浮物及油类去除,再与生活污水一起进入生化处理系统.2、废水处理工艺项目外排废水经处理达《电镀污染物排放标准》(GB21900-2008)中表2 (新建企业水污染物排放限值)的排放限值后排入西侧的木城河,其中废水60%以上回用于生产工艺用水。
废水处理方案及可达性分析一、废水处理方案:1、废水处理原理:①含铬废水(表中第5类):废水中的六价铬主要以Cr2072-、Cr042-二种形式存在,在酸性条件下,主要以Cr2072-存在;在碱性条件下,主要以Cr042-存在。
含铬废水处理釆用焦亚硫酸盐还原法,其基本原理是在酸性条件(pH=2.5~3.0)下,使废水中的六价铬还原成三价铬,然后加碱调节废水pH至8~9,同时投加混凝剂,使其形成氢氧化铬沉淀而除去,达到废水净化之目的。
釆用焦亚硫酸钠处理的还原反应式如下:Na2S205+H20 — 2NaHS03H2Cr207+3NaHS03+3H2S04— Cr2(S04)3+3Na2S04+4H20 形成氢氧化铬沉淀反应为:Cr2(S04)3+6Na0H—2Cr(0H)3|+3Na2S04理论上投药比(W/W)六价铬:Na2S205为1 : 3.6,实际使用时为1 : 4~5.②含氰废水(表中第4类):废水经格栅井后进入调节池(设液位自控仪),均质均量后废水经泵提升至一级破氰池,加碱控制池内pHll~12,同时投加次氯酸钠,使CN-氧化成CNO-经一级不完全破氰反应后的废水溢流进入二级破氰池,加酸控制池内pH 8左右,同时投加次氯酸钠,使 CNO-氧化成C02、N2,完全破氰后的废水汇入综合隔油调节池进行进一步的处理。
破氰反应池内均设气力搅拌系统、pH控制系统、ORP控制系统。
一级破氰池 ORP 达到300mV时反应基本完成,二级破氰池OPR需达到650V。
③混合废水(表中第2类及第7类):废水中含氰、铜、镍、铬、有机污染物等,无法将各污染因子单独分出,只有先破氰再还原铬,再沉淀,原理同上。
④含镍废水(表中第3类):釆用离子交换吸附技术,利用离子交换剂与不同离子结合力强弱的差异,将溶质暂时交换到离子交换剂上,饱和后出售给有资质回收单位。
⑤含油废水及生活污水(表中第6类及第1类)该类废水中主要污染为石油类、COD等,浓度相对较髙,以有机污染为主,基本无重金属污染,为了降低总废水排放COD达标的难度,浓度相对较高,以有机污染为主,先通过一级气浮池或沉淀,经投加药剂的作用,将废水中的悬浮物及油类去除,再与生活污水一起进入生化处理系统.2、废水处理工艺项目外排废水经处理达《电镀污染物排放标准》(GB21900-2008)中表 2 (新建企业水污染物排放限值)的排放限值后排入西侧的木城河,其中废水60%以上回用于生产工艺用水。
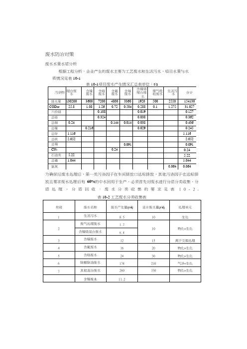
企业将现有的废水处理设施拆除,重新建设一套废水处理及回用设施,废水设计处理能力建议为650t/d,其中反渗透深度处理系统建议处理能力为80t/d,详细的工艺流程见图10-1〜10-6。
废水处理具体工艺设计应委托具有相应资质单位进行设计与实施。
图10-1 第5类工艺废水预处理流程图图10-2 第4类工艺废水预处理流程图图10-3第2类、第7类工艺废水预处理流程图图10-5第1类、第6类工艺废水预处理流程图回用于清洗图10-4第3类工艺废水处理流程图第1类废水图10-6 总废水处理工艺流程图中水回用方案比较:目前电镀企业使用较多的两种回用技术有:1、超滤+反渗透;2、MBR+反渗透。
根据对本地使用相对较多的超滤+反渗透工艺的调查,多数企业反滲透膜采用中空纤维膜,使用寿命较短,一旦前处理进水SS未控制好,极易造成膜污染,膜的反冲洗强度较大影响膜的使用寿命,因此企业中水回用设施的实施使用率极低,造成了投资的浪费而且水资源也没有得到充分的回用。
相比而言MBR技术有以下优势,更适于在对COD要求更高的电镀企业中的中水回用。
MBR是一种将高效膜分离技术与传统活性污泥法相结合的新型高效污水处理工艺,它用具有独特结构的浸没式膜组件置于曝气池中,经过好氧曝气和生物处理后的水,由泵通过滤膜过滤后抽出。
它与传统污水处理方法具有很大区别,取代了传统生化工艺中二沉池和三级处理工艺。
由于膜的存在大大提高了系统固液分离的能力,从而使系统出水水质和容积负荷都得到大幅度提高,出水可达到杂用水标准,经后续处理后可达到景观用水标准。
由于膜的过滤作用,微生物被完全截留在生物反应器中,实现了水力停留时间与活性污泥泥龄的彻底分离,消除了传统活性污泥法中污泥膨胀问题。
膜生物反应器具有对污染物去除效率髙、硝化能力强,可同时进行硝化、反硝化、脱氮效果好、出水水质稳定、剩余污泥产量低、设备紧凑、操作简单等优点。
目前广泛应用于生活污水和各种可生化工业废水的处理及回用中。
MBR工艺有以下优点:处理水质优良、出水稳定、SS<3mg/L、同时可栽截留水中的细菌和大肠杆菌;由于污泥泥龄长,从而可以大大提高难降解有机物的去除率;可以在高容积负荷、低污泥负荷、长泥龄条件下运行,产生剩余污泥量少,从而降低了污泥处理设施的费用;设备高度集成,占地面积小,自动化程度髙、易于维护管理;膜使用寿命长,-般每平方米膜可以去除500kgCOD。
本评价建议采用平板膜,它有以下优点:①浸没放置,膜组件稳定置放于反应池中;②低压(抽吸或重力)出水,系统工作压力小,电耗低;③气液两相流扰动;④长时间稳定运行;⑤膜不易污染、膜清洗频率低、清洗操作方便;⑥膜片可单张更换。
综合废水经MBR生化处理后,为确保达标和有效回用,建议对废水再进行RO反滲透,反渗透产生的浓水回到综合调节池进行处理,清水进入清水池再视情况进行回用或者排放。
各斜沉池产生的污泥排到污泥池,泵至污泥浓缩池浓缩后由压滤系统进行脱水,脱水后的泥饼含水率约75%。
污泥浓缩池上层清液与滤液仍返回综合调节池进行处理,泥饼作为危险固废处置。
二、可达性分析1、镍离子可达性分析:单一的含镍废水先于槽边采用离子交换回收镍,经处理后可达标,清水50%回用于清洗,50%再进入综合废水池处理,饱和的离子交换柱由有资质单位处置;混排废水含少量镍,在车间进行沉淀处理,控制pH在8.9 以上时,可使镍离子完全生成氢氧化镍沉淀物,再通过投加混凝剂助凝别将沉淀物捕集共同沉淀,可实现镍离子的达标排放。
按第一类污染物排放要求,在车间设置排放监测口,确保车间排放口镍达标后再与其它废水汇合进行进一步处理。
2、COD可达性分析:将除油等前处理含COD浓度高的废水进行单独处理后与生活污水一起纳管排放,可大大减轻电镀废水COD的初始浓度、电镀废水COD 主要由一些有机电镀助剂构成,生化性较差,釆用MBR+RO的工艺时应补充投加营养物,使微生物达到足够的浓度和活性后,再对废水中的有机物质逬行生化降解,则COD是可以做到达标排放。
3、废水综合处理时釆用二级沉淀,操作灵活,可根据不同金属离子特征,调节pH 值形成氢氧化物,如确保两性锌离子达标.4、以上化学法处理电镀废水工艺设备成熟,已有成功应用案例、只要做到电镀车间废水的分类收集、分质处理、分质回收,避免混排,可以做到达标排放和中水回用。
三、其它要求1、电镀车间生产作业地面要直接接触各种有害的腐蚀性介质,普通水泥地面是不可能经受酸、碱腐蚀的,腐蚀受损的地面必然使腐蚀介质进一步滲漏,造成建筑物基础损坏,逐步渗入地基下层土壤。
有些房屋的墙体是砖砌的,腐蚀介质可以顺着墙体向上爬,造成整座墙体受污染,墙体疏松倒塌等。
电镀车间生产作业地面应在混凝土地面的基础上作防腐处理,另外由于生产地面要受到设备的重压,还要经常走运输车辆,要能承受一定荷载,有时还要经受重物的磕碰等,因此地面不但要经受腐蚀,而且要经受重载、磕碰、损伤等。
电镀车间地面的通常做法是,在混凝土基础上涂沥青油毡防渗层或者玻璃钢防渗层,上面铺花岗石块,石块与石块之间用环氧树脂或改性环氧树脂密封沟缝,这种地坪防腐性好,承载力强,耐重物磕碰,使用效果好。
最近几年国外引进的树脂型工业地坪发展很快,品种规格也很多,适用于防静电、高洁净度、耐腐蚀、高承载等各种性能要求,根据国内一些电镀项目的经验,釆用高承载、耐腐蚀环氧砂浆地坪效果很好,比花岗石地坪的整体性好,美观、防腐防渗漏好,造价也相对便宜。
电镀车间地面的管道沟、墙裙(30cm~100cm)等也要采取防腐、防渗措施,做法与地坪相同。
此外,化工原材料仓库,尤其是酸液、碱液和其他带腐蚀性的溶液的存放地点,其地面必须做可靠的防腐处理。
2、车间内各股废水分质分管收集,车间内污水管道釆用明渠暗管,在渠内(管道沟)进行防腐、防渗处理,渠上应盖活动式盖板,可选用PP制网格式盖板或花岗石石板,便于环保部门采样的监督。
车间外污水管道髙架铺设。
各类污水管道必须明确标志,可标识不同颜色以便管理。
3、合理规划生产线、将所有的镀槽按生产工艺流程中的顺序摆放,各生产设备之间保留合理的空间,使车间内各生产设备整洁有序;电镀线布置在经防腐处理的平台上,平台有一定的斜度,以利槽低斜度排水;电镀槽、清洗槽及辅助槽要斜底,为了保证下排口水能排尽,下排口管径的1/2必须低于槽底;所有镀槽和清洗槽按不同镀种进行分类,不同的槽体之间设置隔离堰以避免不同种类的废水混合在一起。
3、除油槽必须安装除油过滤器及驱油装置,以消除除油二次污染,提高电镀质量。
4、企业每条电镀线单独计量用水,配备生产用水计量装置。
废水治理采用全自动控制,主要处理单元如破氰池、铬还原池,中和池等应采用在线监控设施。
5、设置污泥堆场,场地进行防腐防滲处理,堆场还要做到防风防雨,避免造成二次污染。
6、为避免因废水处理设施运转不正常造成废水未经有效处理而排放,设置一座应急池。
7、废水处理工艺应委托有资质单位进行专项设计,并报环保行政主管部门批准.8、废水排放口要求设置规范化的标志牌和釆样口,安装污染源在线监控装置,对流量、pH、COD、特征污染因子进行在线连续监控并与环保行政主管部门联网.四、废水处理经济技术可行性分析企业污水处理站设计规模为650t/d,反渗透处理系统为80t/d,24h运转,小时处理能力分别为27.1t/h和3.3t/h。
废水处理投资包括各调节池起至出水水质达标排放范围内的工艺、所需构筑物及配套处理设备、附属设施、计算机控制系统、投药系统、污泥脱水系统、回用系统,不包括车间地面防腐、管线布置等,预计投资约300万元;远程在线监控系统投资约30万元;镀镍后续清洗废水的保安、过滤+离子交换吸附设备投资约为40万元。
废水处理总投资约370万元。
电镀废水预计运行费用14〜18元/吨废水,中水回用的运行费用约5〜10元/吨水(视企业的管理水平和膜更换的成本而有较大变化),总运行费用约为250万元 /年。
中水回用的成本要高于自来水费,但是从环境保护和提高水资源利用率角度出发,实施中水回用尽管目前经济上不合算,但还是必要的。
10.2废气防治对策企业电镀工艺废气主要有HC1废气、铬酸雾、氰化氢等。
这些废气对人类的危害极大,必须釆用有效的处理方法,使产生排出的废气经处理后,达到国家规定的排放标准。